Задуматься о лямбда-зонде меня заставил К-135. Подобрать жиклеры и прочее всех научил небезызвестный Mortis. Но все тарировки подходят для стокового двигателя(да и стоки все разные). Если двиг имеет несколько другие параметры, то все старательно подобранные Олегом конфиги работают не очень хорошо.
Я планировал за прошлый сезон отрегулировать его, но нужно было много ездить, чтоб по свечам диагностировать работу той или иной системы. Поменяв ГТЖ, нужно проехать километров 50, чтоб был смысл глядеть на свечи. А это и по деньгам и по времени накладно. Да и проехать я успел за сезон дай бог 1000 км.
Наверное, с год назад в анкете Scy.thian c gaz-24.com прочитал про установку лямбды и прибора для считывания ее сигналов на Волгу. Кстати, всем рекомендую читать. Человек технически грамотный, основательный, дотошный и творческий.
Но поскольку из электрики и электроники я могу только одно — лампочки менять, то я как-то сразу отбросил эту идею. Понимая, однако, что штука эта очень полезная.
Прибор для считывания можно купить. Но нормальный, по отзывам, стоит порядка 2-ух тысяч. И его ж надо установить, то есть опять разбираться в схемах… А это не лампочку поменять. Понимаю, что надо мной смеяться будут, но… уж как есть) Ну и лямбда тоже денег стоит. В общем, 4000 есть куда пристроить и без лямбды.
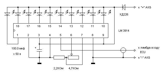
Короче говоря, я взялся за безнадежное предприятие — самостоятельную пайку вот этой схемы

взята с www.ecu.ru/diagnostics/full/di/lambda/
Закупил детальки, макетную платку (на все где-то в районе трехсот руб). И, основательно замучив всех вопросами, стал паять. Далось нелегко (в последний раз какие-то резисторы лет 27-28 назад паял), но далось.
Схему можно проверить без установки на машину и даже без лямбды! Но для этого нужно спаять еще одну схемку

А можно с лямбдой. Вот схема подключения

Мне друг задарил пару лямбд условно рабочих. Вот что получилось
На лямбду пускаю газ из зажигалки.
Слева направо. Свечение одного-двух-трех светодиодов означает бедную смесь. Горение всех светодиодов — богатую. Горение половины означает стехиометрическую смесь.
Теперь летом нужно будет вварить в штаны гайку и установить эту приспособу.


Колхоз, конечно…
****
Список деталей на плате:
Светодиоды любые — 10 шт
Диод КД226 — 1 шт
Микросхема LM 3914 — 1 шт
Конденсатор 1мкф на 50 в -1 шт
Резистор 2,2 кОм — 1 шт
Резистор переменный 4,7 кОм — 1 шт.
*****
Для установки в радиомагазине надо купить еще один резистор на 1 мОм.





Комментарии 33
Даже не знаю. На самом деле все равно от какой. Главное, что не широкополосную. К той другой показометр нужен.
подскажи пожалуйста от какой машины лямбду брал?
Напиши, чей, пожалуйста, список всех деталек!
Светодиоды какие?
4,7 кОм — это переменник штоль? Не вижу…
Синенькая хрень — это что?
Синенькая хрень — это переменный резистор на 4,7 кОм. Его еще подстроечным называют.
Список деталей поместил в конец записи.
Спасибо большое. Ну а светодиоды-то, они скольки вольтовые? Трёх?
Да не парься) Можешь трех-, можешь двухрублевые брать))) А сколько та вольт — хз. Любые.
Лямбду новую брал? Это она с подключенным подогревом работает?
Неа, лямбда бэушная. Да с подогревом так.
как дела с упгс?
В процессе.
Классная вещица. Мне бы тоже очень пригодилась =)
Долго собирал её? жаль видео сейчас не могу посмотреть
Два вечера без навыков. Дольше детали собирал.
здорово, однако! полезная штукенция для экспериментов с курбулятором) лямба чей? или под эту схемку любой можно?
Они все одинаковые. Есть только широкополосные и узкополосные. Эта схемка под узкополосную.
СПАСИБО) будем знать
Хотя… я видел какие-то одновыводные, трехвыводные. Короче, нужна узкополосная с 4-мя проводами.
а нам хватит узкополосного для регулировки? при работе эконостата и ун смесь вроде как сильно переобогащается?
Хватит за глаза. На смесь я еще не смотрел) Это летом планируется.
штуковина нужная, спору нет. Вот только имхо карб легче настроить индикатором качества смеси… Схема проста как валенок, единственное где бы сам датчик взять?!)
А это что?
avto-pribor.nm.ru/iks1.htm
Прибор интересный. Но он работает на стоячей машине. А лямбда работает всегда. Ты наблюдаешь за качеством смеси в разных режимах в реальном времени.
согласен. единственное не пойму, ну будет на средних к примеру немного богатить топливом, как это решить на карбе? жиклёр меньше — на малых оборотах не то будет, большой — тоже самое…
В принципе ты прав. Карб — не инжектор. Но там есть еще большие диффузоры, малые диффузоры. С ними тоже можно поиграть. И заточить под себя, под свой стиль езды.
Наверное, и на инжекторе что-то происходит в ущерб чему-то.
А еще зажигание какое-нибудь… умное…
солидарен
Все уже украдено до тебя и до меня)))
Смысл этой штуки не пойму, лишние проблемы =)Тебе проще 406 или крысу воткнуть, там в косе проводов больше.А настроить карб честно ерунда, куда сложнее зажигание=)
Нет уж. Проще Порш купить.
Дороже . До здравствует пешеход)))))
Дороже, но быстрее)
хм…, оказывается всё не так уж и сложно, глядя на твою схему понимаю, что я понимаю!)))
дождусь пока сделаешь, а потом безсовестно сопру идейку)))))
очень нужная вещь, на красоту!
Да, я думаю, теперь с настройками карба будет проще)