FHI и Porshe. Чем же отличаются их системы впуска?
Начнем с характеристик двигателя EZ30R. График:

Все-таки EZ хорошо едет с 3000 об\мин, но хотелось бы улучшить его характеристики именно в средних и высоких оборотах, и придать линейность.
На EZ30 было два вида впускных коллекторов, особо не отличаясь по форме на первый взгляд:

В первом поколении была попытка сделать изменяемую геометрию раннеров (впускных патрубков от ресивера к цилиндрам), индукционный клапан управлял заслонкой, тем самым увеличивая на низких оборотах\уменьшая на средних и высоких оборотах длину раннеров.
В следующих поколениях сделали пластиковый впускной коллектор. И для улучшения характеристик мотора на низких и средних оборотах, совместно с Порше (был тут спор по этому поводу, но все же считаю что без их вмешательства не обошлось) разработана AVCS, система изменения фаз газораспределения впуска.
Меня смущал малый объем ресивера, но японцы добавили air intake chamber, стоит перед дросселем, выполняя ту же функцию резонатора и дозарядки цилиндров:

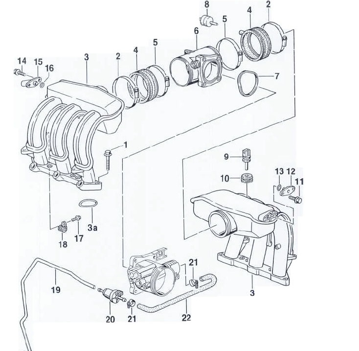
EZ30R:

у EZ30R помимо AVCS есть система изменения высоты подъема клапана AVLS (Active Valve Lift System), аналогичная Поршевской системе VarioCam

Первый H6 Субару был EG33, по сути тот же EJ мотор +2 цилиндра:

А в чем особенность впуска Porshe? (не вдаемся сейчас в подробности, отличия ШПГ, СЖ, конструкции мотора).
Коллектора, что Порше использовали первоначально до 3х литров, как мы видим, почти не отличается от Субару, лишь у каждой головки есть свой ресивер:

А в чем особенность впуска Porshe Boxster S 3,6л?
Система впуска с двухпоточной распределительной трубой имеет заслонку, которая открывается или закрывается при определенной частоте вращения. Дополнительный двухступенчатый резонансный эффект вызывает колебания воздуха в системе впуска; это приводит к эффекту наддува и оптимизирует смесеобразование. Взаимодействие двух эффектов позволяет добиться высокого крутящего момента на низких оборотах, более равномерной характеристики крутящего момента и высокой мощности при высоких оборотах. Кроме того, система производит яркое акустическое впечатление благодаря типичному звуку Porsche.

Стоит отметить, что Порше имеет ТНВД (топливный насос высокого давления), и впрыск топлива происходит под давлением в 120Бар, причем может быть многократным на цикл, система впрыска DFI(Direct Fuel Injection).
Для повыщения мощности на низких оборотах в американской версии стоит еще и эл\компрессор.
Для 3х литров и более Порше разработана так называемая резонансная система впуска, резонансный наддув:




Что по ней сказал один человек: "Это потрясно красиво рассчитаная система. Игра на том, что у Н6 мотора циклы впуска отстоят друг от друга точно на 120 градусов. При закрытии одного клапана в режиме высоких оборотов, отраженная от него волна достигает полного резонансного пика на противоположном открытом.
Величина перетечек регулируется заслонкой с пневмоуправлением.
В режиме низких оборотов работа вне резонанса на низком сопротивлении коллектора. Для того чтобы не было пика момента в области высоких а был плавный подхват введена как раз антирезонансная система- фактически если посмотришь фазовый набег, и влияние его на коэффициент наполнения, увидишь, что эта мера только ради линейности интегральной мощности.
Кстати Порше тем и отличаются, что ускорение линейно в зависимости от нажатия на педаль газа. в два раза сильнее нажал, ровно в два раза большее ускорение получил. В условиях кольца вещь незаменимая"
Что собственно я и хочу получить от мотора EZ30.
Думаю как реализовать подобную систему, взяв лучшее.
Засматриваюсь на красавца GT3 RSR:

Рад услышать ваше мнение и советы=).





Комментарии 42
Первый H6 Субару был ER27
Вы правы до 3тыс. этот двигатель не едет. Молодцы ребята, не знал, что к EZ30 приложил руку Порше. У самого сейчас такой двигатель на Трибеке, но пока моих познаний маловато по настройке, так как этот двигатель у меня в руках всего полтора года, но думаю, что были бы мозги, а опыт придет со временем. Удачи в ваших свершениях. Буду следить.
Шибера с общей коробкой и стандартным патрубком и фильтром.
Очень интересная и редкая инфа! Спасибо что опубликовал)
По сути можно попробовать портировать часть системы из Порше на EZ30
Получилось что задумывал?
саш приветствую. по поводу портирования гбц на ез30 с 2004 года. есть смысл? если да то какой диаметр фрез понадобится? на впуск и выпуск.
На двигателе EJ204 который ставился на Impreza WRX NA, на 155 лошадей, имел тоже впускной колектор с изменяемой геометрией.
partsib.info/pub/rsz/b/i/…1345e24500d1b8f442fa1.jpg
Спасибо, я в курсе), и на другие модели ставилось, тут затронуто только H6.
Получилось реализовать задуманное?
Когда говорится про резонансную настройку — имеется ввиду настройка на оду частоту нескольких систем например длина впуска и впускная фаза могут достигать пика в одном месте по оборотам что дает более ощутимый результат.
Поэтому я думаю стоит подвести фазу распредов с дудками к одному месту и неплохо в этоже место подвести пик вакуума штанов, и туда же кое-что по фазам выпускных валов.
правильный подход… надо продумать на моторе диаметры и длину впуска, если говорить о переменных его характеристиках, я бы остановился на двухрежимном дискретном варианте — это гораздо проще в реализации. Но моментов которые можно использовать — кучу… например изм. длина…
(ролик старый но показательный)
на 2.12 видно
Спасибо Валентин.
хм, искал информацию для курсовой наткнулся на твой пост, спасибо)
резонансная система впуска, резонансный наддув применялся на EJ204 c 99 по 01 год.
Легаси BE5 дористайл например.
Сорри если не к месту вопрос, сам сел за руль 3.0 недавно. Не нравиться то что на самом старте машина не едет, прошивка и выпуск даст хороши эффект? Спасибо
Ну во первых, нужно сделать диагностику двигателя, снять логи разгона и овощной езды, возможно устал маф, лямбды, катализаторы. При той же задержке (лаге) мафа или лямбд, разгон как с прицепом, образно, комп льет и дает углы зажигания не те что нужно.
В прошивке главный акцент нужно делать на топливных карт (сток мозг сильно беднит при небольшой нагрузке и жутко переливает при максимальной), и настройки раздела DBW (Drive-by-Wire Throttle), зависимости открытия дросселя, нажатия педали газа и нагрузки двигателя, этот раздел на стоке сильно душит машину в угоду экологии и расхода, не любит мозг открывать дроссель на 100%, грамотно настроив можно снять полсекунды до сотни на стоке. На МТ легко делается, на АТ придется повозиться.
По выхлопу, сама трасса конечно даст мотору "дышать" легче, но более ощутимый результат даст выпускной коллектор.
Ребят, а кто-нибудь может знает какое расстояние по осям между циликами на поршевских моторах последних поколений, которые используются на 996 и 997 сериях? Спрашиваю, потому что у меня предположение, что эта цифра совпадает с таковой у EG33 двигателя. Если память не изменяет то там база по циликам 113 мм. Спрашивал на 6speedonline но ответа так и не получил. Попробую узнать по другим каналам.
Не могу найти свежих поршевских мануалов, на старые моторы есть, новые засекречены что ли=) ).
Отличная подборка, спасибо!
Благодарю=). Аутбек будет интереснее и менее прихотлив, распорки и усиление подходят от легаси, тейны и т.д… Мотор песня и чтобы его убить нужно постараться, не пожалеете!-)
по адресу я зашел…
Прочитал ваше рвение на легаси клубе московском… и то что под кольцо точите, заслуживает уважение!
Сейчас вот выбираю себе форик 2.5Т либо аутбек 3.0
Комментарий удалён
EZ и EJ — не разные поколения, а разные типы моторов. Это не одно и то же.
Про нагрузку от фазиков — ты больше никому такое не говори, засмеют…
Чем принципиально клапанный механизм EZ отличается от ЛЮБОГО известного тебе V-образного мотора ты можешь видеть здесь:
s3.images.drive2.ru/car.j…8ce10b8fa31470f-large.jpg
и здесь
s3.images.drive2.ru/car.j…8ce10b93abdd7bd-large.jpg
И пойми уже, что ни я, ни Саня не утверждаем, что "у нас мотор от порша, стало быть мы невбульбенно крутые". Наши моторы — очень(!) сильно упрощенные версии моторов порше. В которых нет всего того, что делает порша поршем. За исключением АВЦС :).
Сейчас Саня ищет, чего бы поршевского можно вкорячить в EZ. Я, кстати, занимаюсь тем же самым. А вот ты занимаешься глупостями — лезешь поучать Саню, не утрудив себя банальным изучением матчасти.
з.ы. Любой спор практика с теоретиком неизменно заканчивается фразой "парниша, не лечи дядю", ну или вежливой "Марио гарантирует".
Комментарий удалён
Ссылки нет, поскольку не было интереса гуглить этот вопрос.
О "совместной" разработке знаю из разговора с техническим директором "СубаруМотор".
Его словам я доверяю больше, чем интернету.
А еще больше я доверяю своим глазам и рукам. Так вот поверь мне, моторы серий EJ и EZ изначально проектировались разными людьми.
Я ведь не спроста сказал, что EZ-вариация мотора от 911, а не от Бокстера, например.
Изучи матчасть по 911 (славились они своим 3х литровым атмосферником, было дело), а потом мысленно раздели узлы мотора на "общеупотребительные" и "ноу-хау Порше". Потом попробуй из "общеупотребительных" мысленно собрать мотор. Получится EZ30D, который ставился на ланкастеры до 2003. Далее мысленно отвали поршевцам кучу бабок за патентованную систему AVCS и добавь ее…
Короче, я готов обсудить этот вопрос, опираясь на матчасть, а мериться длиной ссылок — не мой стиль :)
америку для меня открыли… уже неделю зависаю на форумах а про ез30 такое первый раз слышу
Комментарий удалён
www.fhi.co.jp/news/98_1_3/1_19_6.html
FHI и Porsche сотрудничают с 1998 года по продажам и обслуживанию автомобилей последних в Японии. Сами японцы в будущем надеялись на дальнейшее техническое сотрудничество. Porsche design приложил руку в дизайне к европейскому варианту Subaru Impreza Sports Wagon, Legacy B4 Blitzen 2002 и других. В плане участия в процессе создания EZ, позже.
Саня, чото тока что заметил, что 250 сил написано, а в скобках, что их нет… у вас есть где замериться и откуда такое мнение?
Жопомером Женя=) ). Раньше я не мог объехать сток WRX, сейчас это удается. Что в скобках то можно уже убирать=). Более менее мотор у меня поехал в сентябре, когда занял 3 место в ТА. Пришел шнурок Tactrix 2.0 и ШПЛЗ Innovate CL1, тогда я мотор малость настроил. Диностенд есть в Красноярске, после того, как доведу все до ума, планирую на нем настроиться и замериться.
Комментарий удалён
Я не понимаю, почему это должно быть чем то сверхъестественным? А ты знаешь например, что фазорегуляторы для Рено разрабатывал и делал Митсубиси? Потому что Рено было проще заказать их на стороне, чем делать самим с нуля. Правда премудрые французы все же не смогли правильно их прикрутить, в результате они требуют замены каждые 60 тыс. И таких фактов в истории автомобилестроения предостаточно.
У Рено на K4M, F4P и F4R ниссановские фазики ;-)
И коробка DP0 ниссановская…
Возможно. Но я от сервисников слышал, что Митсубиси.
Вполне возможно, просто Рено как купили ниссан — так и стали активно перенимать технологии.
Кстати, DP0, если зреть в корень, тоже не ниссановская, энсин — производитель каждого второго автомата.
Aisin?Это Тойотовская дочка?
Про мотор.
Кто разбирал разные субаровские моторы — тот знает, что конструктивно они не одинаковы, но везде один и тот же "почерк". А вот EZ30 похож на субаровские моторы только тем, что он оппозитный. В остальном — ничего общего.
Так вот EZ30 — это не субаровский мотор, созданный при участии инженеров порше.
EZ30 — это мотор от 911го, упрощенный, удешевленный и максимально унифицированный под детали Субару.
кстати аналогичная разработка на бензиновых моторах BMW L6 применяется повсеместно в гражданских версиях, например за изменение длины впускного тракта, настройку резонанса на М54 отвечает DISA, а на N серии моторов появился непосредственный впрыск и ТНВД
Практически энциклопедическая статья :) Это будет субарик с двигателем а-ля Порше? :)
Интересная инфа! читал с удовольствием!=)
Subaru's current EZ series of flat engines features a Porsche designed and German manufactured, Active Valve Control System (AVCS) and Variable Valve Lift (VVL) system, that further enhances high range power and smoothness at idle.
Короче, головы с AVCS+AVLS спроектированы Порше, сделаны в Германии. Правда непонятно кем, то ли на заводах Порше, то ли сторонним производителем.
удачи в реализации задуманного!
Спасибо! Надеюсь что справлюсь=)
Красава! Может поискать в Москве или за бугром впуск в сборе от Порше. А потом еще и мозги настраивать придется. Переделок получится в двое больше, чем ты уже сделал. Мне предлагали мотор поршевский в сборе за 100 000 руб. в Москве. Если тебе интересно я поищу контакт человечка.
Какой мотор предлагали? Были бы деньги-взял бы сразу Порше и его тюнил=) ). А так у меня Субару и будем ее доводить до ума!=). Впуск будет кастом, переделывать от Порше затея очень сложная- у них мотор в сборе выше, заднемоторная компоновка это позволяет, на Субару место ограничено капотом.
Там еще один трабл — колокол нужно будет колхозить…