




+4
фотографии
Приехал я не на долго домой, ну и привез кадету подарки, это новый термостат, ДПРВ и передние сиденья с астры Ф кабрио в коже.
Ещё давно дома ждали установки выкладка багажника. Планирую освободить г…





+1
фотография
Нашел свободное время для покраски. Давно все купил только все руки не доходили.
Еще пору фоток моих любимих машин, о которых я роскажу но позже.





+6
фотографий
… обнаружил пару косяков, после зимы буду делать, почему после зимы? Просто авто еще не готово к холодам. еще нету обдува лобового и моторчик печки еще не подключен.
Осталось залить антифриз и ставит…





+15
фотографий
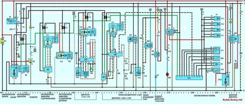
Сегодня изучал чем завтра буду голову ломать…
Может кому-то пригодятся…
Ключи к ним
Сокращения на электросхемах, идентификация проводов, цветовой код
AB – воздушная подушка безопасности
ABS – анти…





+1
фотография
Спустя пару вечеров была снята кпп и стойки и установлены все под биг блок
Поиск
На этой странице
- Сидим скучаем.
- Спустя 2.5 года я снова рядом
- Прислали пару фото
- И дальше стоим, ломаемся.
- С новым годом
- Дальше грустит
- Ничего нового просто пару фото с Украины как там мой кадет
- Покраска дисков и тормозулек
- Ещё немного динамиков
- Прийшли пороги
- Прокатал я немного машинку…
- Видео звука)
- Он жывой)
- Примерка торпеды с вектры Б на кадет
- Поставил задний кожаный диван с ОВБ
- Электросхемы на кадетт Е
- Электросхемы на вектру Б
- X20XEV вместо 13S часть 2…
- X20XEV вместо 13S начало…
- Перед поломкой переписал авто на себя












































