Volkswagen Polo Hatchback OldStar,он же Чудомобиль
Volkswagen Polo Hatchback 1981, двигатель бензиновый 1.0 л, 40 л. с., передний привод, механическая коробка передач — отзыв владельца

DimonSmolenskiy
Был 2 часа назад
Дмитрий, 53 года
Я езжу на Volkswagen Polo Hatchback OldStar,он же Чудомобиль и Skoda Fabia Фобия
Смоленск, Россия
Я езжу на Volkswagen Polo Hatchback OldStar,он же Чудомобиль и Skoda Fabia Фобия
Смоленск, Россия
Отзыв владельца
Знакомьтесь — VW Polo, середина декабря 1981-го года рождения, самое начало выпуска. Мотор 1,043 л, целых сорок полноценных кобыл.
Большую часть своей жизни это чудо неметского автопрома прожило со мной. А, поскольку, мои ручки очень шаловливы, по жизни и образованию я технарь, то досталось этому малышу много испытать на себе. Кое что прижилось. Ну об этом и многом другом я постепенно расскажу в БЖ.
Да, знаю матчасть этого аппарата (и не только) вполне. Обращайтесь. Помогу, чем смогу.
Сегодня на сервисе меня спросили, когда же я дособираю свой "Чудомобиль"? Так у моего Поло появилось имя )
Паспортные данные
- Двигатель 1.0 бензиновый, 40 л. с.
- Механическая коробка передач
- Передний привод
- Машина 1981 года выпуска, была куплена в 1997 году
- Volkswagen Polo Hatchback Mk2 выпускается с 1981 года
Описание изменено 10 лет назад
Бортжурнал 66
Документы

ТО 2017 и ОСАГО
техосмотр

ТО 2016 и ОСАГО
техосмотр
Доработки

Перестановка мебели в салоне. Сидухи.
тюнинг

I love my birthday!
тюнинг

Тетя Соня, ты не права, или маркетология в действии.
автозвук

Внешность завершена — 2 ) сезон 2016
стайлинг

Как Димон Майфуна подковал.
автозвук

Как сделать музыку в Поло?
автозвук

Димон выпустил новый VW или AllStar vs OldStar!
стайлинг

Подвесной потолок.
стайлинг

Внешность завершена. Возможно. ) Сезон-2015
стайлинг

Немного хулиганства не повредит
стайлинг

Новый бампер. +3лс.
стайлинг

Kamei отдыхает. Димон работает. И сделал Камею!
стайлинг

Перестановка мебели в багажнике + полка.
тюнинг

Доработка управления стартером
тюнинг

Топливный электронасос для карбюратора.
тюнинг

Подвеска. Ужесточаю и лифт-апаю.
тюнинг

Руль и музыка
автозвук
Колёса

"На лабутенах" или про управляемость
шины

ATS, заключительный этап.
колёсные диски

ATS. Процесс пошел.
колёсные диски

ATS Classic +5лс!
колёсные диски

ХЕЛП 2. Диск колесный
колёсные диски
Неприятности

И снова про немецкое не-качество. Как так-то? )
поломка

Задние амортизаторы тоже ОЙ! Еще немного про криворуких немцев.
поломка

Задняя балка сказала ОЙ! Тоже мне, немецкое качество (((.
поломка

Стою себе спокойно, примус починяю…
ДТП
Ремонт и обслуживание

Ляяя… Писать не о чем… Помыл машину )))
мойка

Дверные уплотнители стекол (бархотки) — миф или реальность?
запчасти

084 и 085 КПП
запчасти

+63 лошади к моим сорока или почти G-40! И тишинаааа…
своими руками

Что еще Димон не ломал? Дворники!
электроника

Задние подшипники. Как у младших родственников.
своими руками

Как Димон ручник вкорячивал.
своими руками

Лобовушко-стеклышко!
запчасти

Топливный фильтр. Ипошки, они такие ипонскиеее…
расходники

Вакуум трамблера или ничто не вечно
своими руками

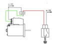
Как проверить втягивающее реле стартера
электроника

Задние подшипники, но речь не о них
своими руками

Скандинавский свет
электроника

Сборка, день второй
кузовной ремонт

Сборка началась!
кузовной ремонт

Часть 2. Кузовной ремонт 2015г. Эпизод 2.
кузовной ремонт

Часть 2. Кузовной ремонт 2015г.
кузовной ремонт

Часть 1. Кузовной ремонт 2006г.
кузовной ремонт
События

Я ЭТО нашел !11!
помощь на дороге

Немного экстрима или ПолоЖып
путешествие

Нижний
путешествие
Топливо и расход

Как Димон моновпрыск приручал. ч.4.1. Эпопея с трамблером.
заправка

Деньги появились. Скрестить что ли моник 1,4 с 1,6?
заправка

Поло и ВагКом. Миф или реальность?
заправка

Как Димон моновпрыск приручал. ч.4. Хоть бы последняя! Деньги кончаются )))
заправка

Как Димон моновпрыск приручал. ч.3. Только вперед!
заправка

Как Димон моновпрыск приручал. ч.2. Ни шагу назад!
заправка

Как Димон моновпрыск приручал. ч.1.
заправка

Проблемка с пустой камерой.
обкатка

Мануал по карбюратору PIC
обкатка
Фото и видео

ТТ в дэфе. По мотивам WoT ).
фотография

Тизерок или Не было печали, купила бабка…
фотография
Разное

Решил стать миллионером или все по 100руб
другое

I Love My Mk2!
просто так

Чем бы Димон не тешился )
просто так

СООБЩЕСТВО СОЗДАНО! Присоединяйтесь!
другое

А не создать ли нам СООБЩЕСТВО?
просто так

Подкрылки задние кому?
другое
Машины в продаже

Омск
Volkswagen Polo, 2012
520 000 ₽

Тюмень
Volkswagen Polo, 2015
849 000 ₽

Новосибирск
Volkswagen Polo, 2016
980 000 ₽

Екатеринбург
Volkswagen Polo, 2016
739 000 ₽
Комментарии 23
Интересный аппарат, кажется я таких моделей еще не встречал) выглядит неплохо вроде для своих лет. Пусть бегает, летает и не ломается-мое пожелание
valera19747474
Мая мечта безденежных 90-х…уменьшенный Passat…Кстати, этот кузов а-ля универсал — длиной 3,7 м или больше?
Наверное почти все владельцы Поло тех 90-х сначала мечтали о Пассате-универсале, я в их числе ))). Но, как обычно, были либо Пассаты по средствам, но они уже мечтали о прессе, либо бвли конфетки, но на них не было денег.
Промерил свой авто — по осям 230см, от бампера до бампера 360. Погрешность, конечно +/- 5см допускаю. Лень было метки на пол кидать, так, рулеткой протянул.
Заглавное фото — куда она запихивает масляный щуп?!
Я не смог пропустить этот момент )))
Подпись Полику, уважаю эту модель.Заходи в гости и подписывайся!
Кстати бамперок если уж с перехода поставил то надо было и задний такой же а еслиб и покрасил в цвет то вааще клево былоб да и колесами заняться б не помешало ставь авто на 14 радиус тока не вздумай диски от таза городить ищи от фольксваген или бэхи 4х100
Не торопи события (тут должен быть подмигивающий смайл)
:-)
Ваше мнение очень важно для нас ;) www.drive2.ru/l/7515579/
Рулек от 3- его гольфа все-таки удобней трех спицевый кстати от чего зеркала стоят и багажник двухэтажный?
Эххх, торопишь! Потом подробно хотел расписать. Багажник — Пассат Б-2 обрезаные по длинне, зеркала когда-то давноооо куплены 500руб за пару в жигулевско-москвичевско-и-прочем. Турки с ручной тросовой регулировкой из салона типа миниджойстиком.
Для 81 года состояние кузова охренительное я свой 91 года продал недавно тот что на фотках именно из за печального кузова и взял 94 последнего года их выпуска скоро обновлю бортовичек:-)
Не, кузов как раз сейчас из реанимации переведен в стационар ). Может к концу недели начну сборку навесных деталей.
Подпишемся на собрата
И тебе, брат, привет!
побольше фото
Будут. Совсем старых нет, накопал с первого своего телефона с камерой, но это 2005-2007 года. Не поверишь, я еще и фотограф, но своих фото у меня почти нет (.
да…