Здравствуйте, дорогие друзья!
Лирическое вступление
Прошла пара месяцев после того как я сделал первую версию контроллера и установил его в машину. Что можно сказать по прошествии этого времени? Очень нравится, все включается и отключается автоматически, что по началу было не привычно. В первые пару недель рука постоянно тянулась к выключателю света, особенно после того, как заглушишь двигатель. Однако, все это время я не просто наслаждался процессом пользования сего устройства, но потихонечку обдумывал и реализовывал обновленную версию контроллера. Изучив вопрос глубже, пересмотрев несколько похожих коммерческих проектов, я понял, что с датчиком скорости все не так гладко. В некоторых автомобилях при подключении схожих блоков ДХО, шли помехи на спидометр или же он вовсе переставал показывать скорость. В таком случае для решением проблемы предлагается установка специального дополнительного модуля согласования по цепи датчика скорости. С другой стороны, найдется много автолюбителей которые скажут, что и не нужен вовсе этот датчик скорости в управлении ДХО, и они по-своему будут правы. После этих размышлений, я решил сделать универсальное устройство, которое могло бы работать как с датчиком скорости, так и без него. Давайте посмотрим, что из этого вышло.
Преимущества дальнего в полнакала
1. Не нужно устанавливать дополнительные фары.
2. Экономия электроэнергии. 36 Ватт (30% дальнего в полнакала) против 130 Ватт (габариты + ближний).
3. Более информативное обозначение на дороге против ближнего света (дальний светит в глаза водителям встречных автомобилей).
4. Автоматическое включение и отключение.
5. Щадящий режим для нитей накаливания ламп.
Функционал и что нового в версии 1.2
1. Два режима работы. Первым и основным новшеством является то, что теперь контроллер можно настроить на два различных режима работы. В зависимости от того, используется ли датчик скорости или нет.
Вариант А. Используя датчик скорости. В этом случае ДХО плавно разгораются после того как количество импульсов с датчика скорости в секунду станет больше выставленного порога. ДХО плавно гаснут по истечению задержки после того, как импульсов с датчика скорости стало недостаточно для порогового значения. ДХО плавно гаснут как только поступил запрещающий сигнал габаритов или ручного тормоза (или любого другого). И ДХО плавно разжигаются после снятия запрещающего сигнала и если при этом поступает достаточное количество импульсов в секунду с датчика скорости.
Вариант Б. Без использования датчика скорости. В этом случае ДХО плавно разгораются по истечению выставленной задержки после включения зажигания. ДХО плавно гаснут как только поступил запрещающий сигнал габаритов или ручного тормоза (или любого другого). И ДХО плавно разжигаются после снятия запрещающего сигнала.
В обоих вариантах ДХО гаснут при отключении зажигания.
2. Запрещающий вход для ручного тормоза (и/или другого запрещающего сигнала по минусу).
Как и было в первой версии. Блок ДХО можно отключить или включить перещелкиванием запрещающего сигнала в течении секунды. Например, включили и выключили габариты. Так же с ручным тормозом.
Кому-то будет удобнее посмотреть видео. Качество так себе, но функционал и процедура настройки показаны наглядно.
Настройка параметров

Алгоритм настройки следующий. Нажимается и удерживается кнопка, светодиод моргает длинными вспышками — выбираем параметр для настройки, отпускаем кнопку. Затем, пока не прошло 5 секунд, нажимаем кнопку повторно и снова удерживаем, светодиод моргает короткими вспышками — выбираем вариант настройки текущего параметра. После отжатия кнопки новое значение параметра применяется и сохраняется в энергонезависимой памяти. Выбор параметра для настройки и значение выбирается в порядке, указанном выше.
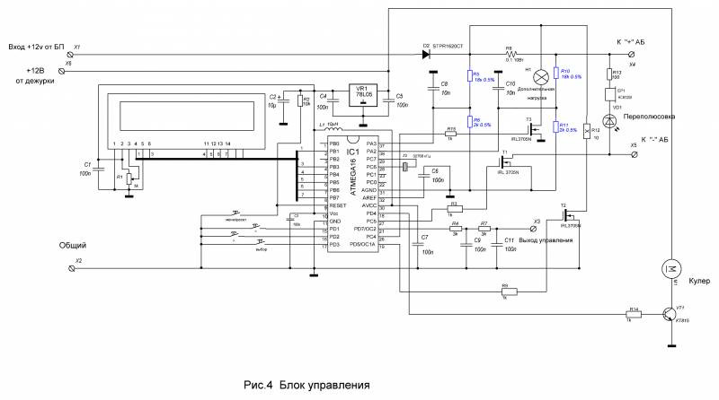
Схема и изменения
Изменилась немного силовая часть. Теперь полевики раскачиваются по двухтактной схеме. От оптопары решено избавиться. Поставил вместо нее полевик, будет ли работать лучше или хуже на каких-то конкретных автомобилях сказать не могу. У меня хорошо работают оба варианта. Теперь, вместо запрещающего сигнала с габаритов, на одну ножку микроконтроллера заводятся запрещающие сигналы по плюсу и по минусу. Можно заводить по несколько сигналов каждого типа, разделяя линии диодами.

Q1, Q2 — BC847C;
Q3 — BC857C;
Q4, Q5, Q6 — IRF4905s;
Q7, Q8 — 2N7002E;
D3 — FR107 (подойдет любой другой импульсный или быстродействующий на ток не менее 1 А).
Схема подключения в автомобиле

Прошивка
Прошивка разрабатывалась в CodeVisionAVR на C. В этот раз пришлось сильно попыхтеть с прошивкой, чтобы запихнуть весь функционал в контроллер. Бинарник для прошивки будет в доступе для повторения. Исходный код будет закрытым (желающие могут поковырять код предыдущей версии — он открыт). Кто сможет затолкать этот функционал в Attiny13, тому пожму руку и склоню перед ним голову.

Печатная плата
В этот раз сильно я что-то увлекся и развел дизайн плат в количестве 4 штуки. Односторонние и двусторонние для не измененной силовой части (как в первой версии) и для этой версии. Себе сделал двустороннюю: долго пришлось повозиться. Не решился паять с двух сторон: располовинил плату ножом, спаял половинки, затем склеил суперклеем. На данный момент — это верх моего мастерства. Односторонняя версия будет удобна тем, кто захочет сделать клеммники — там уже разводка под них. Платы покрыл бесцветным лаком. Двусторонние — засадил в прозрачную термоусадку.








Схемы, макеты плат, модель в протеусе, прошивку можно скачать здесь.
Выражаю благодарность за помощь по схеме Андрею 2350.
Инструкция по установке контроллера на Sandero, Logan, Duster, Almera, Largus
На данный момент контроллер обновился до версии 1.2.5
Повторение устройства, отчеты об установке на различные автомобили, отзывы и пожелания
Желаю удачи в каждом начинании!


Комментарии 198
Здравствуйте! Приобрести можно Контроллер?
Не продается
Добрый день.Сколько стоит ваш контроллер, как можно приобрести?
Здравствуйте, поставил музыку на андройде YT9216на базе процессора АС8227L. Столкнулся с проблемой при работающем ШИМ идёт помеха по проводу подсветки приборов. Из-за этого магнитола раз в 1.5 -2 мин на 1-3 сек включает ночной режим подсветки. Как лучше вход управления габаритами развязать?
Нет, подсветка не меняется никак. До замены музыки несколько лет даже не обращал внимания. вся подсветка на лампочках (ну кроме приборки там LED впаяны производителем.), всё просто как марлевые трусы — Дастер фазы-1 Завожу — всё норм, трогаюсь загорается дальний и через несколько сек мигнёт на сегунду, пробовал с родного входа ILM и с шины подсветки напрямую, одинаково. Откл провод, не мигает, откл контролер 3х кратным вкл габаритов — в этом режиме опять нормально -не мигает. Не знаю, попробую когда время появится поискать малогабаритную релюшку с сигналки, вроде в гараже где то валялась, . попробую ей развязать раз с выдернутым проводом входа ILM нормально всё.
Здравия. По идее в линию габаритов не должно уходить ничего от контроллера. Подсветка приборов как-то видимо меняется?
Нет, подсветка не меняется никак. До замены музыки несколько лет даже не обращал внимания. вся подсветка на лампочках (ну кроме приборки там LED впаяны производителем.), всё просто как марлевые трусы — Дастер фазы-1 Завожу — всё норм, трогаюсь загорается дальний и через несколько сек мигнёт на сегунду, пробовал с родного входа ILM и с шины подсветки напрямую, одинаково. Откл провод, не мигает, откл контролер 3х кратным вкл габаритов — в этом режиме опять нормально -не мигает. Не знаю, попробую когда время появится поискать малогабаритную релюшку с сигналки, вроде в гараже где то валялась, . попробую ей развязать раз с выдернутым проводом входа ILM нормально всё.
Добрый день.Сколько стоит ваш контроллер?
Здравствуйте. Павел, подскажите, можно ли вместо указанных в схеме ключей поставить полевик с "логическим затвором" IRL3705N? Затвор через резистор 1k подключить к 5 выводу Attiny?
Привет. Конкретнее можно? Вместо двух каскадов раскачки?
Да. Как сделано в зарядном. Они походу по структуре не подходят, да?
Для чего нужны D4 и R9?
D4 и R9 там индикация включенных ДХО на них сделана.
Давайте еще раз: вместо каких деталей вы хотите поставить IRL3705N?
И какая нагрузка будет подключена?
Добрый вечер. Вместо Q1-Q6, R2, R3, R4, R6, R7. Нагрузкой будут 2 лампы дальнего света, но при использовании IRL3705N получится управление по минусу.
Попробовать можно. Но боюсь, что без каскадов "раскачки" будет неприемлемый нагрев.
Спасибо за ответ.
Павел, приветствую! А фьюзы какие выставлять? Шить буду через avrdude
Смотрите скрипт flash_project
Спасибо!)
Скачал другую программу. Я залил eeprom. Подключил. К сожалению, не работает. Светодиод мигает 6 раз, и реакция на кнопку отсутствует.
Позоже, у Вас замкнута кнопка
Доброе утро
Теперь из-за эпидемии у меня больше времени и я решил повторить ваш проект ДХО. Я заказал PCB у китайцев. Они уже как месяц у меня в дома. Вчера начал медленно складывать проект.
Пожалуйста, помогите.
Первый раз, программирую Attiny. Я пересмотрел много туториалов (аж глаза болят). Использую программатор USBap и SinaProg 2.1
Flash, пишетса без проблем, но у меня проблема с EEPROM
(программа SinaPlus принимает только расширение .eep а в архиве есть только файл с расширением eeprom.hex)
Пожалуйста помогите
Ноколай
Привет. Возьмите другую программу для прошивки или перегоните hex формат в бинарный. Я шью консольной утилитой avrdude, как раз для нее в архиве есть скрипт прошивки flash_project
эх. жаль не по минусу
Добрый день. Можно цену в ЛС?
Здравствуйте, сколько стоит?
Подскажи помехи по питанию от твоего контроллера есть, а то я собрал на таймер 555, подключил, у меня радио исчезло😂😂😂
На радио не влияет. Там частота около 75 Гц, она не мешает радио и еще стоят диод D3 и керамический конденсатор 100n (между 12В что идет на ключи и землей), которые гасят всплески на фронтах ШИМа.
Повторил, спасибо, но через несколько запусков необходима манипуляция включения . Помогите избавиться от проблемы .Сама платка в глубине торпеды, много манипуляций . Спасибо .
Плата двухсторонняя?
Да . Практически Ваша, увеличена площадка под Тини .
У меня тоже несколько случаев на двустронних платах — слетают настройки. Сейчас пытаюсь понять что к чему. Возможно, буду уходить на односторонние платы.
Понял, в любом случае спасибо . Слетает лишь включение, все остальные настройки без изменения .Иногда может включиться один раз .
Возможно вы перещелкиваете запрет и он выключается. Так же можно включить
Авто дизель, запуск с задержкой на свечи, может одна из причин . За весь год наверное включался раза два . Авто супруги, а она не заморачивается горят фары или нет . Версия прошивки 1.2.2, перешью на последнюю, сейчас только нашёл, что убрано перещёлкивание . Напишите как купить .
вопрос по схеме: R2, R4, R7 по 22 Ома? Ошибки нет?
Все верно
Тогда второй вопрос. Как рассчитываются значения этих резисторов? По моим прикидкам для bc847/bc857 значения этих резисторов должны быть на порядок выше.
Как вы их рассчитываете? Эти сопротивления для подавления эффекта Миллера.
Очень просто, исходя из того, что затвор полевиков — это конденсатор, который нужно перезаряжать. А дальше по закону Ома, что б не превысить ток коллектора биполярников. Из каких соображений в вышеуказанной схеме выбран номинал обозначенных сопротивлений мне до сих пор не понятно.
Какой номинал у вас получился? Там все немножко сложнее, вот пример elchupanibrei.livejournal.com/40487.html
еще
habr.com/ru/post/451152/
Здравствуйте. Планирую установку ДХО на ФФ2.
Мне необходим контроллер, стабилизатор для диодов. По включению думаю от зажигания и ручника, отключение от ближнего и дальнего. Возможно режим полнакала.
Включ и отключ с задержкой.
Сколько будет стоить ваше изделие?
Если можно в личку ваш. конт. ном.)
Здравия, Сергей. Этот контроллер не работает со светодиодами и не является стабилизатором тока. Не подойдет!
Добрый день, можно узнать цену
На схеме есть C1 и C2, а на плате я их не нашел.
?
На плате только С2, сейчас вообще ставлю керамику в качестве С2. С3 тоже можно убрать.
Прошу ответить:
1. Есть индикация на панели приборов о работе ДХО (посредством индикацией дальнего света) ?
2. Подойдёт на W210?
3. Цена? Доставка до Ижевска?
На какой частоте ШИМ?
Около 74 Гц
Как изменить частоту ШИМ на Attiny13? На ардуине знаю. А на такой низкой частоте вообще нужен каскад накачки? Резистор и N-channel…
Много способов изменить частоту ШИМ. Начиная от изменения частоты самого чипа. Какой ток нагрузки?
Да я тот же DRL делаю, только попроще (блокировка на ручник и габариты), соответственно ток 5А. На одном IRF9310 т.к. 3шт. посчитал пока лишним, открытыми и 1шт. и 3шт. не греется. Программирую через Arduino IDE. Если просто задать AnalogWrite, то греется транзистор, а если герц 100 через Delay то не греется. На раскачке резистор 820 Ом и транзистор AP9918H с мат. платы. В принципе все вроде и так работает… Интересная идея понизить частотой чипа, а какая стандартная частота ШИМа у Attiny13?
Транзисторы обычно греются в моменты открытия/закрытия. Отсюда чем выше частота, тем сильнее нагрев. Отсюда же необходимость хорошей раскачки, чтобы максимально сократить время переходных режимов(открытия и закрытия). Нет понятия стандартной частоты ШИМ на МК. Там таймер, играя параметрами которого, задается частота ШИМ, читайте, в сети достаточно информации.
Про время переходных режимов я понимаю и на низкой частоте достаточно резистора. Если знаете, то прошу здесь написать, какие именно таймеры во фьюзах надо поправить, чтобы снизить частоту ШИМа до 100Гц. В интернете много чего написано, да все не то.
Я не силен в ардуино. Вы мешаете все в кучу: таймеры, фьюзы. Почитайте как устроены таймеры на AVR, там все достаточно просто.
Здравствуйте! на камри 2008г подойдёт сей девайс? елси да то плз в лс как приобрести
Здравствуйте. Нужно смотреть схему авто, есть? Коммутация ламп дальнего должна быть по плюсу.
Есть схема с управлением по минусу?
Нет
Добрый день. Подскажите цену контроллера
Здравствуйте! Сколько стоит, как можно купить?
Написал в личные сообщения
Прошу предоставить подробную схему ему подключения, какой провод куда…в машине, сообщить цену устройства, спасибо. Инструкция нашёл, спасибо.
Здравствуйте ! по вашей схемке собрал дхо, транзисторы в каскаде раскачки no name выдрал из старой магнитолы они нагреваются градусов до 40 это норма, или у вас холодные ?
Привет. Q1, Q2, Q3 у меня всегда холодные
Спасибо за ответ, и если можно, то ещё 1 вопрос. У меня нагрев силовых тр-ров более заметен когда лампы горят в полнакала чем на полную яркость, нужно это исправлять или нет ( стоят 3 шт 9310 ).
Это значит, что раскачка работает неправильно. Соберите каскад раскачки по схеме.
Ок спасибо ! А то я уже на китайцев грешил, полевики с алишки.
cool-hacker
Это значит, что раскачка работает неправильно. Соберите каскад раскачки по схеме.
Нашел трынзисторы нормальные всё хорошо теперь, спасибо за совет.
Добрый день. Не очень хорошо разбираюсь в параметрах мосфетов, потому вопрос: можно ли заменить 4905 на 5305?
Не желательно, у них сопротивление открытого канала в три раза больше, а значит будет в три раза больше нагрев.
Спасибо за ответ. А если все-таки? 4 штуки параллельно, на 30%?
Досадно, Плату уже сделал, собрал, все работает, но проверил только на светодиоде вместо полноценной нагрузки…
Ну раз уже собрали, то проверьте с нагрузкой которая будет в машине. Как правило это две лампы 60Вт и напряжение питания 14.5В. Если есть такой источник питания, то можно и на столе. По моему мнению при таких параметрах нагрев будет слишком большим. Имейте ввиду, что в жару вокруг контроллера температура будет 30 градусов, а то и выше.
И в чем проблема заменить на IRF4905, по-моему, у них такие же ноги.
Ноги такие же, корпуса разные. Я плату развел под DPak корпуса, а 4905 выпускаются в корпусе D2Pak. Вобщем я облажался) буду подбирать что-нибудь похожее по параметрам.
p.s. Пробовал запустить под нагрузкой — мосфеты греются так, что палец не терпит.
4905 в двух корпусах: IRF4905 и IRF4905s. По-моему первый вариант как раз встанет.
Судя по даташиту 4905 — корпус только ТО220. Лан, пороюсь еще дома в хламе, может чего и подберу. Спасибо за консультацию.
Добрый день! Изготовил данное устройство на 1 сторонней плате. При тестировании индикатор работает. настройка производится, но при отключенном замке зажигания постоянно есть +12 в на выходе к фарам. Т.е. полевики постоянно открыты вне зависимости от контроллера. Куда посмотреть, уже голову сломал.
Здравствуйте. Проверьте соединение массы к контроллеру, затем проверьте подтяжку R6. Еще возможно пробит один из силовых полевиков. Если не поможет, предлагаю перепаять весь каскад раскачки: R5, R6, R3, Q1, Q2, Q3.
Удалось решить проблему. Дело было не в бобине. Вместо irf4905s воткнул доработанные до D2PAK irfz44, а они с другой проводимостью. Поставил 4905s все заработало. Почему были использованы полевики менее распространенные с P каналом?
Потому что плюс коммутирует P-канал. Можно и на N-канале сделать, но нужен бутстрепный драйвер. Там схема сложнее и больше заморочек, а значит и больше проблем, мне кажется.
cool-hacker
Здравствуйте. Проверьте соединение массы к контроллеру, затем проверьте подтяжку R6. Еще возможно пробит один из силовых полевиков. Если не поможет, предлагаю перепаять весь каскад раскачки: R5, R6, R3, Q1, Q2, Q3.
Привет. Пытаюсь разобраться. Диоды D2 и D6 у тебя стекло. Это какие они? Спасибо:)
Привет, самые обычные LL4148
Где купить?
Павел, доброй ночи. Спасибо Вам за проект. Столкнулся с проблемой. Подскажите пожалуйста. После включения зажигания свет загорается через 4мин. 25сек., независимо от настроек функции 2. Все настройки визуально по светодиоду происходят. Прошивал PonyProg и Chipstar основную память и EEPROM версиями 1.2 и 1.2.5 результат одинаков.
Спасибо.
Приветствую. Удачно ли прошили EEPROM? Как быстро происходит розжиг и затухание при запрещающем сигнале? Этими программами для прошивки не пользуюсь. Я пользуюсь avrdude из консоли. В архиве есть скрипт для прошивки с ее помощью — файл с именем flash_project
Розжиг пока только могу контролировать инверсный, на второе плечо повесил светодиод с резистором т.к. отсутствуют силовые ключи, но он плавный. EEPROM судя по программе Чипстар прошивается, данные в ней сохраняются. Единственное есть разница по времени розжига-затухания по каналам ручник и габариты.
cool-hacker
Приветствую. Удачно ли прошили EEPROM? Как быстро происходит розжиг и затухание при запрещающем сигнале? Этими программами для прошивки не пользуюсь. Я пользуюсь avrdude из консоли. В архиве есть скрипт для прошивки с ее помощью — файл с именем flash_project
4.25=255 секунд
Верно. И так будет когда EEPROM не прошит (в этом случае все биты равны 1 и получаем в однобайтовой переменной 255). Дело, видимо, именно в нем.
Спасибо. Я так и предполагал. Только вот не знаю как зашить EEPROM.
Как у Вас программатор? USBAsp?
Скачайте avrdude отсюда download.savannah.gnu.org…e/avrdude-6.2-mingw32.zip
Возьмите архив версии 1.2.5, сложите файлы avrdude из архива рядом с файлами прошивки.
Запустите консоль. Прошейте все запустив скрипт flash_project.cmd
Сморите, чтобы в консоле верификация(для каждой операции: flash, eeprom, fuses) прошла успешно и не было сообщений об ошибках.
Скрипт сделан для USBAsp программатора, но можно подправить его под другой.
PonyProg на LPT и Chipstar Linx USB. После записи и чтение чипстаром память данных заполнена также как в Ваших файлах.
А EEPROM?
Спасибо. Завтра попробую. В чипстар EEPROM обзывается памятью данных.
Пишите что выйдет. Если что — будем дальше думать.
Спасибо, Павел.
cool-hacker
Пишите что выйдет. Если что — будем дальше думать.
Доброго времени. Вроде получилось записать EEPROM и свет вообще перестал загораться.
Вроде? Напишите подробнее, так я помочь не смогу. Предлагаю таки использовать мой скрипт. Если у вас другой программатор, то нужно скрипт исправить под него, но нужно знать какой именно у вас программатор (я имею ввиду железный программатор, а не программу).
В программировании МК я очень слабо разбираюсь. Avrdude скачать, но он не запускается.
Какой у вас программатор(имею ввиду железо)?
www.chipstar.ru/programma…versal-chipstar-lynx.html, затрудяюсь ответить какое там железо. И 5-ть проводков на LPT.
Перейдем в личку пожалуй :)
А техосмотр пройти реально?
Я на последних двух техосмотрах только деньги отдавал, даже на стенд не заезжал. Теперь ведь эта служба в частных руках и у них конкуренция. Приехал к одному из них — для них уже праздник. На крайний случай контроллер можно отключить перещелкиванием габаритов.
Если одна лампа перегорит вторая будет гореть?
Да
ДАЛЬНИЙ свет фар вместо ходовых огней
Тут всё просто.
Без сертификата НАМИ или другого органа Вы в пролете на 99%. 1% резервирую для фантастиш случая.
Может на североамериканском и есть, но мы живем в России и еще ни разу не видел и согласно ПДД у вас должен быть включен ближний свет, а не дальний для обозначения авто или ДХО или противотуманки в качестве ДХО.
Таким как вы подойдет вариант установки светодиодных ламп вместо галогена. Ведь в этом случае все в порядке, правда ( www.drive2.ru/l/7281974/ )?
Почему нет, хоть один аргумент?
Перечень неисправностей и условий, при которых запрещается эксплуатация транспортных средств
п. 3.1, 3.4
Наказание как за ксенон.
Примечание. На транспортных средствах, снятых с производства, допускается установка внешних световых приборов от транспортных средств других марок и моделей.
А используемые мной светодиоды рассчитаны для данных фар, разъем Н11.
auto.mail.ru/info/pdd/28/
У меня есть диагностическая карта, а значит у меня все соответствует, поэтому не нужно давать ссылки на то что я уже давно знаю.
Думаете, у меня ее нет? Вообще, этот диалог начал не я. Вам просто показалось, что дальний 30% слепит встречных водителей. Я привел свои аргументы против вашей версии. Далее, вы полезли в юридические тонкости. Для чего? Я указал вам на то, что и у вас не все так чисто, как вы пытаетесь доказать мне. Но нет! Вы же правее правых! На этом и остановимся.
А я все думаю, что некоторые на дальнем ездят и по глазам светят, задолбали "изобретатели".
Попадают такие, но это явно не дальний в 30%.
А думаешь 30% дальний не слепить, если он тебе прямо в глаза светит.
Попробуйте и посмотрите. У меня нет желания что-то вам доказывать. Во многих авто штатно режим ДХО в виде дальнего 30%. Вблизи светит слабже ближнего, издали — видно лучше именно из-за направления света.
Это в каких штатно, модель в студию. Доказывать не нужно, но пример хоть один нужно указать, чтобы не быть голословным.
Audi A8 и куча других авто на североамериканском рынке. Сейчас и у нас многие активируют данную штатную функцию, которая не идет в комплектации. Ищите, в сети полно инфы. Лично я сам сравнивал, вот здесь есть сравнительные фото на моей машине www.drive2.ru/b/2111205/
www.drive2.ru/l/7453501/
Вам предлагаю провести такой же эксперимент и затем выложить свое исследование и оптимальный процент яркости по вашей версии.
Это в каких штатно, модель в студию. Доказывать не нужно, но пример хоть один нужно указать, чтобы не быть голословным.
на селике т23 американка! с завода стоит дальний в пол накала!
Здравствуйте цена в Казахстан, Семипалатинск?
Я бы тоже хотел приобрести Этот контроллер.
Заказать еще можно у Вас?!
Скажите, у Вас шим на какой частоте работает? Я управляю мосфетом на звуковой частоте и все отлично работает, но лампочка посвистывает. Повышаю до 60 кГц и мосфет за секунду нагревается так, что олово плавится на нем. По даташиту транзистор должен запросто переваривать мегагерцы. Пробовал три разных мосфета, все с логическим управлением и по нагрузке с большим запасом.
У меня порядка 75 Гц. Можно немного поднять, но больше 150-200 Гц нет смысла. У вас все закономерно, больше частота — больше нагрев. Какой ток и какова схема силовой части?
Нагрузка в виде лампы 12В 55Вт, н-канальный мосфет с открытием около 4В, а управляю ардуиной через резистор 220 Ом. Собственно и вся схема. Видимо, проблема именно в управлении т.к. даже на высокой частоте при полностью открытом и полностью закрытом транзисторе нагрева нет вообще. Пробовал понижать частотчастоту, но в звуковом диапазоне все время присутствует писк от лампы, а ниже 100Гц лампа уже пульсирует. С конденсаторами на выходе тоже экспериментировал, аж 3000мкФ вешал: сдвигает время нагрева на пару секунд и все. В принципе можно на писк и забить, его слышно только в тишине, а под капотом его вообще никто не услышит, но я же о нем знаю и это неправильно:-)
Какой именно полевик?
76129s, 96nq03lt и еще какой-то, сейчас нет под рукой. С любым из них результат одинаковый.
Я повторюсь: результат закономерный. Выше частота — больше нагрев. Это потому что сопротивление открытого канала скажем для 76129s 16мОм и на одной лампе в открытом состоянии он сильно греться не будет. Но в переходных процессах (закрытие, открытие) сопротивление больше — отсюда зависимость нагрева от частоты. Как правило, для управления мощной нагрузкой используют драйверы для мосфетов. Есть готовые драйверы, а можно собрать самому, например двухтактный драйвер в схеме из поста — с ней ключ будет открываться и закрываться быстрее, возможно, и петь будет меньше. В версии 1 контроллера ДХО схема немного попроще. Рекомендую к прочтению документ bludger.narod.ru/smps/FETsCntr.pdf
У меня если контакт везде хороший, то слышно слабо при розжиге и малой яркости 5-10%.
Спасибо! Буду изучать и дальше экспериментировать:)
Здравствуйте. Можно цену в Москву? Forester SH
Здравствуйте цена в Петропавловск Камчатский?
А если на Honda идет управление "-" данное устройство сможет работать?
Нет. Нужна версия по минусу. У меня такой пока нет
На фокус III так и не работает?
Пробовал ставить только один человек. Не пошло. Не советую пробовать. На ближнем работает, на дальнем — помехи идут
Добрый день. Можно цену и способ заказа озвучить?
добрый день. сколько стоит ваше изделие и как заказать?
Заказать контроллер на логан можно? Как и ск стоит?)
Привет. Поставил бы себе такой контроллер. Жду ответ в личку.
Здравствуйте Павел. Неделю полторы назад я заполнил и отправил вам анкету на заказ данного контроллера дальнего в пол накала. Жду от Вас ответа о готовности заказа!)
Здравия, Владимир. На выходных планирую изготовить несколько плат. Затем займусь сборкой.
Понял. Как будет готово — сообщите в личку!)
привет, хочу купить, как? и цена в ЛС
как приобрести и по чем в личку
как приобрести и по чем в личку
как приобрести и по чем в личку
Как купить?:) на мазду 3 встанет без проблем ?:)
по моему безполезная штука… всё равно с ближним днём нужно ездить…
лучше уж сделать ближний на 50% для дневных покатушек )
Так и делают вместо ближнего. Слышали про скандинавский или американский свет? Это 30% дальнего в качестве ДХО, у многих авто идет с завода. На трассе издали даже лучше видно чем ближний. С близкого расстояния как ближний только немного с оттенком в желтизну.
"в качестве ДХО" ? можно ссылку ?
либо ДХО есть, либо его нет, а "в качестве ДХО" это самопал какой то.
Про штаты вообще неуместно говорить, у них там в каждом штате свои извращения )
Я не собираюсь с вами спорить по юридическим нюансам данного решения и не навязываю вам его применять к вашему авто. То что у нас ставят большинство в качестве светодиодных ДХО, на ДХО по ГОСТу тоже во многих случаях не тянет. Дальний 30%, как я сказал, выделяет авто на дороге не хуже ближнего и при этом экономит ресурс ламп и электропотребление а значит топливо. В сети полно инфы на тему полунакального дальнего, в частности на драйв2. Копание по различным нюансам данного решения прошу осуществлять без меня! Я для себя уже выводы сделал :)
Привет. Как приобрести это ДХО? И как с установкой самостоятельно? Заранее благодарен за ответ. (Всё в личку)
Здравствуйте! Можно цену в личку?
Здравствуйте. Как купить, какая цена?
Здесь ничего не продается, такие вопросы только в личные сообщения!
Павел, здравствуйте.
Интересует вопрос приобретения.
День добрый.Вопрос как и у многих, как и за сколько можно купить.
Присоединяюсь к предыдущему вопросу, как купить и за сколько?
Написал в ЛС
Мне нужна такая штука, где купить и сколько стоит?
Мне нужна такая штука, где купить и сколько стоит?
Написал в личку
Комментарий удалён
Да я собственно именно этоже устройство с указанного вами сайта купил и установил. Удобное, функциональное. Но долго оно у меня не проработало. Толи установил криво, толи во всем виноват один транзистор сильно нагревающийся(смотрю в других подобранных устройствах их по 3шт в параллель устанавливают). Не работает вобщем. Пытаюсь воскресить.
А цену можно в личку?
Подскажите пожалуйста, планируется ли сделать возможность "притухания" ламп при кратковременной остановке (например остановился на светофоре, яркость ламп снизилась, не светим в зеркала впереди стоящим).
И может ли быть реализована возможность увеличения яркости при увеличении скорости? При движении по трассе со скоростью больше 80км\ч лучше быть более заметным.
На данный момент хочу все взяться за удлиннитель поворотников. Этот проект пока менять не планировал. Хотя была задумка попробовать добавить включение по поднятию напряжения после заводки двигателя.
>> не светим в зеркала впереди стоящим
Есть такой функционал у какой-то конторы, видел. На самом деле особо не вижу в нем смысла. На светофоре или в пробке машины стоят довольно близко и фары обычно светят в бампер. Да и с ДХО ездим же днем, днем уже и в зеркалах не мешает, если машина стоит немного дальше. А вообще есть задержка до полного отключения.
>> И может ли быть реализована возможность увеличения яркости при увеличении скорости?
Реализовать можно. Пока тоже не планировал это. Дальний 30% на практике и так видно лучше ближнего именно издали. Хотя фары у всех разные. Подумаю над этим, если будет новая версия.
fuse оставлять заводские или что-то другое нужно ?
смотрите файл flash_project
Классно получилось. Но по закону ДХО вроде должны гореть с габаритами. Не будет ли проблем с гаишниками?
спасибо. с габаритами не должны. при желании запрещающий сигнал можно взять с ближнего, а не с габаритов
Спасибо за разъяснение.
А к любому автомобилю подойдет?
к любому, у кого комутация ламп дальнего по плюсу. и с датчиком скорости могут быть нюансы
спасибо за труд!
Возможно приобрести ваш drl 1.2?
спасибо. остальное через личные сообщения
Собрал на макетке, подключил на столе!
Обалденная конструкция! Спасибо большое!
Из плюсов:
Все настраивается, включение\выключение производится подачей \снятием напряжения в теч. 1 сек на запрещающий вывод. Светодиод реагирует на включение одним моргом, на выключение — двумя.
Из минусов:
При прекращении подачи импульсов с Датчика Скорости лампочка продолжает постоянно гореть ( В режиме "Задержка отключения" предварительно было выставлено значение "5 секунд").
Какие мои неправильные действия?
Из пожеланий: Индикаторный светодиод на порте PB4 может выполнять функцию индикатора включенного (горит) или выключенного (погашен) состояния устройства.
С уважением, Сергей
>> При прекращении подачи импульсов с Датчика Скорости лампочка продолжает постоянно гореть ( В режиме "Задержка отключения" предварительно было выставлено значение "5 секунд").
Такого замечено не было, но я проверю еще раз. Кстати такая ситуация на видео есть — все работает как надо. 5 секунд это первый вариант для параметра "Задержка перед отключением". Первый надеюсь выбирали?
Еепром прошивали?
Епром прошил. Ничего не изменилось. В схеме косяков нет (КИПовец 6 разр). Перепробовал отключение с задержкой всевозможные варианты.
Запустил в Протеусе модель из Вашего архива. Точно такая же ситуация, к сожалению…
Ради проверки залил Вашу первую версию. Не работает вообще…
Странно все это. У меня обе версии работают и не у меня одного :) Может сменить МК? Еще могут быть проблемы с еепром, если питание МК ниже необходимого или не стабильное. Другие параметры из настройки правильно работают? Скажем, яркость меняется? Если что — пишите в личку, попробуем разобраться
Korg-master
Епром прошил. Ничего не изменилось. В схеме косяков нет (КИПовец 6 разр). Перепробовал отключение с задержкой всевозможные варианты.
Запустил в Протеусе модель из Вашего архива. Точно такая же ситуация, к сожалению…
Ради проверки залил Вашу первую версию. Не работает вообще…
Добрый вечер.хочу узнать у вас получилось собрать данное устройство?
Добрый день! Извините, что не ответил сразу, не в сети был. Схема собрана на макетке. Печатная плата протравлена, облужена, но не набита железом. Все никак руки не доходят прошить тиньку по человечески. С Code vision (кажется, правильно написал) не особенно то и дружу.
Ни хрена се ты заморочился )))
Спасибо, наверное :)
Спасибо, что поделились… :)
Пожалуйста :)
Обновление это в когда хорошо)
Молодчага…я просто кайфую от этой штуки)))
Спасибо)
Спасибо за разработку. Реализовал отлично работает.
Благодарю
Уважаемый cool-hacker. Собрал ваше устройство. Прошил мк. В файлах нашел только hex для прошивки. Не хочет работать. Не запускается как надо, пока не начинаю устанавливать уровень яркости. Устанавливаю любой уровень и уровень плавно доходит до 100%, т.е. регулировка не работает. Прошиваю мк с помощью SinaProg. Фьюзы ставлю по умолчанию. Подскажите пожалуйста, что не так делаю. Монтаж проверял несколько раз. Все правильно. Ошибок нет. Замыканий тоже. Пробовал два контроллера, тоже самое.
EEPROM прошили?
Нет. А каким файлом?
cool-hacker
EEPROM прошили?
Там два файла. Один бинарный, а второй- hex/ Каким из них?
Там одно и тоже, просто в разных форматах. Попробуйте .hex
Спасибо. Буду пробовать.
Да, не за что. Отпишитесь по результату
Все заработало! Спасибо вам огромное за ваш труд! Пошел hex.
Благодарю!