Обратились с сервиса, кризис на дворе — денег 20тр за новый нет, что нить придумай :). Ну раз просят — надо делать. Итак сам датчик и мат:


Сам мат внешне цел, да и конструктив был интересен — подумалось что измерятся емкость. Ну и мат приволокли отодранным от блочка — поэтому было просто. Замерил емкости и сопротивления, помял покрутил мат — записал на бумажку. Посмотрел схему подключения к блоку:

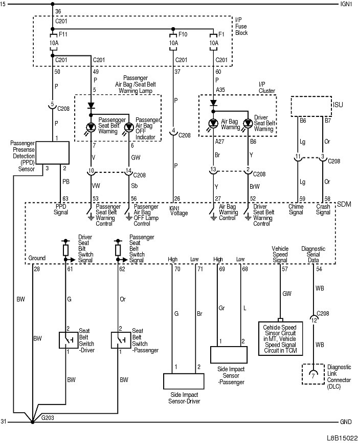
Видно что на датчике один сигнальный провод. Включил на столе и на выходе — ничего. Подумал, посмотрел на схему — выход с датчика в сторону блока управления подушками — открытый коллектор. Подтянул резиком к +5в — увидел что данные передаются и протокол достаточно простой.
Выковырял плату датчика из компаунда — посмотреть измерительные цепи и что там вообще. Однокристальный микроконтроллер 8ми ногий, стабилизатор питания, измерительные цепи и интерфейс связи с блоком SDM. Подключил детальки, и предпологая что мат неисправен и глядя на исполненние измерительных цепей подобрал "детальки" которые устроили блок управления:

Возможна эмуляция 2х состояний = пассажир присутвует, и отсутвует.

Комментарии 23
— Можете меня в черный список поместить, но я не понимаю, в каких муках вы рождали этот "проект". работа вполне линейна. у вас был на руках датчик, причем исправный, — с которого возможно снять оба состояния, осциллограф, LCR и ясное понимание предстоящего процесса. почитав ваши посты — мастер вы действительно очень грамотный, так что не вижу препятствий.
— мне при наличии времени тоже не составило бы труда создать простой эмулятор на микроконтроллере, имея хотя бы осцилограммы выходного сигнала, написать под него програмку, сделать обвязку. Кстати, вы тоже жили в СССР и странно, что не помните, какое душевное было время. люди в большинстве своем оставались людьми, а не ползли по головам как сейчас в поисках БАБЛА и как бы кого ''ОБХИТРИТЬ !" … и даже помогали друг другу !
— я никогда не демпинговал, но всегда общался с людьми и в моей практике очень много случаев, когда делал бесплатно или за символичесские деньги очень сложные случаи, когда видел, что остаться без машины для человека — трагедия, а денег нет. )
— Я согласен с "yg21", стилистика изложения вашего материала предполагает дать нам всем понять какой вы прекрасный, а мы чернь необразованная и нам оказывается "надо подумать".
www.drive2.ru/b/517315823895839601/
Стилистика это все :) Тут нет халявы — есть только направления.
Мне частенько Drive2 помогает быстрее сделать работу и за это я ему благодарен. В данном случае тоже захотелось кому то помочь. :)
Почитал, но ничего не понял)) просто перемычку поставить? Или надо ещё что-то допаивать и это коммерческое предложение?
Нужно подумать для начала.
Ок, спасибо за помощь.
У меня, как у человека путующего паяльник с домкратом внешне, вопрос: все описанные манипуляции обманывают лампочку беременного мужика с палкой в жоппе или ремонтируют мат?мне нужно точно знать что падушка раскроется в случае аварии!заранее благодарен за гуманный ответ!
Датчик присутсвия пассажира дает понять контроллеру аирбега (SDM-у) — есть пассажир или нет. Ну и меняется логика управления передней пассажирской подушкой безопастности.
Да это даже я понимаю.У меня он продавлен, этот матик, и подушка постоянно выключена, мат не видид мою дочку на сиденьи.Чо делать то?
Либо купить новый — денег заплатить, или ездить так, или доработать датчик. Решать вам.
p.s. Детей на переднее сидение лучше не сажать даже со штатно работающим SDM.
Крайний раз цена на матик была 11400р.
Даже думать нечего, надо ремантировать.Спасибо!
Комментарий удалён
Мне сложно понять что вы сделали и что хотите — изложено несколько сумбурно. И вы уверенны что мы уже друзья?
Добрый день!
Было бы интересно, если поставить переключатель — включен пассажир им выключен.
Как на многих иномарках — ключом от замка зажигания выключается подушка.
Если сможете подкинуть схемку — отблагодарю плюшкой.
есть аналогичный мат от опеля, внешне как новый, но ошибку выдает. есть возможность помочь с ним что нибудь сделать?)
только увидел комментарий :) есть — пишите в личку
Спасибо тебе добрый человек, бью челом, за доброту твою, ласку, разум и умение мыслить грамотно и светло. Прости меня, чернь неблагодарную за неграмотность мою и невнимательность. Только книжка у меня есть и даже на русском, но мне от этого не легче. И пальцы веером я тоже могу распальцовывать, особенно в той области знаний и опыта в которой я зарабатываю на жизнь. А если не хотел делиться опытом (картинки, объяснение на пальцах для тупых, и т.д.) тогда не фиг было выкладывать данный пост.
Смотрю Вы "уважаете" чужое потраченное время. Ну раз думать не хотите, как и тратить собственное время — присылайте датчик, — сделаю. В процессе подумаете о эквиваленте времени :)
А можно подробней, я с этой хренью пытаюсь разобраться уже год, от старого хозяина досталось. если можно схему.
Схему подключения выложил жеж.
В итоге пассажир присутствует, или все работает как надо?
Как попросят так и будет — или/или. При состоянии незанято — горит лампадка — Пассангер Аирбег Офф. При состоянии занято — не горит.
Добрый день!
Можете эмулировать 2 состояния через переключатель?
Действительно, интереснее шахмат …