Попросили меня собрать регулятор оборотов коллекторного двигателя от стиральной машины на микросхеме TDA1085. Регулятор исправно заработал, но при сборке кое что мне не понравилось в плате и схеме. Почитав про эту микросхему я скорректировал электрическую схему и разработал свою печатную плату.
Схема регулятора оборотов получилась вот такая.

Для устройства разработа двухсторонняя печатная плата. Некоторые резисторы и конденсаторы использованы в исполнении для поверхностного монтажа. В отличии от распространенных в интернете схеме и плате, в моей по возможности разнесены высоковольтные и низковольтные цепи, "земля" разведена в соответствии с рекомендациями документов на микросхему. Вот так выглядит готовая плата изготовленная на заводе.

Один из вариантов собранной платы регулятора.

Расположение и номиналы деталей на верхней стороне платы.

Расположение и номиналы деталей на нижней стороне платы.

Видео работы регулятора.
P.S.: 05 Декабря 2017. Собрал не сложный вариант тахометра для этой схемы. Описание www.drive2.ru/b/489466018997994083/


Комментарии 1432
Здравствуйте Денис вышлите пожалуйста архив с печаткой karamych@yandex.ru хочу внуку сделать регулируемый привод для небольшого токарника
Добрый вечер Денис! У меня сын занимается гончарным делом и давно просить меня сделать гончарный круг. Искал материл и случайно наткнулся на Вашу статью о регуляторе оборотов. Помогите пожалуйста вышлите схему и данные печатной платы если Вас не затруднить. kamilovish@gmail.com. Спасибо большое!
Здравствуйте! Вышлите пожалуйста архив с печаткой и тахометром. Заранее благодарен. genkos77@mail.ru
Добрый день.
Вышлите файл с настройкой построечных резисторов. Плата не набирает максимальных оборотов, я так понимаю проблема по обвязке 12 ноги микросхемы. Тут обсуждали вроде. Меня интересует итоговый вариант. Если можно скиньте его. Спасибо. petrovsv82@list.ru
Здравствуйте, Денис!
Хотелось бы получить файлы платы на Bays2006@yandex.ru . Заранее Спасибо!
День добрый! Такая же просьба выслать файлы для изготовления платы и вообще всю имеющуюся информацию по данному устройству и плюс по тахометру. Если не жалко. Адрес: carrier@bk.ru. Заранее благодарен.
День добрый вам от меня. Писал вам письмо позавчера.Что то не вижу его. Я не силён в переписке может что то не так нажал поэтому повторяю свою просьбу . Если можете то пришлите мне всё по тахометру для двигателя от стиралки с регулятором оборотов на TDA1085. Адрес моей электронной почты nikol.prokopenko2015@yandex.ru
Здравствуйте.Если возможно отправьте пожалуйста схему и печатку.Спасибо. sinrais@yandex.ru
Добрый день. Пожалуйста скиньте печатку и перечень элементов на адрес: fin53573@mail.ru
Большое спасибо.
Денис, добрый день!
Можете поделиться файлами платы и перечнем деталей e.shok@mail.ru, заранее Спасибо!
Доброго вечера. Возможно ли получить схему и платку(печатку) на почту dr.serbin2014@yandex.ru
Добрый день. Если можно, и мне схему на antony.poluektov@gmail.com
Доброго вечера. Возможно ли получить схему и платку(печатку) на почту wrr1975@gmail.com
Добрый день Денис.Спасибо за схему, пришлите пожалуйста печатку на почту vovanshalku@yahoo.com
Здравствуйте.Если возможно отправьте пожалуйста схему и v.pikta@mail.ru
и можно ли купить печатную плату? цена
схему опубликованную вами можно повторять для двигателя СМ 380 вт без каких-либо изменений?
здравствуйте, можно и мне файл на почту lantsov32@ya.ru ? С уважением
Здравствуйте.Если возможно отправьте пожалуйста схему и печатку.Спасибо. sergei122@yandex.ru
Если Вам не трудно отправьте пожалуйста схему и главное печатку.Спасибо . vistoron@mail.ru
Будьте добры печатку . Попробую собрать для гаража. twisst@mail.ru. Благодарю!
Уважаемый DenAon!Скажите пжл какую нагрузку можно подать на ваш регулятор, занимаетесь ли вы продажей уже собранных регуляторв, если да, то сколько будет стоить готовая платка, с отправкой в регион?
Комментарий удалён
Здравствуйте. Отправил.
Можно схему и печатку? Спасибо! sega_sa@bk.ru
Здравствуйте. Отправил.
Здравствуйте. Можно и мне выслать архив на данное изделие. asmodei65@gmail.com. Спасибо
Здравствуйте. Отправил.
Здравствуйте! Прошу Вас прислать мне файлы на печатную плату регулятора на TDA1085 alfarizerv1976@gmail.com Спасибо!
Здравствуйте. Отправил.
здравстуйте уважаемый автор.Пожалуйста вышлите и мне фаил печатной платы.lucefer09@mail.ru
Здравствуйте. Отправил.
Добрый день
А можно и мне прислать файлы и на печатную плату регулятора на TDA1085, на почту S.V.T.63@YANDEX.RU огромнейшее спасибо
Здравствуйте. Отправил.
здравствуйте. отлично. просьба скиньте файлы на serzh9877@mail.ru. попробую реализовать для гаражных нужд. спасибо
Здравствуйте. Отправил.
Здравствуйте. И мне, пожалуйста. ayx222@mail.ru правда я не очень сильно разбираюсь.
Здравствуйте. Отправил.
Добрый день, Денис.
А можно и мне прислать печатную плату регулятора на TDA1085, на почту ivansaf67a@ukr.net Дуже дякую
Иван
Добрый вечер, конечно можно, отправил.
Добрый день хочу тоже попросить файл есле можно скиньте на почту akharhenko@mail.ru .Зарание спасибо
Добрый вечер! Выслал.
Здравствуйте! Отлично проделанная работа. Если можно, пришлите файлы на почту goryaev_i@mail.ru
Добрый вечер! Выслал.
Добрый день! Могли бы выслать файлы печатной платы на регулятор и на тахометр на почту
vikvnov153@yandex/ru
Добрый вечер! Выслал.
Добрый день! Могли бы выслать файлы печатной платы на регулятор и на тахометр на почту Shurman2@rambler.ru.Заранее спасибо!
Добрый вечер! Выслал.
Добрый день! Могли бы выслать файлы на почту egor090177@gmail.com
Добрый день! Отправил файлы.
Добрый день! Могли бы выслать файлы на почту 3888888@list.ru. Заранее благодарю.
Добрый вечер! Отправил.
Здравствуйте! Отлично проделанная работа. Если можно, пришлите файлы на почту ivanov.electro@yandex.ru
Желаю дальнейших творческих успехов.
Здравствуйте! Отправил на почту.
Здравствуйте, можете прислать файлы на vladimir.berbentsew@mail.ru
Здравствуйте! Отправил на почту.
Здравствуйте,
Можете прислать файлы на aleksei.filistovich@mail.ru?
Спасибо !
Добрый вечер! Выслал.
Доброго времени, Денис! Очень благодарен за проделанную работу! Не могли бы Вы скинуть и мне файлы? akischin@ya.ru Спасибо!
Добрый вечер! Выслал.
Здравствуйте, можете мне прислать файлы на Arina-ivan.ova@yandex.ru и за что какой подстроечник отвечает, и как настроить плату.
Добрый вечер! Выслал.
Здравствуйте, можете мне тоже прислать файлы на oleggribkoff@yandex.ru
Здравствуйте, отправил.
Можно ли купить готовую к работе плату ?
swet.kol.59@mail.ru
Сейчас пока не собираю
Уважаемый DenAon! еще раз спасибо за материал и высланные файлы! но вот не как не разберусь, за что какой подстроечник отвечает, и как настроить плату.
Напомните почту, вышлю файл с подписью подстроечников
почта (chapik568@mail.ru), или (chapik020@rambler.ru). Здравствуйте! извините пожалуйста, что сразу не откликнулся. Кстати схема хорошо работает, буду ждать файл
Отправил
Здравствуйте! А у вас можно приобрести печатную плату на tba 1085?
Ответил в лс
Здравствуйте, а можете скинуть файлы на shmajs@yandex.ru
Заранее спасибо!
Добрый вечер, выслал.
И будет ли он работать на асинхронных двигателях? Это уже для ленточной пилы)
А первый вариант будет работать?
День добрый.
Можно ли купить готовую к работе плату ?
Можно ли ее использовать с электролобзиком (стоит в столе и хочу сделать плавную регулировку оборотов) ?
111piiter111@mail.ru
Здравствуйте! Для этого регулятора необходим таходатчик в двигателе. Без него не будет работать.
Здравствуйте, можете и мне выслать? (dyadyabunya@mail.ru)
Заранее спасибо.
Здравствуйте! Выслал. 2 варианта платы и информация по тахометру.
Здравствуйте, можете прислать файлы пожалуйста
mitjio@mail.ru И если не сложно на тахометр тоже.
заранее спасибо.
Здравствуйте! Выслал. 2 варианта платы и информация по тахометру.
Здравствуйте, можете прислать файлы пожалуйста
sergei9460832@gmail.com И если не сложно на тахометр тоже.
заранее спасибо.
Здравствуйте! Выслал. 2 варианта платы и информация по тахометру.
Спасибо
DenAon
Здравствуйте! Выслал. 2 варианта платы и информация по тахометру.
Спасибо
Здравствуйте Денис! Собрал регулятор по Вашей схеме. Вы молодец, всё работает. Если можно пришлите схему и печатку на тахометр. Почта dep1950@list.ru Заранее благодарю. С уважением Евгений
Здравствуйте! Информация по тахометру в том же письме. Высылаю повторно.
Денис можете выслать на nikita1971@mail.ru актуальную версию схемы и печатной платы на этот регулятор на тда 1085? Заранее благодарю
Здравствуйте. Выслал.
Добрый день подскажите, пожалуйста, этот регулятор оборотов работает без потерь мощности я правильно понял, в электронике не силен от слова совсем, но хотелось бы попробовать собрать что-то такое.
Добрый вечер. Эту схему и так то же называют. За счет использования таходатчика схема позволяет стабилизировать обороты не зависимо от изменения нагрузки на валу двигателя.
Здравствуйте, можете прислать файлы пож.
pavlovdv2017@mail.ru
заранее спасибо.
Доброе утро! Отправил.
Большое спасибо!
Добрый день!
Замечательная работа!
Не могли бы Вы поделиться актуальными файлами?
kesh1ro@mail.ru
Благодарю!
Доброе утро! Отправил.
Здравствуйте. При включении схемы в сеть, через 2-3 секунды загорается светодиод на 12 ноге, и двигатель разгоняется до максимальных оборотов. Регулировке не поддаётся. Таходатчик проверял осциллографом (8 импульсов на 1 оборот). Питание микросхемы 18,5 вольт (реализовано через гасящий конденсатор, пульсации по питанию отсутствуют). Симистор не пробитый. После подборов резисторов в обвязке микросхемы и отрицательного результата, отключил таходатчик, результат тот же: через 2-3 сек загорается светодиод на 12 ноге, и двигатель стартует до максимальных оборотов. Разве без таходатчика светодиод должен гореть? И микросхема не должна ли уходить в СТОП и отключать импульсы на симистор? На 5 ноге регулировка напряжения есть. На 4,11 ножках по осциллографу постоянка (по даташиту, вроде как, должна быть пила?(не уверен)). В наличии 2 микросхемы из Китая, и на обоих тоже самое. Можно ли предположить, что микросхемы — брак? Или какие сигналы на каких ножках ещё можно проверить? Есть опыт ремонта ИБП и прочего, но тут уже всю голову сломал (в надежде, что микросхемы исправны). Почта для контакта SANQXXX@MAIL.RU
Добрый вечер! Попробуйте отключить светодиод на 12 ноге. R5 подбирайте начиная с 10кОм.
Здравствуйте! А можно выслать материал на Amozov1973g@mail.ru
Добрый вечер! Отправил.
Здравствуйте. Можно тоже попросить выслать материалы для повторения на morozov-srg@mail.ru Заранее огромное спасибо!
Здравствуйте. Материалы выслал.
Спасибо большое!
Денис, здравствуйте! Отличная работа. Прошу выслать файлы на адрес: moiod99@mail.ru. Хочу повторить Вашу работу. За ранее большое спасибо.
Здравствуйте, Спасибо за оценку работы. Материалы выслал.
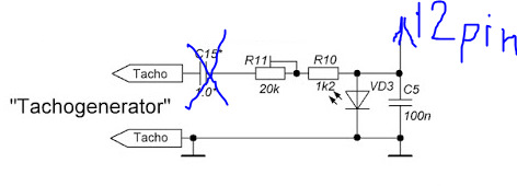
Добрый день, Денис. Не могли бы Вы поделиться последней версией п/п с изменениями по 12pin со светодиодом, подстроечн. и пост. резисторами(вход тахометра) ? Вот мой адрес: klep30@yandex.ru Спасибо, Алексей.
Выслал.
Здравствуйте, можете прислать файлы, хочу повторить.
skorpions90@mail.ru
заранее спасибо.
Добрый день!
Отправлено!
Здравствуйте. Можно мне тоже архив на почту max.vakulyuk@mail.ru. Какие минимальные обороты можно получить по данной схеме, чтобы регулятор мог стабильно поддерживать их?
Добрый день!
Отправлено!
Минимальные обороты зависят от количества импульсов таходатчика на один оборот. Я этой темой не задавался, так что точно не могу что то сказать по этому вопросу.
Спасибо)
Денис, здравствуйте. Спасибо Вам за Ваш труд и терпение. Если не сложно, скиньте пожалуйста схемку и плату на адрес prostota_07@mail.ru . Заранее благодарен.
Добрый день!
Отправлено!
Здравствуйте, можете прислать файлы пож.
vkazachonak@gmail.com
заранее спасибо.
Добрый вечер! Архив с информацией отправил.
Здравствуйте. Не могли бы вы выслать на почту файлы платы.
Моя почта serp2305@mail.ru.
Заранее спасибо.
Добрый вечер! Архив с информацией отправил.
Доброго времени суток … Спасибо за Вашу работу . Если не затруднит поделитесь файлами печатной платы . Моя почта
atasss33333@mail.ru
Заранее благодарен . Спасибо .
Добрый вечер! Архив с информацией отправил.
Здравствуйте Денис! Спасибо Вам за Ваш труд! Можно воспользоваться вашими трудами, пришлите пожалуйста, файлы для повторения. pars72@mail.ru . Спасибо!
Добрый вечер! Архив с информацией отправил.
Здравствуйте пришлите мне тоже пожалуйста yura.lev@mail.ru большое спасибо за ранее
Добрый вечер! Архив с информацией отправил.
Здравствуйте Денис. Вы наверно уже замучились высылать всем файлы, но я тоже хочу вас попросить, вышлите мне
пожалуйста файлы регулятора оборотов и тахометра tof71@mail.ru
Здравствуйте! Выслал.
спасибо
Добрый день. Скопировал Ваш вариант платы, нарисовал в Sprint Layout. Изготовил 2 штуки (для себя и товарища). Двигатели от стиральных машин автомат: "Горенье" и, кажется, "Индезит". И вот какая беда: оказывается, что когда на 12 пин микросхемы (с таходатчика) приходит больше 5 вольт, срабатывает защита. Получается, что двигатель не набирает полных оборотов и дергается в пределах 2000 и очень нестабилен в работе. Все лечится установкой обычного светодиода с 12 пина (после R9) на землю. Светодиод ограничивает напряжение. Позже увидел, что ребята которые на коммерческой основе занимаются такими платами, тоже устанавливают светодиоды, и в последних версиях своих изделий, схему регулировки позаимствовали у Вас (Вам +1 к карме :) ). Оказывается, что бывают разные таходатчики и в более современных двигателях они работают как генераторы (больше оборотов — больше напряжение), а схема считает импульсы, ей то лишнее напряжение совсем не нужно. Вот так вот. Со светодиодом работа стабильная, компенсация нагрузки работает отлично. Не лезу к Вам в монастырь со своим, просто советую взять во внимание эту информацию и немного доработать плату. Думаю во вред не будет, а кого-то, может и спасет от лишней головной боли.
Здравствуйте, благодарю за такой подробный комментарий!
Проблема известная, сам с ней столкнулся на первой же плате. У меня вылечилось увеличением резистора R9. В изначальном варианте схемы, который мне дали он был 1,2 кОм. Его номинал наверное надо подбирать под параметры конкретного таходатчика.
В самом новом варианте платы у меня там подстроечный резистор и светодиодное ограничение.
Да, думаю это самое простое и правильное решение, которое повсеместно применяют, так как в даташите указан максимальный ток на 12 выводе +- 1 мА, ну и помним про 5 В макс напряжения). Я очень ленивый скопировал плату не глядя и не разбираясь, но благодаря такой мелочи пришлось детально ознакомиться с конструкцией и изучить даташит на микруху). Очень полезный и интересный опыт. Я в радиоэлектронике больше слесарь чем инженер: могу повторить чужую работу, спаять, а разбираться что и как происходит внутри лень. А такие случаи вынуждают меня становиться умней) Спасибо.
DenAon
Здравствуйте, благодарю за такой подробный комментарий!
Проблема известная, сам с ней столкнулся на первой же плате. У меня вылечилось увеличением резистора R9. В изначальном варианте схемы, который мне дали он был 1,2 кОм. Его номинал наверное надо подбирать под параметры конкретного таходатчика.
В самом новом варианте платы у меня там подстроечный резистор и светодиодное ограничение.
P.S. В последней версии схемы есть какие-нибудь изменения (номиналы и т.п.) кроме элементов на 12 контакте? Может кому, пригодится кусочек схемы для доработки. С Вашего разрешения.
Похоже, только последовательно со светодиодом резистор и конденсатор С15 нельзя ставить. R10 типа защиты от дурака при регулировании. 1кОм у меня.
Проблему решил, оказывается с этой микросхемой не работают 3Q симисторы, с буквой W, поменял на другой, закрутилось как надо, Денис спасибо за плату, рабочая, я добавил подстроечник для ограничения макс оборотов, больше ничего.
Только добрался до сайта. Хорошо что всё заработало!
Подключил осцилограф, на выходе только положительные полуволны, отрицательные только маленикие пики.
С Новым годом!
Прошу совета. Собрал схему, регулировка работает хорошо с самого низа, но максимум на выходе 120 вольт даже при отключенном таходатчике, т.е. двигатель не выходит на полные обороты. Менял симистор, микросхему, проверял все элементы, не помогает. Куда копать подскажите плз.
Буду признателен если вышлете печатку, хочу собрать Ваш вариант, так как плата разведена грамотно согласно даташита. Зараннее огромное СПАСИБО! Почта — yuriy_lida@tut.by
Здравствуйте! Выслал.
Добрый день, можно и мне пожалуйста
Nikita280719@gmail.com
Здравствуйте! Выслал.
Добрый день!
Просьба выслать файлы проекта на S628@yandex.ru.
Спасибо!
Здравствуйте! Информацию отправил.
Поделитесь, пожалуйста, файлами PCB и т.п. на плату и на тахометр.
Заранее благодарен.
Почта foranon.19390901@mail.ru
Здравствуйте! Информацию отправил.
Добрый день! Вышлите пожалуйста, если Вас не затруднит файл печатной платы на адрес: suvorov_alex58@mail.ru Заранее Спасибо!
Здравствуйте! Информацию отправил.
Здравствуйте очень хорошая штука получается, отправьте пожалуйста, если есть возможность, файл печатной платы и список деталей sergei-slivka2@yandex.by заранее благодарю
Здравствуйте! Информацию отправил.
Спасибо большое)
можно попросить у вас файлы PCB на регулятор inbox@kuz.ru
Добрый вечер. Выслал!
Здравствуйте!
Задумали с другом сделать гриндер для гаража.
Поделитесь, пожалуйста, файлами на плату и на тахометр.
Заранее благодарен.
Моя почта 33korovy@tut.by
Добрый вечер. Выслал!
Здравствуйте, Денис!
Единственная плата, учитывающая рекомендации даташита.
Хорошая работа! Буду признателен за файл печатной платы и рекомендации по наладке.
svladim@gmail, com
С уважением, Владимир
Добрый вечер. Выслал!
Добрый вечер! Если у Вас есть возможность, отправьте пожалуйста файл печатной платы со списком радиодеталей. Заранее спасибо.brmtv.sergejj@yandex.ru
Здравствуйте! Выслал.
Добрый вечер! Если у Вас есть возможность, отправьте пожалуйста файл печатной платы со списком радиодеталей. Спасибо огромное! ostapmus@gmail.com или musman78@mail.ru
Добрый вечер! отправил.
Здравствуйте Денис! Отлично! Можно на mv280160@yandex.ru файлы платы и перечень деталей… Заранее спасибо!
Здравствуйте! Выслал.
Здравствуйте Денис! Классно получилось! Можно на garik2045@yandex.ru файлы платы и перечень деталей… Заранее спасибо!
Здравствуйте! Выслал.
Топорное исполнение. Ну во первых если мощность до 2 кВт, пофигу где и силовые дорожки, где пассивные. А во вторых -где Реверс ? Не фига се ты переделал. Попросту уронил на колени то что было придумано до тебя, но более функционально.
Сделай круче, покажи всем как надо. Ждём с нетерпением!
здравствуйте, не отправите ли файлы печатной платы
Мой e-mail: axel_stalker@mail.ru
Добрый вечер! Всё отправил.
Здравствуйте! Очень заинтересовала Ваша работа, будьте добры, помимо файлов платы вышлите хоть краткое описание схемы (роль и режимы R3, R21, R26 и S1). И архив по тахометру. Планируете ли Вы продолжение этой темы с какими-то улучшениями?
Мой e-mail: yur1928m@yandex.ru
Заранее спасибо, с уважением к Вам, Юрий.
Добрый вечер! Всё отправил.
Здравствуйте! Буду очень Вам признателен, конечно, если Вас не затруднит, если вышлете мне файл печатной платы на мой e-mail: erjominserg@rambler.ru
С уважением, и заранее благодарен, Сергей.
Здравствуйте! Отправил.
Добрый день!
Поделитесь, пожалуйста, файлами на плату.
Заранее благодарен.
Моя почта vbylyra@ya.ru
Здравствуйте! Отправил.
Добрый день! Если есть возможность, вышлите пожалуйста файл печатной платы и список радиодеталей. Спасибо. ivan.kru4inkin@yandex.ru
Здравствуйте! Отправил.
Доброго времени суток!
Поделитесь, пожалуйста, файлами плат.
Моя почта 85_step@mail.ru.
Спасибо!
Здравствуйте! Отправил.
Здравствуйте.Можно и мне пожалуйста файлы платы если вас не затруднит на dimon20671mi@gmail.com СПАСИБО !
Здравствуйте! Отправил.
Огромное спасибо!
Доброго!
Тоже прошу файлы платы на kambarov2000@gmail.com
Заранее благодарен!
Добрый день! Всё выслал.
Благодарю!
Доброго здравия! Можно и мне получить файлы\архив?
monotheism999@gmail.com
Благодарю!
Добрый день! Всё выслал.
Добрый день!Вышлите пожалуйста, если Вас не затруднит файл печатной платы на адрес: babanov093@mail.ru Заранее Спасибо!
Здравствуйте! Всё выслал.
Здравствуйте! Прошу Вас файлик печатки выслать и если не затруднит, и на тахометр, архив. Заранее благодарен. (chapik568@mail.ru)
Здравствуйте! Всё выслал.
Большое спасибо
Здравствуйте.
Вот еще одна Nkozlouskii@mail.ru
Здравствуйте! Всё выслал.
Здравствуйте! Прошу Вас файлик печатки выслать и если не затруднит, и на тахометр, архив. Заранее благодарен. (chapik568@mail.ru)
Здравствуйте! Всё выслал.
Здравствуйте! Пожалуйста вышлите файл печатной платы и список радиодеталей. Faustxxx2009@bk Спасибо.
Здравствуйте! Ошибка в адресе.
Здравствуйте, появилась нужда собрать регулятор оборотов на TDA1085. Ваш вариант приглянулся больше всего. Отправьте, пожалуйста, файлы на почту grizzloidtv@gmail.com.
Здравствуйте! Отправил.
Здравствуйте! Очень хотелось бы попробовать повторить ваше изобретение. Можете отправить информацию на widok007@mail.ru ? Также интересует сколько бы стоило заказать данные платы у Вас?
Здравствуйте! Отправил.
Waled1
مساء الخير. إذا أمكن ، يرجى إرسال ملفات لوحة الدوائر المطبوعة للمشروع إلى عنوان البريد الإلكتروني: waledhoras18@gmail.com شكرا لك!
Здравствуйте. Отправил.