АКПП AISIN AF40, устанавливается на бензин 2.0Т 2.8Т и дизель 2.0Т.
АКПП может сильно перегревается. При температуре свыше 110 градусов начинает пинаться, тупить и т.д.
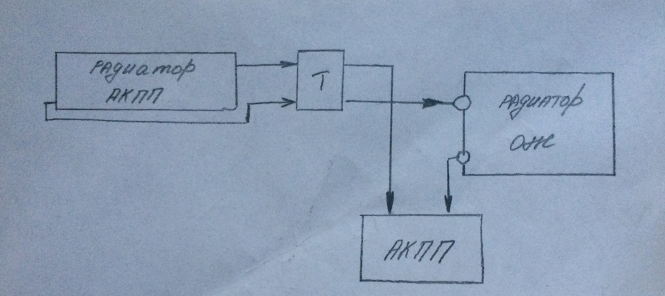
Решение проблемы — установка дополнительного радитора (маслоохладителя).
Радиатор OPEL 1302151 / GM 13311081 от Astra J.

Дополнительно потребуется:
— трубка для установки в штатные быстросъемы OPEL 13 02 152 / GM 13311082

— шлаг диаметром 10 мм, хомуты 14 мм и витушка

Из инструмена — труборез и развальцовка трубок.

Результат установки на фото ниже.


Вопросы задавайте в л.с.
Отзывы о нашей работе можно почитать тут.

Комментарии 17
А зачем оставлять в системе штатный теплообменник, а вместе с ним и риск попадания ОЖ в масло АКПП? Тем более, у штатного радиатора есть термостат.
Сам радиатор встал без изобретения дополнительных кронштейнов?
штатный теплообменник мало нагревает, дополнительный — охлаждает.
Попадание ОЖ в масло АКПП я только припомню в Astra H c коробкой AF-17.
Здравствуйте, скажите пожалуйста, где Вы такие хомуты покупали? Нигде найти не могу
Прям как у меня сделано))
А трубка в каком сочленении используется, и как она фиксируется в самом быстросъеме — нужны фиксаторы?
трубка нужно что бы соединить радиатор ОЖ и термостат радиатора АКПП.
от трубки отрезвится части нужной формы и длинны и соединяются шлангом.
фиксаторы есть в радиаторе ОЖ и термостате АКПП.
Вот я ни как не соберусь это проделать.
Скоро радиатор заржавеет, наверное
зима близко. до весны времени полно спокойно аккуратно все сделать.
У меня пол балкона хотелок.
Времени и до лета не хватит
krenkel
Вот я ни как не соберусь это проделать.
Скоро радиатор заржавеет, наверное
Мне подари? Ну или куплю не дорого :-)))
Не жирноват подарок будет?
www.drive2.ru/l/531585835556929569/
По своей схеме сделал еще пару машин и одна ждет своего часа.
По случаю в заначке на будущие клиентские авто припас термостатик для радиатора
:-))) Просто хотел тебя от мучений избавить. Почитал. Отличная работа! Ищу вот тоже радиатор. Разборщики — гады, термостаты срезают. Пока за вменяемые деньги найти не могу.
Я уже сам избавился.
Я пару комплектов собирал по частям. Термостат и радиатор отдельно
Понял. Поищу отдельно. Хотя, это еще дороже должно оказаться, судя по всему…
Спасибо.
Как получится. У меня комплект и порознь вышло одинаково.
Был термостат и я его то же прикупил. Теперь к нему радиатор ищу
Стоит радик этот космос
вот как бы его прикалхозить на масло движка ?