
Установка доводчика стекол на Lada X Ray 1.8 МКПП.
Во общем из названия все понятно, решил себе поставить вот такую штучку.
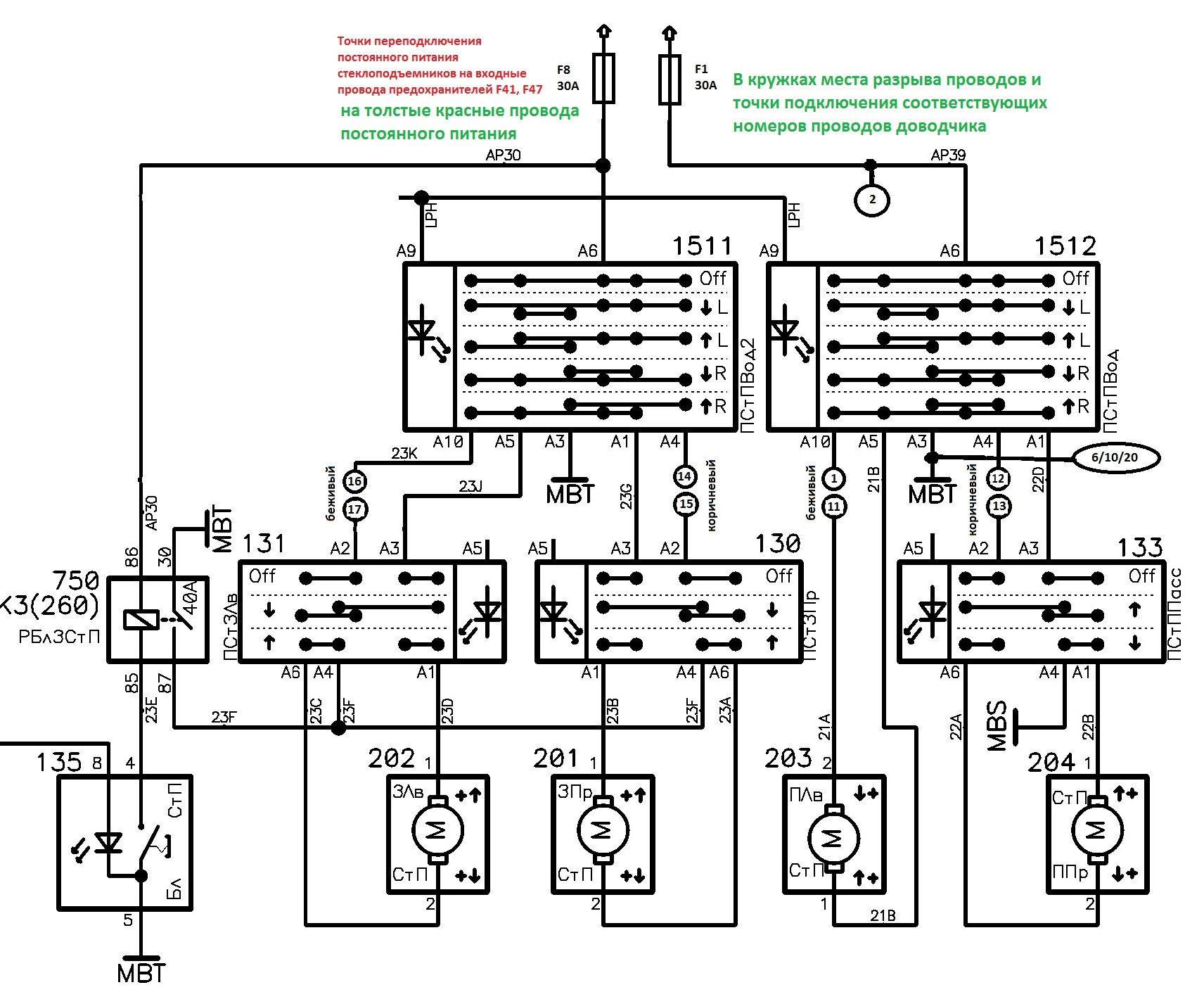
На предыдущей машине тоже стоял доводчик, и привыкнув к хорошему его отсутствие напрягало. Покопавшись в схеме машины, выяснялось то что для работы поводчика необходимо:
— или наличие постоянного питания в водительской двери, а это тянуть силовой провод в дверь от постоянного плюса (+12В без зажигания);
— или переподвлючать питание стеклоподъемников с (питания при зажигании) на постоянное.
Это кому как понравиться, я переподключил стеклоподъемники с (питания при зажигании) на постоянное. На схеме показано куда подключался, фото монтажного блока сделать не получилось, к его обратной стороне добраться проблематично, не то что бы еще и сфоткать.
К верхним проводам предохранителей F41 и F47 подпаялся (красные толстые провода), вторые концы обжал клеммами от старого разъема (ЭБУ Январь 5.1 подходят четко, как радные, с фиксацией)
и вставил в верхнее пустое место для новых F1 и F8, нижние концы с обжатыми клемами на проводах длинной по 12-15 см обжал ножевыми узкими клеммами и вставил в верхние места где стояли раньше предохранители F1 и F8, это провода уходящие в двери.
Сделано это было для того чтобы не раскусывать штатную проводку. Это мой вариант подключения, их в интернете множество…
И так это постоянное питание стеклоподъемников без зажигания.
Теперь сам доводчик стекол, выбор пал на Pandora DWM-502, он для 4 стекол и электро-люк.
Так как питание на проводке есть, то подключение смотрим на схнме, это все провода в жгуте кнопок в двери, по цветам проводов (в машине) и по номерации контактов на доводчике парсписаны.
Теперь об изменении полярности доводчика стекол Pandora DWM-502 (он изначально управляется по плюсу), смотрим схему по переключению коммутации по минусу, так как в дверях сигнал подъема стекол вверх – это подача минуса, при постоянном плюсе.
Теперь об подключении управления доводчика:
— Вариант 1 — от сигнализации, в моем случае это доп. канал №4 (для Старлайн Е90);
(но у меня с доп. каналом не прокатило, что то с сигналкой не так )
— Вариант 2 — от сигнализации, а точнее от силовых цепей управления замками, с изменением схемы подключения, так как управление по минусу, да протаскивать провод управления из двери в салон с управлением по минусу безопаснее.
Есть и вариант 3 если нет доставной сигнализации. Это управление по плюсу (контакт 9 желтый провод) на замке водительской двери, на схеме показана точка подключения.
Ну вот в кратце и все, что я налепил в машину.
Для протяжки провода управления, динамик пришлось отсверлить от алюминиевых заклепок, так как руку просунуть больше негде.









Комментарии 11
не совсем понятно откуда на моторчике стеклоподъёмника + берётся при выключенном зажигании если не переподключать питание?
Ну конечно чтобы был +, нужно переподключение, нужен постоянный + без зажигания.
приветы, а что же реле с задержкой не практикуется, у меня на калине даже было оказывается, а в хрее нет (( помню ставил доводчик на фольц полочку и на кияшку пикачу, проблем небыло все устанавливал через блок кнопки стеклоподъемников на водительской двери, даже обшивку не снимал… а тут какая то засада, купил доводчик, а теперь снова бессонные ночи инета ((
Привет, задержка реализована в самом доводчике, и поочередное закрывание стекол. В Калине стоит блок комфорта (Норма), а в Х Рее схема управления стеклами примитивная (палка-веревка) без электроники, но может быть это и к лучшему.
задержки нет в хрее, зажигание выключил и вуаля… доводчик не будет работать, тут еще и заморочка с полярностью, пломбу вскрыл на коробке — назад не возьмут ((
Ну так выражайся понятнее, что речь о задержке отключения питания. Откуда она в Х Рее возьмется если питания напрямую подается при зажигании. Ну я не вижу в этом великих проблем, заведи питание на прямую без зажигания, электроники нет значит не будет и утечки тока при бездействия, на аккумулятор не повлияет. Для смены полярности доводчик вскрывать не надо, это проводами в разъеме реализуется.
на счет постоянного питания уже в принципе разобрался, а вот с полярностью еще нет… в разъеме доводчика провода переставлять или же в кнопичках ?
Переставлять провода местами не нужно, это ни к чему, а вот сами провода подключать по указанной выше схеме, полярность меняется только на проводах доводчика, а именно тех которые от контактов реле, смотри внимательнее схему от доводчика которую я выложил (исправленную) и сравнивай с родной от самого доводчика и находи разницу в подключении. Я их уже не один так поставил.
Viktorch48
Ну так выражайся понятнее, что речь о задержке отключения питания. Откуда она в Х Рее возьмется если питания напрямую подается при зажигании. Ну я не вижу в этом великих проблем, заведи питание на прямую без зажигания, электроники нет значит не будет и утечки тока при бездействия, на аккумулятор не повлияет. Для смены полярности доводчик вскрывать не надо, это проводами в разъеме реализуется.
если я правильно понял, то подключаем управление на + и полярность выхода становится -, подключаем на центральный замок
На контактах реле не бывает + или -, это контакты, куда подключишь то и будет. Управление если брать от привода в водительской двери, то на доводчике нудно использовать кон. №9 (желтый).
Запомню!