доброго Всем времени суток.
хочу поднять вопрос про модификацию тормозной системы на 2141. А именно: большинство из Вас иже перешли на ЗДТ и передние вентелируемые, а многие задумываются (я в часности я). лазя по просторам интренет я не однократно выдел инструкции по установке в разных форумах в том числе и в личных блогах на данном сайте.
НО мною не было найдено подробного описания по материалам (диски, суппорта, ВУ, шланги и т.д.). именно для этого создаю этот блог.
прошу Вашей помощи в описании всго что у вас стоит. необходимо это (в моем случае чтоб расчитать буджет данной доработки) для быстрого поиска запчастей на рынке или в инет магазине.
и так, начнем:
люба я модификация начинается с ВУ Lucas (ГТЦ в сборе с бачком Lucas кат.№ PMH595 + вакуумный усилитель Lucas кат.№ PSA910)
ПДТ (передние дискове тормоза):
1-й способ
— Скоба дискового тормоза правая/левая в сборе (суппорт) ГАЗ 3110 (3302-3501136 и 3302-3501137) сверлятся по схеме

— колодки Icer 180678 (или любые которые подходять в данный суппорт)
— диск диаметр 256 для 14" и 280 для 15" колес со следующими обязательными параметрами:
Высота [мм] 56,2
Диаметр [мм] 256/280
Расположение/число отверстий 04/04 * 108
например АУДИ-80 № DF2599
— шланги 2141-3506048
— нюансы: при установке защитный кожух переворачивается наоборот, возможено будет необходимо подпилить шаровую.
(один из многих примеров)
2-й способ.
статейка от доработке штатной системы с заменой диска на вентилируемый
3-й способ
на суппортах Вольво (без изменения контура и дисков, мнение автора)
— Суппорт. Необходимо пересверлить крепежные отверстия, нарезать резьбу, подточить крепежную часть спереди. Точить по месту (зависит от колесного диска — может и не придется). NO OE.: 1329866-1329867
— Шайбочки под суппорт. Общая толщина 7.5мм (это три обычных оцинкованных шайбочки 12мм)
— Проставка 5мм (необходимо сверлить диск для крепежных болтиков как на родном, потому что на ауди такого нет)
— Тормозные шланги ГАЗ — по длине такие же, резьба мелкая.
— Тормозные трубки — как повезет. У меня одна сломалась когда откручивал.
— Надо закупить колесных болтов большей длины (под литье), так как еще появляется проставка.
(оригинал статьи) ЗЫ. позже распишу номенклатуру компонентов.
4-й способ. (спасибо SCHNAZZY-07 за ссылку и автору Instryktor-G)
понадобиться суппорт от ВМВ — Е36
шайбы 2 мм . 4 штуки . напильник круглый — одна штука . ну и само собой дицки 256 мм . честно скажу .хотел просто померять . и тут понеслось )) итак все разбираем . прикладываем скобу и видем что отверстия не совпадают на 2-3 мм … напильником распиливаем отверстия в поворотном кулаке (может и колхоз стаил- но ЭТО Москвич Детка)Без напильника никак … наприсовываем вентиль . одеваем скобу . между скобой и поворотным кулаком ставим шайбу. делаем так чтобы скоба была по центру самого диска (думаю если кто заморочится тот будет знать о чем я пишу). собираем все и радуемся …
дальше о том как я пытался НА…ТЬ судьбу … Хотел я использовать родные шланги . сделали переходники в суппорта . Но не тут то было шланг то коротковат * (( да и в любом раскладе нужен от нивы или от волги с боковым подключение . так как родной будет тереться о шрус … так как шлангов у меня не было . продолжение следует . но это так сказать уже другая история .
и для справки . у меня колеса ЕТ 40 . при одетом колесе расстояние до суппорта 5-7 мм.





ЗДТ (задние дисковое тормоза):
1-й способ
для удешевления переделки, я буду делать на основе системы передних тормозов
— суппорта передние(все в в зборе, описывать не буду так как они останутся у каждого)
— диски передние 21410-3501080/ТВ2141О3 (стандарт москвичевские)
— пластина для крепления тормоза толшщина 8 — 10 мм

схема и установка описана тут
— гидро ручник (скорей всего это самодельное устройство, инфы по нему пока не нашел).
2-й чпособ
— Диск тормозной задний АУДИ-80 х2 Номер: BS-1220 (комплект из двух дисков, Optimal), перед установкой проточить центральное отверстие под ступицу или проточить ступицу под диск.
— Суппорт задний АУДИ- А4 (правый/левый ) 1 Номер: BHN146/BHN147 (Лукас )
— Скоба заднего суппорта АУДИ-А4 х2 Номер: BDA245 (Лукас) необходима небольшая доработка
— Тормозные колодки АУДИ- А4, 100 задние 1 комп. Номер: (Remsa )
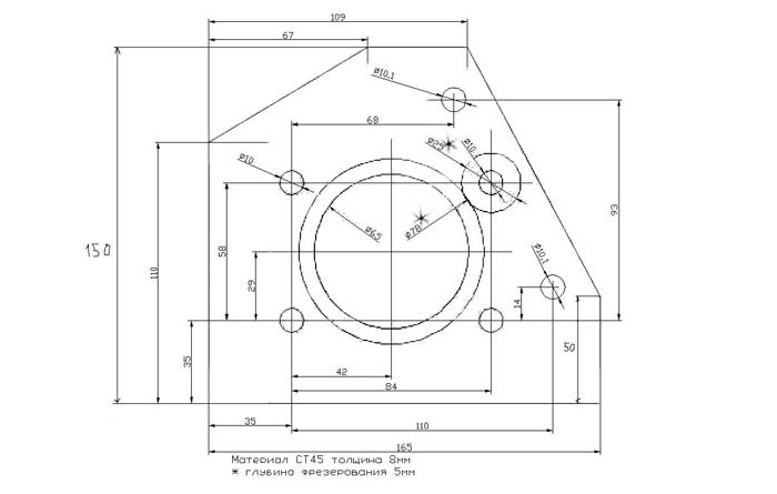
— Переходная пластина х2 См. чертеж, материал: сталь 40, толщина 8-10 мм.чертеж
— Цапфа задней ступицы х2
— Ступица задняя 2
— Подшипник задней ступицы 2
— Гайки и шайбы задней ступицы 2+2
— Трос ручника ТАЗ-2110 х1. В комплекте идут 2 троса, левый и правый, тросы укоротить по месту, возвратные пружины снять.
— Болты крепления переднего амортизатора на ТАЗ-классику ( каленые), используются для крепления цапф к балке (8 шт) и скоб суппортов к переходным пластинам (4 шт) 8+4 Перед использованием обрезать по месту
— Шайбы на 10 разной толщины. Ставятся под скобы и по месту.
( оригинал статьи или)
— Шланг тормозной Волга-3110, Газель, передний (длинный ), с резьбой 10х1 2 См. фото
3-й способ
— два длинных тормозных троса и их соединитель (можно от ВАЗ 2110);
— суппорта со скобами от Passat B5; (Номер каталожный 443 615 423 A. Скоба 443 615 425 B . Ремкомплект суппорта ST 1140, и еще 107083466
— болты для цапфы;
— комплект задних тормозных колодок для Passat B5 GDB1163 ;
— проставка для установки;

4-й способ
— тормозные суппорта от а/м Nissan BlueBird 97г.в. (каталожный номер не удалось найти)
— тормозные диски родные 41е передние
— Переходной штуцер для торм.шланга — 2шт. (выточены самостоятельно). размеров нет, по месту.
— Переходные пластины — 2шт

— Тормозные шланги от Нивы (длинные, передние) — 2 шт.
и так. я описал разные варианты установки. так же встречались статьи по установке иных суппортов как задних так и передних. (если у кого так, то плз распишите или дайте линк на процесс я сам сделаю выборку и дам линки на Ваш процесс)
.
ЗЫ. вроде я видел установку передних 15" тормозов без сверления, но не сохраних линк. если кто что знает сообщите плз, так как ИМХО это понадежней.
всем спасибо за участие. после Ваших сообщений добавлю Ваш текст в тело блога, чтоб не искать в дпльнейшем по сообщения.
ХОЧУ ЗАМЕТИТЬ ЧТО САМ НЕ СТАВИЛ, ВСЕ ВЫБОРКИ С НАЙДЕННЫХ СТАТЕЙ. ОБЯЗАТЕЛЬНО ПРОВЕРЯЙТЕ. И ПИШИТЕ НАРЕКАНИЯ.


Комментарии 11
Добавлю еще один вариант ПВТ www.drive2.ru/l/6294130/, от БМВ Е36
Скажите, диски вентилируемые Lucas — DF2599 под стоковые суппорта подойдут?
Только по размерам нужно смотреть, но из того что мне известно, все вентилируемые диски толще стоковых
подскажи пожалуйста по волго супортам мне токарь посверлил скобу под 268 диск хоть я его просил сделать под 256. Теперь вопрос, встанут ли 14 диски на 268 тормозной диск или надо переходить на r15
Только 15, 14 уже не влезут
хорошая запись, подпись!
+ если его вкрутить вертикально то он скорей всего будет цепляться диск колеса
Как я помню, родной не подойдёт по резьбе, а если и подойдёт то он короткий чтоб закрутить его в суппорта и к стандартному месту крепления трубки
На Волго супорт можно оставить родной шланг? Или от нивы нужно.
соори что так долго отвечаю. но если лставить родной шланг то он будет в диск упереться, да короткий он
samoilov85
На Волго супорт можно оставить родной шланг? Или от нивы нужно.
нивовские длинные