Вчера не завёлся уазка. При повороте ключа, не услышал характерный звук топливного насоса. Замена реле, чистка контактов, протирание фар и постукивание по колёсам, к должному результату и ожидаемому эффекту не привели (раньше всё перечисленное и произнесение сответстующих мантр помогало). Направление поиска причины — проводка. Убил кучу времени на поиск схемы подключения релюшек. Охотно делюсь (да не оскудеет рука дающего!) с результатом поиска.

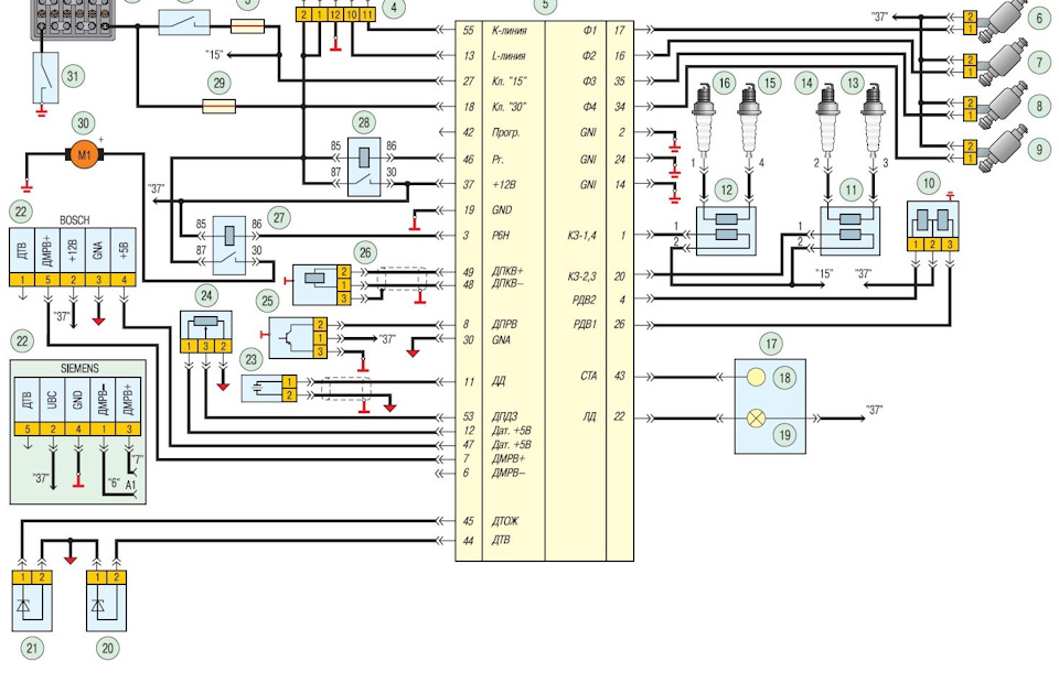
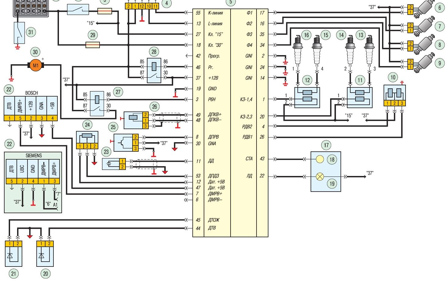
1 — аккумуляторная батарея; 2 — выключатель (замок) зажигания; 3, 29 — плавкие предохранители; 4 — диагностическая колодка; 5 — электронный блок управления двигателем; 6, 7, 8, 9 — топливные форсунки; 10 — регулятор холостого хода; 11, 12 — катушки зажигания; 13, 14, 15, 16 — свечи зажигания; 17 — комбинация приборов; 18 — тахометр; 19 — сигнальная лампа <проверьте ДВИГАТЕЛЬ>; 20 — датчик температуры воздуха во впускной трубе; 21 — датчик температуры охлаждающей жидкости; 22 — датчик массового расхода воздуха; 23 — датчик детонации; 24 — датчик положения дроссельной заслонки; 25 — датчик положения распределительного вала; 26 — датчик положения коленчатого вала; 27 — реле топливного насоса; 28 — главное реле системы управления двигателем; 30 — топливный насос; 31 — выключатель <массы>.
Всем удачи!

