Отдали мне сварочный полуавтомат ТРИТОН 240, сказали что не работает. При сварке постоянно горит силовой провод идущий от дросселя к разъему сварочного рукава. Вскрыл аппарат, и обнаружил что аппарат уже кто то ремонтировал, и шину идущую от дросселя к рукаву, заменили на простой провод сечением 4 кв. мм, естественно такой провод не выдерживает сварочный ток. И конец дросселя замыкал на крышку корпуса, не всегда но при тряске и вибрации были касание шины дросселя на корпус.
Решил все устранить и заодно немного доработать аппарат.
— Первое что сделано, добавлены радиаторы на мощные диоды и тиристоры моста.
— Установил вентилятор охлаждения со схемой управления оборотами от температуры,
— добавил конденсаторы на 20000 мкф х 100 в, до дросселя.
— сделал шину для подключения разъема рукава
— установил разъемы для подключения массы
— добавил вывод сварочного тока для подключения сварки обычным электродом
— добавил блок плавного регулирования сварочного тока, это пригодится и для зарядки аккумуляторов, на этом
аппарате есть выход +12 в, для запуска авто и заряда аккумуляторов.
Вот такие изменения претерпел этот аппарат.
В планах добавить несколько режимом подачи проволоки на полуавтомате: ручная подача, триггерная и по времени, а также сделать режим импульсной подачи проволоки (актуально при сварке алюминия).
Но это немного позже.
Пробовал варить простым электродом на существующих пяти режимах, варил электродом 3 мм, варит сносно, но на 1 и 2 режиме плохо держит дугу, да и вольт на этих режимах маловато для сварки электродом 3 мм.
Напряжения на режимах: 1п — 27 В, 2п — 33 В, 3п — 39 В, 4п — 45 В, 5п — 52 В
Для сварки в режиме полуавтомата в среде СО, проволокой 0.8 будет варит нормально. Примеры сварочных швов можно увидеть в конце поста.
А пока что в итоге получилось.




















На "1" почти не варит, дуга загорается и сразу тухнет, но пластинку оцинковки 0,8 все же удалось приварить. Учитывая что варил электродом 3 мм, то это нормально, тонкими электродами 1 мм будет варит хорошо, а в режиме полуавтомата будет отлично.
Электрическая схема аппарата ТРИТОН 240 для скачивания
Теперь у меня есть свой личный доработанный сварочный полуавтомат.
Коментарии как всегда приветствуются.
Всех в наступившим Новым Годом!


Комментарии 41
А что за блок плавного регулирования сварочного тока поставили? В статье его нет
собрал мне схему знакомый, стандартный ШИМ регулятор, управление двумя тиристорами.
Добрый день! Скиньте электрическую схему аппарата ТРИТОН 240 на эл.почту – YuraE50@gmail.com
Ссылка на скачивания не работает.
Электрическая схема аппарата ТРИТОН 240 для скачивания
Комментарий удалён
Зависит от того что варите, и что хотите получить. При сварке на прямой полярности "+" на изделии. Это обеспечивает больший нагрев поверхности и, в то же время, не перегревает электрод. На его кончике пятно тепла будет анодным. Работа дугой с обратной полярностью означает "плюс" на кончике электрода и образование катодного теплового пятна. www.svarbi.ru/articles/pr…D%D0%BE%D1%81%D1%82%D0%B8, %D0%B8%20%D0%BE%D0%B1%D1%80%D0%B0%D0%B7%D0%BE%D0%B2%D0%B0%D0%BD%D0%B8%D0%B5%20%D0%BA%D0%B0%D1%82%D0%BE%D0%B4%D0%BD%D0%BE%D0%B3%D0%BE%20%D1%82%D0%B5%D0%BF%D0%BB%D0%BE%D0%B2%D0%BE%D0%B3%D0%BE%20%D0%BF%D1%8F%D1%82%D0%BD%D0%B0. читайте все есть в инете.
Сори одну 7 пропустил
Qwertserg777@mail.ru
решил проблему? у меня такая же история, купил на авито этот сварочник — все работает, мотор не включается
Qwertserg77@mail.ru
Позволь ещё пару вопросов.
Купил сварочник.
Всё работало но некрутился маторчик.
Но если кинуть +и- то работает ___значит исправный…
Провод +на клапан просто висел пустой…
И ктото кинул соплю на клапан от белого провода идущего на моторчик…
5 Дорожка была згоревшая…провод красный на клапан
И 2 дорожка…
Далее выяснил
Что сгорел транзистор конденсатор. и диод на клапан.
Поменял.
Теперь
Всё работает при нажатие кнопки на держаке появляется + на 5 клемме красный провод идущий на клапан.
Но моторчик не крутиться
Если от клапана + кинуть на белый провод идущий на моторчик то всё работает как и должно быть крутит моторчик есть дуга варит на всех положениях…
Вопрос куда рыть чтоб моторчик заработал как положено без соплей
mail.ru пишет что нет такого майл адреса
Круто замарочился молодца.
Я вдохновившись твоим постом нарыл такой сварочник…
Но сука впарили не рабочий…
Если сможешь потскажи что за диод?
Я в электронике ни бум бум
По схеме КД209. Идет на питание клапана газа.
Есть схема могу отправить. Куда?
Спасибо.
Схему куда сможешь отправить?
Куда годно. Mail есть?
День добрый ! А не подскажите как поменять полярность в таком аппарате ? Для сварки порошковой проволоки.
Проверить не проскальзывает ли проволока на роликах, а дальше смотреть питание на входе схемы подачи, и дальше оконечный транзистор на выходе управления мотором. Проверить какое напряжение на моторе при разных положениях регулятора
Понятно, спасибо .👍)))
Добрый день! Такой же аппарат, начались проблемы с подачей проволоки, подача начинается при повёрнутой на половину ручки резистора регулировки подачи, пока на половину не выкрутишь проволока не едет… резистор 23кОм звонится вроде бы равномерно, с чего начать поиск неисправности?
Проверить не проскальзывает ли проволока на роликах, а дальше смотреть питание на входе схемы подачи, и дальше оконечный транзистор на выходе управления мотором.
Не, не проскальзывает, сам мотор не крутит, гудит немного как будто не хватает напряжения… не совсем понял по схеме роль переменного резистора 22кОм…
Круто! Молодец какой ты!
Подскажите пожалуйста что можно сделать с этим аппаратом?
КАВИК ПДГ-451УЗ
380 вольт . Вот только есть одна проблема нет 380 не могу проверить на работоспасобность его.
Спасибо.
Сложно по внешнему виду определить что можно сделать.
Нужна схема. Если аппарат трех фазный, то варить он должен хорошо.
Не читается кое-где, другой нет.
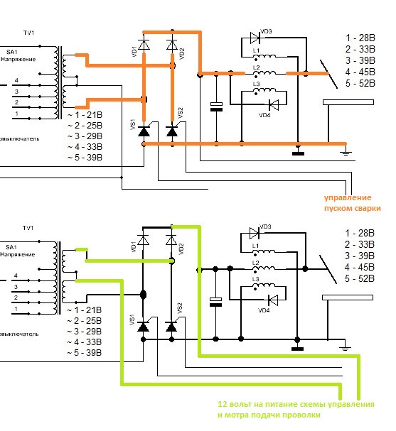
Конденсатор после диодного моста до дросселя. В этом варианте будет задержка остановки двигателя подачи проволоки до момента разряда конденсатора. Поэтому нужно запитать схему управления от отдельного источника 12 в, контакт 2 на разъеме блока управления. отрезать проводок от этого разъема и припаять туда +12 в от отдельного источника, -12 соединить с массой
Ясно, спасибо.
Так куда же мне подцепить конденсаторы, чтобы не было так как я описал, а работало как надо и без изменения платы управления ?
Надо схему вашего увидеть, тогда можно сказать с уверенностью. А так это гадание на кофейной гуще. У них у схемы разные, на тритон 240 я нашел 3 разные схемы, и сравнивал со своим аппаратом, делая трассировку соединений на аппарате и схеме.
Повторил вживление конденсаторов в свой " Питон ПДГ-20-1уз ". Устройство на вид аналогичное вашему аппарату. Плату управления не трогал. В итоге ; 1. При нажатии кнопки пуск на держаке, проволока не идёт, а вылезает немного ( 3-4 см ) после отпускания кнопки. 2. Мерил вольтметром, до установки ёмкостей, в точках их подсоединения ( по вашему варианту ) при включенном аппарате и отжатой кнопке держака там 0V. Напряжение появляется только после нажатия кнопки держака. Т.е. даже если запитать электромотор протяжки отдельной цепью ( посоветуйте как), то зарядка кондёров начнётся тоько после нажатия кнопки держака, а протяжка в этот момент уже начнёт подачу проволоки. В итоге в момент поджига дуги напряжение будет ещё меньше чем без ёмкостей. Я верно мыслю ? Короче прошу помощи.
1. да действительно, пока не нажмете кнопку на горелке силовой выпрямитель отключен, диодный мост (VD1, VD2, VS1, VS2) с двумя тиристорами, VS1 и VS2, для управления включения тока на сварку, по схеме два тиристора они закрыты, пока на управляющий электрод не подать потенциал. Схема управления питается от однополупериодного выпрямителя выполненного на диоде VD2, там напряжение должно быть всегда. 12 в (это часть моста включенная со средне точкой обмотки)
2. по конденсаторам, ставил не для розжига дуги а для сглаживания пульсаций после диодного моста, в следствии чего стабильней дуга без всплесков и провалов во время сварки.
3. отдельное стабилизированное питание блока управления резко улучшит параметры подачи проволоки, так как не будет зависить от просадки тока при сварке.
Привет номиналы диодов, и тиристоров силовых, не подскажешь? на всех схемах размыто просто ужас, ничего не разобрать
Диод ВЛ 200, тиристор T150 или Т200
спасибо… вообще проблемка немного другая… дело в том что на первом положении очень занижено напряжение, которое идет на плату через этот диод… цифры такие на 1-м — 9В, на 2-м — 11.5В, на 3-м — 13.5В. стабильного 12В нет. Не подскажешь в чем может быть проблема. возникло подозрение на просаженный диод, но у меня в аппарате он немного другой и размером поменьше типа Д112-10-14… по итогу на 1-м, 2-м режимах не открывается электромагнитный клапан и варить невозможно…
Если тот диод что стоит на дросселе, то да он такой. проверить его просто, как любой диод. Замерить напряжение на трансформаторе без диодного моста, на режиме переменного тока. Если напряжение нормальное то смотреть дальше диод и тиристоры на мосту. На силовой части ломаться больше нечему.
Напряжение замерять в точках A, Б
благодарствую)) будем пробоваться… придется скорее всего поставить дополнительно диодный мост и кондер сглаживающий в цепи питания на 12 в… ну и в добавок ко всему тот большущий кондер тоже хочется попробовать… правда одной банкой не найти — соберу сборник …
Удачи.
rvv1973
спасибо… вообще проблемка немного другая… дело в том что на первом положении очень занижено напряжение, которое идет на плату через этот диод… цифры такие на 1-м — 9В, на 2-м — 11.5В, на 3-м — 13.5В. стабильного 12В нет. Не подскажешь в чем может быть проблема. возникло подозрение на просаженный диод, но у меня в аппарате он немного другой и размером поменьше типа Д112-10-14… по итогу на 1-м, 2-м режимах не открывается электромагнитный клапан и варить невозможно…
Схема выпрямителя питания.
Спасибо за схему. Конденсатор куда ставили?
После диодного моста, перед дросселем.
Хорошо, как изменилось качество сварки после установки конденсатора?
Дуга зажигается уверенней, горит мягче, меньше стало реагировать на падение напряжения. Но нужно делать отдельное питание клапана газа, а то пока конденсатор не разрядится клапан открыт и газ идет. Но я заменил еще и блок управления, там все питания отдельные от силовой части.
У меня сегодня в рукаве замкнули провода на оплетку(((. Теперь нет 12в для пуска двс, а в режиме сварки работает, но варить невозможно, стреляет и толком нет дуги. Завтра буду прозванивать диоды и смотреть управление тиристоров
Удачи.
JivuvRossii
У меня сегодня в рукаве замкнули провода на оплетку(((. Теперь нет 12в для пуска двс, а в режиме сварки работает, но варить невозможно, стреляет и толком нет дуги. Завтра буду прозванивать диоды и смотреть управление тиристоров
Так что была за причина? Купил аппарат а он себя так ведёт ((( Куда копать?