Всегда хотел сказать цитату из культового, для своего времени, сериала Бригада, применительно к себе: «такой только у меня и у Майкла Джексона!». :)
Привет МИР! Здравствуйте Друзья!
Давненько мы с вами не встречались…
Но, я ж не блогер :), и у меня статьи пишутся по факту выполненных задач, а не наоборот.
Эта статья на Драйве будет в единственной части, все остальные части будут описаны уже на Дзене, т.к. драйв не вмещает в себе этого формата. И да, мой Дзен тут >счёлк<. Данная запись будет постепенно дополнятся ссылками на Дзен.
ОВЕН ПР205. Входы\Выходы (DI\FDI\AI, DO\AO). Часть 2.
ОВЕН ПР205.Встроенные интерфейсы, Ethernet, RS485. Часть 3.
Подключение Частотного Преобразователя к ОВЕН ПР205. Часть 4.
Сегодня на обзоре долгожданная новинка от компании ОВЕН – Программируемое Реле ПР205!
Всё нижеописанное, и далее описанное, будет в бОльшей степени отсылаться к Домашней автоматизации, а если быть точнее к ОТВЕТСТВЕННОЙ Домашней автоматизации, т.к. образование, знания, дополнительные курсы повышения квалификации у меня имеются, а вот практики Промышленной автоматизации не особо-то и много. Тем не менее, панели оператора, частотники, блоки расширения, всё это мы с вами конечно же подключим, и посмотрим, как это работает.

Поехали!
Этот прибор ждали многие, в том числе и я! Прошло уже довольно много времени с момента его анонса. Но в мире произошло много изменений, которые не позволили ОВЕНовцам выпустить прибор 2-3 года назад.
Эта запись будет вступительная, ознакомительная, обзорная, т.к. в одну, 2 или даже 3 статьи, поместить все возможности этого, без преувеличения "Контроллера ПЛК", было бы крайне сложно!
ОВЕН ПР205 – программируемое реле, пришедшее на смену старой линейки ПЛК 63, 73, 100, 150 и 154. Все предыдущие ПЛК были, остаются и ещё долгое время будут оставаться, действительно культовыми приборами, как и большинство продукции, которую выпускает компания (обратите внимание, за эти слова, ОВЕН не занес мне ни рубля!). И с многими из них я работал, и продолжаю работать.
Последние годы моё мировоззрение или кредо, как Вам будет угодно, всё больше и больше меняется в сторону нашего, родного. А если наше родное ещё и не уступает, а в большинстве случаев превосходит зарубежные, то тут не просто приятно, тут больше – гордость за Наших!
Ну а кто если не мы? Кто поддержит Наших? И это про Всех и всё, не только про приборы ОВЕН.
Простите, отвлекся :), всё же мой блог не политический, а технический.
С чего бы нам начать?
Давайте сначала небольшое оглавление (будущих статей), а потом уже перейдём к самому прибору ПР205.
В следующих записях мы с вами будем постепенно раскрывать весь функционал прибора.
— Подключим аналоговые входы и выходы прибора к различным устройствам и построим схемы различных реальных, жизненных ситуаций, когда нам эти AI и AO могут потребоваться.
— Подключим блоки (у меня только 1, и тот дома в щитке) расширения ПРМ.
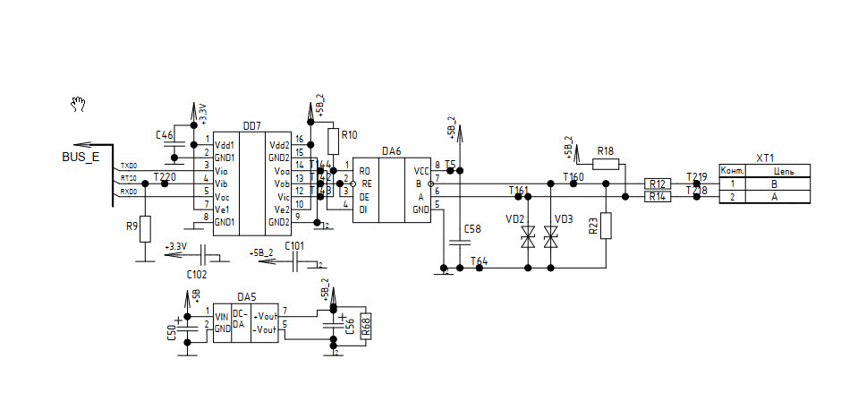
— Подключим к прибору различные устройства по RS485.
— Подключим к прибору устройства по TCP.
— Подключим устройство к Telegram и Алисе, через облачный сервис OwenCloud.
— И, мне кажется, будет ещё много чего, т.к. возможность экспериментировать есть, возможность показать – так же имеется.

ОВЕН ПР205.
Программируемое реле ОВЕН ПР205, по своим характеристикам равное или превосходящее ПЛК для малых систем автоматизации. Не буду копировать и вставлять цифры сравнения ПР205 с ПЛК63/73/1хх, это вы и без меня сможете посмотреть.
ПР205 — это логическое продолжение ПР200, на котором было построено столько всего, что и 100 страниц мелким текстом не хватит описать. И тут стоит отдать должное ПР200! На его основе было сделано много ответственных установок, на важных объектах, вроде аэропортов!
Главные отличия от ПР200:
— Увеличенный объём памяти Retain, Slave переменных, ПЗУ, ОЗУ и т.д. и т.п. Вряд ли у вас получится "забить" хоть какую-то память.
— Наличие Ethernet. Устройство может работать с OwenCloud, быть Master и Slave по одному Ethernet в одно время! Это действительно удобно, это реально круто!
— Большой, цветной дисплей, который может быть использован для удобного отображения и ввода данных, и в некоторых случаях может быть альтернативой дополнительной Операторской панели.
— Отладка и программирование прибора по Ethernet, это вообще, просто космос!

Вот мой учебный стенд, все эти приборы я сам, на свои деньги покупал, чтобы учиться.
За исключением одного – ПР205, его мне предоставили на обзор. За это хочу поблагодарить компанию ОВЕН и лично Посохова Андрея. Спасибо, что даете возможность изучать и делится изученным с людьми!
Что ещё интересного, и нового, можно отметить в данном приборе?
Однозначным плюсом стало то, что теперь нет необходимости в разборке корпуса, для изменения параметров, например, входных сигналов, путём перестановки перемычек. Теперь всё это делается непосредственно из интерфейса OwenLogic.
Как пример, Аналоговый Вход, он может быть и Аналоговым, и Дискретным! В Аналоговом режиме по умолчанию вы можете выбрать тип датчика, например 4…20мА или 0-10В, выбрать готовый датчик NTC, PT, или же просто делать измерения сопротивления до 300кОм!
До 300кОм КАРЛ! ПР200 официально измерял только до 4кОм (но у меня вроде как получалось измерять даже 10кОм)! Это превосходное изменение, это реально нужно, это действительно требуется!
Появились высокоскоростные входы, до 100кГц, для домашней автоматизации это не особо требуется, но на производствах, на счетных конвейерах, и прочих местах — это очень нужное добавление! FDI – это круто!
Теперь прибор ПР205 имеет три аналоговых выхода! Аналоговые выходы нужны и часто требуются, например, для управления ШИМ тиристорами, и они нужны не только в промышленной автоматизации, но и в домашней — могут с пользой работать. Режим работы, ток – напряжение, выбирается в программе, удобно!
ПР205 может самостоятельно, по встроенному в него Ethernet подключаться к бесплатному, облачному сервису OwenCloud, вам не нужно покупать дополнительных модулей, просто включи и настрой! А затем контролируй и управляй через облако, это удобно!


Выводы.
Овен ПР205 – новый, современный, актуальный, надёжный прибор!
Прибор, который может выполнять ответственные функции как самостоятельно, так и в распределенных системах автоматизации – это промышленное назначение.
А ещё, ПР205 может быть сердцем вашего дома, он может отвечать за освещение в доме, за температуру и влажность, за безопасность (охрана, протечки, задымления), управлять погодозависимой автоматикой, котлом, кормушкой для собаки в конце концов!
И да, это всё сразу!
Для дома, данный контроллер – надежный, стабильный помощник, он не «зависнет», он правильно посчитает и ответственно выполнит, всё то, что вы сами, свободно запрограммируете в него.
ПР205 – прибор, который прост в изучении, язык программирования и среда программирования OwenLogic до такой степени проста, что вы сможете через пару дней изучения свободно писать логику и алгоритмы.
OWEN Logic – постоянно обновляемая среда, с регулярным добавлением различных функций! Уже на сегодняшний день в ней реализована возможность написания «функций» на языке ST, и, как мне кажется, не за горами полнофункциональный ST, это тоже полезно и важно!
Прибор разработан Русскими инженерами, которые не выкидывают из схемы «лишние» элементы!
ПР205 изготовили от корпуса до платы в Нашей стране, на большом, Русском, заводе – это важно!
Инструкции и поддержка на Русском языке, понятна и проста, всегда работает горячая линия, где вам могут подсказать.
Финал первой части.
Пожалуй, презентацию буду заканчивать:)! Честно скажу – я в восторге от ПР205!
Всё, что нужно, в нем уже есть! А он ещё даже не продается! Через определенное время, даст Бог (сил разработчикам ОВЕН:)), в ПР будет реализован и mqtt и прочие нововведения, хотя уже сегодня, того, что в нем есть, достаточно чтобы строить отличные, надежные системы разного назначения.
На этом, сегодня, прощаюсь с Вами, друзья! Пусть вы, и ваши близкие будут Здоровы. Православных с Пасхой!
Пока!
P.S. Нашли ошибки и не точности? Дайте знать – хочу быть грамаотным:)! Спасибо!
Комментарии 30
Хмм, интересно. У нас на климатических установках пр200 наставили. Уж очень голову вылюбливают нам)))
Хз, я сейчас буквально купаюсь в ПЛК всевозможных производителей, мой фаворит ОВЕН:), самые лояльные к потребителю приборы. Взять к примеру Эмикон, или Регул, узкопродаваемые приборы, приколов с ними хватает. Возможно мне не удавалось создавать больших проектов на ПР, но мой домашний проект около 2500-3000 строк на ST, стоит на ББП, работает очень стабильно. За рекламу мне, к сожалению, ОВЕН не платит:), но тем не менее, приборы у них классные, для среднего масштаба автоматизации — топчик. Сименсоиды со мной конечно же не согласятся:).
zentec, pixel имею в окружении, но на более простых установка, они стабильны. ПР200 периодически подвисает, Возможно не может справится с многочисленной навеской(чисто по железу) Либо с ПО не все впорядке(одинаковое на все установки). На RS485, 4 датчика и частотный привод. 3 датчика температура влажность, смесительный узел на отоплении. 6 ступеней электронагрева, 4 ступени холодильник, 2 ступени увлажнитель, еще режим осушения… Сам запутался))))
Вряд ли он подвисает, у него вообще этого случаться не должно. Наверное надо поковыряться в программе. Даже интересно программу глянуть:)
Подрядчик не дает программу)))) царицами соблазняли… ни в какую.
Хуже нет таких проектов. Коммерческий проект, часто сталкиваюсь с этим. Закрытые библиотеки и прочее…
Не ну всë хорошо расписано, вот только не огласили стоимость данного девайса.
Стартовые модели пр100 (чего для домашней автоматизации может быть уже более чем) начинается от 6₽. Этот прибор пока не продается, его я выпросил на обзор. Боюсь даже предполагать, но, как мне кажется, этот прибор похож по ттх с пр103, но имеет дисплей, и цена будет +- сопоставима с пр103 + дисплей, но это лишь мои предположения.
Ну раз вы в таких хороших отношениях с производителями спросите пожалуйста у них о цене и предполагаемом сроке начала продаж.
Сегодня стартанули. owen.ru/news/start_prodaj…displeem_i_ethernet_pr205
Оооо да, очень смотрю демократичная цена.
Раньше столько полноценный контроллер от Омрона стоил… А реле програмируемое от Шнайдер можно было 6 канальное купить меньше 15 тыс.рублей.
Раньше и трава была зеленее:)! Для нужд жкх — вообще бюджетное решение, для домашней автоматизации, нормальная цена, джет хаб сейчас под 11₽ стоит, но это и не контроллер. Ну и какие варианты? Что есть то есть, в конце концов я описываю продукт, а не ценообразование, и конечно же никак повлиять на него не могу. ПР200 в максималке стоит 16₽ (для осмоса не беру в пример), тут тебе и hmi и ethernet, и fdi. Если всё это не требуется — пр100 + homeassistant, ну и блоки расширения, например контроль линий 220, в случае с бистабильными реле — обязательная штука, нужно расширить di/do — так же доп модуль, можно китай, можно овен прм (удобно и красиво). По цене могу лишь отметить то, что аутбек не так давно стоил 1.6млн, а сейчас 5.5млн, всё подорожало. По качеству продукта, пользовал я сименс, не знаю чем он зашел многим людям, по мне — овен крутыши, к тому же ещё и наши, не опрокинут с сервисом, это важно, паял несколько месяцев назад сименс s200, всё ломается.
Сименс работал при любых условиях, так же как и Ханивел и Омрон. Промышленная автоматика 70-80 годов.
Они там 120В переменки то хоть убрали с 485? Или до сих пор так и тянется это?
:) С каких пор:)? У меня ПЛК150-ый, на тестовом стенде, старенький. Было дело, сжег ему rs485 китайским вольтметром, попросил в поддержке схему, прикрепляю. Может я чего-то не понимаю, просто своё радиоконструкторское образование не практикую, как там может быть 120 Вольт в интерфейсе? Какой фиксик их туда заносит?
За ПРки не знаю, не приходилось с ними работать. А, например, на ТРМках до прошлого года точно у них на 485 такая подстава болталась. Поэтому и конвертеры 485-com/usb только с гальванической развязкой к ним можно цеплять
Про трм ничего не скажу, пр и плк все собраны примерно по предоставленной схеме.
Если не лень будет — тыкнись мультиметром в шину 485 в режиме переменки. Прям очень любопытно, что покажет. На ТРМках и их предшественниках, если мне память не изменяет, минусовая 485 на общую шину питания уходит, от туда и 120В переменки возникает. Но могу ошибаться, на слово мне в этом не надо верить ))
UAZ-Hunter
Если не лень будет — тыкнись мультиметром в шину 485 в режиме переменки. Прям очень любопытно, что покажет. На ТРМках и их предшественниках, если мне память не изменяет, минусовая 485 на общую шину питания уходит, от туда и 120В переменки возникает. Но могу ошибаться, на слово мне в этом не надо верить ))
по 205-ому чуть позже фото сделаю, разобрал его пока, изучаю
Выходит, тут такого косяка нет, как на ТРМках. Это хорошо.
С Овенами был знаком в 2020, на их мощностях строились самые дорогие коттеджи нашего города. Как по мне — одна из тех вещей, где за отечество не стыдно. Удобно, что можно взять контроллер с нужными шинами, дискретами и аналогами, не парясь о количестве входов и выходов — все добивается модулями расширения. Через спрутхаб система красиво рулится с айпада. По отказам статистики не слышал, хоть я и мало с ними был связан.
Очень интересно но не хрена не понятно) комментариев не надо, вникать не вижу смысла!
Привет Юр. Можно рассказать на бытовом уровне нафига он нужен?)
:) привет! Если брать бытовой уровень — то он нужен для того, чтобы построить умный дом. Простой пример: 4 лампы, 1 нажатие на выключатель, включает первую лампу, второе — вторую и так далее. 2 быстрых нажатия выключает все лампы, 3 быстрых нажатия зажигает лампы по диагонали. Любой придуманный тобою сценарий, абсолютно любой, контроль давления в системе отопления, водоснабжения, температуры теплоносителя, подачи и обратки теплого пола, работы скважного насоса и прочее. В случае выхода параметров принятие действий, отправка уведомлений. Вся суть этого контроллера в том, что он чрезвычайно стабилен и надежен, в отличии от новомодных линукс мини пк на дин рейку, он не зависнет, он выполняет свой цикл. А если ещё более правильно — вероятность отказа у контроллеров такого типа крайне низка. В общем — для «умного дома»:).
Все это реализуемо на основе home assist i zigbee. Ваш комбайн в бытовых/домашних условиях не нужен от слова совсем, как и zont…разница в бюджете колоссальная. Zigbee позволяет модульно построить все что захочешь
Друг мой, Фёдор, ты абсолютно прав, и если ты провалишься немного вглубь моего БЖ, а может даже сможешь перейти по ссылкам в Дзен, то увидишь, что про линукс контроллеры и Home Assistant я уже подробно рассказывал, и про ZigBee и про ModBus в среде Home Assistant и кое что ещё. Но всё это является не ответственной автоматизацией, и поверь мне, Линукс ПК имеет свойство зависать, Home Assistant не стабилен (тут тебе надо почитать про щит в моём доме, есть в БЖ), а ZigBee датчики иногда выпадают, так бывает, ведь ты же знаешь как работают эти протоколы, какие именно пункты модели OSI использует этот протокол, какие помехи бывают и как с ними бороться, какой фремы посылает сервер, и как происходит борьба с помехами, с чего начинается посылка, какой адрес присваивается и прочее, прочее.
Всё это я к чему, Фёдор, а вот к чему. Есть такое понятие как Reliability function, ну или на нашем языке — вероятность отказа, так вот, вероятность отказа контроллера на Линукс (из говна и палок, самосборы и прочие чудеса) очень высока, и если вдруг у тебя потечет труба, а ты на 27-ом этаже, и контроллер с Home Assistant, не важно, Core или Docker, у тебя зависнет, то будет не очень приятно, ну как минимум тебе и 26 этажам ниже. К тому же, управление вентиляцией требует стабильности, я уж молчу про пожарную безопасность.
Но, безусловно, суть в твоих словах есть, Home Assistant в системе может потребоваться! Это отличная система, которая может работать на не ответственные автоматизации, шторы открыть например. А так же, это отличная а-ля SCADA система, при помощи которой мы можем, в удобном интерфейсе, мониторить и управлять надёжным ПЛК, главное слово — надёжным! Ну и в конце концов, посмотри сколько стоит ПР100, о каком удорожании может идти речь?
Ты лично на свой счет не воспринимай, я не хочу тебя обидеть, и верю что ты всё это и без меня знаешь, но такие вопросы возникают в любой статье, стоит написать про Home Assistant, тебе 1000 раз напишут о том, что шлюз акара всё сам решит через китайские сервера, напишешь про ПЛК, тебе напишут и про акару и про хом ассистант.
Прежде всего я пишу это для всех, и для тебя, чтобы ты знал что и так тоже можно, возможно это, пока, не твой вариант, но я ставлю лишь одну цель, рассказать и показать как можно. Поверь на слово, я дорожу своей репутацией и своим словом, и не преследую цели заработать на рекламе или на прямых донатах от производителя, это моя жизнь. Подписывайся на мой Дзен, там информации больше. Хорошего тебе дня!
mdems
Все это реализуемо на основе home assist i zigbee. Ваш комбайн в бытовых/домашних условиях не нужен от слова совсем, как и zont…разница в бюджете колоссальная. Zigbee позволяет модульно построить все что захочешь
зигби конечно хорош, но у него проблема в том, что многие производители не считают нужным полностью соблюдать все необходимые требования. Многие датчики даже от крупных производителей иногда такую дичь творят…например акаровские плохо (или даже совсем) умеют переключаться с одного роутера на другой, а это чуть ли не основа работы стабильной зигби сети. И таких ситуаций масса.
Для некритичных вещей, хорошая вещь. Но для ответственных сценариев не самое лучшее решение.
AntonioBanderus
Привет Юр. Можно рассказать на бытовом уровне нафига он нужен?)
И да, он прост в освоении:)!