Добрый день Хондаводы! Расскажу я вам о том как я менял втулку рулевой рейки(электронной). И небольшой фото отчет.
Ну для начала мы имеем:
1) Accord 2008 года CU1 т.е. 8 го поколения с мотором 2.0, пробег 31340 тыс.км.
2) Стук в рулевой рейки.
3) Гараж с ямой и инструмент.
4) Свободное время и упертость.
И так поехали!
Заезжаем на авто мойку видим длинную очередь, нет желания ждать, машина вроде бы чистая…(далее я пожалел о том что не помыл под арками!) и едим в гараж.
Заезжаем в гараж, домкратом поднимаем правую сторону авто и снимаем колесо.
Снимаем правый рулевой наконечник тяги, далее снимаем пыльник и саму тягу.
Видим что втулка стоит в гайке а гайка вкручена в корпус рулевой рейки, и вЫпрессовывается втулка во внутрь т.е. в сторону левого колеса, засада! при ремонте рейки на Пассо (авто жены) втулка стояла в корпусе рейки и вЫпрессовывалась в сторону правого колеса т.е. наружу и это было очень удобно и ремонт не составил труда! В нашем случае все сложнее!
Перекурив это дело, принято решение, в бой!
Берем кусок картона, делаем шаблон гайки (гайка имеет четыре отверстия по окружности расстояние между отверстиями 36мм по центрам, отверстие 4мм) едем на работу, берем болванку на 60мм делаем из нее шайбу 60*5 мм. Просим токаря сделать риску окружности в 36мм и поделить окружность на 4 части, далее берем сверло 4 мм и делаем 4 дырки, далее берем гвоздь 4мм в диаметре и отрезаем от него 4 шпильки по 12мм. Берем заготовку, шпильки и идем к сварщику, вставляем шпильки в отверстие и прихватываем их сваркой, в центр привариваем гайку на 30, все спец ключ готов! едем в гараж и благополучно его ломаем! И так весь день, ломались шпильки а гайка не тронулась с места!
На второй день сделал последнюю попытку изготовить спец ключ из трубы 40, результата нуль! Руки опускались, ничего не хотел уже делать, сижу курю и смотрю на злополучную гайку в рейке и понимаю что есть способ заменить втулку без окручивания гайки!
Рулевая рейка Accorda 8 CU1 состоит из 3х разборных частей и 3 часть это часть где стоит гайка и втулка. Едем в магазин, покупаем ключи звезды с отверстием в центре. Брызгаем ВД 40 и ждем. Через минут 15 срываем болты и откручиваем 3 часть рейки от корпуса авто, выворачиваем руль вправо, скидываем клемму с АКБ, снимаем конектор с 3й части рейки, берем проволоку и за уши цепляем таким образом чтоб проволока проходила через центр и одевалась в позы (контр гайки) штока.
Делаем оборот руля влево и 3я часть рейки выходит вместе со штоком, убираем проволоку и достаем деталь. Берем новую латунную втулку размером 27*24*19 деталь от рейки и идем к соседу в гараж, там есть пресс)))) Аккуратно выприссовываем старую втулку и также аккуратно впрессовываем новую. Радуемся)))! И идем обратно ставить.
Одеваем деталь на шток, аккуратно вдавливаем ее на место, сразу она не садиться на место, закручиваем болты (звезды с дырками) и потихонечку их стягиваем через один, все села на место! Ставим болт крепления к кузову, одеваем тягу, пыльник, АКБ, колесо, заводим, едим радуемся!))) Стука нет.












Комментарии 144
Спасибо за полезную статью! Несколько вопросов:
1) Какие размеры должны быть у втулки? На фото у родной втулки 27*24,4*10, у новой 27*24*19 и еще одна 27*24*15, на чертеже наружный диаметр 30, каким он должен быть? Ширина может варьироваться в этих диапазонах?
Внутренний диаметр лучше 24 или 24,4?
2) Тепловой разрез на родной втулке — нужен ли он на новой?
Добрый день. Чертёж гайки взят как пример из соц сетей, наружный диаметр в ней увеличен для установки втулки из полипропилена.
Размер новой втулки под заводскую гайку 24х27х15.
Есть втулки заводского исполнения фирмы SKF с аналогичными разменами. посмотрите в продаже.
Подскажи диаметр отверстий в гайки четко 4 мм? Просто собираюсь сделать сьемник заранее, надо знать возможно ли использовать сверла 4.2 или 4.5 вместо штивтов?
Привет. Уже и не помню. Вроде бы четко 4 мм отверстие.
Просто у многих смотрю при откручивании разбивается отверстия, подумал можно чуть больше штифт сделать.
Гайка очень туго сидит, на клей посажена.
С латуни же нельзя делать… Сколько отходила ?
Не подскажеш артикул ?
То мы смотрели в газине, они не могут найти(((
Подскажите где мне заказать втулку?
У токаря. Или в магазине.
Столько лет прошло уже.
Расскажи как себя ведет втулка и что с валом?
Я просто уже после бронзы и латуни валы ремонтрую… Выработка в месте трения идет и образуется "шейка"
Как у тебя обстоят дела с этим?
Сейчас у себя на производстве применяю втулки, изготовленные по технологии завода, с напылением слоя при высоких температурах. Вроде ходят по 30+ тысяч и не вырабатывают вал
А не пробывал с начало подтянуть ее?
Подтяжка рейки, лишь отсрочит вынужденный ремонт.
А если учесть, что подтягивается слева, а стучит справа то это как чесать пятку при больной голове…
Никого не смутило, то что на втулке имеется тепловой разрез?
Приветствую. У меня такая же ситуация с рейкой, собираюсь точить втулку из капролона, материал уже приобрел. Скажите пожалуйста на сколько нужен ключ для снятия рулевой тяги который находится под пыльником, а то у меня таких ключей нет надо будет спрашивать у знакомых. Не хочу быть не подготовленным). И еще вопрос вы выточивали втулку в "0" по размерам или с небольшим натягом?
Втулку вытачивать с минимальным допуском. Не помню размер, заедь на сто спроси, такой ключ не найти в магазине. Нужно изготавливать.
Понятно, спасибо.
Спасибо за статью! Сегодня поменял. Поставили 27*24*15 латунь в ноль. Идеально подошла. Гайка выкрутилась без проблем и спецключа.
👍
Серёг подскажи, если шток диаметром 24 мм, то втулка с внутренним диаметром 24 мм подойдёт?
Шток должен быть меньше 24 мм.
Так конечно втулка не сядет. Если 24-24.
Она должна свободно входить и не болтаться.
Romka-K
Спасибо за статью! Сегодня поменял. Поставили 27*24*15 латунь в ноль. Идеально подошла. Гайка выкрутилась без проблем и спецключа.
Подскажи где брал в Воронеже втулку?
На заводе заказал. Но, и 10 тыс не прошло- застучала опять. Хочу купить SKF попробовать. Нашел в наличии в мск стоит рублей 100.
Ruccord
Подскажи где брал в Воронеже втулку?
Поставил SKF PCM 242715 E
встала хорошо, люфт совсем небольшой остался (тут уже шток наверно сработался) По идее лучше медной.
Сколько проехал на втулке skf?
SKF тоже стучать начала
Ruccord
Сколько проехал на втулке skf?
примерно 5000
Добрый день ! А с левой стороны втулку не меняли? Не в курсе там какие размеры?
Там нет втулки.
А почему тогда люфт появился?
Потому что втулка с правой стороны раздолбалась. От сюда и люфт.
Подтяжка рейки это временное решение проблемы.
Странно, рулевая тяга люфтит с лева у меня а вот с права люфта нет, это значит всё равно эта втулка?
Привет ребята! Подскажите пожалуйста? Где можно приобрести данную втулку для ее замены? Или найти такого специалиста чтоб выточил?
Втулка сухого скольжения skf 24/27/20
Вообще ее можно где-то заказать в сети? Спасибо.
Ok Google, где купить втулку сухого скольжения skf 24/27/20.)))))
Добрый день! Поставили втулку на 19 — ход руля стал тугой, при повороте сам не возвращается. Протачивать, или сам притрется?
А вы сухарь попробуйте отрегулировать по регламенту.
Вероятнее всего, до Вас уже кто то сухарь прижимал. А сейчас вы новую втулку поставили и у вас пережат сухарь
Спасибо. В понедельник теперь глянем.
Подскажи пожалуйсто на Рейхстаге такая же втулка?
Да имея же
Himik555
Подскажи пожалуйсто на Рейхстаге такая же втулка?
Прошу прощения, Да такая же втулка и на CU2
Да
Подскажи! Втулку подогнал, поменял на выходных встала плотненько, но теперь кажется что с водительской стороны брякает! там где-то она поттягивается? Есть опыт? или мануал как правильно подтянуть?
Ok Google, как правильно подтянуть рулевую рейку? Найдено море информации : cartore.ru/270-mozhno-li-…yazhki-rulevoy-reyki.html
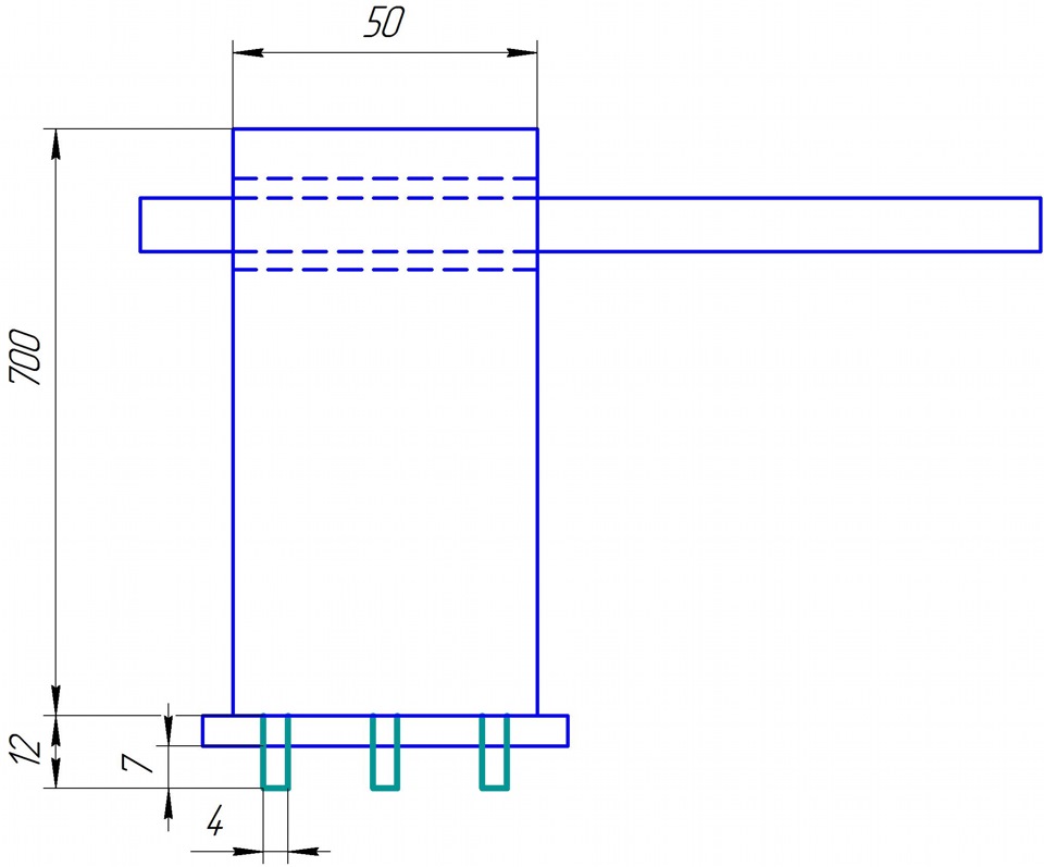
Решился опять победить рулевую ! приехал к токорям сделать ключ для гайки и выяснилось в изучении рисунка ! что наружный диаметр фтулки 30 с различными допусками при прессовки, а не 27 как вы написали ! на что указывает чертеж гайки ! и можно узнать где вы его взяли ?(чертеж)
Чертеж из сети, не помню с какого сайта.
Чертеж гайки с учетом новой фторопластовой втулки.
Заводская гайка имеет посадочный размер 27 мм.
Замечание — мало того что метод стремный, но из второпласта точить нельзя ! Второпласт — теплозависимый материал, на морозе будет закусывать, а на жаре — отпускать. Точить из капролона, это минимум.
RADUZHNIK
Решился опять победить рулевую ! приехал к токорям сделать ключ для гайки и выяснилось в изучении рисунка ! что наружный диаметр фтулки 30 с различными допусками при прессовки, а не 27 как вы написали ! на что указывает чертеж гайки ! и можно узнать где вы его взяли ?(чертеж)
Ну так и что в итоге ? :) у тебя рейка с ФтулкоЙ на 30 ? Какая то особенная ?
втулку пол дня точил нождачькой внутреннюю сторону съездил в Крым и всЁ ! после зимы отдам на сервис пусть перебирают ходовку!
24*27*20
Да 24*27*20.
27*24*10-20 ? неее ?
Я точил из латуни на заводе у дяди "ВАСИ" по твоему мануалу
две одна с допуском вторая в ноль 27*24*17
Какая то из них не встала… какая не помню
Землячок, подскажи на 2.4 кпп 5at, размер втулки такой же?
Рейка одна и та же Аккорд 8
Спс!)
делал две втулки — у разных мастеров допуск в ноль
Значит размер штока другой, нужно замерять.
Уже реек 20 сделали по этим размерам и без проблем.
т.е у вас не оставлен тепловой зазор, между втулкой и током рейки.
При повороте руля, шток закусывает втулку и выпрессовывает ее во внутрь.
сделал втулку 27*24*15 после того как разобрал оказалось что она болтается и в 3 части и на валу! пришлось запресовать старую !
значит плохо вперсовал или допуск слишком большой был.
Я съездил на диагностику, сказали рейку под замену!слушай подскажи как выкрутить эту гайку которую ты не смог открутить?и где выточить такую втулку?не в курсе она отличаются чем то 7электро правый руль и 8электро!
Наконечники и тяги без люфтов?!
Смотри крестовины рулевого вала, подожми сухорем рейку.
Подскажи у меня аккорд 7правый руль, стука особого нет, а вот люфт в руле появился и приходится ловить машину на скорости!подскажи может есть какой нибудь болт регулировочный?!
Рулевые тяги выкидывай и наконечники, ставьте новые. Плюс развал и будет счастье!
Oleg1987AB
Подскажи у меня аккорд 7правый руль, стука особого нет, а вот люфт в руле появился и приходится ловить машину на скорости!подскажи может есть какой нибудь болт регулировочный?!
Схождение простите, ошибся
Доброго времени суток:) подскажите кто в курсе: втулки по таким размерам продаются или их нужно изготавливать?)
Продаются и изготавливают. По гугли skf 24*27*20
Здаров, ну что как себя ведут втулки? а то я тоже с такой проблемой столкнулся, хочу по твоим размерам сделать втулки и поменять…
Все окей. Делай все по чертежам. Будут вопросы пиши.
на 7й что нить придумали?
Можно менять вместе с маслом по пробегу:-D
Это точно! Втулка как расходник)))
Опять поставил SKF. Опять тишина. Вопрос — на долго ли?
Ну ты уже опытный в эксплуатации skf.
stas19rus
Опять поставил SKF. Опять тишина. Вопрос — на долго ли?
Привет у меня тоже стучит что за подшипник.Подскажи что сделать?
Поехал тормошить токарей :)
Попробовать из латуни?!
Ну у меня уже больше 20 тыс ходит латунь.
Вся подвеска в идеале. Из за рейки поменял все вокруг нее.
Поменял родную втулку на подшипник сrольжения SKF, хватило всего на 12000 км. Придется опять туда лезть.
А точно втулка? Может что то другое стучит?..
Или легче все таки сделать из латуни?И нужно ли при таком раскладе стопорное кольцо?
Легче из латуни, капралон в толщину 3мм не сделаешь! Сломаешь изделее на токарном станке. Делай из лотуни, будут вопросы пиши. Не нужно там стопорное кольцо если втулка впрессована.
Там какая нибудь смазка нужна? Понял значит из латуни буду делать.
Для прессовки смазка не нужна, а вот шток рейки можно графитовой смазкой испачкать.
Добрый день. Подскажи пожалуйста. Я собираюсь завтра заняться рулевой рейкой. Хочу выточить втулку из капралона(он вроде как заменитель латуни) Вы писали про стопорное кольцо. Оно ставится со стороны гайки или с обратной стороны( т.е. надо укорачивать саму втулку, стопорное кольцо намного больше по размерам?)? И размер 24 ровно? Был бы очень признателен если объяснили поподробнее.
Там нет стопорного кольца вообще. Втулка впрессовывается.
Выше в коментах вы обсуждали стопорное кольцо. То есть если сделать втулку по ваим размерам просто впрессовывается? И как думаете подойдет ли для этого капралон?
Там стопор в гайке, в которую пресуется втулка (уменьшение диаметра) фото 9 посмотри увидиш.
auto082
Выше в коментах вы обсуждали стопорное кольцо. То есть если сделать втулку по ваим размерам просто впрессовывается? И как думаете подойдет ли для этого капралон?
В коментариях речь шла о втулки из фторопласта, если ставить не металическую втулку, то нужно колхозить стопорное кольцо. Чтоб втулка во внутрь не выпала…
Еще один маленький вопрос — подскажите а чем ограничевается высота втулки в 19мм во что она упирается?
Глубина посадки втулки ограничивается демпфером. Смотри фото 6 и 7 в отчете.
Будут вопросы пиши! Удачи
Спасибо за совет, и за подробную инструкцию, сам бы не полез
Все верно)))
Теперь надо отвернуть ту гайку, которая ни у кого не отворачивается :)
тут подсказали как вариант накернить с внутренней стороны края гайки, но чего то как то жестко это
Ну хочешь запароть рейку, накерни. Если хочешь сделать грамотно, выточи стопорное кольцо.
да такое же как у Вас 27*24,2*19 для стопорного кольца необходимо паз протачивать и втулку по длине укорачивать
24.2 это много ))) Как выточил 3мм стенку из фторопласта?
Ну сама рейка которая тягу толкает
Все понятно, нужно стопорное кольцо ставить с внутренней стороны рейки. Какой размер фторопластовой втулки ты поставил? В заводской втулке тефлоновое покрытие.
Сделал втулку из фторопласта. Все тоже самое, — одна беда втулка вытаскивается скалкой из посадочного места. не знаю как решить эту проблему. может кто подскажет. заранее благодарен.
Бронзу не стал делать так как у нее коэф трения на много выше. у родной втулки внутренний слой из какого то мягкого материала, — он даже ноктем продавливается.
Не совсем понял проблему, какой скалкой?
ТЫ бог)))
и ко мне на стенд заедишь, я тоже тебе скажу сразу где и что снимали. Проверял развал до снятия и после-отклонений нету))
Из опыта))
Схождение не надо делать в том случае, если откручиваешь тягу ключом с моментомером))) и с таким же моментом закручиваешь! Я закрутил до упора, и контр-шайба встала на тоже самое место, и даже так не попал, заехал на стенд, и мне мастер сразу сказал что правую сторону снимали. Ну а так вообще дело Ваше, не жалко резину, не делай.
Развал делать НЕ НУЖНО, если снимаешь не наконечник, а всю тягу в сборе.
Откуда такая уверенность?
если "рулевой наконечник тяги" снимать полностью то развал надо делать? или ничего не нарушается?
Надо делать развал. Не попадешь на прежнее место.
Автор молодец!
мануал готовый по рейке для 8 бояна)
Денис спасибо! Думаю нужная информация!
Ну Ты Красавчик!
Спасибо Вадим!
отличный отчет, прекрасная работа, бесценный опыт!
респект!
Спасибо Владимир! Удачи на дорогах!
Комментарий удалён
спасибо
Не за что! Пробуй, если не пойдет, то ломай ее нафиг! Потом новую токарь сделает, время только тратить на нее. Я бы так и сделал, если бы не допетрил разобрать рейку на части.
а как ее сломать не повредив рейку? я бы давно уже сломал
Ну я бы взял хорошее сверло по металлу и насверлил бы в ней дырок))))) снял бы напряжение на резьбу и выкрутил зубилом.
XaLeRuK
а как ее сломать не повредив рейку? я бы давно уже сломал
Там главное резьбу не повредить в рейке.
Сверла не гнуться, они сразу ломаются, у тебя гнулись в местах сварки(наверное).
Делай из сверла, длину шпилек сделай 11-12 мм (они торчать будут из шайбы 6-7мм), в место гайки привари трубу 40мм (наружний) длинной 700мм (она за арку выйдет) на конце отверстие в трубе чтоб можно было еще одну трубу вставить и пробовать крутить. Я так хотел сделать но потом по другому пути пошел. Дюбель тоже мягкий, есть гвозди для пневмопистолета 4мм.
Трубы у меня эти в бублик заворачиваются, я просто придумал уже что сделать… Надо было на твой 1 чертеж просто 3 глазом посмотреть. В шайбе 4 дырки и шайбу на гайку
Ну да на чертеже первом гайка изображена))) Только удлинитель придется использовать. А с трубой по мощнее будет.
головка с трещеткой
Сделай сразу два))))! С гайкой и трубой! Попробуешь трещеткой а если не пойдет то трубой с рычагом побольше!
Тока щас вдуплил что в шайбе можно сделать 4 дырки и ее приварить к гайке и головкой открутить
Только используй гвозди от пистолета, я использовал обычные и их гнуло. Можно сверло попробовать.
сверла у меня гнуться, гвозди от пистолета в смысле дубеля?
Смотри чертеж второй, как то так.
Мать моя женщина, почему на 7 поколении не так просто… Посмотри пожалуйста у меня в блоге последнюю запись может что подскажешь…
Я так понял что ты тоже не можешь выкрутить гайку?
На 7 Accorde нет возможности выкрутить как у меня? Попробуй вот такой ключ, я таким пытался выкрутить. (чертеж)
XaLeRuK
Мать моя женщина, почему на 7 поколении не так просто… Посмотри пожалуйста у меня в блоге последнюю запись может что подскажешь…
Ну или на крайняк, сними рейку и рассверли гайку и выбей аккуратно чтоб резьбу не повредить. А потом выточи новую гайку, ссылку кинул в личку.
Дружище ты гений, ОГРОМНОЕ СПАСИБО
Как все таки выкрутил гайку подскажи предстоит сия процедура?!
сначала попробуй просто утканосами или небольшим зубилом с молоточком, если не пойдет, то на трубу наваривай 4сверла
Подскажи еще втулка на наших рейках такая же как на 8 или другая?всмысле размеры?
насчет этого не подскажу. А у тебя не гидрач?
У меня правый руль!электро как у тебя!размеры втулки помнишь?
на дроме в форуме искал