Всем привет.
Купила в хорошем состоянии очень старенький cd- чейнджер Пионер. В хорошем снаружи, но с неприятностями внутри. Про эти неприятности узнала уже после покупки. Хочу восстановить.
Долго расписывать всю историю сейчас не буду и сразу перейду к делу.
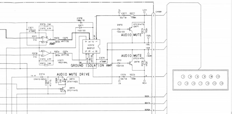
Вот плата и на ней сгорел NPN транзистор.


Сгорел DTC314TS. Это биполярный транзистор с резистором.
На схеме он Q971: Рядом его брат Q970 и он жив.

К этой плате подключается +12 вольт и земля. Второй разъем IP-BUS. Уже с этой платы уходит шлейф дальше и еще есть разъем на переднюю кнопку eject.
Почему сгорел транзистор выяснять пока не буду! Может разъем замкнули или подключали без магнитолы… Любой вариант возможен! С этим разберусь чуть позже.
Мне нужна помощь в подборе аналога. Своими силами мне не удалось найти и подобрать что-то похожее. Знаний у меня мало.
Вы помогли советом. Я могу купить какой-то транзистор и к нему резистор.
Резистор у него грубо говоря на средней ноге (Базе).

и можно сделать так:

Пожалуйста, помогите найти максимально похожий аналог DTC314TS. Вроде подходит KRC233M, но его тоже нет.
Любые варианты, которые смогут его заменить.
Мне доступны магазины в СпБ. На алишке тоже смотрела и не нашла.
Будет хорошо если вы сразу поможете ссылками на транзистор.
Спасибо вам огромное!
Дополняю.
Сегодня еще раз разобрала чейнджер и сверху подоткнула все разъемы на самом механизме. Там их много Лазер, пара моторов, микрики и т.д. Фото не сделала. Подключила магнитолу и питание +12 вольт.
Чейнджер опять заработал, но на этот раз диски он прочитал и нормально определился.
Всё заработало (воспроизводит) кроме светодиода на передней кнопке. Светодиод не горит. С этим еще не разбиралась.
Я подозреваю, что когда его спалили… мастер решил его разобрать и на обратной сборке не защелкнул какой-то разъем.
Теперь по измерениям.
От диодов В972 и D973 на ноги "база" транзисторов (пробитого и не пробитого рядом) приходит +12 вольт.
Показываю на фото.

+12 на этих контактах появляется если выключить магнитолу нажав на кнопку OFF.
Если включить магнитолу +12 на ноге "база" пропадает.
На ногах "коллектор и эмиттер" ничего нет. Мультиметр показывает 0.
Еще дополнения.
Заглянула в устройство кнопки.


Светодиод отсутствует. распайка под него есть, а самого нет. Это странно! Смотрела видео и фото такого аппарата и там видно горение светодиода.
не могли же его забыть поставить)))
Жду ваши комментарии.

Комментарии 60
Диода явно не было. Ибо его линия питания тоже разорвана, cn992 отсутствует.
CN992 это скорее всего под разъем. Хотя… я наивно думала, что светодиод питается от 4 пина ( там написао Led) на разъеме, а тут перемычка стоит, земля на 2 пине. Проверила мультиметром пин Led, но на нем нет напряжения.
И идёт он на отсутствующий разъём cn992. Вероятно, от этого разъема шел отдельный провод для управления этим диодом. Через него плюс на диод и приходил. Только не понятно, зачем отдельные выводы делать для земли и диода, если они соединены просто. Ток там мизерный, несколько пинов для земли использовать смысла нет.
Тоже так подумала. Японцы…, что с них взять)))
Возьмите в закладки, полезный сайт, можно аналоги искать. alltransistors.com/ru/tra…istor.php?transistor=3341
Респект и Уважуха таким Женщинам!
Мы уже пообщались. Екатерина хочет видеть только то, что хочет.
Она видит разорванный в клочья транзистор и считает, что это и есть причина всех бед.
Спешу заверить: нет. Это тр-р мьюта. Он просто коротит сигнал и землю.
1. Если его порвало — на то были причины: откуда-то идёт напряжение.
2. От него вообще ничего не зависит. Даже без него должно работать. Т.е. для проверки этот тр-р ВООБЩЕ НЕ ВАЖЕН
3. ЛЮБОЙ для работы (НЕ ДЛЯ ПРОВЕРКИ) не подойдёт. Пачиму? А патамушта не закоротит нормально. Для того, чтобы "коротило нормально" тр-р должен быть "лоу сатурэйшн".
ИТОГО план действий:
— запустить без данного тр-ра
— проверить, есть ли там напряжение и откуда приходит? Может, изолирующий усилитель пробит, может со стороны приёмника идёт.
— сравнить с живым каналом.
— если всё живо, поставить что угодно с резистором.
— если не будет справляться, поставить 114, имеющийся в ЧД.
Я дополнила свой рассказ. Диски теперь определяются и привод работает.
Проверила напряжение на ногах транзисторов.
+12В на базах — это включен "мьют". Тр-ры включены и коротят сигнал. Если +12В пропадает, мьют отключается — д.б. сигнал.
0 на Эмиттерах — хорошо. Как бы, земля … . Или не земля? Что там под микрухой написано?
0 на коллекторах — как это ни странно, тоже хорошо. Наверное. Вопрос, сколько там должно быть? А … ну, 0 и должен быть — там же конденсаторы!
Я так понимаю, что Диоды D972 и D973 питаются от диода D974. А на D974 +12. Судя по схеме.
Через Ку 972. Тут всё нормально.
Я справилась? Что теперь дальше?
Смотреть, есть ли сигнал?
Если нет, то где теряется?
Звук? Что такое сигнал и где его смотреть?
Если воспроизведение идёт, а звука нет — да, искать звук.
Может стоит сперва транзистор вернуть на своё место?
Он замыкает звук, когда звук не нужен. На работоспособность в целом он в первом приближении не влияет.
Поставьте любой с резистором. Свою ф-ю он исполнять будет.
Хочу сперва запаять. От слова "любой" мне уже плохо! Нет в магазине понятия "ЛЮБОЙ". Там есть марка, модель или артикул. Что-то из этого надо назвать продавцу!
Из советов я выбрала несколько:
DTC114TS — с резистором (или их там два) Вопрос.
2SC945 или 2SC1815 – надо с резистором на 10кОм
BC546B – у этого ноги надо разворачивать+ резистор на 10кОм
BC546С — у этого ноги надо разворачивать+ резистор на 10кОм
KSP2222ABU — у этого ноги надо разворачивать+ резист на 10кОм
Ноги у любого без проблем впаяются, одна же на висящий резистор, отогнёте ее и всё)))
katerinaorlova
Хочу сперва запаять. От слова "любой" мне уже плохо! Нет в магазине понятия "ЛЮБОЙ". Там есть марка, модель или артикул. Что-то из этого надо назвать продавцу!
Из советов я выбрала несколько:
DTC114TS — с резистором (или их там два) Вопрос.
2SC945 или 2SC1815 – надо с резистором на 10кОм
BC546B – у этого ноги надо разворачивать+ резистор на 10кОм
BC546С — у этого ноги надо разворачивать+ резистор на 10кОм
KSP2222ABU — у этого ноги надо разворачивать+ резист на 10кОм
Все "обычные" надо дооснащать резистором в базу.
И разверните. В чём проблема?
Потом заработает — закажете и впаяете штатный.
Не надо стараться делать всё сразу и красиво. Плохая примета. Должно сначала заработать "на палках".
Резистор впаяйте к диоду. или вообще к, э впаиваете в плату, а базу — "навесным" с резистором к диоду.
Кстати, проверьте диоды.
Bobby-ii
Мы уже пообщались. Екатерина хочет видеть только то, что хочет.
Она видит разорванный в клочья транзистор и считает, что это и есть причина всех бед.
Спешу заверить: нет. Это тр-р мьюта. Он просто коротит сигнал и землю.
1. Если его порвало — на то были причины: откуда-то идёт напряжение.
2. От него вообще ничего не зависит. Даже без него должно работать. Т.е. для проверки этот тр-р ВООБЩЕ НЕ ВАЖЕН
3. ЛЮБОЙ для работы (НЕ ДЛЯ ПРОВЕРКИ) не подойдёт. Пачиму? А патамушта не закоротит нормально. Для того, чтобы "коротило нормально" тр-р должен быть "лоу сатурэйшн".
ИТОГО план действий:
— запустить без данного тр-ра
— проверить, есть ли там напряжение и откуда приходит? Может, изолирующий усилитель пробит, может со стороны приёмника идёт.
— сравнить с живым каналом.
— если всё живо, поставить что угодно с резистором.
— если не будет справляться, поставить 114, имеющийся в ЧД.
Борис, я ей то же самое писал ещё вчера вечером.
Ну хочет человек попробовать поменять, пускай. Вдруг ей повезло и причина сгорания была в том, что линию выхода куда-то те туда подсоединили и там напряжение появилось. При том совсем не кислое — так разорвать транзистор это прямо от АКБ плюс подать надо.
Выходит, что повезло и моя чуйка вчера работала.
И хорошо, коли так.
Vaseeb
Борис, я ей то же самое писал ещё вчера вечером.
Ну хочет человек попробовать поменять, пускай. Вдруг ей повезло и причина сгорания была в том, что линию выхода куда-то те туда подсоединили и там напряжение появилось. При том совсем не кислое — так разорвать транзистор это прямо от АКБ плюс подать надо.
Человек хочет слышать только то, что хочет слышать, а не то, что говорят.
Vaseeb
Борис, я ей то же самое писал ещё вчера вечером.
Ну хочет человек попробовать поменять, пускай. Вдруг ей повезло и причина сгорания была в том, что линию выхода куда-то те туда подсоединили и там напряжение появилось. При том совсем не кислое — так разорвать транзистор это прямо от АКБ плюс подать надо.
Пары Вольт достаточно.
Вольт много и не надо. Необходимо, чтобы источник ток выдавал такой, чтобы транзистор не просто помер от перегрева, а разлетелся на куски.
Он сначала "спечётся", а потом взорвётся.
Обычно либо без внешних последствий, либо корпус с угольком.
Разлетаются когда питание попадает.
Ок. 2В не хватит. Хотя … такому шибздику …
Хватит вполне. Напряжение в режиме насыщения на нем доли вольта.
Главное, чтобы выходное сопротивление источника мало было. То есть шли они не от делителя напряжения из достаточно высокоомных резисторов. Тогда разлетится.
Просто мог отдать
Спасибо, но их уже нет. Мне не повезло.
Выкинул летом два, один был новый…на 6 СD
Ух тыыы…
Да ты просто ультрамегакрутой чел🤦♂️😁😁😁❗
Каким образом, этот твой суперпост может помочь❓
pdf1.alldatasheet.com/dat…/36452/ROHM/DTC314TS.html
Даташит у меня есть.
Между выходом D972 и базой Q970 впаяйте резистор на 10кОм, а Q970 заменить на любой обычный с похожими параметрами.
Я поняла, спасибо. Я же и прошу ткнуть на какой конкретно менять.
www.chipdip.ru/product/pn2222a Этот можно попробовать.
Еще раз посмотрел его можно, но у него выводы смещены относительно сгоревшего, надо что придумывать будет
KSP2222ABU + резистор на 10кОм?
Да, только выводы КБЭ на новом отличаются от сгоревшего, они местами изменены судя по даташиту, надо проверять.
katerinaorlova
Я поняла, спасибо. Я же и прошу ткнуть на какой конкретно менять.
Только выходы КБЭ надо проверить чтобы совпали.
Они не совпадают, у искомого коллектор в центре, что у маломощных редкость.
И я об этом, надо значит припаять перекрестием как то. Чтобы совпадали я не нашел такого.
Да там впаивается две ноги, база через резистор, так что выгнуть можно.
Есть в чип и дейле транзистор dtc114, там и резистор есть, и цоколёвка совпадает.
Ток допустимый меньше, но в данной схеме ток совсем не большой. Если только на линию постоянка от магнитолы не поступает.
Dartagnag
Между выходом D972 и базой Q970 впаяйте резистор на 10кОм, а Q970 заменить на любой обычный с похожими параметрами.
Вот так?
Да, между базой и диодом 972.
Комментарий удалён
Хаааа) по вашей логике тот, кто не скупает "хлам", имеет "пахаря"? Ну удачи вашему пахарю в глиномешении)))
🤣
Комментарий удалён
Вы бы слова выбирали, товарищ хамло.
Спасибо. Я его удалила
Правильно!
Поставьте любой маломощный n-p-n с 10 кОм резистором в базе. Он в ключевом режиме работает, какая разница?
Ну, в общем не совсем любой. Там у сгоревшего ток коллектора аж 600 мА. Конечно, не похоже, что в схеме он достигается, у микросхемы изолирующего усилителя максимальное напряжение 2 вольта и резистор 1,8кОм на выходе не позволят развить ток больше 1,1 мА. Возможно такой запас по току из соображений, чтобы не сгорел от наводок на линию. А может просто для пущей лучшести или экономическим причинам.
Но в общем случае лучше взять с близким током, чем думать, почему сгорел.
Транзистор "придавливает на землю" звуковой сигнал линейного выхода. Mute — приглушение звука, когда CD привод остановлен. Там ток менее 1 мА!
Да я согласен, выше то же самое написал.
Это я скорее девушке на заметку, что не всегда можно менять "в лоб" маломощный на маломощный.
2350
Поставьте любой маломощный n-p-n с 10 кОм резистором в базе. Он в ключевом режиме работает, какая разница?
Спасибо за совет. А какой любой? Я и прошу помощи в подборе.
2SC945, 2SC1815, BC547, 2N2222
2350
Поставьте любой маломощный n-p-n с 10 кОм резистором в базе. Он в ключевом режиме работает, какая разница?
Вот так?
Да.