Ford Fusion (America) (2G)
Ford Fusion (America) (2G) — автозвук, аксессуары, видео, визит на сервис, встреча, другое, ДТП, заправка, запчасти, колёсные диски, кузовной ремонт, мойка, наблюдение, налоги и пошлины, нарушение ПДД, обкатка, плановое ТО, покатушки, покупка машины, поломка, помощь на дороге, прикол, продажа машины, просто так, путешествие, расходники, рейтинг и продвижение, своими руками, соревнования, стайлинг, страхование, тест-драйв, техосмотр, тюнинг, фотография, шины, эвакуация, электроника на DRIVE2

Ушла в хорошие руки. Новому владельцу ни гвоздя ни жезла.
Коротенькое резюме по Форд Фьюжн — надежность и комфорт.





+18
фотографий
Всех приветствую! ✌️
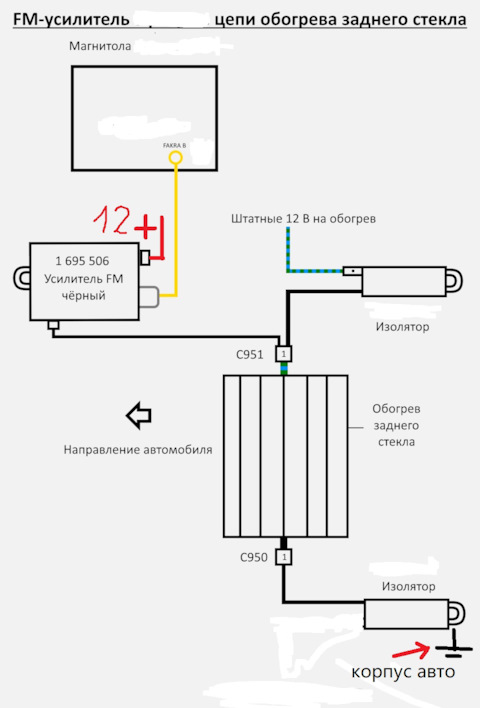
И снова прошла очередная неделя после крайней записи в БЖ.
В продолжении предыдущего поста :
https://www.drive2.ru/l/716664703715122160/
Часть вторая, теперь уже речь пойдёт пр…

есть такой лайфхак : если прокалить газовой горелкой покрашенные элементы термостойкой краской, то краска держится прилично дольше

Не знал. Спасибо 🤝 Буду иметь ввиду 👍😉

Смысла не вижу чистить ржавую выхлопную и потом ее красить. Серьезно думаете, что дольше проходит ?
Машины в продаже

Ульяновск
Ford Fusion, 2019
1 790 000 ₽

Грозный
Ford Fusion, 2019
1 500 000 ₽

Краснодар
Ford Fusion, 2020
1 550 000 ₽

Краснодар
Ford Fusion, 2017
1 700 000 ₽

Донецк
Ford Fusion, 2016
1 970 000 ₽

Сочи
Ford Fusion, 2017
1 370 000 ₽





+7
фотографий
Машина хорошая, я не избавляюсь, фаэтон нашел себе хороший поэтому и продаю Форд
Если Фаэтон упущу то Форд оставлю
19 год
1.5 литра
1.450.000 отдаю
Себестоимость
Форд в продаже. Купил гибрида. Беспроблемность Форда в этом помогла. Супер машина.





+4
фотографии
Были заказаны новые гайки так как старые страшные, да еще и под ключ на 18мм что не очень практично лично для меня. Приобрел хром гайки под ключ на 19мм, так же новые колпачки дисков, синие мне не оч…





+6
фотографий
Всем привет!
Приехал на заправку и при открывании крышки, послышался щелчок и крышка повисла. На драйве ребята писали о такой поломке, спасибо за подробный отчет, Zhanibek-04, вот и до меня дошло вр…





+6
фотографий
Захотелось старые ориги сбросить, так сказать.устали они, царапины и окисления.взял SKAD Original KL-375 18x6.5" PCD5х108 ET50 D63.35





+14
фотографий
Снова всех приветствую! ✌️
Стараюсь выкладывать посты каждую неделю, надеюсь для вас они будут очень полезными и познавательными 👌
Что-то я на Драйве вообще не нашёл информации по поводу замены го…





+5
фотографий
Всем привет!
Забрал сегодня диски после покраски, обул зимнюю резину, чуть раньше срока, поехал на мойку и довел до блеска машину а далее пофоткал.
Красил диски в славном городе Воскресенск, там ес…



+13
фотографий
Всех приветствую! 👋
В общем решил я добавить какую то изюминку в крышку багажника, дабы отличаться от других Фьюжн в потоке )) Их у нас с каждым днём всё больше и больше)
Возможно и баловство скаж…































































