KIA Sportage (1G)
KIA Sportage (1G) — автозвук, аксессуары, видео, визит на сервис, встреча, другое, ДТП, заправка, запчасти, колёсные диски, кузовной ремонт, мойка, наблюдение, налоги и пошлины, нарушение ПДД, обкатка, плановое ТО, покатушки, покупка машины, поломка, помощь на дороге, прикол, продажа машины, просто так, путешествие, расходники, рейтинг и продвижение, своими руками, соревнования, стайлинг, страхование, тест-драйв, техосмотр, тюнинг, фотография, шины, эвакуация, электроника на DRIVE2






+3
фотографии
Не нравился мне указатель температуры ож на нашей приборке и был приобретен китайский бк.
Расписывать по нем ничего не буду, все есть в инете давно.
В салоне разъема обд нет, долго думал как про…

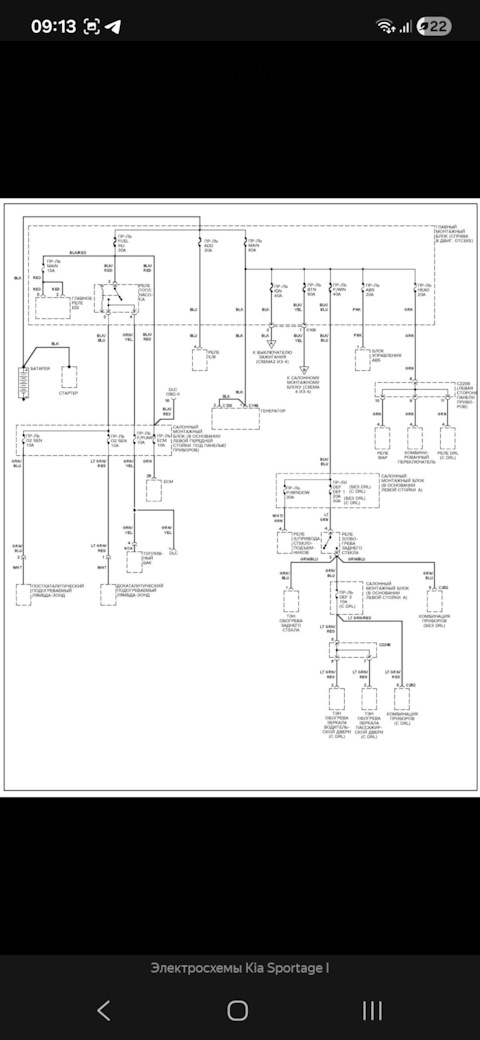
Привет, вижу ты знающий человек, хочу сделать ОБД в салон, подскажи если знаешь какие проводки и с какого жгута брать, или может они под панелью уже болтаются, просо нужно подключить

Всё зависит от комплектации, что там было на дорестах и тому подобных без разъема хз. А так берется разъем, выбирается место (установки), нужные провода интегрируются в проводку. Если нужен только к-лайн от ЭБУ, то всего три провода, +, -, и к-лайн от ЭБУ. Распиновка в faq вроде как была.

Так был переходник под рукой. И на бк обд фишка. Быстрее и проще просверлить было, чем на морозе возиться с проводкой😁 А в салон разъем обд теперь по теплу буду делать, тогда то и можно зацепить от эбу все)
Всем привет. Собственно вопрос в самом заголовке) Установил китайский бк, потом отдельно запись сделаю. И возник вопрос по температуре. При движении по городу температура поднимается до 93 и потом ре…





+2
фотографии
Ребята купил машину трупом не заводится перед этим стояла 5 лет что с ней не знаю не могу завести 5 день точнее она заводится раз через раз ну очень плохо на холостом ходу работает постреливает в глу…
Сегодня наконец-то дошли руки до стеклоподьемников. Задние не работали отстегнул кнопки замеряю напряжение как в мануале напряжение есть. Скидываю обшивку двери отщелкиваю фишку самого привода замеря…
Машины в продаже

Сургут
Kia Sportage, 2004
300 000 ₽

Сургут
Kia Sportage, 2005
189 999 ₽

Новокузнецк
Kia Sportage, 2001
200 000 ₽

Краснодар
Kia Sportage, 1999
380 000 ₽

Новороссийск
Kia Sportage, 2000
550 000 ₽

Каменск-Уральский
Kia Sportage, 1996
185 000 ₽
Реклама
Достались фары без корректора, есть ли смысл лепить в них корректор ?
Ночами груженный не езжу





+1
фотография
Стукнули морозы и как по щелчку пальцев печка, и так еле еле дующая, отказала наглухо.
Вернулся с дальней поездки (окоченевший)
Поставил машину, ну думаю, отойдёт.
Фиг там.
Попутно ещё выбило терморе…
Приветствую Всех спортажеводов. Может кто подскажет, в таком вопросе. При включении полного привода, всё работает под нагрузкой, в снегу гребёт, нормально. Но! Как только выезжаю на ровную дорогу, на…
Давно уже делал мозг бендикс на стартере. Решено было поменять стартер в сборе. Так как у меня выкинут абсорбер из под капота и демонтирован компрессор кондея, то чтобы вытащить стартер открутили пло…





+8
фотографий
После долгих поисков был найден наверное последний в стране сальник, оригинал, просто в яндексе наткнулся на какой то сайт, написал на почту. Магазин давно закрыт, хозяин продавал остатки. Ценник 590…
Всем привет! Практически два года машина стояла, летом починил, все было хорошо. Как настала зима, заметил что нифига не работает передний привод при включенных хабах. Подскажите, куда рыть и как пра…



























































