Lada Калина Хэтчбек (1G)
Lada Калина Хэтчбек (1G) — электроника на DRIVE2

Лет 8 назад купил на али три адаптера K-Line в синем корпусе.
К калине OpenDiag`ом все адаптеры подключились на-ура, вся диагностика в полном объеме по всем системам машины.
Так как адаптер позициони…

Вывод какой? АвтоВАЗ делает вещи😂





+9
фотографий
Всем привет. Тут начал свет пропадать, вернее не включается ближний. 😳 то включается 🤔.
МУС — это модуль управления светом 💡.
Сразу проверил предохранители, они целые. И проверил сразу МУС, ви…





+9
фотографий
Всем👋. Пришло время менять свечи, скоро зима. Но ! Я свечи менял последний раз лет 10 назад, наверное, не помню. Брал с сайта АЛФИ ПАРТС
никелевая свеча зажигания MS-MARSHAL cros…





+17
фотографий
Всем ✌️ привет. Пора менять лампочки в фаре, выбор сделан в сторону Маяк и это как галогеновые лампы Active Racing Vision +200%😳😉 . Артикул: 72420АРV+200
Упаковка пластиковый кейс, и дополнительн…

Тольятти
Лада Калина, 2010
400 000 ₽

Тольятти
Лада Калина, 2016
599 000 ₽

Ульяновск
Лада Калина, 2012
200 000 ₽

Южноуральск
Лада Калина, 2013
330 000 ₽

Кострома
Лада Калина, 2005
200 000 ₽

Буревестник
Лада Калина, 2011
295 000 ₽





+4
фотографии
Всем привет 👋. Так как в калине с завода axpeнитeльнo хороший с галогенными лампами я решил поставить led лампы, но мощности ламп x3 мне не хватало. Приехали мне несколько дней назад очень хорошие l…





+7
фотографий
Всем привет! Решил я все таки перейти с устаревшего по всем фронтам галогена на современные диодные лампы, да и поездив ночью между городами я понял что процентов 70 сейчас ездят на led лампах и я ср…
Народ приветствую, подскажите лампы в калину хорошие чтоб и в сырую погоду светил хорошо, и снег
Заранее всем спасибо.





+4
фотографии
Давно ничего не писал, решил описать установку противотуманок в штатные места.
Давно задавался вопросом, но была делема, как сделать, по штатке или как многие. Тем более все сложилось как нельзя…





+4
фотографии
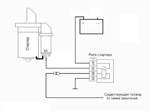
Всем привет, итак в субботу не завелась калинка🥺. И я офигел, все норм было же. Ок, у меня всегда лежат в багажнике пусковые провода, последний раз доставал лет 5 назад.
Сдал аккумулятор на зарядк…





+3
фотографии
Всем привет. Сегодня решил полностью разобраться с фарами, а именно с корректорами фар. Многие мне писали что во все виноват китайский МУС — по-большому счеты это стериотипный бред, но есть малая дол…





+14
фотографий
Всем привет! Продолжаю изучать принцип работы электрокорректоров фар на Калине 1. Благодаря многим из вас я смог сдвинуться с моюертвой точки и наконец-то появилось движение у электрокорректоров фар,…





+9
фотографий
Всем привет! Прошу помощи разобраться с этими чертовыми корректорами. Решил пойти путем устранения проблемных мест. В прошлый раз мне посоветовали заменить МУС. Купил сегодня МУС Калина 1 Люкс Китайс…





+5
фотографий
Всем привет! На дорогах общего пользования обязательно нужно чтоб спереди автомобиль обозначался дневными ходовыми огнями либо ближним светом фар. Из-за этого я всё думал как же сделать максимально п…