Nissan Leaf (1G)
Nissan Leaf (1G) — электроника на DRIVE2





+13
фотографий
Решил поделиться своими «страданиями» по ремонту мокрого отопителя.
Помер хитер, за ним пропала зарядка. Думал, попал на Чарджер, но дело оказалось не в нём, а в перегнившем в результате повреждения…

На днях ещё ремонтом кирпича родного занимался, после подключения к авто загорелась ошибка зарядки на кирпиче, достал блок управления, его потрясешь, в нем что-то болтается, кое как добыл плату из компаунда, неисправной оказалось мелкое реле 12 вольт, недовключало силовой контакт, он и болтался от тряски, заметил реле зарядка заработала, склеил лоток для платы и снова залил

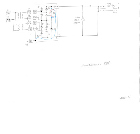
Повезло мне конечно, котел заработал, заменил резистор, lnk и конденсатор, площадки пропаял, извините что перепутал вас с другим человеком который вытащил и перебрал тены в котле, сейчас припоминаю возможную причину выхода из строя котла, машина была сильно во льду, обогревал в режиме рэди подключеную к зарядке, у нас к сети много станков ЧПУ подключено

эмэлтэшычка! лучи добра ))
Машины в продаже

Ачинск
Nissan Leaf, 2011
520 000 ₽

Нижний Ингаш
Nissan Leaf, 2014
745 000 ₽

Свободный
Nissan Leaf, 2012
400 000 ₽

Томск
Nissan Leaf, 2016
850 000 ₽

Партизанск
Nissan Leaf, 2016
650 000 ₽

Братск
Nissan Leaf, 2012
570 000 ₽
Реклама
Всем привет. Только приобрел сие чудо. Но без рабочего зарядника, родной в багажнике. Думаю какой купить лучше. Электричество 380 у меня.
Я так понимаю больше 4 кВт сам авто не возьмет, поэтому регул…





+2
фотографии
Поучаствовал в процессе адаптации американского кирпича на 30А для работы от наших сетей.
Ранее с такой проблемой не встречался, было интересно и необычно. При подключении к нашим сетям на фазу и нол…





+4
фотографии
Комплектация моей машины не предусматривала наличие противотуманных фар (нет проводки и подрулевого переключателя). На мой взгляд, заглушки в бампере выглядят не эстетично ;)
Купил на разборке оригин…
Товарищи лифоводы! Может кто-то сталкивался с такой проблемой.
Сбивается время на приборке. Когда настраиваю, все четко но на 2-3 раза. На 4 раз когда запускаешь машину, время сбивается на 6 часов 9…
Товарищи лифоводы из Южно-Сахалинска подскажите где у нас можно установить автономный подогреватель в салон? Родная печка жрёт батарею как не в себя…))



















































































