Volkswagen Passat B3
Volkswagen Passat B3 — электроника на DRIVE2




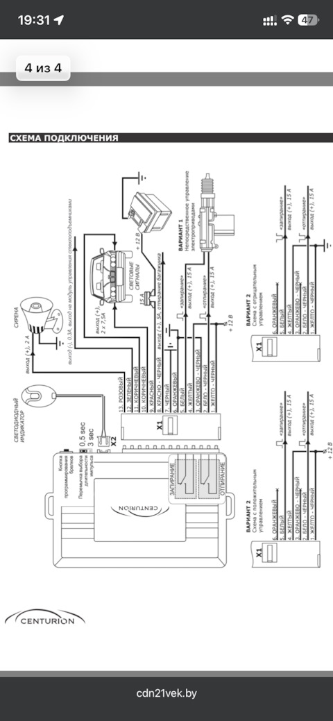
Всем доброго времени суток, в недавнем посте подключил Centurion A96, так как финальное делалось ночью, не сразу заметил пару проблем, а именно:
1. При нажатии на открытие, машина мигает, открывается…

Да и вообще странно, на блоке разъем 18 контактов, а в инструкции 13 контактов

По цветам эти схема подходит…

Странная шняга, блок 1500, а по схеме другой
Всем добрый день, подскажите как подключить старлайн а91 к пассату?
От самой сигналки понятно какие провода, нужны места крепления у самого пассата что и куда
Цз есть родной пневматический
Буду рад в…
Всем привет, в общем пошли хорошие мороза и начали форсунки замерзать, читал посты про оригинальные форсунки с обогревом, но таких не особо много бу, да и вопрос подходят или нет + большая часть за ч…
Нужна помощь от тех у кого пассат с карбом ПИТБУРГ 2Е. А именно нужно фото косы провадов которая идет от карбюратора до разъёма подключения т.е электромагнитный клапан + датчик температуры. + (еще ка…
Машины в продаже

Бронницы
Volkswagen Passat, 1990
140 000 ₽

Ижевск
Volkswagen Passat, 1992
110 000 ₽

Кстово
Volkswagen Passat, 1992
120 000 ₽

Новобелокатай
Volkswagen Passat, 1992
210 000 ₽

Бийск
Volkswagen Passat, 1991
140 000 ₽

Нижний Новгород
Volkswagen Passat, 1990
130 000 ₽
Реклама
Добрый день.
На неделе сталкиваюсь со странной работой свечей. Заключается в очень частом включении и мигании индикатора. Т.е. на заглушенную все ОК — горит, тухнет, машина стартует "как с добры…
Здрасьте, сегодня спрошу знающих про быструю, без тросиковую приборку.На Б4 стоИт такая.Экран, который показывает общий и суточный пробег, вместо полноценных цыфирь показывает остатки от них.Не так д…





































































