Всем привет! Как и обещал пост об установке рестайлинговой головной оптики.
Поставил глазки еще давно, в начале марта. Ждал когда во мне проснется хороший рассказчик и появится время зарисовать схемку. За это время часть фото процесса случайно удалил, там все равно интересного мало. Поэтому только схемы и готовый результат.
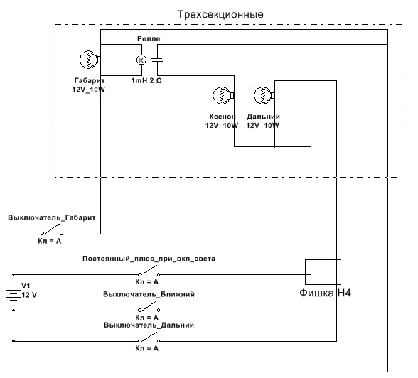
Информации как подключить трехсекционки в интернете полно. Но немножко повторюсь.
Конечно подключить можно как угодно, нужна только фантазия и минимальные знания о различии "+" и "-"))))
Полностью поддерживаю тех, кто подключается к фишки Н4 без реле, бросая минус ксенона на массу. Именно туда он и подключен в штатной проводке с трехсекционными фарами. Но я всетаки не удержался и добавил парочку релюх в штатную схему трехсекционной проводки.
Для чего? Спросите Вы. Все просто. При воспроизведении штатной схемы, "моргая" дальним загорается и ксенон и дальний. Т.к. я любитель предупреждать об инспекторах ДПС и активно пользуюсь этой функцией не очень хочется моргать ксеноном. Поэтому и сделаны изменения.
И вот встречайте, отдаю на всеобщий суд:

Работает следующим образом: Добавленное реле подает массу на ксенон только когда включены габариты(то есть начала использоваться крутилка подрулевого выключателя).Днем я езжу на ДХО и штатная система освещения полностью выключена. Соответственно при "моргании" массы на ближнем не будет и он не загорится.
Вот как то так. Надеюсь у меня получилось объяснить данную модернизацию.
Также был подключен корректор. Здесь все по мурзилке. Ну потчи все))) Добавил еще два провода на подсветку(Контакты 3 и 6). В книге их почему-то нет. Взял с подсветки пылесоса.

Теперь фото готового результата:













Комментарии 9
Привет! так можно в итоге без колхозных реле подключать ксенон?
Привет! Да кидаешь просто массу без реле и все.
подскажи какие лампы хорошие на ксенон можно поставить поярче или только стандарт
Я оставил те с которыми пришли. А так Philips хвалят 85126XVS1(пластиковая коробка), 85126XVC1(картонная коробка) Пока для себя я на них остановился. Еще вроде неплохие 85126VIS1 85126VIC1. Это я такие выводы для себя сделал читая отзывы и тд. Сам эти лампы не юзал.
подскажи какие лампы хорошие на ксенон можно поставить поярче или только стандарт
На сайте philips табличка сравнительная есть даже.
спасибо
Если будешь менять отпишись про изменения
хорошо …
привет я в электрике не очень.подключил фары без реле к штатной фишке все работает но хочу тоже как ты моргать дальним.как это сделать может как то проще объяснишь или нарисуешь?