И снова здравствуйте. Хочу поделиться опытом по реализации контроля запуска двигателя на А91.
Самым правильным способом для контроля запуска двигателя является сигнал тахометра ибо все остальные варианты могут работать не корректно. Такой вариант, как контроль по минусу или плюсу гены советую всем откинуть в сторону. Некоторые сажают контроль на лампы зарядки или давления масла или еще куда.
-При подключении по контролю давления масла, время прокрутки будет зависеть от густоты масла. Если при прогретом двигателе у вас автозапуск будет нормальный то в холод будут перекруты.( Полная хрень отсекаем!)
-Контроль по заряду аккума. На большинстве автомобилей контрольная лампа заряда гаснет до запуска двигателя, а на некоторых только через небольшое время все зависит от конструкции, емкости аккума, мощности гены и т.п. (тоже фигня, в топку этот вариант!)
-Еще вариант предлагается по контролю напряжения бортовой сети. В этом случае контрольный серо-черный провод контроля ни к чему не подключается, а просто изолируется соответственно выставляются настройки в самой сиге. Вариант по напряжению я пробовал. В этом случае работа сиги становиться не адекватной. Проявляется это так. При подготовке на автозапуск. Ставим на ручник, выключаем зажигание а сига просто глушит двигатель при этом зажигание остается включенным и приборка горит. Далее вынимаем ключ, закрываем машину, турбо таймер как бы отрабатывает минуту и сига сигнализирует мол двигатель заглушен. Все, к авто запуску готовы))) При этом автозапуск срабатывает идеально. По мимо этого в таком подключении не всегда проходит сигнал на открытие или закрытие дверей, приходится тыркать кнопкой по нескольку раз. Но так выключение зажигание не всегда проходит, иногда нормально. (в общем тоже фигня, а не подключение!)
Изначально установщик мне сделал контроль запуска по тахометру, а провод контроля подключил на датчик вращения коленвала ибо в моем случае это единственное место от куда можно взять нормальный амплитудный сигнал потому, как дизель с простым тнвд. Проблема заключалась в том, что запуск не всегда срабатывал. Не срабатывал потому, как сигнал с ДВКВ при прокрутке стартера идет слишком активный, сига думает, что двигатель уже запущен и отрубает стартер раньше времени. Эта проблема поправима.
Для того, что бы стартер отключался когда положено нужно приглушить сигнал с ДВКВ. Приглушить сигнал можно поставив фильтр то есть конденсатор в разрыв цепи между контрольным проводом и ДВКВ. Нужную емкость я подобрал методом тыка. По совету разных установщиков я пробовал следующие номиналы:
керамический с номиналом 103 это 10000 пФ или 10 нФ. Не помогло приглушение слишком сильное и получались сплошные перекруты при чем сига так и не могла понять, что двигатель уже запущен. Еще пробовал номинал 2мФ не полярный. Ощущение, что и нет ни какого кондера в цепи. Далее пробовал еще какие то номиналы уже не помню какие. Финалом был кондер с маркировкой 4n7 это 4,7 нФ и попал в точку.
Запуск двигателя теперь идеальный в любое время.




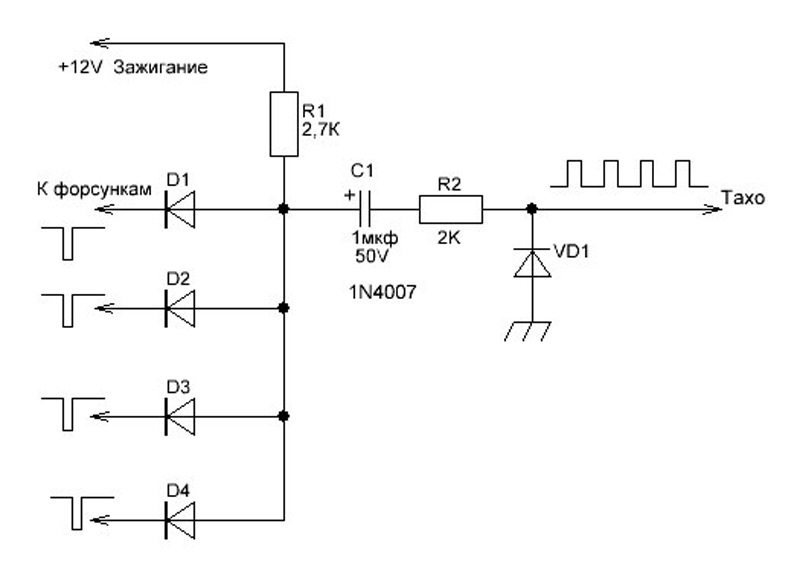
Данная история актуальна и для других старлайнов. На бензиновых двигателях все проще и сигнал там можно взять и от форсунок и от ДВКВ. А для более лучшего контроля на бензинках сигнал берется со всех форсунок сразу. И выглядеть это будет вот так.

Еще добавлю, что например в сигах от шархана такой проблемы нет. Там есть режим обучения сиги которая запоминает рабочие обороты двигателя и такой проблемы уже нет. Бывают сиги специально для дизелей с датчиком который крепится на сам двигатель и там тоже все хорошо.
Спасибо тем кто осилил мои много букав))) Всем ровных дорог!





Комментарии 20
Приветствую.
На какой пин подключался контрольный провод в фишке ДВКВ?
Спасибо.
тот на котором есть импульсный сигнал или переменное напряжение.
Фото нет?
Нет
Здравствуйте!
Получается такой кондёр пойдет ?
Номинал мой, но каждый случай может быть индивидуальный.
Доброго времени суток. установили мне старлайн а91, пользовался автозапуском все время, через полтора года буквально месяц назад прикол такой вышел: глушу машину, достаю ключ — приборка гаснет, но двиг работает. по форумам лажу — ничего путного( может подскажете решение? глушу путем доставания предохранителя на бензонасос и свечи
контроль работы двигла как осуществлен? 100 процентов кривые руки установщика )))
вот чего не знаю насчет контроля того не знаю… но то что установщик был так себе, верю)
Ну в общем я думаю, что косяк в подключении. Сам явно ни чего не сделаешь. Ищи грамотного установщика. Но за работу скорее всего запросят как за целую установку т.к. нет ни чего хуже переделывать сигналку которую устанавливали чужие, кривые руки.
поеду тогда к этому рукозадому) он же профи, мне сам говорил что через день их ставит) спасибо!
Пускай за такие косяки бабло возвращает)
ну да )) вернет он через полтора года))
SeverNikich
Пускай за такие косяки бабло возвращает)
вообщем скатал я к электрику сто мне сигналку ставил, он протестил сигналку и сказал что мурка не в ней, а может в релюхе какой что мол в схему надо лезть
Они че хочешь наговорят. Но и гипотетически тоже возможно. В любом случае он установщик и должен поставить все грамотно, что бы работоло. И потом сам подумай. Если до установки все работоло у тебя а ща такая бойда после установки и вдруг рэлюха виновата. Чет хрень получается)
поеду к другому) у нас есть в жуковском один супергений) не могу эту свою тему что-то запостить на обсуждение( недавно на сайте, помоги плз разобраться
Да там вроде просто нажимаешь написать в блог сообщества ну и описываешь все и фотки прикрепляешь если есть.
благодарствую!)
А еще помнится мне, что кто то спорил и доказывал, что сигнал тахометра не является самым правильным способом подключения!Не помнишь кто то был?
Спор был о другом)