2 месяца назад была последняя запись… может показаться, что ничего не происходит.
и вы чертовски будете правы)
спонсор опущенных рук коап 12.5.1 (гуглируйне инфу сами)
кто знает, тот поймет о чем речь. я же тупо прячусь в гараже
как говорит НАМИ:
строить — стройте, а ездить х@й.
и вот отпуск подходит к концу, можно бы и поковырять чего-нить, а то как лох)
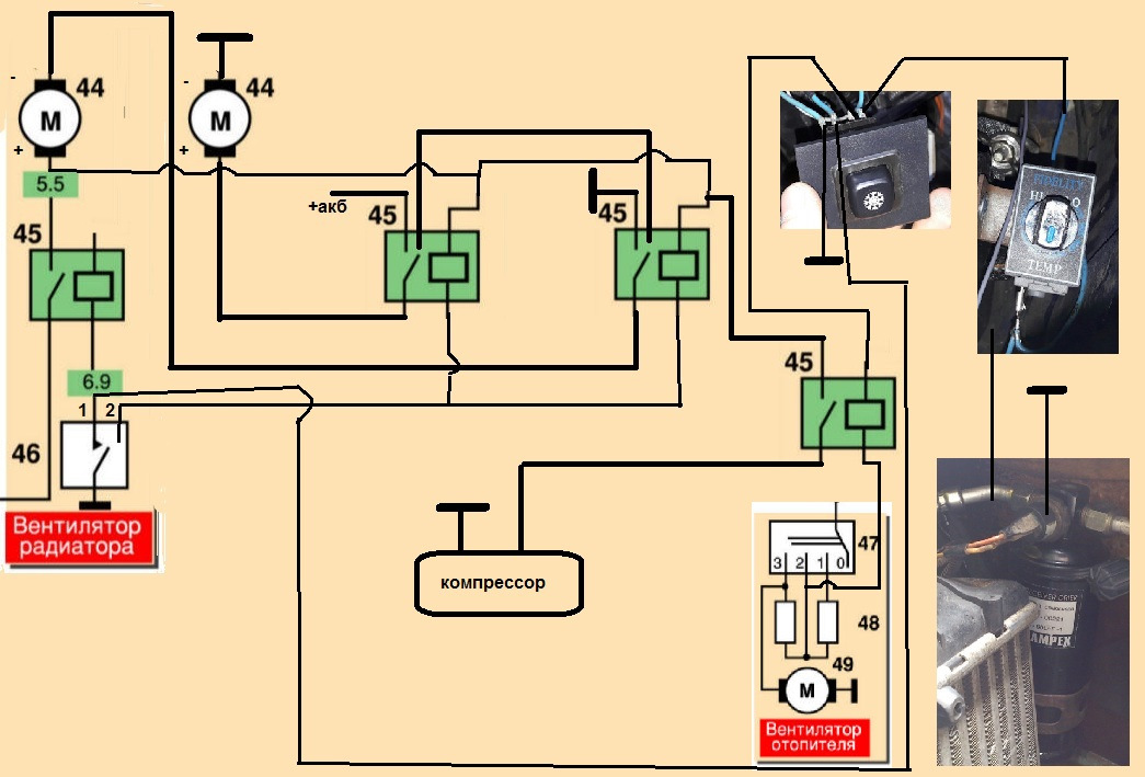
первым делом я реализовал проводку под вентики и кондей. точно такую же как и тут
цитирую:
логика следующая — с помощью 3ех доп реле и какой то матери я научил вентики включаться в 2ух скоростях(последовательно и параллельно), первая скорость включается вместе в компрессором. при этом если по какой то причине вентики не включились/перестали работать — компрессор не включится/ выключится сразу.
вторая скорость на срабатывание с датчика на радиаторе.
так же компрессор отключается, если давление в системе вышло из диапазона 3-27 атм.
компрессор не включится, если не включен вентилятор печки
лампочка в кнопке сигнализирует о работе компрессора — если не горит, знач либо сработал термостат, либо давление не в диапазоне.
также есть функция принудительного включения вентиляторов — просто нажать кнопку кондея при выключенной печке.
по просьбам трудящихся я набросал схему подключения. максимально схематично. мне кажется я ее рисовал дольше, чем в машине собирал)))

чтоб было меньше вопросов:
под цифрами 45 — это реле(где-то 5ти контактное, где-то 4ех)
46- датчик на радиаторе (3ех контактный, 1- первая скорость вентиков, 2- вторая скорость). не знаю как у остальных датчей, но у моего масса замыкается на оба пина при нагреве радиатора за 90гр.
44- нивавентики
кнопка включения кондиционера имеет 2 отдельных контура (от аварийки)
по одному замыкается на массу для включения вентиляторов
по второму работает включение компрессора.
первым делом я сделалдержатель для релешек из рено проводок))

вторым делом я вытащил нивавентики, ибо они опять загнили (щетки прилипли к щеткодержателю)
прошу заметить как эстетично выпилен телевизор для вентиков))

параллельно этому я заменил провод с акума на генератор и заменил клеммы на акуме (модный быстросъем)


клемки на самом деле высшие)) сидят эстетично, прижимаются очень сильно, 3 порта для подсовывания всяких проводочков.
отличное место для паяльника

творческий процесс

одно из важных событий — я принципиально переделал систему ож. расширительный бачек перешел в разряд компенсационного! я сделал систему охлаждения как в стоке у авенира.
для этого в систему была врезана заливная пробка с клапаном

и установлен компенсационный бачек

после прогрева и остывания машины с бачка усосало жижи — значит работает!)


также я решил пока поставить сток оптику. для этого тормошим весь азлк тим) находим пока что только одну достойную фару

вторую ставим абыкакую.
ну и к концу очередного дня я подсобрал морду обратно

оххх… теперь салон… давно у меня чесались руки на него. нужно было посмотреть че там с полами(сухая ли шумка, не убились ли полы от stpшки, и тд), и также подбирание соплей по проводке, которых там еще больше, чем под капотом.
снимаем торпеду и видим…

ощущение, что кто то рыгнул на ковры))
выдрал я оттудава все допы, все безжалостно выкрамсал для нормальной укладки волос тафт 3 погоды
ну полы! интересно же, за 5 лет ченить сгнило или нет.
нет!

поверхностная ржа не считается))

и главное было практически сухо. ктобы че не говорил — вклеенный лобаш — это тема)
бросил все в таком виде и устал))

будем брать еще отпуск для продолжения и окончания проекта. я уже начал чувствовать завершение)






Комментарии 23
По поводу законов всё уже утряслось я на своей езжу уже второй месяц и ничего останавливали один раз на проверку и то даже расхождения цвета фактического и в птс даже не увидели, у тебя же интеркуллер не торчит и выхлоп не особо громкий, так что выезжай смело
да тут неделю назад святогор приняли за бампера руль и седла… потц отболтался бесплатно в итоге
у меня вообще салона нет) Я две недели назад где то по вернадского в сторону центра несся так там мент на меня даже не посмотрел, мне кажется им в большей мере пофиг, с водителей отечественных авто им взять особо нечего
автор ограничил доступ к видео(
Походу пакет яровой в действии)) короче облава на кемерово, на турики
в химчистку бы машинку)
"как говорит НАМИ:
стоить — стройте, а ездить х@й."
5+!
паяльник на фото так и не нашел =(
Где берутся такие быстросъемы?
а ведь он там есть)) заводское отверстие под кронштейн туманки))
эти быстросъемы взялись с емекса)) у емекса проблемы с этими номерами
ну что у тебя как ни спросишь ченить, так вечно с номерами засада =(
Клеммы называются мта. В емексе тока через кросс находятся. Напрямую не находит емекс…
Артикулы:
плюсовая МТА 1507975 / H+B Elparts 52285220
минусовая МТА 1507926 / H+B Elparts 52285221
вооот, другое дело )
Aw-SR
Клеммы называются мта. В емексе тока через кросс находятся. Напрямую не находит емекс…
Артикулы:
плюсовая МТА 1507975 / H+B Elparts 52285220
минусовая МТА 1507926 / H+B Elparts 52285221
Эх, вот так спасибо! Клемки такие давно ищу, да еще чтоб на 3 вывода — хрен где видел. Уже купил кусок латуни (450р, Карл!) — хотел сам выпиливать. А тут такой барский подгон!
Aw-SR
Клеммы называются мта. В емексе тока через кросс находятся. Напрямую не находит емекс…
Артикулы:
плюсовая МТА 1507975 / H+B Elparts 52285220
минусовая МТА 1507926 / H+B Elparts 52285221
минусовая вроде на MTA 1507905 перебивается?
да, такое может быть, это она же
А вентиляторы передние от кого?
44- нивавентики
Во, вопрос назрел: почему не авенировские вентили?)
они огромные, не влезут ко мне
Понятно, значит мне пилить весь телек придётся))
Какое окончание? Это бесконечно!))
Ну ващее))