
Просмотрев кучу форумов и различной бестолковой инфы, перинял волевое решение, вспомнить то чему меня учили в институте, выводу следующие
Для реализации Aux есть три пути
1. Подавать сигнал в канал АМ диапазона, достоинством будет простота реализации, недостатком МОНО звук,
2. Подавать сигнал на воспроизводящую головку, достоинство опять же простота, даже магнитолу толком разбирать не надо, минус как всегда в лишний помехах и шумах.
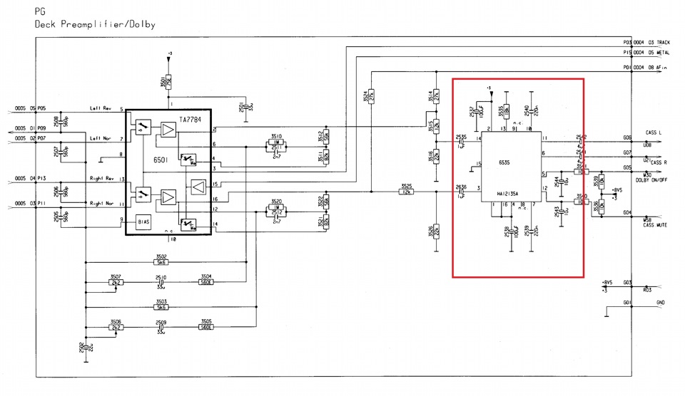
3. Самый продвинуты на мой взгляд подавать сигнал непосредственно на вход микросхемы Dolby, которая предназначена для уменьшения помех со стереокассет.
Минус только один, надо разобрать всю магнитолу, плюсы более качественный звук.
Datasheed на нее можно найти в интернете.
Для Aux надо припаять левый канал к 6 ноге, правый к 11, ну и минусовой провод можно припаять либо к 15 ноге или же просто с массе на плате





Комментарии 17
Я правильно понял, цепляем АУКС на схему долби и играть будет при вставленной кассете?
да, с кассетой без пленки, либо можно просто замкнуть концевик
А перерезать дорожки перед входом в "Долби"?
Уменя нп гамме3 м327 блаупункт нет долби?
А как реализовано переключение кассета-радио, если не секрет?
вставил кассету, вытащил
ааа, все ясно
А ни какие дорожки резать не надо?
я ни чего не резал
я всю инфу нашёл(=
поздравляю ещё раз (=
круто(=
а можешь мне сделать тоже только с баварией ?(=
хз, надо искать по ней инфу, а счас со временем туго… свадьба совсем скоро
круто блин!
почти ничего не понятно, но круто!
))) просто гамма кассетная магнитола, слушать все время радио не комильфо, вот и решил сделать аудио вход чтобы с яблофона можно было музыку слушать
это я все понял, я бы просто постеснялся лезть в электрику, паять разъемы, даже со схемой… ну молодец, что сделал так круто)
Успехов!
уже все реализованно, и играет, звучок прямиком из 90х