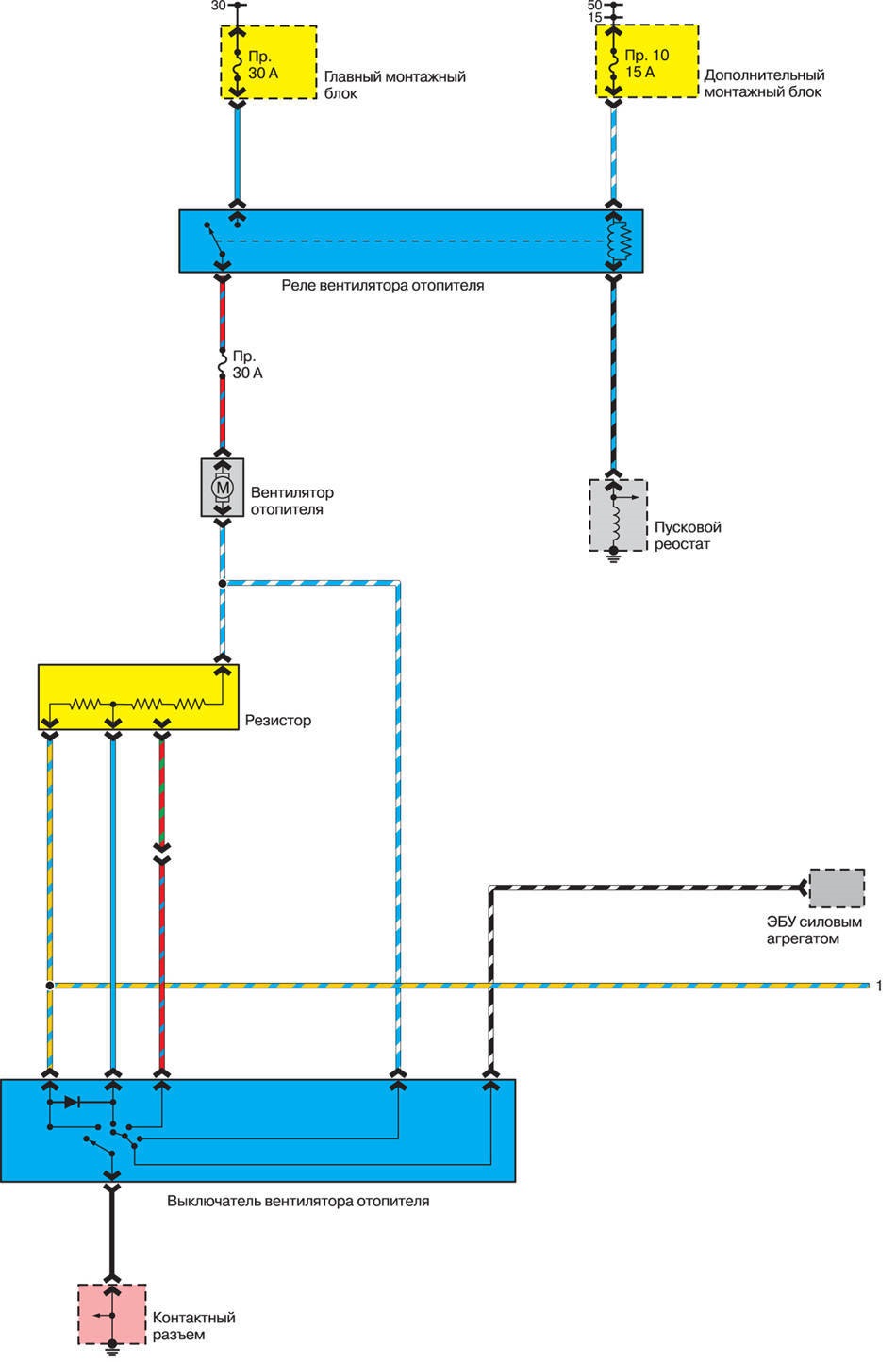
Оговорюсь сразу, что эта схема применима для авто 94-96 года. Более ранние модели имеют отличие в подключении датчика давления. Подключение реле:

Запчасти на фото: 2313787

Затем возле правой фары ищем самый большой резиновый набалдашник, а там…


Что куда подключать, видно на фото выше. Минус вентилятора кондиционера пускаем на массу. Масса компрессора — это его корпус, прикреплен к двигателю — уже масса.














Комментарии 9
Самопал реле кондиционера (вместо оригинального — российское) для любого года выпуска авто по одинаковой схеме делать? Или другое реле подойдёт? Например от вентилятора системы охлаждения, в разъем вставляется, но будет ли работать — хз
Добрый день. Решил поделиться своими мыслями по поводу того, что бы машина не глохла при включении кондиционера. А что если задействовать слаботочный минус с кнопки включения кондиционера и подать его на ДПДЗ ( сигнальный провод через диод).
Кто подскажет какое масло заливать и сколько в компресор кондиционера?
Здраствуй.Тоже самая проблема при включение кондиционера плавают обороты что может быть.Подскажите пожалуйста.
Здравствуй. Тема старая, но если не сложно… У меня проблема с падением оборотов, при включении кондиционера, скачут около 400-500…На ходу, при включении нейтрали, машина глохнет. Хотел узнать, решил ли ты вопрос с падением оборотов.
нет, данный вопрос решен не был
Здорова ! Поздравляю с установкой, хотел спросить у тебя обороты не падают когда со скорости переключаешь. А то я себе тож установил кондер. И еще сколько вентиляторов работают при включенном кондере. СПС !
Когда нейтраль включаешь и ногу с газа убираешь-машина глохнет! Как решить-не знаю, а хотелось бы! Вентиляторы работают независимо, кондиционера-постоянно при включенном кондиционере, системы охлаждения сам по себе
а у меня в этом резиновым наболдашнике стоит фишка подключенная к реле