Может кому пригодится!
Передняя левая рессора с реактивной дополнительной рессорой

Бензобак, заливная горлаовина, датчик уровня топлива, хомуты крепления бака

Головка двигателя, термостат с корпусом термостата

Привод дроселей карбюратора

Задний карданный вал

Коленвал

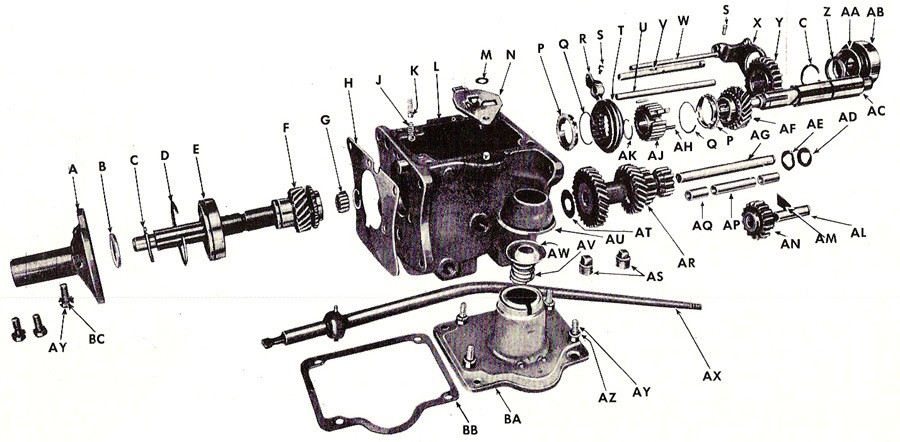
КПП

Кузов


Крепление шансевого инструмента на левом борту

Тандемные очистители ветрового стекла тип1

Запчасти на фото: 5700003
Маслонасос

Задний мост

Редуктор заднего/переднего мостов

Поворотный кулак переднего моста

Распредвал, цепной привод, клапан

Поршень

Клапанная крышка, принудительная вентеляция картера позднего типа

Коллектор вп/вып, система подогрева смеси.

Маслянный поддон, маслозаборник







Комментарии 2
Спасибо за работу! Пригодилась картинка в идентификации заднего моста.
интересные картинки…все очень просто и понятно…с современными все не так ;)