Июнь 2014г.
__________
Вообщем пришло время заняться ремонтом, а если точнее, то нужно было правильно выставить ДПДЗ (датчик положения дроссельной заслонки). На этих страницах просил помощи — нужна была информация о том, как это сделать.
ОГРОМНОЕ СПАСИБО ТЕМ ЛЮДЯМ, КТО ОТКЛИКНУЛСЯ !
По ходу дела решил заодно помыть и сам блок дросселя.
И так, поехали --- собираясь ремонтировать машину в гараже, не забудьте прихватить самое главное

так же понадобятся и инструменты

и что самое главное (в моём случае), то информация о том как производить регулировку (распечатка)

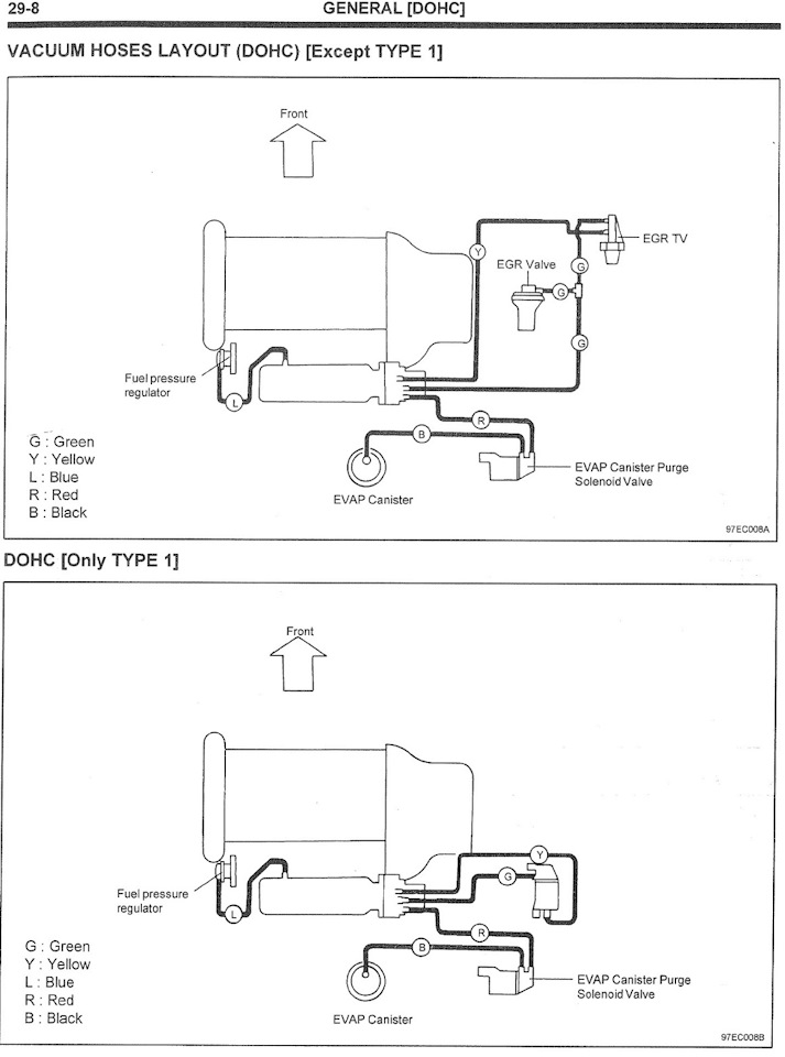
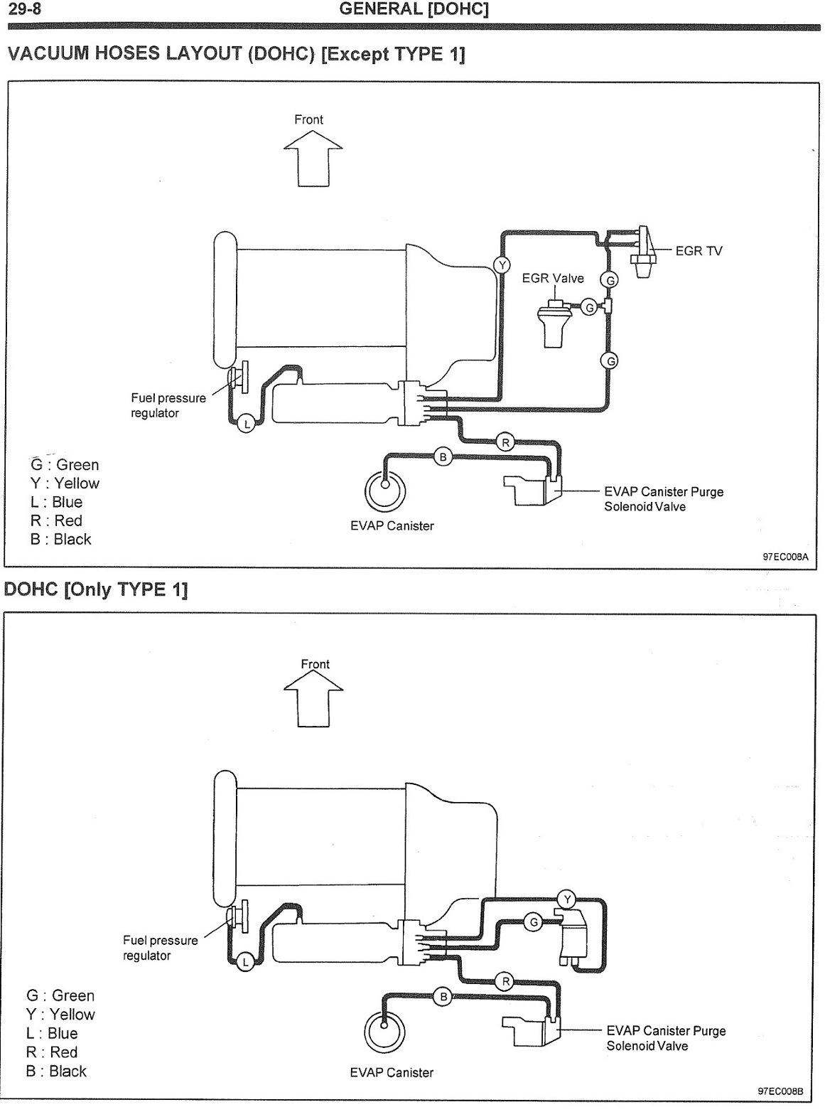
Теперь добираемся до подкапотного пространства

по большому счёту ничего особенного и проблематичного тут нету, правда вначале пришлось слить немного ОЖ с радиатора, так как к самому блоку подходят патрубки для его обогрева, а находятся они ниже уровня заливной горловины. Снимаем гофру "воздухана", отсоединяем тросик привода педали, два патрубка, три шланчика и всё — осталось открутить две гайки и два болта (крепление)

Вот так выглядел блок со стороны фильтра ---

а вот так было со стороны впускного коллектора

А вот так выглядит узел после чистки\обработки



Проверил работоспособность концевого выключателя — работает. Им же отрегулировал степень закрытия заслонки — плотно, но так, что бы не подклинивала


Устанавливаем на место привод ХХ и ДПДЗ — узел в сборе

Родная прокладка приказала долго жить

Делаем аналог из паронита

Собираем всё и устанавливаем на место.

*************************************************************************
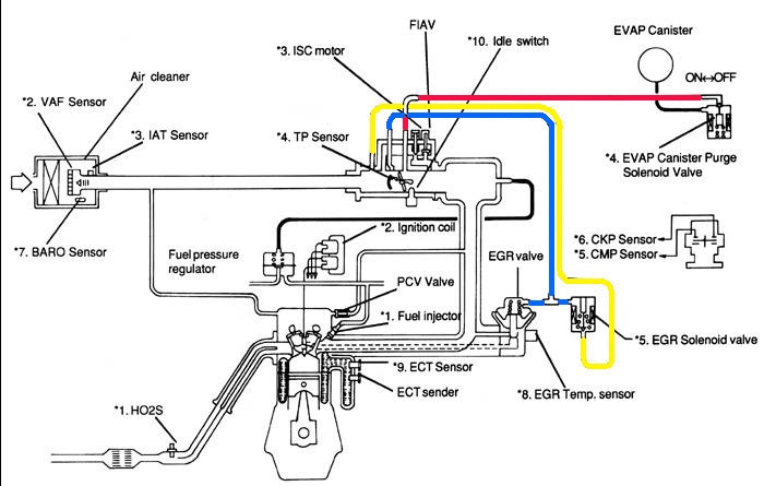
А теперь займёмся регулировкой ДПДЗ. Через разъём к нему подходит 3 провода :
Верхний — минус
Нижний — ПЛЮС ----- при включенном зажигании (двигатель НЕ ЗАВОДИТЬ) через этот провод подаётся питание в 5 вольт (если напряжения нету, то ищите обрыв в проводке)
А вот через средний происходит регулировка ДПДЗ. Иглой прокалываем изоляцию и цепляем на неё плюсовой щуп цешки ( можно использовать и вольтметр ). Минусовой щуп, можно прям на отрицательную клейму АКБ.

При закрытой заслонке, на тестере ( как мне подсказали) должно быть показание в пределах 0,45-0,52 вольта. Для регулировки — датчик двигается вокруг своей оси.

А при полностью открытой 4,95 вольта.

У меня получилось чуть больше, но оно равно вольтажу подаваемому через нижний провод на разъёме. Так что, думаю это не критично. (((ЗАЖИГАНИЕ ВО ВРЕМЯ РЕГУЛИРОВКИ ДОЛЖНО БЫТЬ ВКЛЮЧЕНО ! двигатель не заводить ! )))
****************************************************************************
Ну вот вообщем и всё. Затягиваем болты крепления ДПДЗ и для пущей надёжности наносим герметик на резьбу крепления.
ВСЁ !






Комментарии 84
У меня на закрытой заслонке 1,95 вольта, подскажите кто знает, в общем менять его нужно ?
1 — нужно узнать показания по вашему датчику
2 — выставить/отрегулировать датчик
YURIC88488
У меня на закрытой заслонке 1,95 вольта, подскажите кто знает, в общем менять его нужно ?
Ну вот, ты на верном пути)
В первую очередь надо проверить на ПОДСОС воздуха !
привет недавно тебя читать начал
такой вопрос у меня
я кароче машину купил в апреле и каждый день ездил заводил итд при запуске авто у меня поднималось до 1к оборотов и постепенно падало ну с прогревом то есть норм
а тут я вышел как то завожу авто у меня подпрыгивает до 2к и держится пару сек и начинается по немногу снижаться и звук еще такой громковатый но с прогревом утихает итд
Добрый день, подскажите как выглядит клапан холостого хода, и где он находится на сонате?
Так в записи ☝🏼☝🏼☝🏼есть же инфа — пошаговый двигатель холостого хода — он же регулятор холостого хода и он же клапан холостого хода.
Serezha586
Добрый день, подскажите как выглядит клапан холостого хода, и где он находится на сонате?
Но есть и другой вид, он устанавливается сбоку, рядом с ДПДЗ
Добрый вечер. Что за выходы A1 E P?
Купил двигатель а они болтаться куда их подключать?
ALEX911111111
Добрый вечер. Что за выходы A1 E P?
Купил двигатель а они болтаться куда их подключать?
Верхние показания можно и не смотреть …
До 0.52 можно поднять и посмотреть на реакцию
Это нормальные значения?
Подскажи что делать. У меня при закрытой 0.48/0.47 при открытой полностью 6.15/6.17
Да очень просто — вот этим винтом нужно до такого положения, что бы в полностью закрытом положение, заслонка не клинила — всё !
Может ктото подскажет как отрегулировать дросельную с четире контактним датчиком и без винта бойпаса ато толковой информации немогу найти. Фото дроселя прилогается. У меня в бортовике есть запись как я регулировал
диск заслонки должен быть закрыт ПОЛНОСТЬЮ ! и только потом регулировать ДПДЗ…
Для снижения оборотов есть байпасный винт на дросселе
но вначале, после регулировки ДПДЗ, надо снять клемму и обнулить ЭБУ ( при снятой клемме, включить ключом зажигание)
потом одеть клемму и включить зажигание — выключить — включить и выключить --- так три раза без запуска двигателя с паузами на каждое действие в пределах 3-5 секунд.
На третий раз включили зажигание, подождали и потом запускайте двигатель …
если обороты не снизились, то затягивайте байпасный винт.
**********
Есть и второй вариант — уж не помню кто, но был разговор — нижний предел показаний ДПДЗ на его машине, равен в пределах 0,65в. если ставить ниже, то машина начинает тупить …
пробовал убавлять в ручную — каким образом ?
Винтом на заслонке.
не такой! у меня такого нет. другой, но принцип я думаю тот же. В одну сторону крутишь он заслонку открывает, в другую закрывает
AndreiX
Здравствуйте! А подскажите что это вообще за датчик или что это?
Концевик холостого хода.
Он стоит на тех двигателях, у кого ДПДЗ на 3 провода.
У тех же, у кого 4 провода, он встроен в корпус ДПДЗ
Спасибо!
AndreiX
пробовал убавлять в ручную — каким образом ?
байпасный винт затянут до конца. завтра клеммы попробую поскидывать и обнулить. мож поможет
Примерно где то тут
Может попробовать поднять ДПДЗ до 0,62 …
Завтра попробую приподнять, да клеммы скину.
AndreiX
Для чего этот винт?
Винт байпаса — для корректировки оборотов холостого хода !
Он может регулировать подачу смеси
Качество ! За счёт увеличения или уменьшения количества воздуха
я выставил 0,5 В а обороты не падают ниже 1000-1100. пробовал убавлять в ручную но никак. есть какие нибудь соображения?
у меня 0,52 закр — 4,96 откр
это норм?
Да вроде как …
У меня — работает !
Подцепил мультиметр, цифры скачут.Пробую рукой(с небольшим усилием)закрыть заслонку меняется полярность на мультиметре.Можете что подсказать?
Цифры скачут … — это как ?
по большому счёту — ДПДЗ это простой реостат (переменный резистор — www.astopo.ru/image/package/R-24N1.gif)
На него должно приходить стабильное, постоянное напряжение, а выходит — изменяемое, в зависимости от положения заслонки.
Если напряжение не меняется — значит ДПДЗ не рабочий или нет механического соединения с приводом от заслонки
Если при движение (открытие) заслонки появляются провалы напряжения (а оно должно плавно изменятся) то значит есть пробой — нарушен резистивный (токопроводящий) слой —
цифры скачут-значит напряжение меняется что-то типа 5.06-3.45-024 как генератор случайных чисел.Подсказали куда сгонять на диагностику и я поехал.Пацан читал даталогером и узрел 1 ошибку(я в а…уе всего 1!) неправильно выставлен дпдз.10 минут секса с нижним болтом дпдз и всё ок.Приехал домой-почти тоже самое, только при запуске 1700(примерно) вместо 2200 но хх 1100 Позвонил, пацан говорит болт по четверти закручивай постепенно.Обещал собрать шнурок юсб (по цене решим) и прогу подогнать.Я счастлив.Вот как-то так.P.S Выставляли по компу процентах.
Входящее напряжение чему равно ?
9.6 или 10.2 ровно 10% выставит неполучилось
Нет, сколько вольт подаётся на ДПДЗ ?
х.з там в процентах было а так 480мВ-700мВ плюс погрешность
Там должно быть чуть выше 5 вольт
ровно 5 при открытой на 100 плюс минус 3% а по регламенту максимальный допуск нулевой точки 7-13% Сейчас звонил уточнял.Пацан грамотный, в сонату турбину всадил, и логи читает без словаря
Главное — РЕЗУЛЬТАТ !
diman63
ровно 5 при открытой на 100 плюс минус 3% а по регламенту максимальный допуск нулевой точки 7-13% Сейчас звонил уточнял.Пацан грамотный, в сонату турбину всадил, и логи читает без словаря
Он по диаграмме делает ( по параметрам) с подключением к компу или диагностике ( отсюда и проценты )
В моём случае — данные с вольтметра
с компом конечно проще, но и ты отлично сделал.
Проще … намного ! ! !
кстати, коль есть возможность, то проверьте работоспособность всех датчиков — по параметрам ! ! !
Всё номально, 1 ошибка теперь и её нет-пока мне делают адаптер для диагностики выведу чек
НЕ ОШИБКА !
а именно — проверка датчиков по параметрам !
Пример —
температурный датчик
он работает — и по этому, ЭБУ ошибку не выдаёт.
НО — он работает не корректно !
реальная температура может быть 38 градусов, а он будет показывать 25 …
из -за этого происходит то, что ЭБУ думает что двигатель ещё холодный и увеличивает подачу топлива (ну типа прогрев ещё)
Выразился не так-а так всё отлично.Как включать круиз?
Тогда — хорошо !
Круиз — ну скорее всего как и на других машинах — как вариант —
—
но только, кнопка на "соньке" не на руле, а на панели слева …
Рядом с туманками *CRUISE* и 2 на стрекозе дворников, одна с торца а другая около кольца(скорость дворников)немного сумбурно, но как-то так.
Повторюсь — на Соньке не сталкивался, но из опыта —
набираете нужную скорость, включаете кнопку *CRUISE* (возможно понадобится ещё и клавишу + нажать и всё)
на рычаге должен быть регулятор + и — к выставленной скорости.
У меня 2 литра 139 лошадей доха с 2 распредвалами, искал и не нашёл инфы о настройках, мне твои данные подойдут? у меня с 3 проводами датчик 1 в 1 как твой бесконтактный?
Попробовать можно !
Но вначале, стоит снять первичные показания, что бы можно было к ним вернуться
У меня 4.50 щас
При полностью открытой ?
Нажимаю на заслонку эффект ноль
Быть того не может !
На ДПДЗ приходит
1 плюс и 1 минус и выходит один плюс ( управляющий )
На первых двух, вольтаж не изменный, а вот на управляющем — реагирует/изменяется в зависимости от положения заслонки !
Если же, изменения не происходят или появляются провалы = ДПДЗ мёртвым …
AndreiX
Попробовать можно !
Но вначале, стоит снять первичные показания, что бы можно было к ним вернуться
ВКЛ питание но при движении заслонки ничего не меняется
у меня получились чуть чуть другие показатели — при закрытой 0.66 а при открытой 4.95. если пытаться регулировать в сторону уменьшения показаний при закрытой заслонке — то на 1500 оборотах провал… датчик у меня 4 проводный, а может погрешность приборов… ну как то так
спасибо! хорошая, чёткая статья! а мы методом научного тыка сделали! :))))
Вот и я не увидел ни какого серого напыления…и немного переживаю, что у себя не найду… хотя че переживать, обороты и так плавают))
На обороты много чего влияет — блок ХХ, форсунки, топливный клапан, провода, свечи …
Красавчик!
прикольно
А вот стер защитное серое напыление зря… жди плавающих оборотов
Об этом я был предупреждён и перед тем как заняться мойкой — оглядел и саму заслонку и корпус вокруг неё — никакого покрытия (ни серого и вообще какого либо другого) там не было. Если Вы приглядитесь к первым фото, то увидите, что окромя грязи там ничего нет. Тем более, что какими либо щётками или чем то в этом роде — я не пользовался ! Так же могу сказать, что на 99% уверен — я первый кто снимаю сей блок, после установки его на заводе. Видимо такого покрытия на моём узле — ИЗНАЧАЛЬНО НЕ БЫЛО !
Должно быть… оно не дает стираться корпусу… очень странно.
Быть может из за того, что в моём случае сама заслонка при ПОЛНОМ закрытие останавливается не корпусом дросселя, а с внешней стороны есть концевой выключатель в которую она упирается и при регулировки делается так — освобождается концевик — потом заслонка под воздействием пружины щелчком закрывается (при этом немного подклинивает в корпусе). Концевик закручивается до соприкосновения с упором заслонки и ещё добавляется частица оборота, потом всё контрится гайкой (на фото видно). В конечном итоге получается какой то мельчайший зазор между заслонкой и самим корпусом — нет соприкосновения — нет износа ! Я думаю так.
А куда ты герметик там намазал?
Верхнее крепление ДПДЗ у меня не болт, а шпилька (кады "архимеды" крутили, то по ходу дела, резьбе башку свернули — пришлось в своё время, в походных условиях как то крепить — так как, болт родной выпал, то на супер клей загнал в отверстие шпильку)
теперь, когда отрегулировал датчик, подтянул гайку, а хвостик шпильки смазал герметиком
там сверху шпильки, снизу болты если мне не изменяет память, и вроде так у всех
ДПДЗ устанавливается на место, выставляется по положению и притягивается 2-мя болтиками ---- в оригинале.
так я не про датчик)
AndreiX
ДПДЗ устанавливается на место, выставляется по положению и притягивается 2-мя болтиками ---- в оригинале.
сам тебя неправильно понял) сори
AndreiX
Об этом я был предупреждён и перед тем как заняться мойкой — оглядел и саму заслонку и корпус вокруг неё — никакого покрытия (ни серого и вообще какого либо другого) там не было. Если Вы приглядитесь к первым фото, то увидите, что окромя грязи там ничего нет. Тем более, что какими либо щётками или чем то в этом роде — я не пользовался ! Так же могу сказать, что на 99% уверен — я первый кто снимаю сей блок, после установки его на заводе. Видимо такого покрытия на моём узле — ИЗНАЧАЛЬНО НЕ БЫЛО !
снимал этот блок не раз))) так как у нас в Тульской области топливо "высокого качества"))) промывал и пихал назад, иногда даже приходилось использовать тряпку или зубную щётку что бы всё оттереть) ничего фатального в этом блоке нет)
А, сам дроссель !
Кстати, на заслонке молибденовое покрытие было или тоже нет ?
хз, я и не приглядывался, только открутил как позвонили срочно ехать))) побыстрому ополоснул и запихнул обратно)