Сегодня расскажу вам, как я производил установку подогрева передних сидений, так как их отродясь не было в моей комплектации.
Для этого мне потребовались следующие детали:
1. Кнопки: правая 1J0 963 564 B01C левая 1J0 963 563 B01C с разборки 2шт.
2. Разъёмы к кнопкам 8L0 971 972 2 шт
3. Контакты (мама) N907 326 03 14 шт.
4.Эл. нагреватели 2 комплекта (брал Емелю)
5.Разъемы под сиденья (я не увидел смысла в оригинальных, взял простые EL-2X03F 2 комплекта.) встали в штатные кронштейны под сиденьем идеально.
6.Клемма кольцевая (6 -8 мм) 3 шт.
7.NTC- термистор 6,8 кОм 2 шт.
8.Провода, прямые руки, инструмент ну и т.д. )
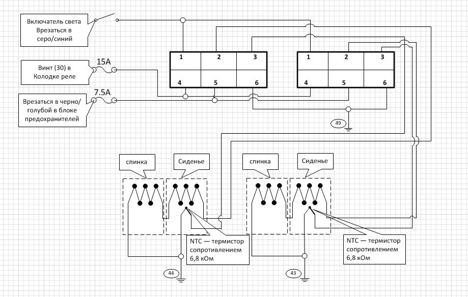
Принцип работы попогрева получается такой, после подключения всего по схеме ( ниже приведу схему) нога № 6 масса, на ногу № 4 подаётся постоянный плюс, на ноге №5 плюс появляется при включении зажигания, после чего с ноги №3 подается сигнал на термистор для оценки температуры нагревателя в сиденье и если сопротивление на нем больше чем заданная ступень на кнопке, то после этого на ноге №2 появляется «+». Нагреватель поднимает температуру в сиденье, термистор нагревается его сопротивление уменьшается кнопка видит разницу в показаниях и прекращает нагрев после остывания термистора процесс повторяется…
По монтажу ни чего нового не расскажу, все интуитивно понятно по фотографиям.









Всем мир.





Комментарии 37
Кто может подсказать на боре есть провода в полу и в сиденье с разъемами они не подключены в сервисе сказали что нет какого то блока управления в который они должны подключатся, как он выглядит? комплектация comfort
Не совсем понял о чем ты? В мк4 блока нет, модуль встроен в тело регулятора температуры.
Как близко к проводу нагревательного элемента емеля устанавливать NTC- термистор?
Скажи если поставить термистор на 10кОм, вообще будет греть? Или лучше на 4,7кОм? Других нет просто.
Привет, может подскажешь что мне куда впаять, какойто термистор))) у меня такая фигня; я установил себе маты сидений родные как положено, а вот на спинки родные больно дорогие оказались и я влепил от поло элемент сидения в спинку, стало все как надо да только вот включаю и спинка греет как положено а вот сидение слабо, видимо несоответствует там что то, может можно впаять там что то чтобы выравнять нагрев?
Хм, а правильно ли провод от 5го разъема подключать к черно/голубому проводу? Если верить схеме, то на этом проводе плюс будет даже в момент вращения стартера. Не лучше ли этот провод подключить к Х-проводу, на котором пропадает напряжение, когда машина заводится. Тогда мы не будем воровать энергию с аккумулятора, когда ее так много надо для стартера.
И в описании в п.7 указан ptc-термистор, а на рисунке ntc. Поправить бы описание, что бы не вводить в заблуждение.
Комментарий удалён
у штатной кнопки пять ступеней обогрева(цифры на крутилке), отключение их происходит по показаниям (нагреву) этого термистора.
Комментарий удалён
для работы штатной кнопки ступенчато…
что то я не как не разберусь с новым видом комментариев (не понятно кто тут у кого что спрашивал?)
А есть график сопротивления термистора?
просто не совсем понятно чего вы хотите от него получить?
UPD
Сам разобрался. Но каким образом вы подбирали его сопротивление?
Вопрос мне был адресован?
да.
Вычитал на форумах, не помню где, там ребята у оригинала вроде замеряли. Ставил сначала на ауди А8 другу у него ноги у оригинала обломило тоже всё прекрасно работает.)
У меня есть маты подогрева новые от рено, как бы их состыковать с гольфовыми кнопками. есть какие идеи?
ну если они по устройству такие же, то измерить сопротивление одних и других и потом скорректировать его.
ваговские идут с регулировкой, а реношные с встроенным терморезистором и получается работает в автомате, нагрелся-отключился, остыл- включился. Но это можно откинуть и напрямую сделать, но в ваговском термистор получается есть, что с ним делать.
в ваговских тоже есть датчик температуры
Golffik
ваговские идут с регулировкой, а реношные с встроенным терморезистором и получается работает в автомате, нагрелся-отключился, остыл- включился. Но это можно откинуть и напрямую сделать, но в ваговском термистор получается есть, что с ним делать.
Просто реношные дают всегда один уровень нагрева
а ваговские способны поддерживать один из 6
так вот как это скрестить всё, вот задача.
Посмотрев еще раз в ELSA понял отличия, в рено датчик стоит последовательно матам, а у VW паралельно через кнопку
ну это что касается принципиальной схемы.
А вот по параметрам неизвестно, возможно такие же, но скорее всего нет
на рено датчик в разрыв одного провода установлен.
ну это и есть последовательно
Golffik
на рено датчик в разрыв одного провода установлен.
и что тебя смущает…
как это всё скрестить, ладу не дам, вот и смущает.
В личку черкни помогу чем смогу )))
Golffik
так вот как это скрестить всё, вот задача.
но если есть у кого-то подогрев родной то можно померить температуру сидушки, и ток на датчке
и тогда будет понятно к чему стремиться
Все это можно измерить в регуляторе.
Если ты про выключатель света то там выгорит общий если что, так же как и 7,5 он тоже уже стоит в блоке …
Добрый день. Вы случайно не забыли предохранитель указать купить?
Добрый день. Вы можете несколькими советами мне помочь с данной процедурой?
Да без проблем, пишите в личку )
Есть у меня мысль задействовать кнопки подогрева под другие нужды. Сопротивления их не мерял?
Сопротивление чего? термистора указано выше, замер при комнатной температуре 6,8
Сопротивление кнопок подогрева.
"Сопротивление кнопок подогрева."…) не не измерял )))
Эх жаль! Может плюнуть на свои идеи и тоже заняться подогревом ))
всё в твоих руках…
13thDeus
Сопротивление кнопок подогрева.
Скорее всего интересовало сопротивление, при котором будет включаться/отключаться подогрев?
Измерял на крутилках VAG 3B0 963 563 C (для тканевого салона) с помощью переменного резистора
Режим 1 — 8,8 кОм
Режим 2 — 5,6 кОм
Режим 3 — 4 кОм
Режим 4 — 2,7 кОм
Режим 5 — 1,76 кОм