
Скажу сразу, этой опцией можно оснастить все модели PSA построенные на CAN2010, такие как C4B7 DS4 Picasso B78, 208, 508 и т.д.
Продолжаю улучшать машину штатными опциями. У меня максимальная комплектация для России, но в Европе существуют версии еще максимальней. Так не будем отставать от буржуев!
Речь пойдет о многофункциональной камере, которая устанавливается на лобовое стекло вместо датчика дождя и света. Данная камера включает в себя датчик дождя, датчик света, и камеру следящую за разметкой и световыми приборами других автомобилей — автоматическое включение и выкл. дальнего света.
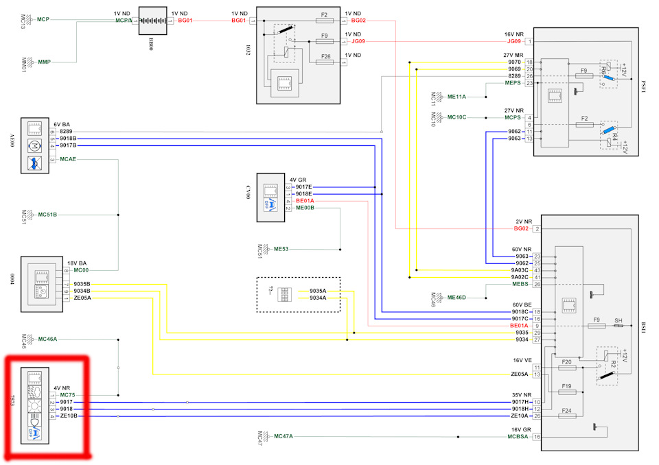
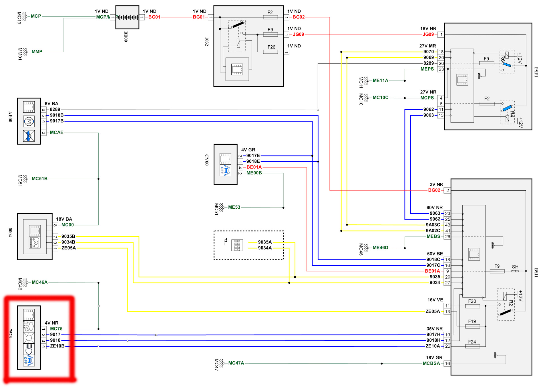
Для установки понадобятся следующие запчасти: многофункциональная камера, блок управления вибюраторами, блок кнопок для активации этих функций.
К моему счастью и удивлению вибраторы в сиденьях уже были установлены. Также была проложена проводка под ЭБУ вибраторами. По сути протянул проводку только до самой камеры и часть проводки от разъема возле BSI до сиденья.
После установки, камеру нужно обучить, процесс очень интересный.
Когда работают вибраторы, ощущения прикольные))
Еще из плюсов заметил более грамотную работу датчика дождя и света. Думаю это из-за того, что прокладка используемая между стеклом и камерой абсолютно прозрачная, в отличии от штатной с датчиком дождя и света.
Кому интересна данная опция, то у меня есть еще один новый установочный комплект. Цена вопроса вменяемая. В общем в личку пишите, если что)
Вот краткое описание работы:
Система автоматического переключения дальнего света (многофункциональная видеокамера) позволяет автоматически переключать дальний свет на ближний при обнаружении следующих источников света :
Освещение в населенных пунктах
Свет фар автомобиля, двигающегося навстречу
Свет задних фар впереди идущего автомобиля
Система предупреждения о непроизвольном нарушении линии (AFIL) информирует водителя о существенном отклонении траектории движения автомобиля по отношению к своей полосе движения.
Причины значительного отклонения траектории : Сонливость, Потеря внимания, Рассеянность.
Система предупреждения о непроизвольном нарушении линии обнаруживает ситуации, когда автомобиль пересекает сплошную или прерывистую линию разметки без предварительного включения указателей поворота.
Водитель получает сигнал в виде боковой вибрации своего сиденья.
Система AFIL не воздействует на какие-либо другие органа автомобиля.
Только водитель может предпринять необходимые действия по исправлению траектории движения.









Комментарии 89
Александр добрый день. Может можете подсказать оригинальный номер блока кнопок слежение за пересечением разметки/авто дальний? Поставил себе на 508 эту камеру, блок вибраторов, вибратор. Все работает, но хочу ещё кнопки поставить.
Здравствуйте, установил вчера камеру
все прописал вроде как надо, но иногда, как заводишь машину включается сразу свет.
и иногда, даже если нету дождя, дворники работают
пересечение разметки пока не работает, думаю что проблема в том что не прописал в ремни что есть такая функция(закончились жетоны), на Гранд пикассо МК2 — дрожат ремни
Нужно в живую смотреть машину. Думаю ремни здесь не при чём
В инструкции к машине пишется, что вибрация идёт ремнями.
А как насчёт света, почему он может включаться сразу после старта машины. Может нужно поменять гелиевую прослойку между стеклом и камерой. Но старая вполне ещё хорошая
Думаю дело в ПО bsi или телекодировке
Саша, здравствуйте.
C4 Picasso Grand 2014г.в.
Камеру установил, проводку ВРОДЕ БЫ протянул… Подключился к блоку по схеме. Сегодня был у официалов. Тыкались 2 часа. Результата нет.
И в ГУ и в БСИ прописали. Значки на экране появились, но не активируются. Ошибка: отсутствует соединение в сети CAN. Может нет контакта где то? Проверю(прозвоню) для начала проводку.
Подскажите где еще прописывать, или как правильно прописывать?
Спасибо.
Здравствуйте. Прописывать в бси во многих местах, так уже и не вспомню. Но если ошибка связи, то проблема явно в подключении
Вот где можно взять такую схемку с иллюстрациями для кнопки SOS?
А как эта конструкция влезет в кожух штатного датчика дождя на C4 B7?
Александр, добрый. Беру. Написал в личку. )
видео бы записал, как работает автоматический дальний.
если нужно, сделаем
Супер система! :)
А на C5 можно установить такую штуку?
К сожалению именно такую нет. Можно инфракрасные датчики поставить, чтоб за разметкой следили, но они будут засираться очень быстро. Да и автоматического дальнего не будет.
Да, жаль. Инфракрасные это шляпа будет. Придется усмирить хотелку и копить на теслу! :)
keknas
К сожалению именно такую нет. Можно инфракрасные датчики поставить, чтоб за разметкой следили, но они будут засираться очень быстро. Да и автоматического дальнего не будет.
Разметку бы еще рисовал кто
Эта опция в основном для трассы, а на них почти везде разметка есть. Кстати нормально работает даже зимой, когда разметку почти не видно.
А какая будет цена, если вибраторов в креслах нет и насколько сложная их установка в кресло?
Вибраторы где-то по 3 т.р. за штуку. Ставятся элементарно, просто защелкиваются в штатное место
На креслах от С4В7 можно ли увеличить количество массирующих вибр?
Поясничная массажка есть, но как-то мало. Кресло комбинированное
Заколхозить можно что угодно, люди даже компьютерные кулеры ставят для вентиляции) Можно попробовать сделать по принципу кресел bmw комфорт, но и блок управления массажем тоже тогда нужно ставить
Так есть массаж. Только его мало. Хочется чтобы и бедра массировало и спину. А не только поясницу
Это одно название массажа, когда хрень в пояснице надувается туда-сюда. Я и говорю про нормальную и логичную работу массажа.
Вот и я о ней, мечтая
keknas
Вибраторы где-то по 3 т.р. за штуку. Ставятся элементарно, просто защелкиваются в штатное место
А можно по подробней, где именно и как они защелкиваются, после замены кресел левый валик как-то не невнятно вибрирует, еле-еле чувствуется, может выскочил из своего места.
Правый в норме.
Спасибо!
Привет! Он с завода невнятно вибрирует, именно левый. Так что все норм
Привет! Но на старом комплекте все было гуд…
Ну значит соскочил. У меня левый чуть меньше ощущается правого
Спасибо, попробую снять, поглядеть!
Поднимай на максимум сидуху, сдвигай вперед и со стороны заднего сиденья лезь и смотри — все в доступе
Да, пробовал уже, но все дело в том что я и не знаю как они выглядят и где вставляются, в валики или в подушку
Супер система, я бы поставил с удовольствием, скажи а какова цена вместе с установкой? Если это возможно.
Возможно, ответил в личку
Тоже интересно. Можно в личку )
Разве в России эта система не доступна была?
У меня она стояла при покупке, пользую постоянно!
По моим данным не поставлялась. Можно VIN Вашей машины
LexaP351OM
Разве в России эта система не доступна была?
У меня она стояла при покупке, пользую постоянно!
Круто, впервые вижу такую
О как, мало того что один в Сочи, так ведь и редкий экземпляр для России!
LexaP351OM
Разве в России эта система не доступна была?
У меня она стояла при покупке, пользую постоянно!
У меня также эти обе системы стояли штатно с завода с момента покупки машины в Москве.
Отлично! Я бы больше хотел эту камеру воткнуть из-за автоматического переключения дальнего света. Очень удобная штука! И как ты говоришь, датчик дождя стал работать лучше! Вот это тоже очень замечательно! Т.к. обычный датчик дождя выбешивает.это не датчик дождя, а г… не пользуюсь им. Опять же сравнивая с другими авто с подобной функцией. Ну а функция пересечения разметки очень полезна на дальняк… Кстати как она работает с нашей вечно пошарканной разметкой?
Пока не тестил на дальние расстояния
на предыдущем с4 пикассо тоже есть такая опция.
Пошел копить на DS5 =)
Ставил такую камеру почти год назад, ничего сложного, функциями доволен.Собрал весь комплект б/у из Польши.Еще установил на авто наружные зеркала с фотохромом от С5, советую.
Просто фотхромные зеркальные элементы или целиком зеркала с памятью?
Просто элементы, они идеально подходят, запитал напрямую от зеркала заднего вида, память не ставил, посчитав ненужным.
А зеркало внутрисалонное менял?
нет необходимости, даже в разьеме зеркала [тот что внутри] есть свободные пины для подключения
Нет там пинов под внешний фотохром
Я их не прозванивал, утверждать не буду, я сделал как на фото, но они есть
Neizvesnyj
Просто элементы, они идеально подходят, запитал напрямую от зеркала заднего вида, память не ставил, посчитав ненужным.
А как они подключаются? Фотодатчик в самом стекле?
Датчик в корпусе зеркала он прямо под зеркальным элементом.
А у меня лично к этим приблудам двоякое мнение, с одной стороны вроде и прикольно что есть, а с другой… я например когда не было зеркала с авто затемнением, хотел все его иметь, теперь когда есть, мне не нравиться его неадекватная работа, пока оно там надумает затемниться ослепнуть можно от задних фар, лучше б рычажок был — щелк как те надо :) Так же и с разметкой, у нас она видна первые две недели пока покрасили — а потом и глазами то не особо увидишь :)
Странно, на PSA претензий к работе фотохрома нет. Это на ауди чтоль?
Ага на ауди, на PSA не было возможности протестить :)
очередная нужная ф-ция … вот только в моем случае можно еще поставить систему active system breaks (на 208 рестайл такая ф-ция)
— у меня под зеркалом видеорегистратор BlacVue (ему там самое место)
— кожух зеркала Ligine S
нужно от чего-то отказываться будет
active system breaks тоже в планах воткнуть и круиз активный
Активный круиз же в пределах 30 мк/ч? Или нет?!
нет
На последних пикассо вроде именно так. Тогда будет ещё интереснее узнать что там и как)
Да, аналогично
А разъём под эту камеру предусмотрен на наших авто? Только проводов нужных нет?
Да, датчик дождя снял, камеру поставил. На самом деле элементраная доработка
Да, но сложности в том, что потолок снимать нужно:) провода ведь идут вверху. В твоём случае ты сделал это заодно с заменой крыши!
Потолок снимать не обязательно. Сколько микрофонов уже протянул через крышу))
Очень полезная доработка! А я блин сознательно не заказал эту опцию:) а потом спустя 2 года пожалел, т.к на трассе задолбался тыркать дальний свет туда/сюда
Так эта опция вроде как недоступна была для РФ, ошибаюсь?
Да и слежение за разметкой полезная штука, лично я бывает отвлекаюсь, когда еду на длинные расстояния. Было раз выехал на автобаме за разметку боковую, но она там ребристая, лучше всяких вибраторов работает)
Да, она была доступна! Стоила 25 тыс :) уже ездил на DS в Европу?
На DS пока нет
а на стекле (как закрывается этот блок?) — а то не эстетически смотрится
Все штатно предусмотрено
а ну так норм… я просто на твоих фото данного закрывающего кожуха не увидел
Классная штука! Дорогое удовольствие?)
Считаю что нет, оборудование 22 т.р., но это если через меня брать. А так у дилера только камера стоит 49 т.р.
У тебя связи в Сошо ?
и там тоже
В общем собирай гибрид :))
Эта мысль уже отпала, задняя часть у гибрида другая, а пилить жалко
keknas
Считаю что нет, оборудование 22 т.р., но это если через меня брать. А так у дилера только камера стоит 49 т.р.
Всего 22 т.р? Блин, круто! Однозначно стоит своих денег.
заменить вибратор в кресле шокером, тогда при перестроении без поворотника будешь удар получать) хотя лучше шокер переключить на пассажира — чтобы не терять управление.
а так штука классная, на кан2004 подобного нет?
))) Есть, но с инфракрасными датчиками. Слишком дорого и загрязняются быстро
Ага, по регламенту на каждом ТО эти датчики надо чистить.
это в Европе, у нас каждую неделю))
что еще осталось поставить что бы догнать буржуинов ? ))
Слепые зоны
Как всегда круто)
Я вот только думал, что AFIL для ds5 от датчиков под бампером работает. Для c4b7 вроде видел ролик, где именно такая система.
В DS5 более продвинутая система. В DS4 используются инфракрасные датчики под бампером, хотя структура автомобиля позволяет установить МФК как на DS5. Не знаю почему так, наверное сэкономили
Зачетно.