
Может кому нужны будут электросхемы. Сам долго искал, хочу поделиться.




Запчасти на фото: 580161

Запчасти на фото: 2904290





Запчасти на фото: S0615

Запчасти на фото: S0611

Запчасти на фото: 115919


Запчасти на фото: 115917

Запчасти на фото: 112655, 1412617126




Запчасти на фото: 1331Z4





Комментарии 13
Здравствуйте, есть описание схем? конкретно интересует схема №6 центрозамка.
Здравствуйте можно схему оаспиновки 2din магнитолы
Добрый день, к сожалению такой схемы у меня нет.
Добрый день, подскажите пожалуйста какое напряжение должно выходить з клеми 3 датчика масового расхода воздуха( 165), схема 13, управление двигателем, так как после него или с него запитаны половина еще датчиков согласно схеми.
Спасибо! Очень надеюсь что схемы помогут. Пропала искра. Может иммобилайзер, может катушка, может датчик к.в. Скорее всего что-то отвалилось. Вот и надеюсь на схему. А где схемы брали? Может есть вся книга? Можете поделиться?
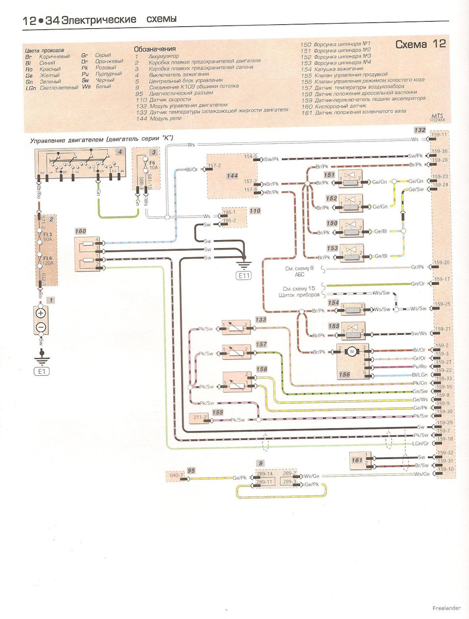
Жаль что не дана схема от блока реле которая под номером"144"(схема 12)
Спасибо! Пригодилось.
я так понимаю от фрила 2005 года рестайлинг данные схемы не совпадают?
Это схемы 1997-2001 включительно. После 2001 на мозгаз уже шёл протокол obd2. Думаю, что в основном семы те же (например печка, фары, абс и спуск с горы, ну и т.д.). А вот управление движком наверное будет другое.
Спасибо)))
а можно на мыло?
Без проблем. В личку сбрось адрес. Закину.
Сбрось пожалуйста схемы на емаил, если есть возможность, elektric998@rambler.ru