Идеей установки данного блока заинтересовался ещё при прочтении данной записи, тогда я про этот блок ничего не слышал и не видел его, поэтому первое что я сделал это стал вести поиски информации, нашлось следующее:
Назначение блока для определения заряда аккумуляторной батареи (BECB) состоит в вычислении степени заряженности аккумуляторной батареи на основе измеряемых параметров (напряжение, ток) и вычисляемых параметров (внутренняя температура аккумуляторной батареи); выходная информация передается в интеллектуальный коммутационный блок с целью управления активацией экономичного режима расхода энергии. Его функции:
— оптимизация управления подачей электроэнергии;
— оптимизация процесса разрядки, а при неработающем генераторе обеспечение работы систем комфорта;
— контроль напряжения, тока, температуры и степени заряженности аккумуляторной батареи при выключенном и включенном зажигании;
— определение исправности аккумуляторной батареи при выключенном и включенном зажигании;
— информирование блока BSI о недостаточном и критическом заряде аккумуляторной батареи.
С полным описанием блока можно ознакомиться здесь.
Начитавшись информации я захотел приобрести данный блок и как раз в это время наткнулся на запись о продаже от laleksss. Оставался вопрос с доставкой из Москвы в Минск, с этим выручил Антон, за что ему большое спасибо. Отправлял почтой, шла посылка недели две, по цене вышло в 7$.


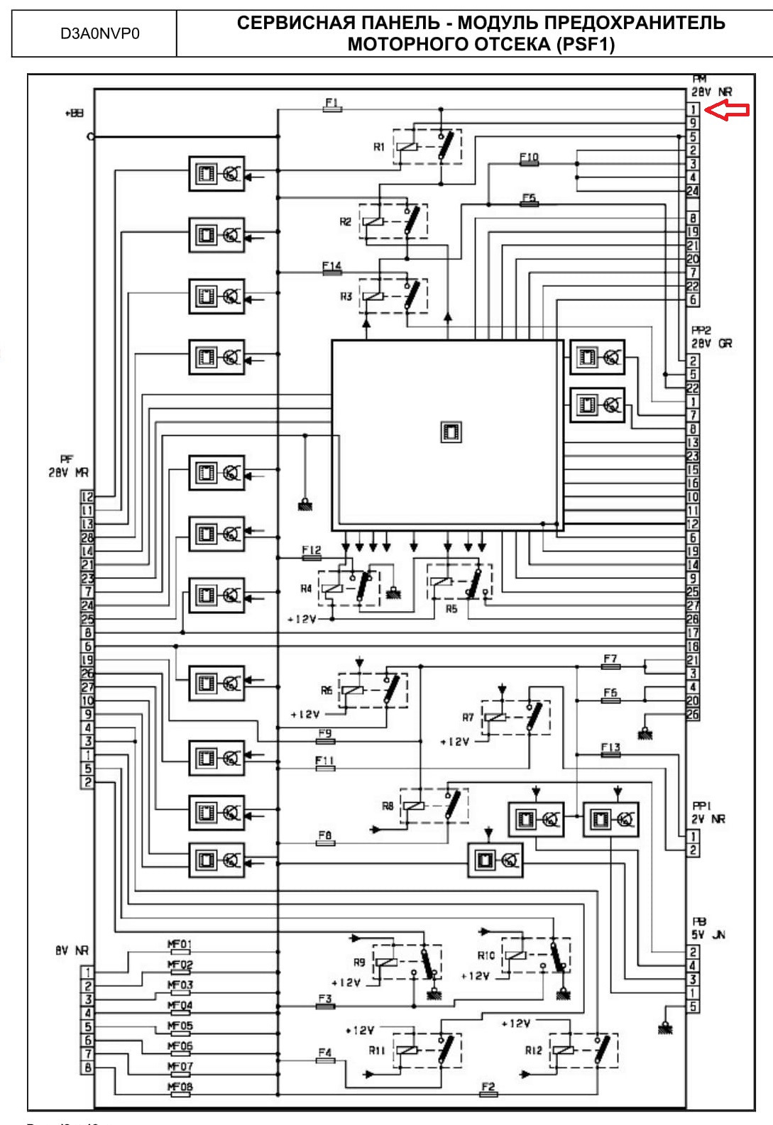
Для установки первым я что сделал это изучил схемы подключения, т.к. на С4 блок никогда не устанавливался смотрел от С5 (Х7).

Из схемы видно что блок на схеме под номером 1031 и подключается он следующим образом:
Пин 1 — BSI — 40VNR — 3 пин;
Пин 2 — BF01 — 2 пин.
Если с первым пином было сразу понятно, то со вторым возникли вопросы. На второй пин должен подаваться постоянный плюс через предохранитель, посмотрев схему С4 таким предохранителем на блоке PSF оказался F1.


Провод до блока BSI я протянул через гофру установленную ранее для корректора фар.


Т.к. точной длины необходимых проводов я не знал то монтаж производил на месте.

Плюсовой провод как видно из схемы подключал к блоку PSF, разъём 28VNR 1 пин. В эту фишку подошёл пин от моторчика управления зеркалом заднего вида оставшийся после прокачки зеркал).

Плюсовой провод (на фото синего цвета) взят был сечением по больше чем для BSI. Колодец под пин был свободен.

Последней задачей оставался поиск фишки к самому блоку (в комплекте к сожалению не было), с этим было сложнее т.к. на разборках таких блоков не бывало.

Была найдена у себя максимально похожая фишка от повторителя поворота в зеркале.


Естественно фишка просто так не подошла, пришлось уменьшить её в ширине, спилить лишнее и поджать пины, но по итогу всё получилось.

Описывать процесс снятия минусовой клеммы и установки клеммы с блоком не буду, думаю с этим и так всё понятно (снять крышку, аккумулятор и подставку).

Для проводов была куплена тонкая гофра длиной в 0,5 м (с учётом того что частично были использованы ранее установленные гофры).

На финишной прямой установки оставалось с помощью Lexia/Diagbox включить блок и настроить в соответствии с вашим аккумулятором.

Единственное что можно было установить это ёмкость аккумулятора (60, 70 и 75), т.к. у меня установлена АКБ ёмкостью 64 был выбран параметр 60.

С помощью данного блока можно просматривать параметры АКБ.

Один вопрос на который я не знаю ответ это увеличивает блок время перехода в экономичный режим, т.к. за время наблюдения результаты разные. Если кто знает ответ на этот вопрос прошу подсказать;)







Комментарии 40
Привет. В каком меню ёмкость акб меняется, у меня почему-то не активное окно. АКБ ТОЖЕ на 64 Ач
Привет! В самом блоке BECB, а также в BSI если прошивка не старая
Вот ещë фото
Приветствую! Надломился этот разъём, как думаешь критично? Ошибок нет
Добрый день, если блок работает то можно просто защитить пины от попадания на них влаги и образования окислов
За пару лет накопился опыт фишек этого компонента?
Климат реально работает с Выкл. Зажиганием?
Как понял эконом мод он включает только раньше, а не позже 30 мин. Это плохо
Про климат первый раз слышу такое) Включение эконом мода настраивается в блоке бси, есть пункт оценка заряда осуществляется через бси или блок…
> оптимизация процесса разрядки, а при неработающем генераторе обеспечение работы систем комфорта;
Вот такой пункт наверху же есть))
Дело в том что климат на golf vii работает и с выключенным двигателем, но не всегда.
Как понял удлинение времени (30 мин) до эконом мода так и не происходит и реальных фич видимых тоже нет…
Генератор хоть как-то отключается с этим модулем? Например при разгоне как на ep6
Ну так да при не работающем генераторе но не при отсутствии зажигания как я понимаю…
Честно про генератор не в курсе, после установки наблюдения не проводил…
Уже хорошо, если при зажигании работает.
Но тяга то с ним не поменялась? Типа там двигатель начал быстрее раскручиваться и т.п?
alexkbr
Ну так да при не работающем генераторе но не при отсутствии зажигания как я понимаю…
Честно про генератор не в курсе, после установки наблюдения не проводил…
Приветствую, как у вас с этим блоком на сегодня? Музыку можно 5-6 часов послушать без выключения?
Нет, блок такого не позволяет к сожалению, может с новым аккумулятором и лучше дела, но у меня не долго даёт поработать
А это этот-же разъём на датчике забортной температуры на BMW
блок я тоже прикупил. на фотке был с проводом. пшек прислал без. муки поиска и о чудо. в магазине на глаз за 100р был куплен cargen 332 АХ Рем.набор-Колодка к датч.темпер.наружного воздуха, ABS, с проводами от ВАЗа
cargen.ru/catalog/1_remon…hnye_s_provodami_1/18539/
А от каких машин подходят блоки контроля? Есть ли разница, донор — машина была со start-stop или нет? По servicebox'ам ситроена и пежо вариантов данных блоков наверно больше 10
Когда вёл поиски на это не обращал внимания, думаю разницы нет ни какой учитывая что все настраивается в Diagbox
Фишка один в один от датчика наружной температуры на ВАЗ. И на датчики ABS того же производителя. На днях знакомому на 3008 чинил этот блок, отложили крышкой, при отстегивании вся электрика ругается на отсутствие зарядки.
Этого не знал, спасибо за информацию
Я тоже никакой пользы от него не ощутил: год назад заменил АКБ на 75 AH, родной работал отлично, но в сильные морозы при запуске крутил стартер как-то загадочно ))) при проверке мидтрониксом — результат "замените АКБ". Так вот после замены на новую Варту 75 AH покатался неделю со старыми настройками блока (на 60 или 65) никакой разницы и после перепрограммирования тоже ничего не поменялось.
Остается надеяться, что он просто "бережет" батарею от возможных скачков напряжения и эффективнее ее заряжает…
Настройка ёмкости батареи вроде же для корректного расчёта, мы можем и не заметить. А блок считаю аккумулятору по любому будет полезен.
Интересно… На Lancer X с 2010 года для двигателей с низким выбросом CO2 либо работающих на смеси бензин+этанол (FFV) тоже предусмотрен такой датчик: измеряет ток и температуру батареи. Вместо BSI подключается к ECU двигателя и по аналогу, а не по LIN шине. Обеспечивает "топливную экономичность и более продолжительный срок службы батареи". Может тоже замутить себе такой "апгрейд", но у меня одним датчиком и проводкой не обойдется: ECU двигателя 2009 года, по схемам к нему не предусмотрено подключение такого датчика. Зато ничего активировать не надо)))
Славянам когда все просто не интересно =)
Блок контроля должен ускорить переход в ждущий режим. Я переключил на расчет BSI.
А в остальном он работает как раньше кроме перехода в эконом мод?
Все также, эконом мод просто расчитывается BSI а не блоком контроля батареи
Тогда нормально, но у меня такого пункта нет, пробовали заходить через С5, все также. Думаю может обновление BSI что даст…
PavelN02
Блок контроля должен ускорить переход в ждущий режим. Я переключил на расчет BSI.
Подскажи плиз как это сделать через лексией, если можно с картинками.
Внушительный список — знакомо по продаже машин вообще, пусть в данном случае будет этот блок. Нет от него пользы, вот в чем проблема, только вечный эконом-режим. Новый аккумулятор, исправный генератор, все в порядке, однако даже 5 минут до эконома — приличный результат. Бывает меньше, бывает больше. Оригинальный аккумулятор прожил 5 лет у меня, и умер на раз. На новом заряженном полностью после включения зажигания, для диагностики например, напряжение с начальных 12,5 падает почти сразу, хоть что делай, там жрет что-то прилично, все нормальные люди при подключении диагностики, во всяком случае для долгих процедур типа перепрошивки, сразу подключают зарядку к аккуму, а потом уже комп, если есть такая возможность.
Как написали выше переход на эконом мод можно возложить на BSI, а список того что делает блок не маленький…
На мой взгляд в эконом режим начинает переходить при достижении какого то значения напряжения, после которого дальнейший разряд является губительным для аккумулятора.
Не зря по 7-8 лет служат аккумуляторы…
Может быть, но за пол часа наврятли упадёт напряжение до критического. У меня заводской аккумулятор 8 лет проработал!
Ну смотря какой силой тока разрядка будет идти.
Например есть такая таблица, не знаю насколько правильная, и 75% заряда это уже я бы сказал критично для аккумулятора. в лексии у тебя по моему согласно этой таблице емкость отображается.
100 -> 12.71
95 -> 12.65
90 -> 12.57
85 -> 12.53
80 -> 12.47
78 -> 12.41
70 -> 12.37
65 -> 12.33
60 -> 12.29
55 -> 12.25
50 -> 12.21
40 -> 12.13
30 -> 12.05
20 -> 11.99
10 -> 11.95
Откуда ты взял что в Лексии по этой таблице отображается?
Ну сопоставить отобоажаемое напряжение и процент, совпадает
Дану!
www.drive2.ru/l/6002107/
59% прт 11,9 !
KuzhmoBatyr
На мой взгляд в эконом режим начинает переходить при достижении какого то значения напряжения, после которого дальнейший разряд является губительным для аккумулятора.
Не зря по 7-8 лет служат аккумуляторы…
ошибочный взгляд, в эконом режим переходит по таймеру, 7-8 лет служат только хорошие брендовые аккумуляторы
ну у меня всегда по разному в эконом режим переходит, на сколько мне удалось заметить.
Иногда, даже например оставил машину на неделю, включил зажигание — эконома нет.
Иногда через день может появиться.
Иногда и через несколько минут, если допустим сидишь в салоне и свет включен.
Эконом режим включается через 30мин после остановки двигателя, и раньше, если двигатель проработал меньше 15мин, по-моему так, могу ошибаться в цифрах, но схема такая. Попробуйте поставить подсевший аккум, и эконом режим включится через 30мин как ни в чем не бывало.
Привет Сань. А я наоборот лексией перевел контроль заряда на бси. Задолбал этот блок меня. 5 мин и все, econom mode. Музон слушать невозможно было. И это до установки усилка. На драйве нашел как его переключить, и отключил. Думал батарея дохлая, вот он и вырубается, но вторую зиму аккум заводит машину без проблем. Даже ни разу не заряжал его. Но больше 5 мин не давал слушать музыку. За это я с ним и расстался. А теперь выясняется, что еще и емкость аккумулятора выставляется. Может в этом и есть беда. Может у меня неверные параметры стояли, вот он и чудил? Надо проверить. Ведь функция то нужная.
Ну список того что он делает внушительный, поэтому в полезности сомневаться не приходится. А так да, проверь конечно