
Первая моя запись. Думаю она станет полезной.
Решился на установку кнопок в обычный руль.
Сначала уточнил информацию о возможностях моих подрулевых блоков. Забегая вперед, у меня уже стоял круиз контроль с 12г., установкой занимался ОД. Они же мне прописали в мозгах круиз и сделали адаптацию руля.
Напишу коротко т.к. информации на драйве полно.
Устовлено:
1.

2.

3.

За покупками:


Еще нужен шлейф мультируля, но я доработал свой, воспользовавшись этой темой www.drive2.ru/l/6422691/, заказал разъем, провода и пины у знакомого продавца запчастей.

Перейдем к установке:
Как снять подушку, руль, поставить круиз этого ни чего не будет. Есть на драйве.



Подсветка кнопок, кнопки, сигнал у вас работать не будут пока вы их не пропишите васей. Я прописал свой руль только через 2 дня, думал с ума сойду. Здесь я руководствовался темой lazerboy www.drive2.ru/l/290725/ .



Комментарии 84
Подскажите, плиз, взаимозаменяемы ли подушки на этих Рулях?
И можно ли кнопки переставить на руль без кнопок?
Подушки одинаковые. Кнопки наверное можно установить но резать придется руль. Тебе проще махнуть рули.
Понятно, спасибо!)
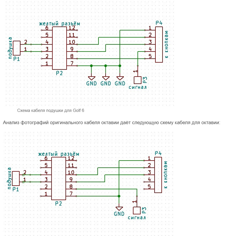
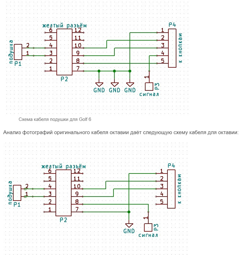
Добрый день, какая схема будет работать на гольфе 6, верхняя или нижняя?
Привет. Сейчас точно не вспомню, но там подписано что верхняя
Собрал себе такой руль, блок поставил с буквой А, что то сигнал не работает, вижу что есть разница в распайке, спасибо
Коллеги, получилось ли у кого что то придумать?) Форма руля нравиться не хочется менять, но кнопки хочется.
www.avito.ru/moskva/zapch…os&utm_source=soc_sharing
jup350
Коллеги, получилось ли у кого что то придумать?) Форма руля нравиться не хочется менять, но кнопки хочется.
да можно купить накладку с али и переделать крепления самих площадок кнопок и все встает, поищите на драйве люди уже многие так делали. я тупо сменил руль.
www.drive2.ru/l/608335320588504405/ вот как пример, и так же делают с обычным рулем, кто то еще и 2 слой кожи сверху накидывает чтобы руль толще стал
jup350
Коллеги, получилось ли у кого что то придумать?) Форма руля нравиться не хочется менять, но кнопки хочется.
Поставил себе на такой же руль
А какой у вас номер подрулевого блока и стрекозы? Что бы заработало все интересно…
Был 5K0953569
jup350
А какой у вас номер подрулевого блока и стрекозы? Что бы заработало все интересно…
Купил с буквой 5K0953569B
Приборка мфа+ Будет
Как вариант отсканировал бы мне кто левые кнопки корпуса. Я бы на 3д сделал матрицу да потом в силиконе бы отлил. У самого сканера нет :( и найти не могу в москве кто такую мелочь отсканирует за вменяемые деньги с можелью
Можно поставить и правые кнопки но по бюджету выйдет в районе 5 к (правые кнопки) правые можно взять обычные и разобрать. Китаезы продают накладку аля gti, снимаем левые и правые, разбираем, верхнюю часть в сторону и прикручиваем платы к накладке, ставим все на штатное место, закручиваем, ставим подушку, програмируем
Не получится, проходили, накладка в местах установок кнопок шире мест на руле. Накладку продают для замены старой а не для внедрения кнопок.
Ну возможно, но есть ведь тогда вариант купить 3х кнопочные и перекинуть туда 6 кнопочные платы, по сути форма кнопок одинаковая, функционал тоже, отличия только в корпусе самих кнопок. Или такой вариант не проканал тоже ? Дорого конечно получается, но я хз я вот взял отцу новый мультик с круглой подушкой за 7 и на авито нашел кнопки для треугольной подушки правые за 2, сейчас на алике ищу корпуса для 3х кнопок так как сами кнопки 5 стоят. Просто очень мне визуально пасатовский руль не нравится.
Вот таким я не занимался. Не знаю рабочий ли это вариант. У тебя какая приборка стоит? Нужны ли тебе правые кнопки? Там работать будет вверх и вниз на простой приборке.
Как снял заглушку(крышечку)? Она откручивается и вырвал?
Она плотно вставлена в резину. Тяни на себя расшатывая.
5K0998537B кнопки
5K0959542B блок, вместо буквы В буква А
5K0971584D проводка, вместо буквы D буква А
Нигде не нашел инфу, подойдет ли блок и проводка к кнопкам
Ты поосторожнее с этими кнопками? Они не подходят на рули от обычных версий, только gti и r-line. Провода должны подойти там я невидел разницы, покупал то что было. Блок отличается только подключением лепестков за рулём.
У меня руль р-лайн, без кнопок, зачесалиль руки кнопки воткнуть
Во всем остальном разобрался, кроме этих двух позиции
А есть артикул крышечек, которые без кнопок?
Которые вместо кнопок, нет.
Не пойму почему 2 шлейфа на фото 6.
Блок кнопок покупал вместе с проводами для левой и правой стороны. А так нужен один
ОК, спасибо
Какой длины должны быть провода от разъёма подушки до блока кнопок (при доработке жгута подушки)?
Я сейчас не вспомню даже. См 15 возьми.
Спасибо, ориентир есть.
Добрый вечер! А если у меня руль GTI, мне такие же кнопки искать? Или другие?
Добрый! Нет тебе нужны кнопки блестящие с дугой, как на фото.
Не до конца понимаю почему правые кнопки не встанут?
Там, ведь, тоже заглушка стоит
Привет. Правых кнопок не существует.
А это что?
Не те. Они все разные. Даже этих кнопок как на фото два вида, отличающиеся только креплениями. У них форма другая, приглядись!
То есть, чтобы было, как у тебя надо найти левые кнопки и заменить блок? Руль у меня такой же
Да, только номер ищи как в посте, или от поло. И Прописать кабелем мультируль.
Так. И блок кнопок нужно купить?
Всё верно. Подумай, поищи может сразу руль от поло с кнопками найдёшь. Свой потом продашь. Останешься блок поменять. Делов то)))
Вот ни фига. Шлейф подушки ещё менять придется
У меня в посте написано о доработке шлейфа. 👆
Купил я, значит, этот шлейф — 5K0953549B. И он не встал. Сказали, что у меня не так он выглядит. Надо просто кольцо, без платы. Нашёл вот такое — 1K0 959 653 C. Но их тоже масса вариантов. С разными буквами на конце. Не знаю какой подходящий. Всю голову уже сломал
Все модели которые есть выбирай максимальный
Это модели блока, который мне не подошел. Мне нужно только кольцо
Круто!
Добрый, а не подскажите на Али такие кнопки не встанет?
ru.aliexpress.com/item/OE…J&ws_ab_test=searchweb0_0, searchweb201602_2_10065_10068_204_318_319_10059_10884_10887_100031_10696_450_320_10084_10083_10103_5723515_452_10618_535_534_10307_533_532_10301_448_449, searchweb201603_60, ppcSwitch_0&algo_expid=9c8aac77-b6aa-4ae4-bc3e-7bd87b43a2f9-3&algo_pvid=9c8aac77-b6aa-4ae4-bc3e-7bd87b43a2f9&priceBeautifyAB=0
Привет. Нет.
привет. этот блок можно снять не разбирая руля? у меня треки вперед через раз переключает.
Если правильно тебя понял о каком блоке идет речь, то нет. Подушку только снимать нужно.
а какой номер кнопок на правую сторону? Существуют ли он и отдельно? ибо руль с круглой подушкой…
На такой руль нет правых кнопок, только замена руля .
Оо? Как нет? Неужели ваш настолько туп?
Он не тупой. Кнопки взяты с polo, а на поло нет рулей с кнопками с обеих сторон, только у gti версии. У меня панель приборов не МФА+, так что правыми кнопками мне переключать нечего, отлично справляется качелька на подрулевом переключателе. Если вам нужны обе кнопки меняйте на руль с вытянутой подушкой или gti/r руль, можно без подушки (ваша подушка подойдёт).
А кнопки с того же р или гти не подойдут? По форме 1в1?
Не подойдут, попробовал. У них кнопки шире чем спицы на руле. Не ищи варианты, не трать время.
Ясно, спасибо.
Печалька…
В гольф клубе в вк продавали мультируль за 8 с подушкой. Поищи ещё предложения по мультирулям, только осторожно не нарвись на мошенников)))
Та я дешевле у себя по месту куплю. Просто бредово получается. И руль кожа, и по стилю уже типа мк6 но хочешь кнопки меняй на почти такой же…
Добрый вечер, а не подскажите какой артикул блока кнопок, что то не пойму по фото?
Привет. Ищи 6R0959537. Посмотри чтобы руль был как у меня с круглой подушкой.
Вроде такой же. Или отличается?
Такой же. Давай в личку перейдем.
Еще нюанс . На АЛИ есть только кнопки 6С0959537 — с буквочкой С. они подойдут?..
ru.aliexpress.com/item/DW…2114.41010208.4.63.7Dmwf7
Какой у вас руль? Как у меня? то ищите только эти кнопки 6R. 5C и 3C не подойдут.
А почему 5С не подойдут? Из-за подушки?
Да, у 5С не такой изгиб подушки, и боковые спицы другой формы.
спасибо
я тоже хочу так сделать. А почему правые кнопки не меняли?
На правой стороне стоят кнопки управления приборкой(борт. компьютер), а у меня приборка простая, только вверх и вниз листает, поэтому мне они не нужны. Во-вторых на правую сторону не существует отдельных кнопок для таких рулей.)
жесть какая) а купить целый не проще?)
С прямой подушкой мне не нравиться, а на gti нет 25 тыс. От 16 года рули за 15 т. не подходят к интерьеру))))
Норм получилось, а в сборе мультик у вас не найти? В спб 6-7₽ стоит мало б/у.
У нас в городе не продают рули. В интернете за 6-7 р. только без подушки видел. Меня такой вариант не устраивает. Бюджет тоже сжат, нет лишних денег, да и руль мне мой нравится и состояние отличное)))))
Где покупал кнопки? Блок кнопок приобретал отдельно? У меня подрулевой блок 549С, что он поддерживает?
Кнопки на авито нашел 1500+ доставка. Блок тоже на авито за 1500+ доставка. У меня такой же блок лежит, почему-то ОД его поменял на мах. Мне один человек сказал, что 549С держит мультируль, но в интернете я нашел, что он держит только круиз и БК.
Привет. Хочу тоже заморочиться с установкой кнопок в руль. Напиши пожалуйста номер блока кнопок. На фото не видно закрашено зелёным.
Привет. 5K0 959 542 A
Спасибо. А магнитола у тебя ори или Китай?
В этом посте китай стоит, сейчас rcd330 +, кнопки будут и с оригиналом работать.
Individ2
Где покупал кнопки? Блок кнопок приобретал отдельно? У меня подрулевой блок 549С, что он поддерживает?
Тут мне кажется все очень подробно описано www.drive2.ru/l/4062246863888569687/
Тоже думаю заморочиться на али заказать блок и стрекозу для круиза. а то мультируль есть а круиза нет 😠
Респект и уважение ! Красавчик !