Нигде вроде не было этой информации.
Оконечник усилитель в 187A NoName, это м/сх TDF8546J, в 187B стоит она же.

Линейный выход можно реализовать либо напрямую через электролитические конденсаторы 10мкФ на 16V, либо через предварительный усилитель (что правильней) типа такого,
подпаяться к контактам на фото.







Комментарии 21
На bmw f30 в усилке hi-fi используется данная микросхема с такой же развязкой) Вот итог "качества" откуда
типа такого — shopeasy.by/redirect/cpa/…mp-New%2F32681442330.html
как раз таки будет не совсем верным решением!
лучше поступить так — sova-audio.blogspot.com/2016/08/blog-post.html
Плюс ко всему если затратить еще маленько времени на разбор схемотехники данного ШГУ, вы будете удивлены ещё ЧЕТЫРЁМ разделительным конденсорам ближе к аудио контроллеру, включённых последовательно с теми что вы уже обозначили на схеме.
Очень разочаровала эта магнитола, как звуком, так и функционалом, перестала быть интересной года два как, назад. А так-то да, спасибо за коммент, может кому поможет!
А можно ли к данной схеме вывести 3-ю пару линейников под усь саба? Или 2 пары — максимум? Если можно 3-ю, то одним предусилителем можно будет также обойтись?
Что решили? мне тоже интересно! хочу вывести три пары
Спасибо за инфу.
Есть еще один вопрос: "remote" насколько легко вывести с этой магнитолы? А то находил только ролик, где мужик заморачивался с ардуино, подключаемой к I2C
Пожалуйста. Про ремоут понятия не имею как.
И еще тогда вопрос. Сегодня поставил предусилитель как по вашей ссылке. Все заиграло, но слышен пищащий фон с наводками. Конденсаторы все-таки надо между предом и материнской платой магнитолы ставить? Или это вообще за рамками данной темы?
Конденсаторы же нарисованы на фото, они нужны конечно! Земля для предов должна быть хорошая ещё.
Хм. Вот с землей не ясно. Пока просто взял массу с корпуса
При выводе через линейный выход количество низких частот увеличилось или такой же сухой звук?
Не выводил я линейки с неё, просто запостил для других. Магнитолу себе другую поставил.
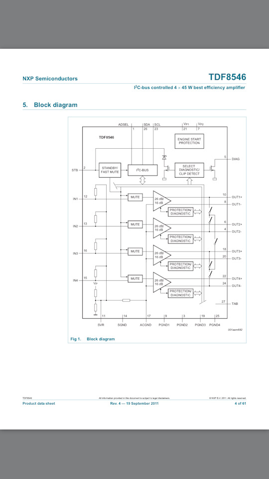
Почему NoName? Это-ж NXP TDF8546J
Вот ссылка на даташит:
www.nxp.com/documents/sho…ata_sheet/TDF8546_SDS.pdf
NoName это модель магнитолы, а не чипа.
а, ну ок тогда :)
Нет, это я виноват, запятую не поставил. Всё, исправил!
И так далее…
Все есть, инфы полно :
Я гуглить умею, прочитать даташит на микруху большого ума тоже не требует. Небыло нигде инфы, что за оконечник в 187А NoName, ну или я не нашёл её. А вот звук у неё отстой! Но так и не ответил никто, что за оконечник в 187B (может потому, что вбив в поисковую строку модель микросхемы, не получится на него ответить)?
Если не умеешь читать даташит, то не стоит браться. Сам аппарат не важен. Ремонтирую радиоапаратуру 20 лет, ноги все подписаны, распиновка известна, вешай кондеры, вот и вход АУХ ! В даташите всё есть.
Какой даташит? Небыло инфы, что за микруха в ней! .даташит мля
Показали тебе микруху, дали название, он кинулся даташит читать ;) ржака. Ты думаешь назначения каналов откуда взялось? Прозвонкой?
Да и какой "АУХ", вы странно анализируете полученную информацию.