
Т.к. в настоящий момент имею доступ к электрическим принципиальным схемам на КИА, то готов в меру сил помочь своим подписчикам со схемами на отдельные узлы. Спрашивайте в этой теме -буду выкладывать картинки в ответ по мере возможности и наличия свободного времени.
В вопросе формулируем: Модель, год, комплектация. Экономьте мне время для других.
ТЕМА ЗАКРЫТА — продолжение ЗДЕСЬ
БЛАГОДАРНОСТЬ ПРИНИМАЕТСЯ НА QIWI — я трачу время, а в ответ чаще всего даже спасибо нет, если так будет дальше, то перестану отвечать на вопросы.






Комментарии 1180
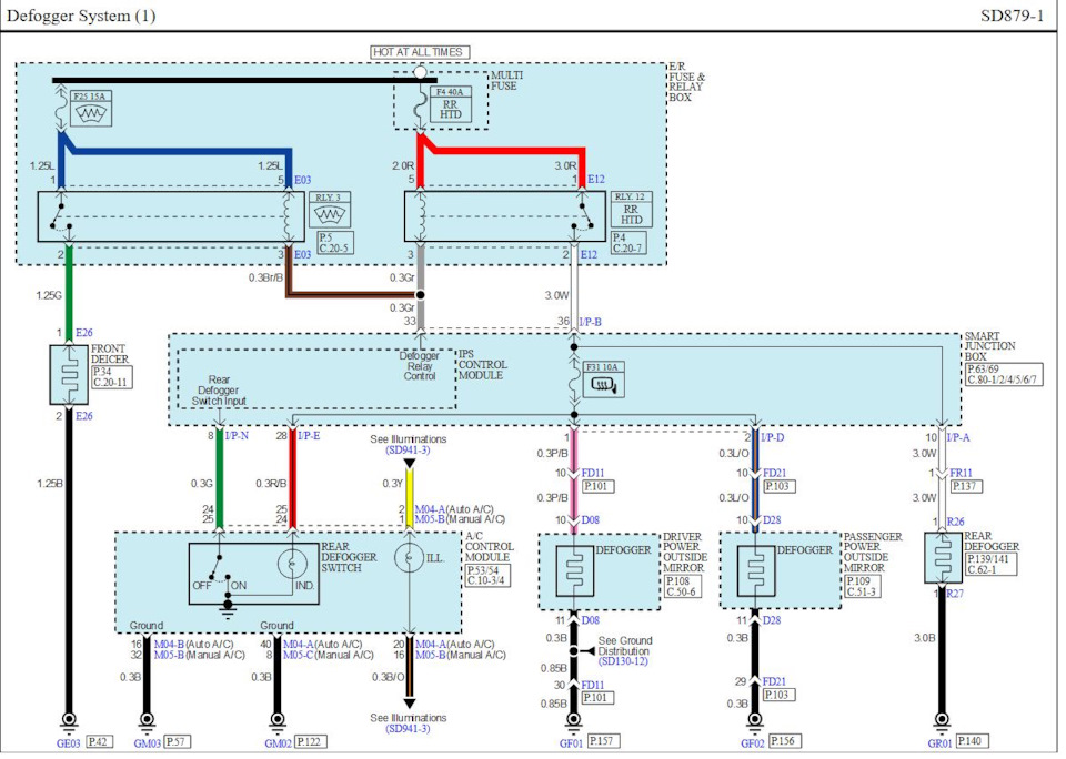
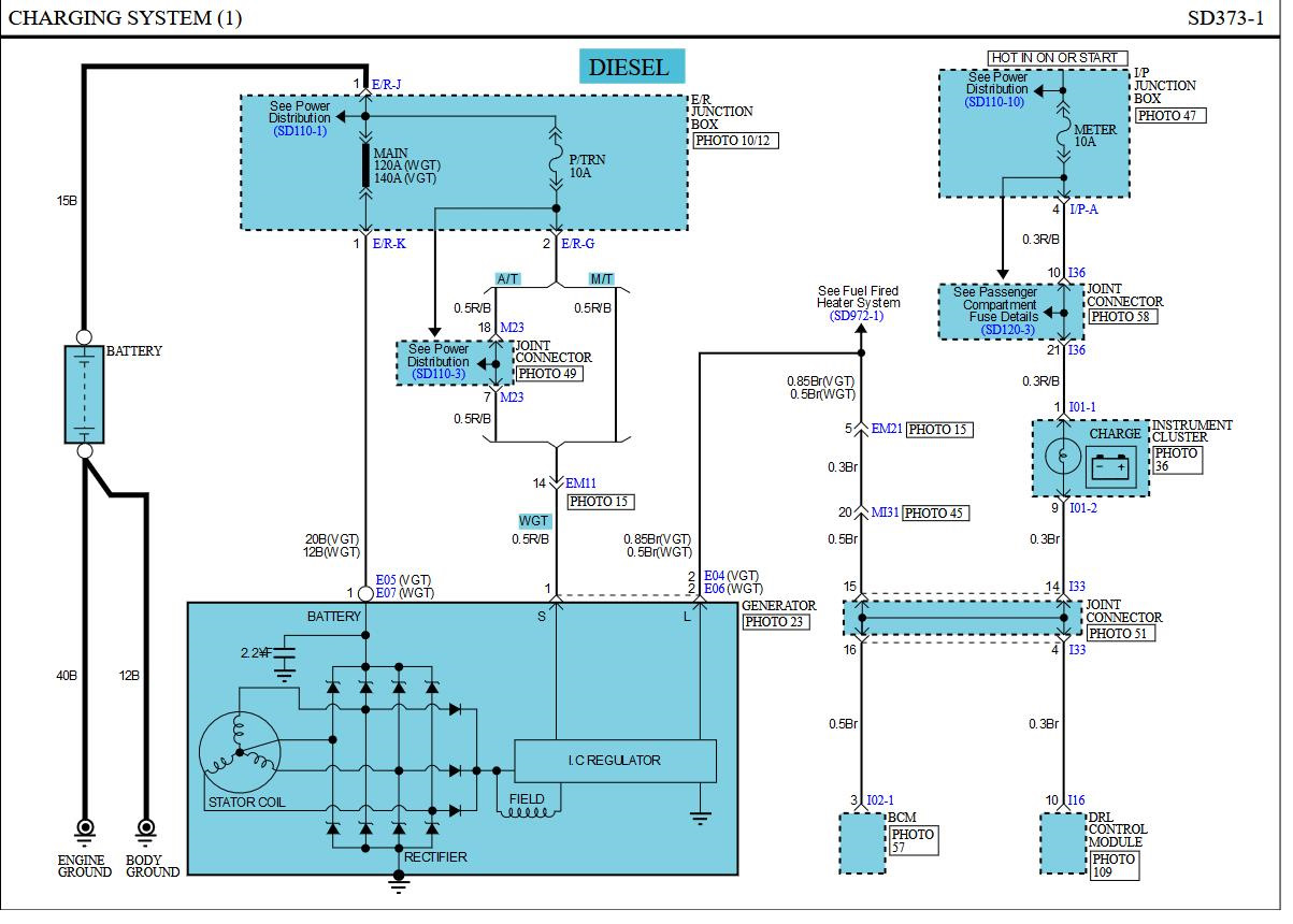
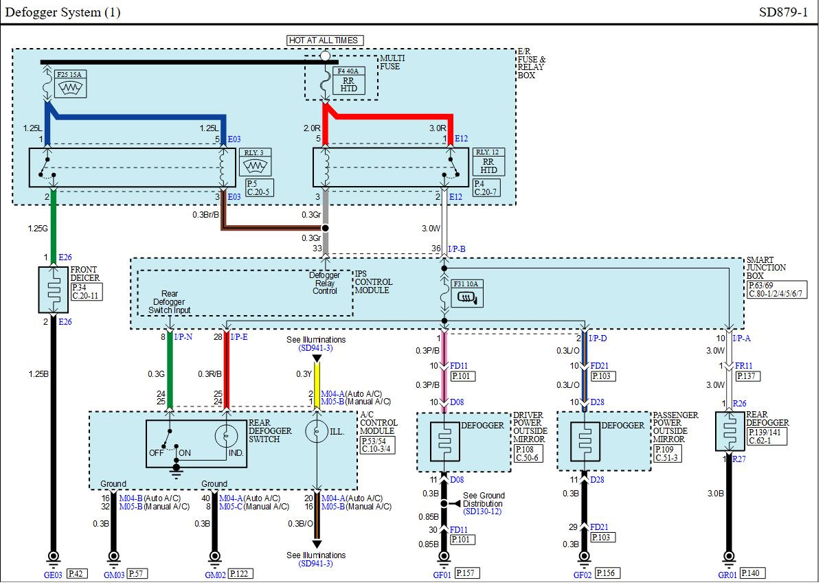
Здравствуйте. Kia Sorento XM FL 2.2 дизель, 2104 г. максимальная комплектация. Нужна схема блока климата(обогрев заднего и ветрового стекла) и кнопок подогрева сидений (перед). Хочу реализовать включение обогревов при автозапуске авто по средством сигнализации. Спасибо
SlaSH7777777
Здравствуйте. Kia Sorento XM FL 2.2 дизель, 2104 г. максимальная комплектация. Нужна схема блока климата(обогрев заднего и ветрового стекла) и кнопок подогрева сидений (перед). Хочу реализовать включение обогревов при автозапуске авто по средством сигнализации. Спасибо
SlaSH7777777
Здравствуйте. Kia Sorento XM FL 2.2 дизель, 2104 г. максимальная комплектация. Нужна схема блока климата(обогрев заднего и ветрового стекла) и кнопок подогрева сидений (перед). Хочу реализовать включение обогревов при автозапуске авто по средством сигнализации. Спасибо
SlaSH7777777
Здравствуйте. Kia Sorento XM FL 2.2 дизель, 2104 г. максимальная комплектация. Нужна схема блока климата(обогрев заднего и ветрового стекла) и кнопок подогрева сидений (перед). Хочу реализовать включение обогревов при автозапуске авто по средством сигнализации. Спасибо
SlaSH7777777
Здравствуйте. Kia Sorento XM FL 2.2 дизель, 2104 г. максимальная комплектация. Нужна схема блока климата(обогрев заднего и ветрового стекла) и кнопок подогрева сидений (перед). Хочу реализовать включение обогревов при автозапуске авто по средством сигнализации. Спасибо
SlaSH7777777
Здравствуйте. Kia Sorento XM FL 2.2 дизель, 2104 г. максимальная комплектация. Нужна схема блока климата(обогрев заднего и ветрового стекла) и кнопок подогрева сидений (перед). Хочу реализовать включение обогревов при автозапуске авто по средством сигнализации. Спасибо
Спасибо боьшое!
Доброго времени суток. Будьте добры, помогите со схемами на блок управления двигателем: KIA Sorento XM FL 2014 (2.4 GDI G4KJ) американка.
Смотрел схемы что есть у Вас здесь, не совсем подходят. Разъемы на блоке управления двигателя не такие. Прикладываю картинку, какие коннектора на блоке управления двигателя у меня. Спасибо.
P.S. если есть возможность и блок предохранителей подкапотных тоже)
Посмотрю, но не уверен, что есть схемы.
b1agir3ff
Доброго времени суток. Будьте добры, помогите со схемами на блок управления двигателем: KIA Sorento XM FL 2014 (2.4 GDI G4KJ) американка.
Смотрел схемы что есть у Вас здесь, не совсем подходят. Разъемы на блоке управления двигателя не такие. Прикладываю картинку, какие коннектора на блоке управления двигателя у меня. Спасибо.
P.S. если есть возможность и блок предохранителей подкапотных тоже)
Для американских XM FL у меня схем нет.
Делал из этого когда поставлю сделаю ещё фото
1 213,58 руб. 9%OFF | Цифровой светодиодный Манометр, 2 дюйма, 52 мм, 0-10 бар
a.aliexpress.com/_9uOZ0b
Спасибо большое
Ок спасибо
Неудобно напоминать про распиновка штекера часов
Каюсь, забыл. Вечером гляну.
Спасибо
Добрый вечер если схема распиновки часов на приборной панели хочу тудаже встроить датчик давления масла в двигателе
Внутренней схемы нет, или нужна распиновка разъема?
Да подойдёт о результатах и изготовлении выложу в посте
Поищу.
Alex79976
Добрый вечер если схема распиновки часов на приборной панели хочу тудаже встроить датчик давления масла в двигателе
Alex79976
Добрый вечер если схема распиновки часов на приборной панели хочу тудаже встроить датчик давления масла в двигателе
Алексей, добрый день. У меня врпросик по алгоритму включения реле вентилятора салонной печки. Хочу поставить вторую АКБ и подцепить на неё ППП Эбершпехер, но боюсь того, что могут быть встречные токи или перехлёст ( не знаю как правильно это называется). Т.Е. при нагреве антифриза до определённой температуры пульт управления ППП даёт сигнал на реле и вентилятор начинает вращаться. Если он даёт ( — ) то минусы двух АКБ могут пересекаться, а если ( + ) ?.. то что-то может сгореть. Конечно можно потыкать в него тестером, но что-то страшновато как бы чего не вышло… второй вариант, воткнуть в управляющий провод диод, но хочется сделать по уму. Если перекинуть отапитель на вторую АКБ, то кроме управляющего провода других проводов, которые бы контактировали бы сбортовой цепью нет…по моему. Хотелось бы посмотреть на схемку и понять как происходит включение переднего вентилятора. Или может Вам не сложно сказать что управляет реле "+" или "-". Спасибо, буду презнателен. P.S. У меня были схемы моего Сорика FL, но я с дуру поставил Касперского на комп, а он, тварь такая, снёс мне два логических диска, на одном и были схемы.% шестьдесят сумел восстановить, а фото, схемы и несколько нужных папок ушли в небытие!
Ещё раз спасибо и хорошего дня!
Начнем с простого вопроса, у Вас прайм? На прайм у меня схемы только до 16-го года есть.
Приветствую !
Нет, обычная Соренто XM FL 2018 года.
Завтра будет время занятся плюсовым проводом от багажника до моторного отсека. Буду прокладывать по днищу. А если зима, а если сугробы, а если наледь? В общем буду колдовать. По поводу реле печки. Если не удастся решить вопрос с релюхой, то оставлю ППП на основной батарее, а запускать движитель подключив вторую. Хотя это не правильно и не красиво. Предпусковой подогреватель должен высасывать дополнительный акум не трогая основной.
Там все непросто т.к. управление через ШИМ, т.е. включить по простому можно будет только на максимальную скорость.
Алексей, спасибище большое за схемы. У меня всё подключено, и с вечера, когда устанавливаешь таймер ППП, нужно АС установить на мин. обороты. Так что с этим порядок. А мне нужно чтоб плюсы двух батарей не встретились в пульте управления ППП. Так что благодаря присланным Вами схемам я надеюсь разберусь. Ещё раз спасибо и хорошего дня!
Делайте развязку на диодах
Да Алексей, я об этом и думал. Только какой ( какие) диоды ставить немного в тупике. Сейчас распечатаю схемки и завтра с утра пойду разбираться куда приходит провод от пульту управления. Спасибки.
bright959
Приветствую !
Нет, обычная Соренто XM FL 2018 года.
Завтра будет время занятся плюсовым проводом от багажника до моторного отсека. Буду прокладывать по днищу. А если зима, а если сугробы, а если наледь? В общем буду колдовать. По поводу реле печки. Если не удастся решить вопрос с релюхой, то оставлю ППП на основной батарее, а запускать движитель подключив вторую. Хотя это не правильно и не красиво. Предпусковой подогреватель должен высасывать дополнительный акум не трогая основной.
bright959
Приветствую !
Нет, обычная Соренто XM FL 2018 года.
Завтра будет время занятся плюсовым проводом от багажника до моторного отсека. Буду прокладывать по днищу. А если зима, а если сугробы, а если наледь? В общем буду колдовать. По поводу реле печки. Если не удастся решить вопрос с релюхой, то оставлю ППП на основной батарее, а запускать движитель подключив вторую. Хотя это не правильно и не красиво. Предпусковой подогреватель должен высасывать дополнительный акум не трогая основной.
bright959
Приветствую !
Нет, обычная Соренто XM FL 2018 года.
Завтра будет время занятся плюсовым проводом от багажника до моторного отсека. Буду прокладывать по днищу. А если зима, а если сугробы, а если наледь? В общем буду колдовать. По поводу реле печки. Если не удастся решить вопрос с релюхой, то оставлю ППП на основной батарее, а запускать движитель подключив вторую. Хотя это не правильно и не красиво. Предпусковой подогреватель должен высасывать дополнительный акум не трогая основной.
grazier1979
Начнем с простого вопроса, у Вас прайм? На прайм у меня схемы только до 16-го года есть.
Алексей, добрый день!
Как Вы там, я так понимаю схемки включения реле вентилятора на моего Сорика XM FL Престиж не нашлось? Или пока не досуг?
Спасибо.
На FL схемы есть, но до ноута со схемами доберусь только в субботу.
Спасибо, буду ждать. Хороших выходных!
Добрый день,
Планирую установку китайского ГУ от Teyes, на 2011 Kia Sorento 2, американка, штатное ГУ AVN200XMA с усилителем JBL — есть штатная камера ЗХ, навигация и микрофон.
Ищу схемы подключения штатного навигатора с усилителем JBL, и задней камерой.
Спасибо!
Добрый день! Авто КИА Соренто 2013 ресталинг. Вот такая проблема не горит ближний свет левая сторона а правая горит и еще при включении дальнего если "моргнуть" рычажком то горят, а если включить рычажком дальний то не горит. Предохранителей не нашел. В инете пишут про блок управления светом только я не знаю где он находится. Нахожусь далеко от СЦ. Лампы ближнего и дальнего света проверил от акума горят. Где найти этот блок управления светом?
Он находится в салоне, слева в ногах водителя, все схемы есть в этой теме в комментариях, но боюсь, что проблему с блоком Вы в дороге не решите.
Там должны быть транзисторные ключи (полевики). Хотя бы диагноз поставить. Лампы стоят родные еще.
Схемы фар я выкладывал здесь точно, внутренней схемы блока нет.
grazier1979
Он находится в салоне, слева в ногах водителя, все схемы есть в этой теме в комментариях, но боюсь, что проблему с блоком Вы в дороге не решите.
А схему что то я не нашел в теме
grazier1979
Он находится в салоне, слева в ногах водителя, все схемы есть в этой теме в комментариях, но боюсь, что проблему с блоком Вы в дороге не решите.
сейчас пошел и порылся в машине и не нашел это блок управление светом. Даже боковую обшивку снял возле ручника (ножного стояночного тормоза). за блоком предохранителей не видно.
Это и есть блок BCM, в который помимо предохранителей и реле входят и ключи управляющие светом
Доброго дня всем! Наконец то нашел причину отсутствия ближнего света левой стороны. Сдох транзистор MOSFET n-канальный в качестве донора использовал транзистор из материнской платы старого компа.Что удивило то что теперь левая фара светится ярче чем правая хотя лампочки не менял. Видимо сопротивление канала транзистора которого заменил в открытом состоянии меньше чем у правой фары.
Скорее всего ШИМ не работает на этой фаре.
Добрый день! Очень надеюсь на Вашу помощь. Авто Kia Soul 2010 тросиковая педаль газа. Нужна схема подключения блока круиз контроля. Номер блока 96440-2k200
Все перерыл — не могу найти схем, этот модуль может только для корейского рынка ставили?
Спасибо за участие! Думаю нет, модуль достаточно популярен. Есть куча разных модификаций, но у них разная распиновка. Нужна именно к нему.
grazier1979
Все перерыл — не могу найти схем, этот модуль может только для корейского рынка ставили?
grazier1979
Все перерыл — не могу найти схем, этот модуль может только для корейского рынка ставили?
Какие вообще есть схемы подключения круиза 2010 годов?
Либо он запрятан в какой-то нелогичный раздел, но я глянул и на соул 2010 и соул 2013 и серато, но нигде не нашел. Кстати какой двигатель?
Здравствуйте Алексей.Киа соренто 2013г.На приборке показывает открыт капот.Концевик в норме.На подводящем проводе к концевику показывает 4,5 вольт.На сигналке капот закрыт.Где копать не знаю.Если есть возможность пришлите схему подключения концевика
Посмотрю, но дело в нештатной сигналке, через диоды не развязали
До сегодняшнего дня все было нормально, все работало правильно
grazier1979
Посмотрю, но дело в нештатной сигналке, через диоды не развязали
нашлось что нибудь?
Вечером постараюсь глянуть
XAER2000
Здравствуйте Алексей.Киа соренто 2013г.На приборке показывает открыт капот.Концевик в норме.На подводящем проводе к концевику показывает 4,5 вольт.На сигналке капот закрыт.Где копать не знаю.Если есть возможность пришлите схему подключения концевика
XAER2000
Здравствуйте Алексей.Киа соренто 2013г.На приборке показывает открыт капот.Концевик в норме.На подводящем проводе к концевику показывает 4,5 вольт.На сигналке капот закрыт.Где копать не знаю.Если есть возможность пришлите схему подключения концевика
XAER2000
Здравствуйте Алексей.Киа соренто 2013г.На приборке показывает открыт капот.Концевик в норме.На подводящем проводе к концевику показывает 4,5 вольт.На сигналке капот закрыт.Где копать не знаю.Если есть возможность пришлите схему подключения концевика
Если сигнал доходит до блока BCM, то плохо.
Спасибо за помощь."Если сигнал доходит до блока BCM, то плохо"-почему плохо"
Значит проблема может быть в нем.
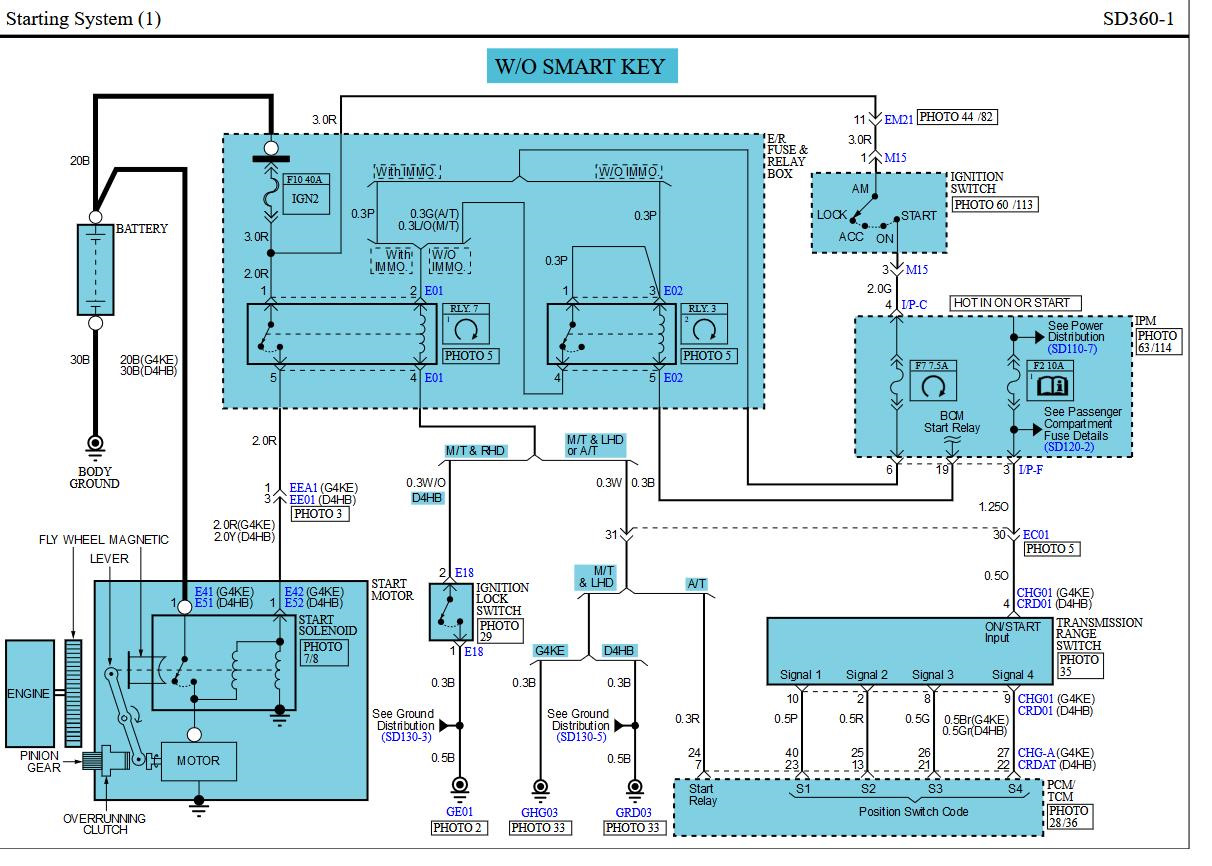
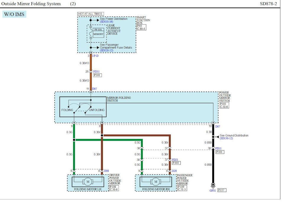
Алексей, здравствуйте. Помогите, пожалуйста, со схемами подключения обогрева сидений на KIA Sorento XM с типами сидений, которые со ступенчатой регулировкой обогрева и которые только в двух положениях (вкл, выкл). Сидения стоят с режимом обогрева (вкл, выкл), комплектация автомобиля подразумевает ступенчатую регулировку, вся штатная проводка есть, как подружить её с этими сидениями — без схемы не осилить
В БЖ есть полные схемы сидений
Здраствуйте Алексей, может вы поможете, если уж ни схемой то советом.Соренто ХМ 2010г Корейской сборки со штатным ксеноном, мне все не дает покоя тема установить РХО-22(дальний свет в пол накала)где искать точки подключения к проводам на дальний.На драйве есть статьи про это, но без особых схем.Спасибо.
Где можно взять схему питания катушек зажигания на xm fl 2.4? 2013 год
В БЖ была тема про двигатель, посмотри
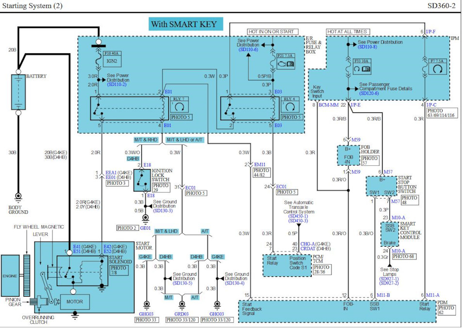
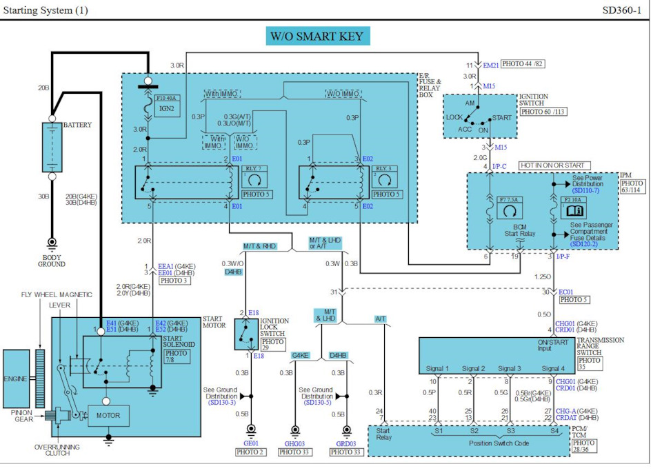
Здравствуйте, не горит чек и не заводится, соренто 2010 бензин 2,4, с замка все выходит даже стартерный и реле в блоке щелкает, но реле зажигания молчит в блоке под капотом нужны схемы по этой проблеме, попутали клемы, преды поменял, контроллер на столе живой, помогите плиз
Гляну
billiondollar
Здравствуйте, не горит чек и не заводится, соренто 2010 бензин 2,4, с замка все выходит даже стартерный и реле в блоке щелкает, но реле зажигания молчит в блоке под капотом нужны схемы по этой проблеме, попутали клемы, преды поменял, контроллер на столе живой, помогите плиз
Если не горит чек на незаведенном двигателе, значит все-таки проблемы с ЭБУ есть. Схемы сейчас выложу.
billiondollar
Здравствуйте, не горит чек и не заводится, соренто 2010 бензин 2,4, с замка все выходит даже стартерный и реле в блоке щелкает, но реле зажигания молчит в блоке под капотом нужны схемы по этой проблеме, попутали клемы, преды поменял, контроллер на столе живой, помогите плиз
billiondollar
Здравствуйте, не горит чек и не заводится, соренто 2010 бензин 2,4, с замка все выходит даже стартерный и реле в блоке щелкает, но реле зажигания молчит в блоке под капотом нужны схемы по этой проблеме, попутали клемы, преды поменял, контроллер на столе живой, помогите плиз
billiondollar
Здравствуйте, не горит чек и не заводится, соренто 2010 бензин 2,4, с замка все выходит даже стартерный и реле в блоке щелкает, но реле зажигания молчит в блоке под капотом нужны схемы по этой проблеме, попутали клемы, преды поменял, контроллер на столе живой, помогите плиз
billiondollar
Здравствуйте, не горит чек и не заводится, соренто 2010 бензин 2,4, с замка все выходит даже стартерный и реле в блоке щелкает, но реле зажигания молчит в блоке под капотом нужны схемы по этой проблеме, попутали клемы, преды поменял, контроллер на столе живой, помогите плиз
Спасибо большое за схемы помогли и последний вопрос какой из предохранителей f 40 или f45 сбросит память с блока pcm не трогая Память адаптации коробки( ecm )
Спасибо
Alex79976
Спасибо
Alex79976
Спасибо
Alex79976
Спасибо
Alex79976
Спасибо
Alex79976
Спасибо
Alex79976
Спасибо
У двигателя g4ke cколько датчиков температуры ож?
Я найду схемы датчика, дальше сами.
Устанавливал сам предпусковой 220в полностью независимый
И ещё предпусковой отключается сам при 75 гр С и просто гоняет антифриз насосом
Машина новая 3000км предпусковой поставлен в разрыв обратки печки в поток и в это же время датчик температуры на приборке показывал холодный двигатель какие мысли есть у вас по решению проблемы спасибо
При установке предпускового подключались к штатному датчику температуры и накосячили, езжать к тем, кто ставил, пусть устраняют.
Вопрос по предпусковому подогреватель при прогреве двигателя до температуры 65-70 градусов вылезла ошибка
в дополнение
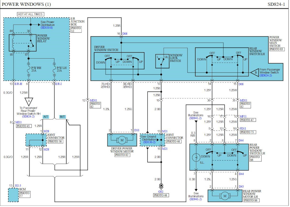
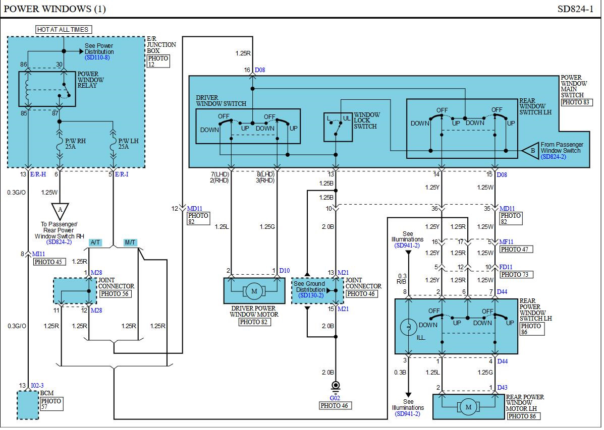
нужна схема центрального блока управления стеклоподъемниками на соренто 2008г. дизель. 2,5л (BL). хотя бы распайка разъема. если склероз не изменяет № 935703E000BL
Внутренней схемы не ьудет, распайку поищу.
дай бог здоровья тебе, мил человек. докопался до реле на плате- именно оно управляет водительским стеклоподъемником, но на него ничего не приходит. все, кроме мелких прозвонил. у мелких надписи стерты. буду перекидовать контакты на заднюю левую кнопу.( временно)
SERGISOV
нужна схема центрального блока управления стеклоподъемниками на соренто 2008г. дизель. 2,5л (BL). хотя бы распайка разъема. если склероз не изменяет № 935703E000BL
Уж и не знаю как благодарить. БОЛЬШОЕ СПАСИБО ЕЩЕ РАЗ!
grazier1979
К ОГРОМНОМУ СОЖАЛЕНИЮ ЭТО НЕ ТА СХЕМА. похожая, но не та. у меня вод. стекло управляется реле, а не кнопкой. бум надеяться, что контакты те же на схеме… а надписи " FOTO" на схеме что то обозначают?
Фото означает, что есть фото расположения указанного блока. Могу посмотреть за другие годы, для этого года вариантов схем нет.
в благодарность высылаю решение проблемы. оказалось не двухобмоточное реле, не компаратор и даже не микропроцессор. а обычный транзистор который, за неимением под рукой SMD был лихо заменен на КТ 315. ФОРЕВЕР! ОН БЛИЖАЙШИЙ К единственному электролиту на плате, причем неисправность плавающая. что усложнило… второй, похожий рядом, слева- не транзистор, а стабилитрон на 5,6в, но стабилизировал на 7. :) может поэтому и поджарил…
Рад, что все завершилось. К сожалению 315-й очень ненадежный. Часто ломается внутри корпуса
" К сожалению 315-й очень ненадежный." (С)
ПОЗВОЛЬТЕ, как монтажнику, запаявшему не одну тысячу 315х ( на ящике) с вами не согласится… все зависело от завода и от партии… на "войну" шли очень надежные… :) мы вдували в них по пол ампера и ничего… только темнели малость … :)
СЕГОДНЯ ОН МНЕ СПАС 50 ЕНОТОВ. :))
Если забыть о военной приемке, то 315-й и 361-й очень хрупки, через мои руки их тоже прошли тысячи, качнул палтцем работает, качнул — не работает, особенно хреновые были в зеленоватом корпусе в середине 90-х, перешли на импортные и забыли о проблеме.
grazier1979
Фото означает, что есть фото расположения указанного блока. Могу посмотреть за другие годы, для этого года вариантов схем нет.
вот так плата смотрелась до ремонта проблемный транзистор -TR1
The electric circuit diagrams of headlight 92101-C5600 for Kia Sorento Prime UM, D4HB in Kemerovo
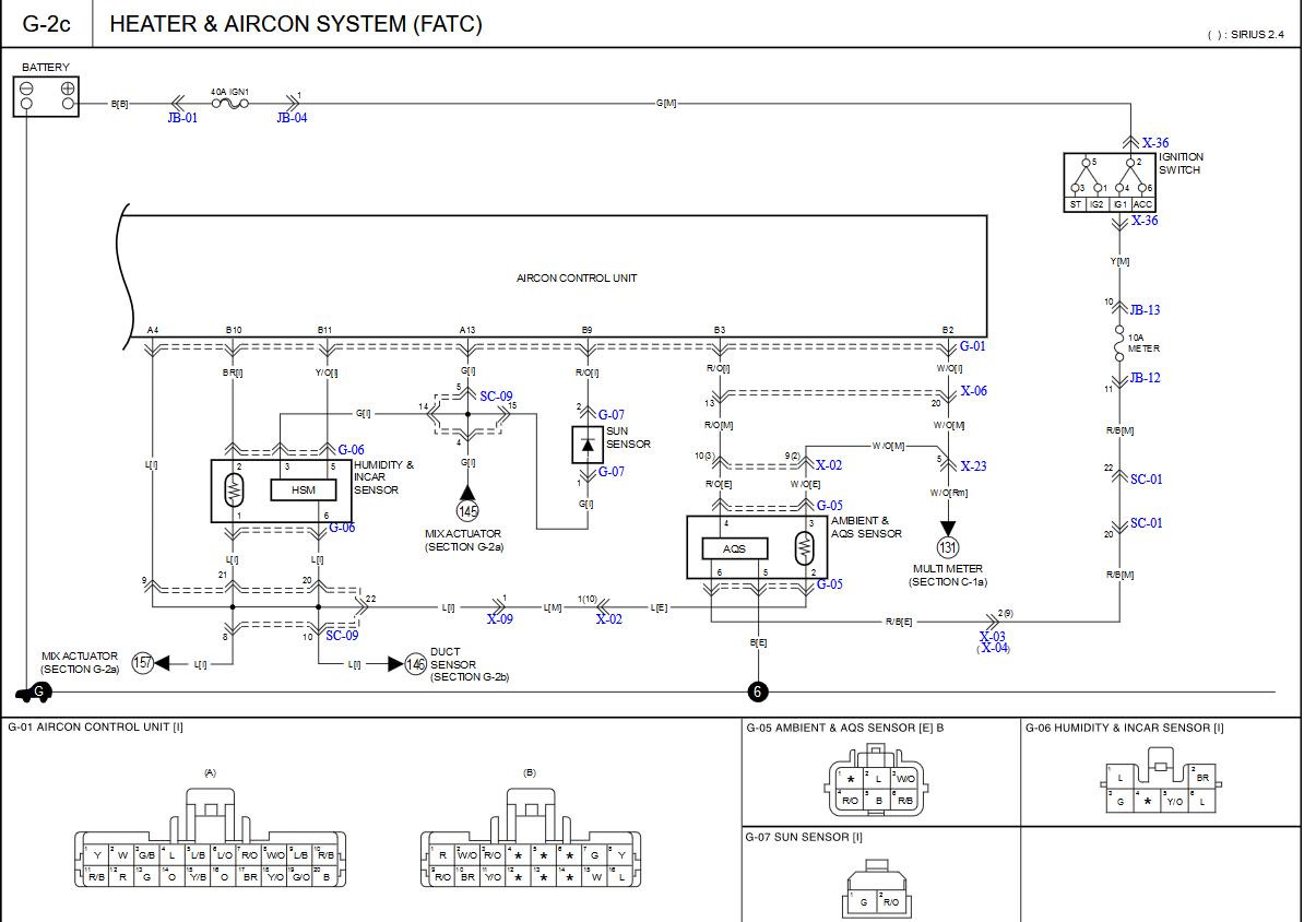
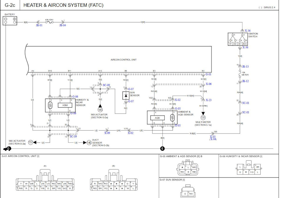
Доброго времени суток.Киа Соренто 2013 год.америкос…рестайлинг2…хочу почистить кондёр(вернее испаритель )…купил баллончик с пеной…куда его всунуть?..где этот датчик испарителя что б его высунуть и в его отверстие всунуть трубку
Я через дренажны сток засовывал и отверстие фильтра. Есть тема.
Нашел.снимаешь бардачке . Снимаешь защитную крышку вентилятора и с лево видно датчик испарителя. .вытаскивает его и задувает в отверстие Пену
vasesUAlli
Доброго времени суток.Киа Соренто 2013 год.америкос…рестайлинг2…хочу почистить кондёр(вернее испаритель )…купил баллончик с пеной…куда его всунуть?..где этот датчик испарителя что б его высунуть и в его отверстие всунуть трубку
КОНДЕРЫ НЕ ЧИСТЯТСЯ. они одноразовые. чистятся КОНДЕИ. ( конденсатор и кондиционер- суть разные вещи. :))
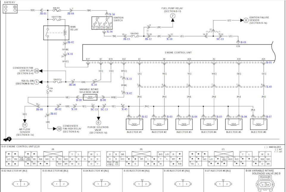
KIA Sorento 2004г Серия двигателя G6CU, нужна схема проводки форсунок по цветам, какой цвет на какую форсунку.Спасибо
Сегодня пришлю
valter63
KIA Sorento 2004г Серия двигателя G6CU, нужна схема проводки форсунок по цветам, какой цвет на какую форсунку.Спасибо
Большое спасибо, помогло.
Я рад :)
У меня кия соренто 2002 года обьем 3.5 не могу найдти схема проводки от датчика давлений до релишки если есть можно полный схему кондиционера буду очень блогодарен !
В выходные гляну.
Брат если сможешь побыстрее скинешь машина на сто стоит из за схемы у этого электрика нервы сдались из за проводов было бы лучше если скинешь схемочку
Завтра вечером постараюсь.
MeRs-B
Брат если сможешь побыстрее скинешь машина на сто стоит из за схемы у этого электрика нервы сдались из за проводов было бы лучше если скинешь схемочку
Что, брат, схемы получил, а спасибо сказать западло, да?
MeRs-B
У меня кия соренто 2002 года обьем 3.5 не могу найдти схема проводки от датчика давлений до релишки если есть можно полный схему кондиционера буду очень блогодарен !
2003 год для машины с климатом.
MeRs-B
У меня кия соренто 2002 года обьем 3.5 не могу найдти схема проводки от датчика давлений до релишки если есть можно полный схему кондиционера буду очень блогодарен !
MeRs-B
У меня кия соренто 2002 года обьем 3.5 не могу найдти схема проводки от датчика давлений до релишки если есть можно полный схему кондиционера буду очень блогодарен !
MeRs-B
У меня кия соренто 2002 года обьем 3.5 не могу найдти схема проводки от датчика давлений до релишки если есть можно полный схему кондиционера буду очень блогодарен !
MeRs-B
У меня кия соренто 2002 года обьем 3.5 не могу найдти схема проводки от датчика давлений до релишки если есть можно полный схему кондиционера буду очень блогодарен !
MeRs-B
У меня кия соренто 2002 года обьем 3.5 не могу найдти схема проводки от датчика давлений до релишки если есть можно полный схему кондиционера буду очень блогодарен !
День добрый, не поможете схемами на kia sprento prime распиновка передних и задних разъемов дверей. 2018 год 3.5 бензин. Хочу поставить задние ручки с кнопкой бесключевого доступа. также номерки самих разъемов папы и мамы.
У меня нет схем после 16-го года.
Где найти не подскажите?
grazier1979
У меня нет схем после 16-го года.
Хотя можно и 2016 года дорестайлинговый, думаю тоже подойдёт
Что именно в двери интересует? Распиновок самих разъемов с обозначением контактов в базе не будет.
Нужны номера разъемов от двери в кузов папа и мама и схема проводов передних и задних дверей. Особенно тех, которые от ручки с кнопкой идут
Я не буду выискивать в базе все системы идущие в двери — это порядка 40 файлов.
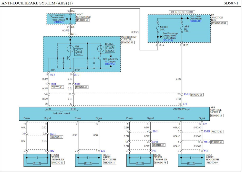
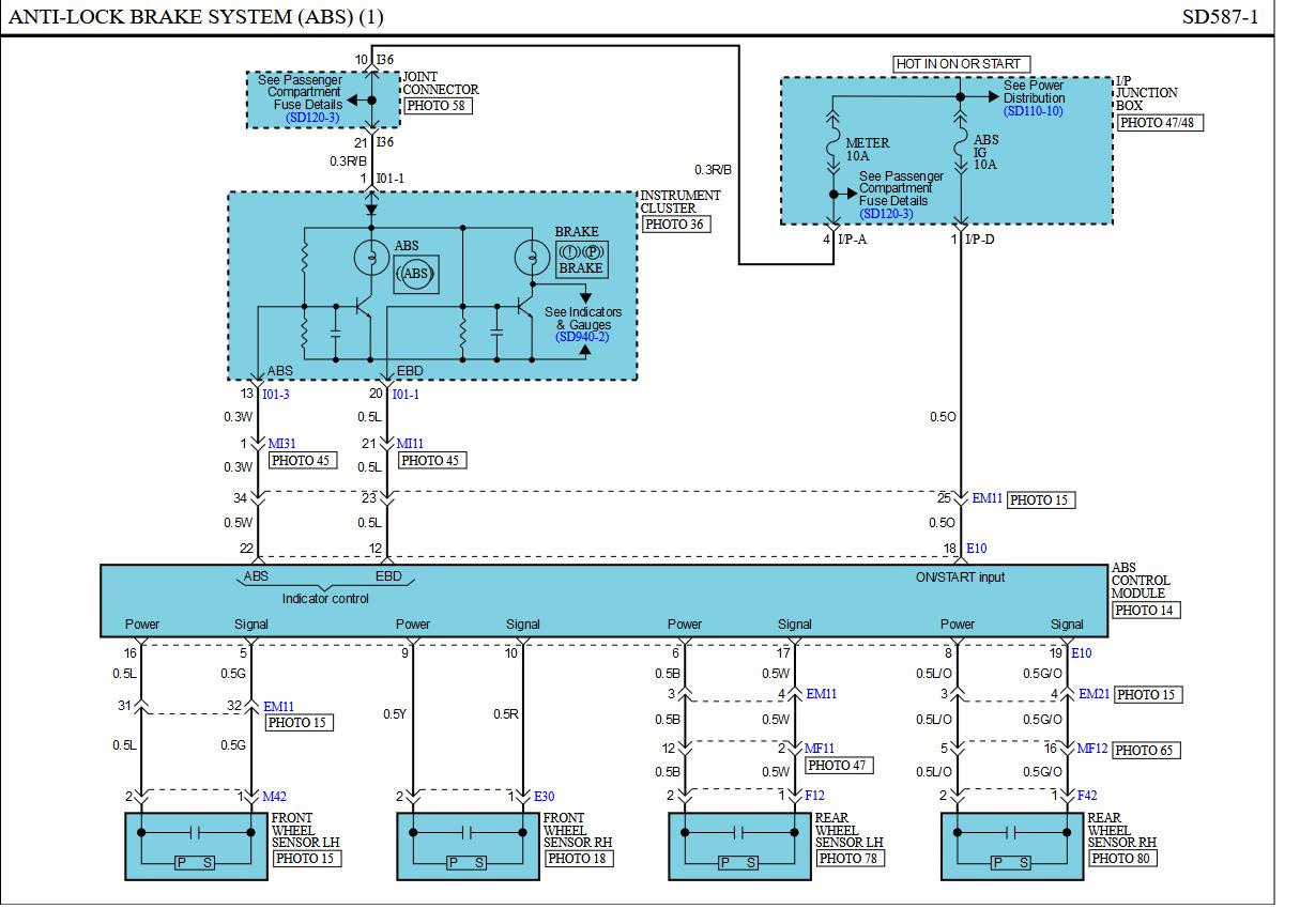
Добрый день! Посмотрите, пожалуйста распиновку разъёма на блок ABS на kia sorento 1(2007) TOD. Сам блок имеет номер 589103e450
beginner33
Добрый день! Посмотрите, пожалуйста распиновку разъёма на блок ABS на kia sorento 1(2007) TOD. Сам блок имеет номер 589103e450
beginner33
Добрый день! Посмотрите, пожалуйста распиновку разъёма на блок ABS на kia sorento 1(2007) TOD. Сам блок имеет номер 589103e450
Доброго времени суток!
Киа Соренто ХМ 2.2 D 4wd 2010 limited для корейского рынка
Нужна распиновка блока управления акпп!
Помогите пожалуйста! (если уже где-то выкладывали, то ткните пальцем) не могу найти)
Гляну.
Petunya54
Доброго времени суток!
Киа Соренто ХМ 2.2 D 4wd 2010 limited для корейского рынка
Нужна распиновка блока управления акпп!
Помогите пожалуйста! (если уже где-то выкладывали, то ткните пальцем) не могу найти)
Petunya54
Доброго времени суток!
Киа Соренто ХМ 2.2 D 4wd 2010 limited для корейского рынка
Нужна распиновка блока управления акпп!
Помогите пожалуйста! (если уже где-то выкладывали, то ткните пальцем) не могу найти)
grazier1979
А как найти tail gate relay? Спасибо
Можно вызвонить от разъема после разборки блока IPM, более подробных схем — нет.
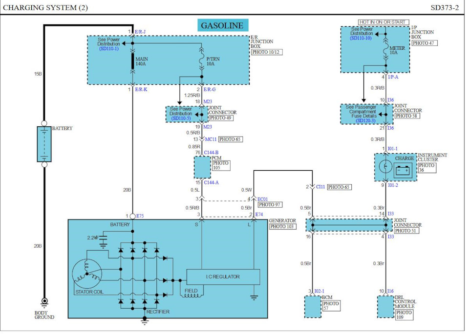
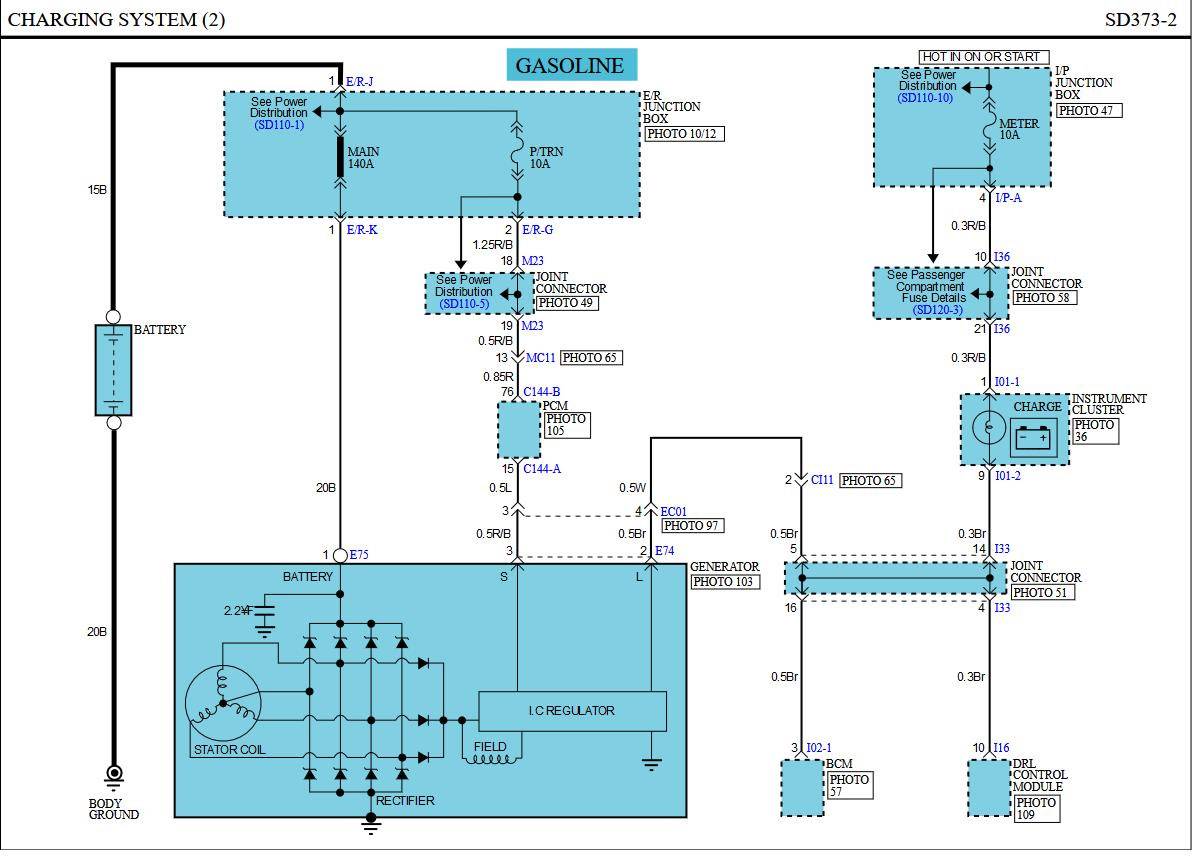
Здравствуйте. Не нашел часть схемы с зарядкой АБ. Соренто 2007, мотор 3.3, 248 л\с. Проблема с зарядкой, на оборотах появляется, а так горит лампа Аб и нет заряда.
Гляну
kimych5700
Здравствуйте. Не нашел часть схемы с зарядкой АБ. Соренто 2007, мотор 3.3, 248 л\с. Проблема с зарядкой, на оборотах появляется, а так горит лампа Аб и нет заряда.
kimych5700
Здравствуйте. Не нашел часть схемы с зарядкой АБ. Соренто 2007, мотор 3.3, 248 л\с. Проблема с зарядкой, на оборотах появляется, а так горит лампа Аб и нет заряда.
kimych5700
Здравствуйте. Не нашел часть схемы с зарядкой АБ. Соренто 2007, мотор 3.3, 248 л\с. Проблема с зарядкой, на оборотах появляется, а так горит лампа Аб и нет заряда.
Спасибо! Оно самое.
Svift13
Спасибо, добрый человек
Спасибо!