
После того, как я создал тему с запросами по схемам KIA (www.drive2.ru/l/475730644865909405/), то у Вас стали возникать вопросы, а как прочесть схему на английском языке, да еще и с незнакомыми обозначениями. Чтобы хоть как помочь, я постарался вынести в эту тему краткий вводный курс по схемам КИА.











Комментарии 74
Подскажите, вот на схеме, у провода написано 0.3 или 0.5 или 1.25 и т.п. Я так понимаю это или сечение или диаметр проводника, но вот что именно?
Сечение меди проводника в кв. мм.
День добрый. Подскажите пожалуйста. Соренто ХМ 2011 бензин 2.4. Не американец. При положении подрулевого переключателя в состоянии — выключено. Огни ближнего света все равно горят. Если дело не в переключателе, то в чем проблема? Реле может залипнуть как то залипнуть? Можете скинуть схему и показать где смотреть. Спасибо
При заглушенном двигателе тоже горят?
Горят и при заведенной машине и при заглушенной. Выключаются только когда сигналкой закрываешь машину.
gds-manuals.ru/manual/kme/etm/xm12/2010.html
Подскажите название схемы. Не могу понять
Head lamps
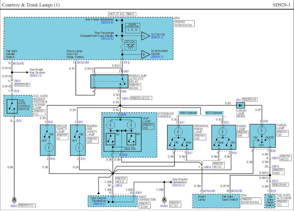
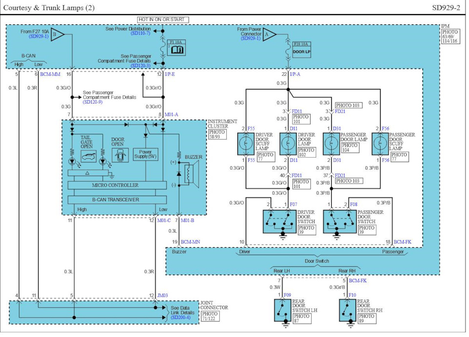
Добрый день помогите пожалуйста найти схему проводки которая отвечает за плафоны в салоне подаёт питание на часы с предохранителя room lp. Перегорает этот предохранитель даже не знаю с чего начать лампочки все проверил короткого замыкания нет Я так подозреваю что там какой-то блок управления стоит и что-то с ним но как на него выйти не знаю не могу найти
На какую машину-то?
Kia sorento 2 XM он американец если это имеет значение
Agirus
Kia sorento 2 XM он американец если это имеет значение
Agirus
Kia sorento 2 XM он американец если это имеет значение
Agirus
Kia sorento 2 XM он американец если это имеет значение
А можно созвониться поговорить, а то по схеме не видно как этот пред относится к часам, памяти климата и приборки.
Вы писали "найти схему проводки которая отвечает за плафоны в салоне". Вы уж определитесь или хотя бы номер предохранителя напишите.
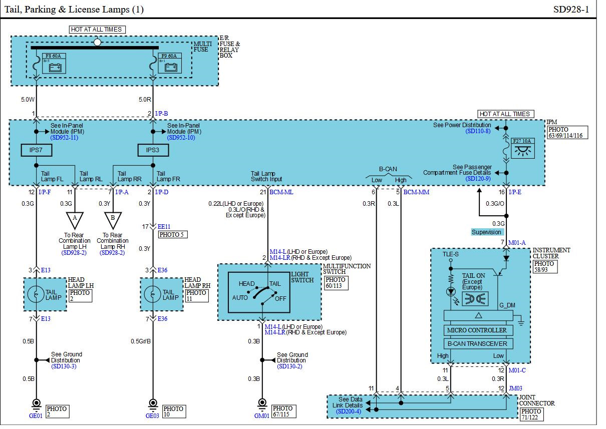
Эти схемы к нему и относятся — предохранитель F27
Этот пред сейчас не работает у меня, нет света в салоне у меня не работают часы у меня не работает память кондиционера и память Трип контроля, судя по схеме этот предохранитель идёт на часы не знаю где бы достать более полную схему, или книгу со схемами.
Agirus
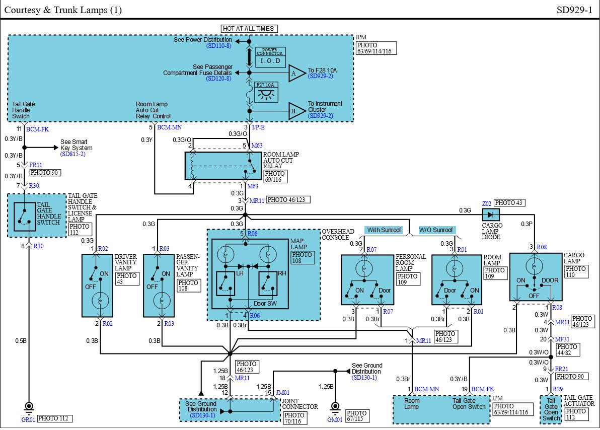
Добрый день! Помогите со схемами или советом какая клемма где, не могу найти управляющий провод с центральной лампы который затухает. Kia sorento bl 2007. Куда этот провод приходит от лампы?
Вечером гляну.
Спасибо
Djon2490
Спасибо
Нет не тот, мне нужно центральная лампа положение door, он в лампе на второй ножке красно/чёрный провод. А то что в фишке I/P-E это питание всего освещения
Я же прислал схему, центральный плафон сидит на том же проводе.
Вот этот провод меня интересует, а точнее, куда он идёт на какую фишку после плафона. Где его ловить?
Djon2490
Вот этот провод меня интересует, а точнее, куда он идёт на какую фишку после плафона. Где его ловить?
Djon2490
Вот этот провод меня интересует, а точнее, куда он идёт на какую фишку после плафона. Где его ловить?
Djon2490
Вот этот провод меня интересует, а точнее, куда он идёт на какую фишку после плафона. Где его ловить?
Djon2490
Вот этот провод меня интересует, а точнее, куда он идёт на какую фишку после плафона. Где его ловить?
Djon2490
Вот этот провод меня интересует, а точнее, куда он идёт на какую фишку после плафона. Где его ловить?
Djon2490
Спасибо
Спасибо огромное! Но вопрос номер пина я так понимаю должен быть 3? Правильно по схеме?
В разъеме I/P-E — который на фото — это второй пин, в разъеме лампы — 3-й пин, цвет провода — красный.
Завтра проверю в машине, спасибо огромное
grazier1979
В разъеме I/P-E — который на фото — это второй пин, в разъеме лампы — 3-й пин, цвет провода — красный.
Нет не тот, мне нужно центральная лампа положение door, он в лампе на второй ножке красно/чёрный провод. А то что в фишке I/P-E это питание всего освещения
Добрый день! Машина КИА соренто 2013 ресталинг. Вот такая проблема не горит ближний свет левая сторона а правая горит и еще при включении дальнего если "моргнуть" рычажком то горят, а если включить рычажком дальний то не горит. Предохранителей не нашел. В инете пишут про блок управления светом только я не знаю где он находится. Нахожусь далеко от СЦ. Лампы ближнего и дальнего света проверил от акума горят. Где найти этот блок управления светом?
Алексей, доброго дня. Подскажите, может знаете. Ситуация следующая. Дизель, зимой расход один, летом иной, менее напряжный. Так вот, есть предположение, что это может зависеть от сопротивления, которое меняется в зависимости от температуры окружающего воздуха, вернее сказать, всасываемого. Можно ли ткнуть в схеме, где можно его найти? Или это несколько элементов в схеме, которые могут влиять на ЭБУ и расход?
Схему эбу на дизель я отдельной темой выкладывал
Дайте мне пожалуйста схему и распиновку разьема передних осветительных приборов: фары, светодиодная полоска и т.д. Kia Sorento 2013 год. Сборка Казахстан.
На Казахстан схем нет, все остальные выложены в комментариях в теме с вопросами по схемам.
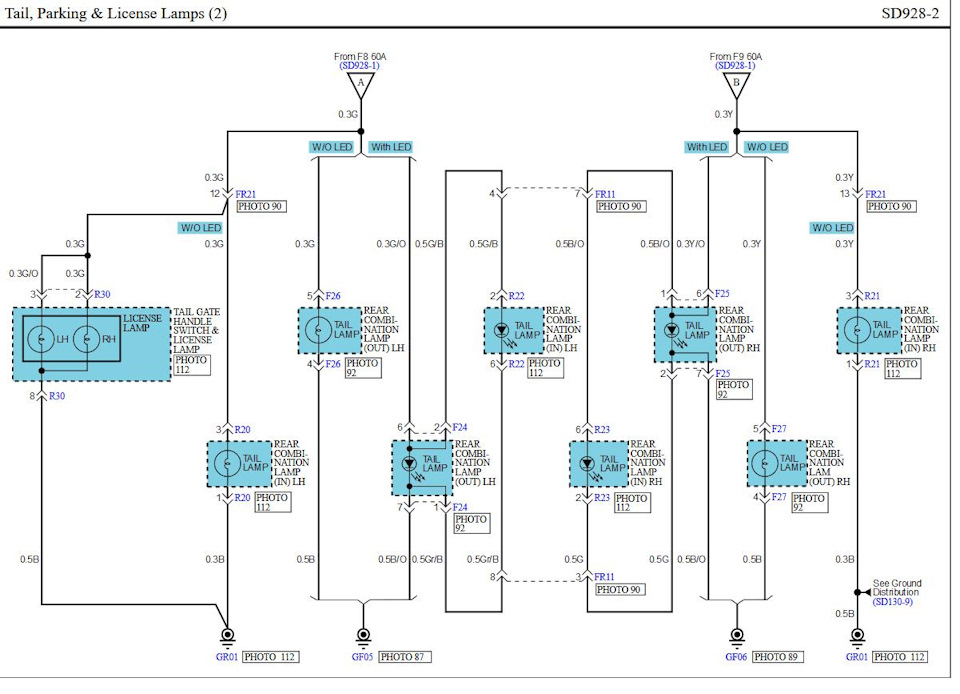
Дайте схему и принцип работы задних габаритов, весь мозг сломал!
XM 2.2. Дизель 2012 год. Не горит один из фонарей 5 двери (вернее горит несколько светодиодов, при тормозе все горит, сам плафон работает если подключить на другую сторону, Электрик говорит это врет блок управления освещением, всю голову сломал, Гуру расстолкуйте
12 вольт на фишке есть, говорит — минусом массой управляется, где этот блок, какой артикул, как проверить?
соренто плафон багажника
Посмотрю, но если 12В приходит, то никакие блоки вроде не причем.
olleggan
Дайте схему и принцип работы задних габаритов, весь мозг сломал!
XM 2.2. Дизель 2012 год. Не горит один из фонарей 5 двери (вернее горит несколько светодиодов, при тормозе все горит, сам плафон работает если подключить на другую сторону, Электрик говорит это врет блок управления освещением, всю голову сломал, Гуру расстолкуйте
12 вольт на фишке есть, говорит — минусом массой управляется, где этот блок, какой артикул, как проверить?
соренто плафон багажника
olleggan
Дайте схему и принцип работы задних габаритов, весь мозг сломал!
XM 2.2. Дизель 2012 год. Не горит один из фонарей 5 двери (вернее горит несколько светодиодов, при тормозе все горит, сам плафон работает если подключить на другую сторону, Электрик говорит это врет блок управления освещением, всю голову сломал, Гуру расстолкуйте
12 вольт на фишке есть, говорит — минусом массой управляется, где этот блок, какой артикул, как проверить?
соренто плафон багажника
olleggan
Дайте схему и принцип работы задних габаритов, весь мозг сломал!
XM 2.2. Дизель 2012 год. Не горит один из фонарей 5 двери (вернее горит несколько светодиодов, при тормозе все горит, сам плафон работает если подключить на другую сторону, Электрик говорит это врет блок управления освещением, всю голову сломал, Гуру расстолкуйте
12 вольт на фишке есть, говорит — минусом массой управляется, где этот блок, какой артикул, как проверить?
соренто плафон багажника
olleggan
Дайте схему и принцип работы задних габаритов, весь мозг сломал!
XM 2.2. Дизель 2012 год. Не горит один из фонарей 5 двери (вернее горит несколько светодиодов, при тормозе все горит, сам плафон работает если подключить на другую сторону, Электрик говорит это врет блок управления освещением, всю голову сломал, Гуру расстолкуйте
12 вольт на фишке есть, говорит — минусом массой управляется, где этот блок, какой артикул, как проверить?
соренто плафон багажника
Управляется там все плюсом, причем правый передний и правый задний в параллель, даже наружный и внутренний фонарь справа включены параллельно. Проблема в разъеме фонаря скорее всего, вызванивайте.
мама и папа перепутаны же
нет?
папа вставлять в маму должен, все как в жизни
да этож легко, Вы на немцах или америкосах попробуйте почитать
Низкий поклон тебе! )))
Спасибо дружище!
Спасибо. Но в сб вечером это трудно)
Ты не прав, ибо тут без бутылкине разобраться и субботний вечер в самый раз.
Спасибо за информацию. Очень пригодится. В закладки.
Надеюсь, что никогда не пригодится. Если только для тюнинга.
Полезно
Респект)
Возможно когда не будь и понадобится!
По крайней мере электрику покажете, ему уже проще будет разбираться.
Я для начала, если чё, к тебе обращусь!
:) Не все можно вылечить по интернету.
Я имею ввиду покажешь куда мне мастера нужно будет носом ткнуть!
Это всегда пожалуйста, если смогу конечно.
Уважаю!
grazier1979
По крайней мере электрику покажете, ему уже проще будет разбираться.
у нас вакансия в онлайн поддержке, не хватает толкового электрика, судя по наличию у тебя схем, ты в этом неплохо разбираешься!
Берём?
Нужно же расширять штат!
Согласен!
спасибо за труды!
но мне было бы более понятно так: возьмите эту херню и соедините с этой хернёй!
Это понятно, но для этого нужно иметь под боком машину и фотоаппарат и сделать со своей машиной то, что нужно делать в твоей.