Всем доброго времени суток.
После недолгих раздумий приобрёл за 14700 руб. китайскую ММС на андроиде взамен штатной на WinCE 6, которая у меня своей убогостью вызывала уныние всё больше и больше.
Забегая вперед, могу сказать, что звук штатной ММС Итэлма ничем не лучше звука китайской ММС. И в той и в другой, по умолчанию, применены микросхемы УМЗЧ — TDA7388 c довольно посредственными параметрами. Какие в этих ММС стоят предусилители я не вникал, да это и не столь важно, т.к. на слух различий не заметил.

Сразу после покупки и прослушки аудио, она была разобрана и подвергнута некоторым улучшениям, а именно — заменена для улучшения звука микросхема УНЧ TDA7388 на TDA7850 и установлены дополнительные радиаторы для улучшения теплоотвода от термонагруженных компонентов. Хочу заострить внимание на том — как отличить подделку TDA7850 (перебитую маркировку TDA7388 на TDA7850) от оригинала. В микросхеме TDA7388 выходные каскады (на динамики) реализованы на биполярных транзисторах, а в микросхеме TDA7850 — на MOSFET-транзисторах. Следовательно, если измерить сопротивление любого выходного каскада, например между выводами (ножками) 3 и 5, то в случае с TDA7388 сопротивление будет в районе 100-140 Ом, а в случае с TDA7850 — в районе 3 кОм. Так, что те, кто решит перепаивать микросхему усилителя — при покупке и перед перепайкой проверяйте её, чтобы потом не было мучительно больно за зря проделанную работу ) Можно проверить — какая микросхема усилителя установлена в магнитолу и не разбирая её. Для этого также надо просто замерить сопротивление между парными контактами разъёма секции B, например B1 и B2, B3 и B4, и т.д.
Также, превентивно, перепаял микросхему GL850G на GL852G (на фото обведена красным овалом) — для полноценной реализации функций USB, Wi-Fi и Bluetooth.




Крайне желательно процессорную плату притянуть к материнской плате тремя, как и было задумано китайцами, а не двумя винтами (как они реализовали на практике). На фото выше третий винт обведен красным кружком. Я им притянул и плату и одну из точек крепления радиатора. Если этого не сделать, то от температурных деформаций плат, может пропадать контакт в разъёме между ними. В моём случае постоянно барахлил Wi-Fi.
С доработками самой ММС на этом всё, их можно и не делать. Далее собственно самое интересное и, может для кого-то местами сложная процедура подключения сего девайса к штатной проводке машины.
После изъятия штатной сенсорной ММС Весты (моя машина комплектации люкс мультимедиа с кнопками на руле) взору открывается такое зрелище:

Самый верхний (на фото) разъём — mini ISO без жёлтой вставки секции С (есть зёленая и синяя вставки секции С). Ниже идут разъёмы ISO — секции B и A, соответственно. Ещё ниже идёт фирменный ниссановский разъём, объединяющий провода от AUX/USB (их гнёзда находятся ниже блока климат-контроля рядом с подстаканниками). И, наконец, снизу справа — разъём радиоантенны. С задней стороны штатной ММС разъёмы ("папы") выглядят так:

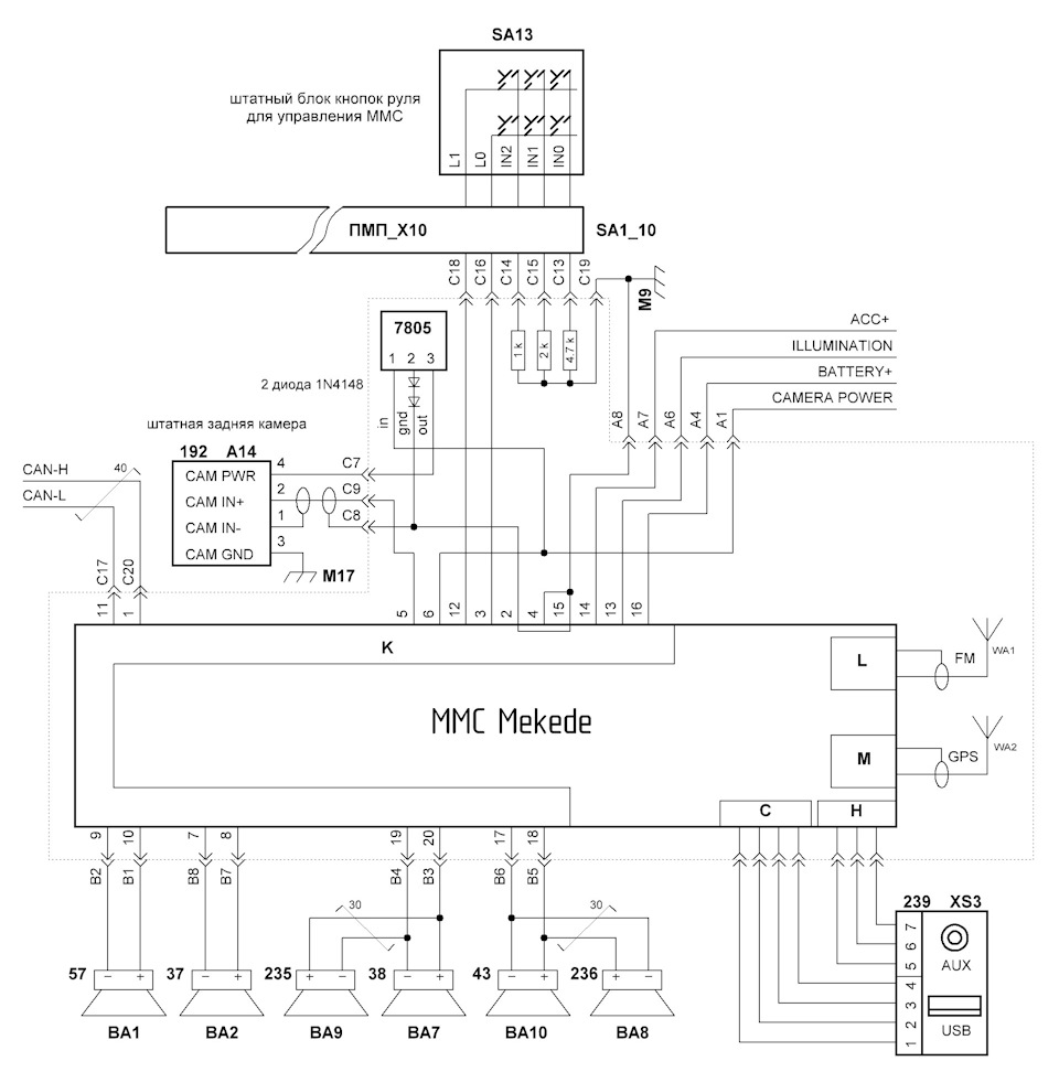
Также у моей машины руль с кнопками для управления штатной ММС и поэтому к вновь устанавливаемой ММС я тоже "прикрутил" кнопки руля. Для удобства восприятия нарисовал такую принципиальную схему по которой подключал "магнитолу":

Пунктиром (внутри его) на схеме выделена та часть, которая добавляется взамен штатной ММС. Всё что снаружи пунктира — это штатные проводка и прочие узлы и устройства автомобиля комплектации "люкс мультимедиа", которые не затрагиваются для изменения. Резисторы для подключения кнопок руля используйте не 10, 20, 30 Ом, а с бОльшим разбегом сопротивлений, например 1 кОм, 2 кОм, 4.7 кОм. А то у многих возникают из-за этого проблемы — всё кнопки при обучении видятся как одна.
Ещё один альтернативный вариант подключения кнопок мультируля предложил на ресурсе лада.онлайн человек (за что ему большое спасибо) с ником — senatora:

Отдельно стоит остановится на моменте подключения к данной ММС штатной камеры заднего вида комплектации люкс мультимедиа (учёл справедливое замечание уважаемого ikaruswings).
Штатная ММС при включении задней передачи выдаёт на контакт C7 (разъём mini-ISO) напряжения питания камеры 6,2 В (в моём случае). Т.е. камера 6-ти вольтовая (при подаче 12В камера на моей машине не работает — любителям всё упрощать на заметку), а ММС Mekede только принимает на контакт 6 (cекция K) 12 вольт (чтобы при появлении напряжения на этом контакте, перейти в режим отображения картинки камеры заднего вида), но ни на какой контакт не выдаёт напряжение питания для камеры. Таким образом, пришлось сделать преобразователь уровня напряжения на стабилизаторе 7805 и двух диодах 1N4148. В итоге на выходе преобразователя формируется напряжение 6,4 В. Ток потребления камерой маленький и стабилизатор 7805 почти не греется — радиатор для охлаждения не нужен. Я пробовал сделать преобразователь на 7806, чтобы сразу получить ровно 6 вольт без всяких диодов, но он у меня недолго проработал — вышел из строя, камера перестала показывать изображение, т.к. на неё стало подаваться 12 вольт вместо 6. Это к вопросу о том — работает ли штатная камера заднего вида от +12 вольт? Заявляю — нет, не работает, во всяком случае у меня. Пришлось вернуться к варианту 7805 с двумя диодами.


Чтобы не перекраивать штатную проводку, пришлось приобрести за 350 руб. на алиэкспресс вот такой переходник-донор и скомбинировать его разъём с переходником (доработал его), который шёл в комплекте с ММС Mekede.


В синей термоусадке маленькая платка с чип-резисторами для обеспечения работы кнопок руля и рядом стабилизатор 7805С с припаянными к его средней ноге диодами (их не видно).
Ну и, наконец потребовалось приобрести за 790 руб. "ниссановский" переходник для того, чтобы легко и просто подключить к ММС штатные AUX/USB гнезда (на торпедо).




На этом всё. ММС на андроиде работает хорошо, быстро, кнопками руля после обучения можно управлять ей. Навител Навигатор и Ситигид — лицензионные, не пиратки, Яндекс.Навигатор работает без проблем. То, для чего приобреталась эта магнитола — навигационные программы, работает отлично. Мультимедийная составляющая — просмотр видео любых форматов, прослушивание музыки и радио, тоже на высоте. Да и внешний вид китайского устройства получше, чем у штатной ММС. Плюс можно программы диагностики типа Car Scanner, Torque и т.п. использовать в связке с адаптером ELM327.
Надеюсь, вышеприведённая информация будет кому-то полезна, особенно для тех, кто любит хоть немного делать руками.
Всем удачи в жизни и на дорогах!





Комментарии 51
Магнитола всем устраивает? Глюков небыло?
Нет не всем. У меня к ней две претензии — очень плохо (через три раза на четвертый) устанавливается или вообще не устанавливается wi-fi соединение с телефоном и иногда "застывает" видео сигнал с коммутатора камер переднего и заднего обзора. Менять не буду, лишних денег нет и штатную (на Windows CE) тоже возвращать в машину не буду ибо она — днище.
Есть прошивка на них?
Ищи на 4pda, ниже уже спрашивали.
Не могу найти, Д я и особо не шарю в этом,
Название магнитолы : A-MEDIA AUTO (1024X600 W)
Добрый день! Сможете переделать мне все переходники, чтобы подружить мою Mekede Vesta с кнопками на руле и штатной или нештатной камерой и сколько будут стоить эти услуги?
Вы хотите мне переслать свои переходники на переделку? У меня нет в наличии комплектующих для переделки, т.к. я не занимаюсь серийным производством.
подскажите где взять обновления прошивки?
Можно попробовать поискать на 4PDA, а так даже не знаю где взять обновления прошивки.
Добрый день, отличный отчёт, можно размещать в инструкциях по эксплуатации. У меня делетанский вопрос по поводу рамки во Круг магнитофона, ее пилить, менять ещё что-то нужно?
Здравствуйте. Конкретно под эту ММС ничего пилить не надо, она встаёт в штатную рамку как в родную.
Спасибо
CapNemo009
Здравствуйте. Конкретно под эту ММС ничего пилить не надо, она встаёт в штатную рамку как в родную.
То есть стандартный квадрат, войдёт как родной?
Конкретно моя вошла как родная. Если ММС другая, не под Весту, то может и не встать как родная.
Ну ты и умный ! Выкусил и вкусил ! Обалдеть !
Откуда вы берётесь ? В детстве помню спаял детекторный приёмник, не помню как, но он работал, я тогда думал уже всё умею.Сейчас могу только лампы в телевизоре или радиоприёмнике поменять, но кому это надо ?)))
Да, а тебе зачёт.
я взялся из Советского Союза. В 9-м классе спаял и наладил 8-ми битный радиолюбительский компьютер. А сейчас я умею гораздо больше чем тогда.
здраствуйте скажите можно ли встроить глонасс в данную магнитолу?
не знаю, теоретически наверное можно, но лучше спросить у производителя (китайцев)
Скажите пожалуйста, экран на ней действительно IPSный?
На Ваш субъективный взгляд, не меркнет днём? Хватает уровней, чтобы не слепил ночью, есть авто регулировка яркости? Не выцветает от изменения угла зрения?
Экран устойчив к царапинам или даже при протирке тряпкой затирается?
Спасибо за обзор и описание. Очень информативно и ситемно рассказано. Чувствуется инженерная мысль, рациональность и последовательность.
Спасибо за хорошие слова!
Я не знаю как по-простому отличить экран TH от IPS, поэтому не могу сказать, но вроде нормальный дисплей по ощущениям. Авторегулировки нет, но есть ручная регулировка, которой я никогда не пользуюсь. Уровня яркости хватает, но при прямом попадании солнечного света, конечно не очень хорошо видно изображение на дисплее. От угла зрения дисплей не выцветает. По поводу царапин — не могу сказать, т.к. я не снял заводскую плёнку с экрана, она у меня в качестве защитной )
>>"Я не знаю как по-простому отличить экран TH от IPS"
ТN конечно же сразу бросается в глаза своими узкими углами обзора и инверсией цветов при изменении угла зрения, причём очень явно выраженными. Если с водительского места смотреть на такой экран. то почти со 100% вероятностью возникнет потребность отклониться под прямым углом по отношению к экрану так чтобы была возможность увидеть что на нём. Если такого желания не возникает, :о) тогда скорее всего это IPS или ещё какая то отличная от TN технология.
У вас всегда трек включается на том месте месте где была его остановка?
на предыдущей прошивке так было, а на нынешней — не помню, но вроде тоже так же. Вообще я музыку почти не слушаю в машине.
У меня затрудения сразу на первом этапе :( стабилизатор на 6В непонятно куда паять. Серый провод С7 контакт это "плюс" камеры, но на конце заглушка =\ что делать, подскажите :(
На C7 надо подать напряжение с третьей ножки (выхода — out) стабилизатора (7805 или 7806). На схеме же всё показано, что и куда соединять.
Радио хорошо ловит?
Да, отлично. Хотя радио и музыку я почти не слушаю в машине. ММС у меня в основном для навигации и что-нибудь посмотреть пока стоишь и ждёшь.
Вот ВЫ жжете, максималку купят, а потом улучшают . ( забыл да- труд у нас же бесплатный )
тут дело в том, что весту хоть в какой комплектации купи, ММС везде ущербная, а где её нет — там и проводку ещё надо прокладывать. А тут поставил то, что мне надо, завод же не спрашивает чем укомплектовать мою машину, при этом технические решения применяются весьма спорные. Вот к автозвуку я равнодушен (в машине музыку не слушаю) и мне пойдёт любая магнитола, а многие ставят какие-то пионеры, алпайны и прочее. Они тоже жгут?
Также в моём люксе не было (на тот момент не устанавливали) задний плафон освещения, нет заднего подлокотника, кнопки на багажнике для его открывания, крышка бардачка без органайзера, ну и ещё кое-чего по мелочи. Мне бы это всё не помешало. Тут два варианта: либо забить, либо доводить старый люкс до нынешнего люкса.
PS оранжевые шкалы приборки мне без надобности, равно как и всякие спойлеры-шмойлеры, обвесы и тюненые бамперы.
Что-то не понял с подключением. Ладно с перепайкой, поменял усилитель и усилил фильтры, но штатные штекеры то зачем переделывать? Магнитола предназначена в весту. Или штатное подключение не подходит?
Если вы про переделку USB и AUX, то мне не нравилась эта мотня с кучей тюльпанов и USB-разъёмов. Если речь идёт про доработку штатного переходника, то в том, который прислали китайцы (в комплекте с ММС) никак не было реализовано подключение кнопок руля и штатной же камеры заднего вида. Ребята с Питера (CMG) барыжат подобным переходником, т.е. если брать у них, то вроде ничего не надо допиливать.
Тоже думаю брать такую. Стоит перепайку делать? Если меня устраивает качество звука на штатной кнопочной. Или радиаторов дополнительных хватит? А так спасибо за обзор
Перепайку делать необязательно, приход есть, но не настолько большой. По-хорошему после перепайки микросхемы усилителя ещё и акустику в дверях надо заменить на более качественную. А доп.радиаторы они устанавливаются на процессор — это на ваше усмотрение.
А подкачка колес есть?
Подкачки колёс нет ), так как у меня машина не ГАЗ-66, ЗиЛ-157 и не БТР-60…80. Приложение TPMS в ММС имеется, но я им не пользуюсь. И это приложение никак не может подкачивать колёса, оно только показометр какого-то давления в шинах.
Остряк) понял же о чём я)
Подскажите артикул ниссановского переходника, пожалуйста
Я артикул не знаю, бирки на переходнике не было (на фото это видно). Вообще я его выбирал по внешнему виду, выше — в своей статье даже ссылку дал, где можно приобрести этот переходник. Вы не читали что-ли статью?
Подключил Alpine IDE-178BT по второй схеме, все работает отлично. Сопротивления взял 1 и 4,3 кОм.
Спасибо. Все работает!
Как я привела работу к жизни:
Взяла три резистора номиналом 200, 600 и 900
Отрезала кусок провода маленький (у меня ПуГВ 1х0,75), с одной стороны зачистила концы, вытащила несколько жилок (штук 6-7 их там много), со стороны где не зачищено вставила ножку резистора до упора
Так же поступила с другой ножкой резистора.
После взяла термоусадку вдела ее и проплавила, получился очень симпатичный проводок, почти незаметно даже что там внутри есть разрыв и между ними резистор.
Так соединила все три резистора и после объединила их все в одной термоусадке.
Далее дело оставалось за малым, подружить мультируль и магнитолу, сняла все необходимые рамки, достала магнитолу (да забыла сказать что ставили магнитолу в салоне, который занимается в основном музыкой!) и вот удивление как это мультируль вообще иногда хоть как то срабатывал))): провода KEY1, KEY2 и GND перепутаны! Контакты N0, N1, N2 даже не потрудились объединять, просто оставили два контакта висеть в воздухе. Причем на вопрос в магазине почему не работает, ведь говорили магнитола как раз специальная все будет отлично, просто нужен переходник с кан выходами (не знаю что за переходник, вроде в цифровой сигнал переводит и стоит 2500 рублей!, причем установка еще 1000 рублей)
В наличии не было переходника, поэтому в просторах интернета нашли вашу статью, за что вам СПАСИБО. И переходник обошелся в 10 рублей! (термоусадка у меня всегда дома есть, да и кабель 10 см )
После я все переделала, думала если не получится, то завтра поеду пусть сами делают, фиг с ним заплачу…
И какое же наслаждение когда сэкономил 3500 и все работает! Как же нравится результат.
Очень рада что есть первопроходцы, которые находят простые решения. За это отдельное спасибо всем.
Ниже фотография того как было и что я смастерила)
Вообще конечно удивительно, что девушки занимаются такими вещами, как установка магнитолы ) Но тем и радостнее, что и прекрасная половина человечества разбирается в этом вопросе.
Комментарий удалён
у Святослава с такими же доделками 19 000р в готовом виде со всеми проводами и дружбой мульти руль
У меня с такими же доделками (как у Святослава) в готовом виде со всеми проводами и дружбой мультируль — чуть меньше 16000, профит — около 3000 руб. Мне все эти переходники сделать — раз плюнуть, я же инженер-электроник, переплачивать за переходники в 4-5 раз (Святославу) не вижу смысла. Кому-то больше по душе "готовое" решение от Святослава, а мне нравится самому делать руками, да и некоторая экономия будет нелишней.
На все 100% согласен с тобой, Святослав абсолютно не сложные доделки пихает по два раза большей цене. И ихние прошивки кажется глючные
Я вот считаю, что людям нужно помогать, не поленился схему подключения нарисовать. Кто-то же наоборот старается сделать из этого секрет и впарить втридорога.
CapNemo009
У меня с такими же доделками (как у Святослава) в готовом виде со всеми проводами и дружбой мультируль — чуть меньше 16000, профит — около 3000 руб. Мне все эти переходники сделать — раз плюнуть, я же инженер-электроник, переплачивать за переходники в 4-5 раз (Святославу) не вижу смысла. Кому-то больше по душе "готовое" решение от Святослава, а мне нравится самому делать руками, да и некоторая экономия будет нелишней.
У меня толь ка три кнопки работают, три ваабще не как не реагируют, ктонибуть может подсказать в чём причина.Я вот такой наминал поставил 1кОм, 2.2 кОм, 10 кОм. ставил меньше тоже самое
Pavel163r
у Святослава с такими же доделками 19 000р в готовом виде со всеми проводами и дружбой мульти руль
А что за Святослав, не подскажете поконкретней?
vk.com/ladavestadorabotki…127319499_1227081%2Fquery
Емко
Отчитался))))
Молодец))))