
Тормоза родные на гранте стандарт своебразные, педаль ватная, на 15 колесах заблокировать их ну не так уж и легко. Думал думал и подвернулись по случаю тормозные диски калина спорт. Решил попробую.
Куплены колодки тиир 299(стояли 295),
и диски калина спорт 15.
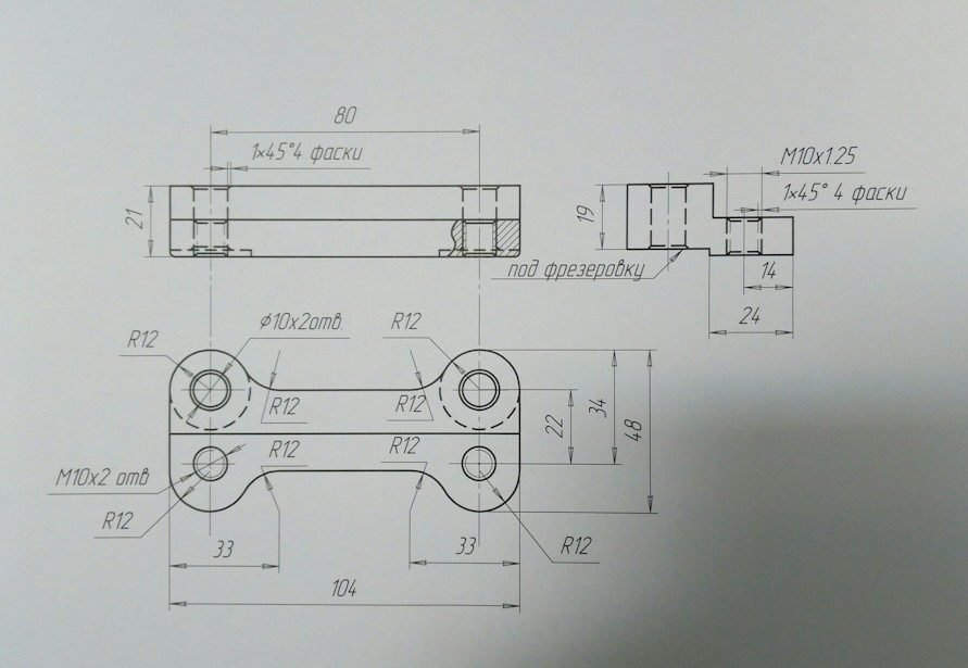
Переходную пластину выточил токарь, чертеж не мой, спасибо автору, чутка подкорректировать можно его ( добавлю позже )
С 13 вентелируемых скоба суппорт осталась прежняя, подточить напильником)) куда уж без него.
Процесс установки описан не раз на драйве, делал сам, поделюсь ощущениями.
Изменение главное для меня, уменьшилось усилие на педаль, на скорости лучше оттормаживается, в общем за скромный бюджет хороший эффект. Хоть и не любитель погонять, но тормозов много не бывает.
колодки Тиир 299 время от времени поскрипывают и пылят больше, чем 295.
Как итог:
эффект есть, если ездить на 15 дисках и больше, можно ставить.










Комментарии 11
Вот этот?
Привет, какая глубина уступа на виде слева?
21-19, 3 мм получается
вот этот?)
Я только направляющие колодок поменял от 2112. Остальное то все подходит при переходе с 13-х на 14-е тормозные диски. Литье у меня R15 стандарт.
Вот что советует тиир при скрипе 299 # в нете пишут, что иногда помогает.
Без пластин сразу и поставил, это было нечто) когда я тормозил к светофору, толпа оборачивалась)))
А с пластинами?
С пластинами недели две не было звуков, потом появился не всегда и не везде, не громко, но есть. Посмотрим, что дальше будет.
Получается пластины не фуфло, работают?
Сам не думал, работают.