Здесь более обширная статья www.drive2.ru/l/1591630/
Лучше всего установить ширики 2" Best Balance A2W, пустив их через неполярные электролитические конденсаторы 100 мкФ 100 В — эти малыши отлично заменяют СЧ-ВЧ.
Штатные твитеры 2 KD 035 411 с тканевым куполом, 4 Ом.
Их собственная частота резонанса ~ 1,8 — 2 кГц.
Они работают на отражение от лобового стекла — отраженка душит самый верх, так как задирает середину — самого верха за верхней серединой не слышно. Первый порядок на 6 кГц не срежет резко всё ниже 6 кГц, а за счет пологого спада выровняет АЧХ, вернув детальность. Реальный стык получится ~ на 3 кГц.
Улучшить звук можно, заменив неполярные электролиты на пленочные конденсаторы. Как известно электролиты негативно влияют на звук.
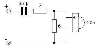
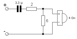
Там стоят электролитические конденсаторы на 6,8 мкФ и на 4 Ом твитер — это ФВЧ 1-го порядка с частотой среза 5,8 кГц (по уровню -3 дБ). Это оптимально, но нужно пригасить уровень твитеров на -3 дБ относительно мидов в дверях для правильного тонального баланса.
Лучше всего для 4 Ом твитеров установить аудиофильские Audiocore S-Line 6,8 мкФ 400 В. То есть частоту среза ФВЧ / делать не выше 6 кГц — тогда звучание приятное, без цыканья.
Фильтры первого порядка обеспечивают слишком малое затухание за пределами рабочей полосы, поэтому пригодны только при небольшой подводимой мощности или высокой частоте раздела (7-10 кГц).
f = 1000 / 2пRC, мкФ ФВЧ
Расчет частоты среза ФВЧ
Г-образный аттенюатор твитера L-Pad. Понижаем чувствительность и снижаем резонанс
www.sengpielaudio.com/calculator-Lpad.htm
www.electroclub.info/samodel/newtonbox.htm
www.avtozvuk.com/az/2009/08/072.htm
www.drive2.ru/l/2686849/
Твитеры всегда звучат громче мидов, поэтому необходимо снизить их уровень, иначе на небольшой громкости при движении авто слышно только их цыканье (остальные частоты забиваются шумом дороги). Оптимально пригасить на -3 дБ. Кроме того, из-за малой крутизны спада фильтра ВЧ 1-го порядка твитер на большой громкости перегружается средними частотами и его диффузор выходит из области линейного смещения. Это проявляется как грязное звучание.
Резистивный делитель L-pad всегда ставится после конденсатора (кроссовера) в идеале на клеммы твитера, он состоит из последовательного и следом параллельного резистора перед твитером. Благодаря ему твитер лучше демпфируется (параллельным резистором).
Усилитель -> кроссовер (конденсатор) -> L-Pad -> твитер
На частоте механического резонанса динамика его сопротивление растет. При этом коэффициент деления делителя, создаваемого одиночным последовательным резистором и сопротивлением динамика падает. То есть на этой частоте одиночный последовательный резистор практически не ослабляет сигнал, а значит его амплитуда увеличивается (говоря по другому, добротность динамика растет). В случае применения L-pad, коэффициент деления делителя в меньшей степени зависит от импеданса динамика, и всплеск амплитуды на частоте механического резонанса динамика заметно меньше (как минимум в 2 раза (-3 дБ)!). Несмотря на снижение уровня высоких, звучание в целом становится приятнее. Притом, чем хуже твитер (плохая катушка), тем сильнее заметна разница от применения L-pad. L-Pad позволяет разгрузить динамик от негативного влияния частоты основного резонанса и уменьшить искажения.
Тем более штатная китайская 2-DIN магнитола при регулировке тембра ВЧ захватывает и верхнюю середину — звук был кричащим и некомфортным, а теперь заметно лучше.
Вот здесь расчет L-pad
www.aie.sp.ru/Calculator_filter.html
Там вводим нужное затухание и видно какой получается номинал последовательного резистора — по его значению понимаем какое затухание получилось и получаем нужные номиналы резисторов в L-Pad.
Заменил на пленочные конденсаторы К73-17 3,3 + 3,3 мкФ 63В и понизил уровень резистивным делителем L-Pad: поставил 2 Вт металлоксидные резисторы 1,2 Ом последовательно и 10 Ом параллельно на твитер — звук стал более чистый и стало лучше слышно голос.

-3 дБ для твитера 4 Ом: R1 = 1,2 Ом, R2 = 10 Ом (подавляет резонанс)
Суммарное сопротивление цепочки вместе с подключенным динамиком должно остаться равным сопротивлению твитера (4 Ом).
Для двух параллельных резисторов их общее сопротивление равно:
Rпар = R1 * R2 / R1 + R2 или 1 / Rпар = 1 / R1 + 1 / R2
R = 1,2 Ом (последовательно) + 1 / ( 1/4 (4 Ом динамик) + 1/10 (10 Ом параллель) )= 1,2 + 2,8 = 4 Ом
Последовательный резистор расширит полосу высоких частот вниз, а параллельный наоборот сузит (так как меняется сопротивление нагрузки ФВЧ).
Резисторы металлопленочные или металлооксидные мощностью 2 Вт, можно проволочные мощностью 5 Вт.
Без L-pad какой-то немного более живой звонкий звук, но не такой чистый и четкий.
Про горб на АЧХ и снижение его с помощью L-Pad хорошо написано здесь: О бедной пищалке замолвите слово
Проверить полярность штатных твитеров VW: 2 KD 035 411 можно при помощи пальчиковой батарейки — видно куда двигается купол, можно и от плоской 3В CR2032.
Обычно плюс (+) всегда там, где стоит разделительный конденсатор. Штекер для проверки взял от подсветки дверей, которую заказал через aliexpress. Если полярность поменять — может быть несогласованное звучание с динамиками в дверях и звук будет не тот. К тому же здесь ФВЧ 1-го порядка и полярность не нужно менять на обратную. Возможно специально полярность изменена, потому что так звучание получается лучше.
Вообще лучше заменить на более чувствительные и качественные твитеры типа:
Твитеры с али PUZU AUDIO PZ-B25 через ФВЧ 1-м порядком от 6,8 мкФ = 5,8 кГц дают шикарный звук! Данная гексагональная сетка не душит самый верх, как штатная плотная сетка с колодцем и на отражении.
Lanzar DCT
Чувствительность: 96 дБ
Диапазон воспроизводимых частот: 1,3 — 24 кГц
Сопротивление: 4 Ом
Шелковый купольный диффузор 1" с неодимовым магнитом.
Штатный кросс 2-го порядка лучше заменить на один конденсатор в разрез плюса на 10 мкФ (4,7+4,7) = 4 кГц частота среза. Для такого низкоиграющего твитера будет отлично!
Alphard Machete MT-15NEO
Чувствительность: 101 дБ
Диапазон воспроизводимых частот: 2 — 18 кГц
Сопротивление: 4 Ом
Пьезопищалки с камерой Cadence ZRS-75T (Q75T)
Только нужно отпаять обмотку и подать напрямую через резистор 100 Ом 2 Вт на пьезо-пищалку — намного приятнее звучание. Можно добавить 0,1 мкФ перед твитером самое приятное звучание, но только самый верх будет.
forum.datagor.ru/topic/11…sclid=lk1hqrkh32948348481
Реально хорошо на ВЧ дополняют, хоть и не совсем достоверно, как шелковые или металлические твитеры.
Чувствительность: 97 Дб
Диапазон воспроизводимых частот: 5 — 22 кГц
Сопротивление: 4 Ом
Кроссовер-конденсатор BP 4,7 мкФ впаян рядом с контактами внутри
В идеале, при крутизне характеристики затухания фильтра 12 дБ/окт, разнос между частотой разделения и резонансной частотой должен быть больше октавы. Например, если резонансная частота головки 2000 Гц, то с фильтром такого порядка частота разделения должна быть установлена равной 4000 Гц. Если очень хочется выбрать частоту разделения 3000 Гц, то крутизна характеристики затухания фильтра должна быть выше — 18 дБ/окт.
Книга "Автозвук от А до В"
Обрабатываем подвесы динамиков проверенным средством Doctor Wax DW5343
------- Пассивный биампинг из штатного ГУ для фронта -------
При правильном построении автозвука на тыл должен идти сигнал, подрезанный снизу на 150-200 Гц, а сверху с 6 кГц (чтобы не сильно оттягивать сцену на себя назад). Но обычно в штатных ГУ тыл подрезают только снизу на 120-150 Гц, а сверху так и оставляют в полную полосу, да еще и остается тонкомпенсация, то есть подъем ВЧ.
Поэтому есть хорошая возможность из штатного ГУ сделать для фронта пассивный биампинг:
миды в дверях подключаем к фронтальным выходам, а твитеры в панели подключаем к тыловым выходам ГУ через конденсаторы (потому пассивный). Тыловые динамики отключаем вообще.
При этом можно фейдером регулировать громкость твитеров относительно мидов в дверях: переводим фейдер вперед на фронт и громкость твитеров уменьшается — очень удобно!
При таком варианте построения звука нам не нужна максимальная мощность во всех 4 каналах, нам достаточно максимальной мощности на миды по 20 Вт и на твитеры – 10-12 Вт.
Пассивные кроссоверы (если нештатные динамики) для этого разъединяем и вешаем их отдельно на каждый динамик.












Комментарии 140
Спасибо за данную статью !
Шикарная статья!
Здравствуйте, подскажите, твитер в 3-х полоске играет через фильтр 1-го порядка, конденсатор 2.7 мкФ и резистор последовательно стоял 4.7 Ом (так было по заводу) поставил 6.2 Ом потому что слишком ярчил твитер, но все равно бывает звук резкий видимо из за горба от фильтра 1 порядка, думал давно про L pad, но не понятно как его рассчитать или от какого затухания оттолкнуться, хочется оставить конденсатор 2.7 мкФ как по заводу, тем более он поменян на более качественный Audiocore Red-Line 250 VDC 2.7 uF.
Расчет L-Pad: sengpielaudio.com/calculator-Lpad.htm
Там вводим нужное затухание и видно какой получается номинал последовательного резистора — по его значению понимаем какое затухание получилось: при 6,2 Ом на 4 Ом твитер = -8,13 дБ.
Для L-Pad -8,13 дБ на 4 Ом нужно последовательный резистор на 2,4 Ом, а параллельный на клеммы твитера на 2,7 Ом.
www.chipdip.ru/catalog/re…0=KZt&x.431=EbW&x.432=ZGQ
www.drive2.ru/b/477157536080855579/
Спасибо, теперь понял как посчитать, нужно будет переделать кросс под Lpad и послушать что получилось.
Здравствуйте, подскажите, есть акустика hertz ck 165, без кроссоверов, подключено поканально, меня интересует на сколько делает затухание вч кроссовер из комплекта (если бы он был)? Фото прилагаю там вижу два резистора 1.5 и 1.8 ом, вот на сколько он гасит (по уровню) Твиттер? Меня как то не устраивает звук слишком много вч (и соотвецтвенно как то меньше басов) ездил долго на -3 дб, щас -6 вроде получше (незнаю соотвецтвует ли деления на магнитоле pioneer s 510 реальным значением дБ?) Как лучше бы звучало через кроссовер или без него через фильтра магнитолы? И я не сильно вник, но есть ещё зависимость частоты среза и уровня ?
Одиночный резистор последовательно с твитером 6 Ом дает затухание ~ 0,7 Ом/дБ, то есть каждые 0,7 Ом дают ослабление чувствительности головки на 1 дБ. Для 4 Ом твитеров затухание будет еще больше.
То есть для 4 Ом резистор 1,5 Ом ослаблял примерно на 2 дБ, а 1,8 Ом ~ на 3 дБ.
Вам просто можно добавить тембр НЧ, либо установить последовательный резистор на 2 Ом. А лучше всего будет просто заменить твитеры на 6 Ом.
Спасибо за ответ. суть в чем, я регулирую уровень твиттера магнитолой (сколько захочу столько и поставлю -3,5,6 и.т.д дБ, у меня этого кроссоверов нету), мне просто было интерестно на сколько делает комплектный кросовер (если бы он был) тише Твиттер!
Тоесть получаеться в этом кроссовере стоят два последовательных резистора, один на постоянной основе (понижающий на -2), а второй на переключателе ещё плюс -3 дБ? Или мне тоже желательно в дополнении к фильтрам магнитолы поставить резистор и это что то улутшит?
Нет, у вас поканалка — срез и уровень твитера регулируете в магнитоле.
У комплектного кроссовера написано -3 дБ, но это по отношению к комплектному миду, у которого всегда ниже чувствительность чем у твитера. В реальности там видимо положение переключателя "0 дБ" соответствует гашению твитера на -2 дБ, а в положении "-3 дБ" соответствуег гашению на -5 дБ.
Другой вопрос, что твитер лучше заменить на менее чувствительный, чтобы он лучше согласовался с мидом — тогда и дэмпинг-фактор улучшится и чувствительность ниже и меньше требования к проводам.
Ясно спасибо.
У вас в статье написано, что L-pad ставиться после конденсатора . Смотря от куда смотреть . Вы имели ввиду — сначала L-pad ближе к динамику, а после Lpad идёт конденсатор? А у Вас написано резистивный делитель L-pad всегда ставится после конденсатора (кроссовера),
Верно написано: от усилителя -> к динамику сначала идет кроссовер, а затем L-Pad
подскажите а L-pad на -1.5дб тоже будет эффективен ? Для меня -3дб слишком тихо .
да, пробуйте, подбирайте…
Благодарю за хорошую статью! Помогла:). Подрезал твитеры из комплекта "морел максимо 6" схемой L-pad. Правда таких же резисторов в магазине не было, взял ближайшие и остановился на "1.5 Ом 5Вт" + "10 Ом 5Вт". Пробовал так же варианты: "1 Ом+10 Ом" и "2.7Ом".
Подскажите плиз, решил заменить штатные твиттеры на мачетте т15 neo, снял сетку c самого ВЧ, примерял, а там купол чуть упирается в штаную решётку. Решил поставить проставки на 7мм. Повлияет ли такая глубина на на звук?
любой колодец влияет на звук — лучше чтобы диаметр был максимально возможным, то есть подальше от купола
Ещё вопрос, стоит ли уменьшать проставки до 1-2х мм. или не стоит переделывать? на соревнования ездить не собираюсь.
фото лучше приложить чтобы понимать.
Самое открытое звучание, когда нет никаких колец вокруг купола.
Нарисовал как смог😂😂😂
Получается этот, а то что + касается корпуса это нормально?
да пофиг, корпус не связан ни с чем, но лучше изолировать
Комментарий удалён
Плюс там где конденсатор
Здравствуйте! Подскажите, пожалуйста, где «+» и где «-» в этих «WAG-овских» твитерах. Довольно качественные «шёлковые пищалки».
Пробовал по Вашему совету «батарейкой», но там настолько малый «ход подвеса», что я ничего не смог увидеть.
К встроенному конденсатору (т.е. ФВЧ) сигнал подаётся «чёрным» проводом, после конденсатора — уже «оголённым» проводом к клемме самой «пищалки», а к другому контакту — напрямую «чёрно-красным» проводом.
Знаю, что такой конденсатор (ФВЧ) разные производители устанавливают, как на «+», так и на «-» провода. Имею несколько «комплектов/пар» таких твитеров, хочу их установить как «дополнительные», чтобы немного «поднять сцену». Фото прилагаю… Буду благодарен за ответ/совет.
попробовать батарейку от компьютера — таблетку на 3 вольта
Здравствуйте. Подскажите пожалуйста, акустика ACV PB-60.2, подключил через штатные кроссы, которые в комплекте шли, твитер "песочит", но не на всех композициях (мужской вокал). Что можно впаять, отказавшись от кроссов, увеличив детальность?
От кроссовера отказываться не стоит, можно чуть понизить уровень ВЧ. Для начала установить тембры по нулям
Поставил MT15 neo. Звучат как-то глухо и низко. Установлены правильно, через кроссоверы с комплекта…
попробуйте убрать кроссовер и подключить через пленочный конденсатор на 4,7 мкФ
День добрый.Поставил в свой Renault Megane вместо твиттера вот такие динамики как на фото.Какой номинал конденсатора мне поставить и как его подключить?Или собрать схемку как Вы предлагаете из двух резисторов?Спасибо)))
Такие можно пускать через 10 мкФ смело
Спасибо)А вольтаж какой желательно конденсатора поставить и полярность подскажите…
Пленочный без полярности, от 63 В
Спасибо, попробую)
Alexmtx
Пленочный без полярности, от 63 В
Плёночных небыло, купил 10мкф на 100в электрол-кие, к динамику плюсом или минусом подсоединять?
в разрыв плюса, минусом к динамику
Понял, спасибо…
Как они вместо твитеров — звук не глухой стал?
Сзади за этими СЧ нужно распушенный синтепон мешочком сложить
Здравствуйте.Нет, звук не глухой и в тему получился когда я поставил конденсаторы на 10мкф.Без них да, звук глухой и долбит торпеду, а с кондеями отлично.
Большое спасибо за ответ и совет! Удачи Вам!
Спасибо!
Рекомендую попробовать L-Pad с R1 = 1,2 Ом, R2 = 10 Ом
Будет чуть больше ВЧ, но звучание станет лучше
Здравствуйте! Скажите пожалуйста, с какой частоты будет воспроизведение твитером (4 Ом) ВЧ-диапазона (начнётся "срез") при таком ФВЧ ("первого порядка" — 6,8 мкФ) и рассчитаном Вами вышеуказанном L-Pad (R1 — 1,2 Om, R2 — 10,0 Om)? Буду признателен Вам за ответ!
Здравствуйте! ФВЧ с частотой среза 5,8 кГц (по уровню — 3 дБ)
L-Pad с такими номиналами понизит уровень твитера на -3 дБ
tel-spb.ru/rc.html
www.sengpielaudio.com/calculator-Lpad.htm
Большое спасибо за ответ! Удачи Вам!
Здравствуйте!
Разъясните, пожалуйста, какая будет частота среза ВЧ, если "штатный" ФВЧ первого порядка (ВЧ динамики "Nakamichi SP-T25", импеданс 4 Ом) состоит из последовательно подключённых конденсатора 3,3 мкФ и проволочного резистора 3,3 Ом?
Конденсатор будет "резать" частоту, как для 4-омного или, как для 7,3-омного динамика?
Буду искренне благодарен за Ваш ответ/консультацию!
то есть резистор стоит после конденсатора перед твитером?
тогда будет ФВЧ на 7,3 Ом = 6,6 кГц (по уровню -3 дБ)
Без резистора будет ФВЧ на 4 Ом = 12 кГц (по уровню -3 дБ)
Лучше поставить металлооксидные резисторы перед твитерами
www.chipdip.ru/product0/64241
а кондеры заменить на каждый твитер по 2 пленочных параллельно www.chipdip.ru/product0/2669
Купил такие твиттеры denon с тканевым диффузором. Все, что про них известно это импеданс 4 Ом, Re намерял 3.2 Ом, конденсатор электролит на 6.8 мкф. Какое значение подставить в калькуляторе для расчета среза, 4 Ом или 3.2 Ом?
4 Ом, 6,8 мкФ оставляйте, только L-Pad после кондера 1,2 Ом последовательно и 10 Ом параллельно твитеру поставить
Ок. Т.е. допустимо параллелить кондеры, если нет подходящего номинала?
Конечно, даже разного типа ставят бывает
Купил такие на 3.3 мкф. Пойдут?
Да, а вот резисторы не менее 2 Вт нужно
www.chipdip.ru/product0/15259
a.d-cd.net/IoAAAgNNyOA-1920.jpg
А что, если на 1.2 ома будет 1 ватт?
если слушать негромко, то можно
Подключил твиттеры к тыловым каналам гу и фэйдером немного притушил громкость. Завтра попробую послушать их отдельно. Может услышу какие-нибудь огрехи в звуке.
на тыловых каналах ВЧ не урезаются в ГУ?
У меня простое ГУ, где все настройки единые на все каналы. Pioneer MVH-190UI. Взял его намеренно, т.к. в будущем планирую вытащить оптику и купить внешний процессор.
как звучание?
За такие деньги отличное
где запись в бортжурнале?
Подскажите а как узнать уровень затухания в dB для расчета
L-pad?
www.sengpielaudio.com/calculator-Lpad.htm
Сегодня сделал L-pad по этой схеме, практически без изменений, кардинально ничего не поменялось. Только уровень ВЧ упал и они стали мягче. Изначально стояли на твитерах электролиты на 3,3 мкФ, , сейчас пленка 4,7.
Надо вместо 6 Ом поставить 10.
Ну так стали мягче, так и есть
motoman126
Сегодня сделал L-pad по этой схеме, практически без изменений, кардинально ничего не поменялось. Только уровень ВЧ упал и они стали мягче. Изначально стояли на твитерах электролиты на 3,3 мкФ, , сейчас пленка 4,7.
Надо вместо 6 Ом поставить 10.
Сделайте ФВЧ и L-Pad по этой схеме — будет лучше звучание
Тембры НЧ ВЧ +5 из 9. Без них совсем тоскливо звучит. Приложение для Андроид SPL Анализатор спектра — замерял телефоном, непрофессионально конечно, но уши примерно подтверждают.
Надо будет попробовать сделать L-pad для твитеров.
ВЧ у меня немного в избытке, а вот СЧ не хватает. Система 2-х полосная.
А какой емкости конденсатор стоит сейчас на твитер?
Надо вскрыть твитеры и глянуть.
Alexmtx
А какой емкости конденсатор стоит сейчас на твитер?
А есть ли смысл, если недостаток СЧ в 2-х полосной системе, увеличить емкость на твитер до 6.8 мкФ пленочный (с 3.3 или 4.7 мкФ электролит) и сделать L-pad?
Да, возможно увеличения емкости будет достаточно, так как СЧ заглушат ВЧ. Твитеры где стоят, не на отражение от лобового стекла?
Да, в машине, на стекло лобовое.
И есть ли толк в обработке подвеса НЧ-СЧ динамика по методике Игоря Dr-Wax?
Смысл есть, если разбирать не сложно.
Не очень — обшивки дверей надо снимать.
Alexmtx
Да, возможно увеличения емкости будет достаточно, так как СЧ заглушат ВЧ. Твитеры где стоят, не на отражение от лобового стекла?
Вот моя АЧХ в авто. Замерял на белом шуме и свип-тоном.
А что за программа? Тембры по нулям?
Alexmtx
А что за программа? Тембры по нулям?
Кстати, уменьшил сегодня тембры нч и вч на пару пунктов — стало лучше! Появились СЧ и звук стал сбалансированнее
Alexmtx
А какой емкости конденсатор стоит сейчас на твитер?
На 3,3 мкФ неполярный
А сами твитеры купольные тканевые или конусные пластиковые?
В максимальной комплектации обычно получше ставят тканевые — звучание лучше у них.
Купольные тканевые с акустической линзой. Звучат они очень неплохо, до 18-20 кГц, только есть избыток ВЧ, если с тембром перестараться.
В идеале система должна звучать при тембрах в нуле, но при отражении от стекла немного самые ВЧ придется поднять, главное чтобы магнитола именно ВЧ поднимала, а не вместе с СЧ.
У меня обычно ВЧ в ноль, а НЧ почти на максимум.
У меня магнитола среднего уровня Arkamys (выше только Bose), но и там и там только НЧ и ВЧ (((
Alexmtx
А сами твитеры купольные тканевые или конусные пластиковые?
В максимальной комплектации обычно получше ставят тканевые — звучание лучше у них.
Сделайте ФВЧ и L-Pad по этой схеме — будет лучше звучание
Уже делал ).
Уровень ВЧ падает, приходится на максимум делать.
Сейчас из этой схемы резистор 10 Ом убрал и емкость 3.3 мкФ поставил и 2 Ом вместо 1.2 Ом.
Вообще думаю СЧ полосу добавить в авто.
Значит не так делал! Потому что последовательный резистор 2 Ом на нагрузке 4 Ом дает затухание -3,5 дБ, а у меня -3! К тому же резюк после кондера дает итоговое сопротивление = 6 Ом и частоту среза при 3,3 мкФ = 8 кГц вместо 12 кГц!
Это не уровень ВЧ падает, а середина из завала поднимается!
Уже все это проверял на процессорном ГУ www.drive2.ru/l/1591630/
Пошел за паяльником…
У вас система другого уровня, может паяльник и не нужен.
Не знаю какого уровня, но в верхах каша. Сейчас в авто стоит 3 пары пищалок, две стандартные в передних и задних дверях и одну пару я засунул вместе с коаксиалами hertz в передние двери, при установке полярность вроде соблел, но такое впечатление, что пропала четкость. Конденсаторы электролиты буду перепаивать в обеих парах, но вот незнаю на какую емкость? Или ставить дополнительный фильтр?
Спереди хотелось бы оставить коаксиалы, в задних дверях хочу поставить мидбасы. Может что-то посоветуете? Неужели придется "выбрасывать" коаксиалы?
Вот здесь описал свой твик кроссовера 3-го порядка на твитер www.drive2.ru/b/477157536080855579/
Там и для 4 Ом твитера номиналы написал — попробуйте.
С этим кроссом микролабовские неплохие твитеры звучат очень хорошо.
Комментарий удалён
Потому что параллельный резистор напрямую подсоединяется для гашения самоиндукции.
Ясно, спасибо.
Спасибо за темку, заколхозил себе все супер))))
Надо у себя заморочиться с твитерами. Хотел менять, но думаю проще и дешевле спаять "схему". Единственное вопрос — на твитере написано, что он 5 Ом, как правильно посчитать сопротивления (как я понимаю надо поставить сопротивления 2 и 8 Ом)? И надо ли добавлять что то к НЧ динамику?
а что не устраивает в звуке твитеров?
неестественные голоса какие то, чистоты звука нет.
чистоту звука даст нормальный кроссовер 2 порядка (кондер и катушка). L-Pad может тоже помочь с первым порядком.
На октавию себе вместо штатных твитеров ставил Kicx nd25s. Звук стал насыщеннее, четче и чище. Хочу добиться того же результата меньшими финансовыми затратами.
Также не очень понимаю как лучше поступить с НЧ, тк провода от магнитолы сначала идут к нему, а потом из этого же разъема выходят на твитер
Попробуйте просто поставить последовательно на плюс пленочный конденсатор на 2,2 мкФ — это будет самое чистое звучание на ВЧ. Можно и на 3,3 мкФ, будет пониже звучать, но не так чисто.
Сегодня как раз этим занимался. 3.3 поставил плюс чуть даери зашумил. Стало лучше. Если задумаю что то дальше делать, то менять буду акустику
Привет, стоит акустика DD CS6.5, мидбас и твиттер подключен через кроссовер, но твиттер на небольшой громкости переигрывает мидбас и слышу в основном шипение вч. Если я после кроссовера в цепь твиттера поставлю l-pad, не будут ли сопротивления в кроссовере и мои противодействовать друг другу? Или как мне лучше снизить уровень ВЧ на -3db без негативных последствий?
Попробуй резистор на 2 Ом поставить перед кроссовером на твитер.
он же тогда повлияет и на мидбас
Еще раз — поставить перед кроссом именно на твитер: нужно разбирать кросс.
так сложно это сделать, т.к. там плата с дорожками…, а если поставить l-pad в цепь твиттера, должно получиться?
Да. 1 Ом последовательно перед твитером и 10 Ом параллельно твитеру.
спасибо, буду пробовать
Получилось? Есть эффект?
Да, все получилось
Скажи, припаял кондер неполярный пленочный (коричневый такой) на 4,7 мкФ, припаял в разрыв "+".
И теперь слышно как щипят твиттеры (при выключенной магнитоле. Как-то от шипения избавиться можно?
Раньше по не знанию паял электролитический кондер паралельно и шипения не было, но твиттер чуть не сгорел. (
Так как исправить шипение?
Поставить кондер на 3,3 мкФ и после него последовательно 2 Ом резистор и следом параллельно 6 Ом резистор.
Приветствую. Машина туарег. Твиттеры доработал. Разница ощутимая. Весьма доволен. Два вопроса: есть ли смысл устанавливать цепь Цобеля для НЧ динамика? В обшивке двери стоит динамик 12-ти омный, подключён через емкость 47 мкф (так понимаю среднечастотник) есть ли решения по улучшению звучания?
Конденсатор 47 мкФ на 12 Ом — это ФВЧ 1-го порядка с частотой среза по уровню -3 дБ = 282 Гц, чтобы не перегружать его НЧ-частотами и он тем самым чисто отрабатывал СЧ-диапазон.
Там скорее всего стоит электролитический неполярный конденсатор. Электролит плохо влияет на звук и дает завал, начиная с 5 кГц.
Улучшить можно, заменив этот конденсатор на пленочный, набрав емкость из нескольких конденсаторов.
Но тогда и завала на ВЧ не будет, что нехорошо для среднечастотника.
По хорошему там должен стоять нормальный кроссовер как минимум после этого конденсатора должна стоять катушка последовательно, срезающая ВЧ составляющую и вот тогда цепь Цобеля нужна.
В данном случае я не говорю о низкочастотнике. Он есть, как положено внизу, целых 20 см в диаметре.
Цепь Цобеля вешать на него хотел, точнее интересовался необходимостью.
Я то больше про среднечастотник или его подобие, вот он:
Для кроссовера, состоящего из одного конденсатора цепь Цобеля обычно не нужна.
Я бы поставил цепь Цобеля, чтобы отрезать со среднечастотника ВЧ составляющую и послушал как станет звучать. Используем в данном случае как ФНЧ. Считаем здесь tel-spb.ru/rc.html
Сопротивление: 14-15 Ом и 4 мкФ примерно (ФНЧ 2.8 кГц).
Емкость конденсатора попробовать менять от 1мкФ до 8 мкФ.
Какой конденсатор стоял на твитере у вас и какое сопротивление на нем?
Емкость по входу убрать совсем? Не сгорит?
А может действительно сделать подобие кроссовера?
Написал же до этого — Улучшить можно, заменив этот конденсатор на пленочный, набрав емкость из нескольких конденсаторов.
Убирать её нельзя, иначе перегрузится НЧ частотами и может сгореть.
Частоту среза ФНЧ нужно согласовать с твитером.
Какой конденсатор стоял на твитере у вас и какое его сопротивление?
Стоял до переделки 4,7, теперь по вашей схеме 3,3
Твиттер 4-х омный
Разница на слух после замены какая?
Верха есть, их слышно, но уже нет каши и не давят настолько сильно как до переделки
Alexmtx
Конденсатор 47 мкФ на 12 Ом — это ФВЧ 1-го порядка с частотой среза по уровню -3 дБ = 282 Гц, чтобы не перегружать его НЧ-частотами и он тем самым чисто отрабатывал СЧ-диапазон.
Там скорее всего стоит электролитический неполярный конденсатор. Электролит плохо влияет на звук и дает завал, начиная с 5 кГц.
Улучшить можно, заменив этот конденсатор на пленочный, набрав емкость из нескольких конденсаторов.
Но тогда и завала на ВЧ не будет, что нехорошо для среднечастотника.
По хорошему там должен стоять нормальный кроссовер как минимум после этого конденсатора должна стоять катушка последовательно, срезающая ВЧ составляющую и вот тогда цепь Цобеля нужна.
Можно вопрос — как последовательно включенный электролит может давать завал на СЧ и ВЧ?
Если так, то он бы не работал в качестве фильтра ВЧ на твитерах.
Он дает завал частот, которые ниже частоты, определяемой его емкостью и сопротивлением нагрузки — ФВЧ. Также дает небольшой завал выше, если это некачественный электролит — ФНЧ.
Такой вопрос: Хочу компенсировать индуктивность (0.029mH) 4-ёх омного твитера, цепью Цобеля. Нашел калькулятор, по расчетам показывает, что нужен кондер на 1,81мФ и резистор на 5ом.
Вопрос: На сколько Ватт нужно ставить резистор, и как влияет этот показатель на звук. (буду цеплять через усь)
Бери резистор на 5 Вт и будет все ок. На твитер можно и меньше, на звук не влияет так как ставится параллельно а не последовательно.
Спасибо за ответ!
Проверяется кратковременным подключением батарейки типа "Крона", если верно подключено (плюсы совпали), то видно как твит идет вверх…запоминаем, где плюс, где минус…подключаем )))
Разве на твите увидишь? Там ход мизерный.
Видно, правда видно…второй вариант, дешевый китайский вольтметр…только музон погромче…стрелка уходит либо от нуля, либо за ноль…
Alexmtx
Разве на твите увидишь? Там ход мизерный.
Вон что нашел
www.kakprosto.ru/kak-7796…delit-polyarnost-dinamika
Я на т5 подключал прямо, и с обратной полярностью… В итоге на слух звук лучше был от обратной полярности…
Обратная — это когда на контакт, где стоит конденсатор подаем минус?
У тебя тоже такие же твитеры и стоят также на панели и смотрят вверх на стекло?
Блин… У меня выход шел на них… Только не могу вспомнить какой из них минус и какой плюс… Но точно помню, что полярность обратную сделал… А стоят так же, под стеклом на панели.
Vlad007
Я на т5 подключал прямо, и с обратной полярностью… В итоге на слух звук лучше был от обратной полярности…
В обратной полярности лучше в чем? Как именно звук отличается?
Более сочнее звук получается, так что ли …
где купить можна такие ? или какие туда подходяи
На экзисте, например: exist.ru/price.aspx?SubType=0&pcode=2+KD+035+411
Всегда конденсатор ставился в разрыв плюса.
И штатное подключение туда подает плюс?
Или они туда минус дают?
+, я так и подключал внешний усилитель