Не так давно стал глючить робот, вот и меня постигла эта хрень, подумал я, и начал изучать данную тему. Начал конечно с диагностики (то что не все сканеры подходят к нашим машинам писать не буду, скажу лишь что только четвертый сканер подошел, спасибо за наводку bobandmermaid/). Вылезла одна единственная и к тому же плавающая ошибка Р060С, со страшным названием "неисправность блока управления(микропроцессора)" и кучей возможных причин. Углубившись чуть сильнее в дебри, было принято решение начать с того что попроще, а именно со штока, который судя по программе был на грани износа, о чем свидетельствуют записи о невозможности калибровки робота с подобными параметрами у других пользователей

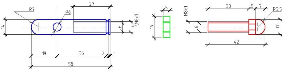
шток был заказан по чертежу

, который был взят у другого драйвовчанина majak11 за что спасибо и ему, у него кстати очень подробно расписано что и как делать с роботом при других поломках.
Так вот, через пару дней шток был готов и полный решимости и энтузиазма я отправился в гараж для его замены.
Демонтаж: для начала опять же при помощи сканера сбрасываем давление и отключаем аккумулятор, снимаем его площадку, еще можно открутить расширительный бачек, для улучшения обзора, и тут встает вопрос: снимать робота полностью или найти альтернативное решение. Скажу честно в чужих бж альтернативы не нашел, да и подробностей по замене тоже, пишут что то типа: "заказал шток, заменил, все ок" и все (может я конечно плохо искал, но не суть). На альтернативный путь решения проблемы меня натолкнула другая запись, к сожалению не могу ее найти сейчас, по замене вилки сцепления на такой же коробки но у другого фиата.
Итак, снимаем рычаг, тот что на вилке, снимаем стопорное кольцо, и всеми правдами и неправдами пытаемся стянуть его с вилки сцепления, я поддевал отверткой и аккуратно шевеля стягивал, фото к сожалению в процессе делал не много, этого момента нет(. И вот нашему взору предстает виновник торжества, тот самый шток,

фоток опять же не делал поэтому позаимствовал у того же majak11 снимаем пыльник и вот он во всей красе. Напоминаю что робот все еще находится в подкапотном пространстве. Далее встает очередной закономерный вопрос: а ка же он там держится? А очень просто, небольшим шплинтом, который к тому же управляет потенцометром

на фото уже все разобрано, но об этом чуть позже. Так вот, откручиваем 4 винта под торкс, и видим как раз то что на фото выше, только опять таки под капотом, а не в руках. И вот тут то вроде все просто, нужно всего лишь выдернуть штифт, и шток будет у вас в руках, но не тут то было. Часа три при помощи всевозможных плоскогубцев мы пытались вытянуть эту заразу, риски на губках плоскогубцев срезало только так, а на самом штифте не было даже царапин, словно эскалибур он не поддавался нашим потугам (может так не повезло конкретно нам, если у вас получится вынуть его по месту вы сэкономите массу времени и сил). Так как у нас это не получалось пришлось снимать механизм, но опять же не целиком, а лишь половину, верхнюю

для этого вынимаем все разъемы, снимаем трубку с обратки и выкручиваем магистраль, предварительно все пометив чтобы не перепутать. Крепится все это чудо на двух длинных болтах с головкой на 13 и пяти винтах под торкс. когда все крепежные элементы выкручены, разъемы отсоеденены приступаем к изъятию, я начинал поднимать левый верхний угол, и поворачивая вокруг горизонтальной оси по часовой стрелке вынимаем его.

фото все еще не мое. Как мы его вынули я не знаю, в один момент я вышел из гаража, а когда вернулся товарищ уже вертел в руках два штока, кстати, в мануале по замене манжет не очень подробно но описан и этот момент тоже




, и именно этот мануал и укрепил окончательно мои догадки по поводу причины глюков, ошибки и верного пути решения проблемы)


На фото кажется что новый сильно больше старого, но это не так, просто неудачный ракурс. Ну а дальше все оказалось просто, вставляем новый шток, и в обратной последовательности все собираем аккуратно


. Закрутили болты, присоединили фишки, вставили магистраль и обратку, поставили на место рычаг, тот что вращает вилку сцепления (я немного мазнул туда литола, для лучшего скольжения) накидываем аккумулятор и начинаем колдовать настраивать все, подробно: тут и тут, там же кстати есть еще фотографии и вилки, и рычага и потенцометра. И вот тут то нас и ожидает счастливый конец, калибровка проходит успешно, ошибки не вылазят, переключается все ровно так как и должно)

PS: манжеты не менял, за время эксплуатации автомобиля не было замечено течей, а лезть в работающий исправно узел я не вижу смысла, менял жидкость почти сразу после покупки автомобиля (а это больше трех лет назад) в настоящий момент она вполне себе достойно выглядит, но перед зимой все равно заменю, ибо считаю что отчасти благодаря этому действию агрегат не доставлял серьезных проблем на данный момент)
Надеюсь кому то это поможет) Всем мир)
UPD: нашел, смысл записи такой же, только чуть покороче, в идеале пропустить фразу "снимаем робот" и тогда все вообще просто)






Комментарии 29
Вот эту
Это показания на нейтрали
Что говорят цифры?
Замена сцепления ?
Робот уходит в ручной режим пока не скинешь ошибку
Слишком маленькие цифры 9+, начни с визуального осмотра лапки сцепления и штока, как вариант бывало тут на драйве что ломалась вилка, но это со снятием только, а там уже видно будет может подшипник или само сцепление 🤷♂️ как вариант для пробы подложить между штоком и сцеплением шайбочку, и посмотреть снова значения
kyrgin
Это показания на нейтрали
Что говорят цифры?
Замена сцепления ?
Робот уходит в ручной режим пока не скинешь ошибку
Потенциометр со штока не снимали? Есть еще вероятность что он стоит криво, не попала лапка, или сломана
Ни чего не делали
Купили авто в августе, проехали около 10тыс.км.
И начала в ручной режим уходить .
Может попробовать сделать калибровку ?
Можно попробовать, но скорее всего с такими показателями она не пройдет, хотя может я чего не помню 🤷♂️
Она и не прошла
Я продул сцепление один раз и попробовал сделать калибровку, не получилось
kyrgin
Это показания на нейтрали
Что говорят цифры?
Замена сцепления ?
Робот уходит в ручной режим пока не скинешь ошибку
— Проблемы с датчиком штока сцепления, достаточно часто не верные показания с датчика штока приводят к глюкам работы сцепления, здесь более распространенные случаи рывков, дерганий, бывает что сцепление полностью перестает работать. Обычно эти глюки на время пропадают после выключения зажигания. Часто при этом фигурируют ошибки Р1741, Р1743, Р1810.
— Износ элементов сцепления. Сюда входит износ корзины и диска сцепления, износ штока сцепления и изменения в геометрии вилки сцепления. Диагностировать достаточно просто, во вкладке параметры нужно найти показания с датчика штока сцепления (Указ. выж. устр. диск. сцеп) при заглушенном моторе его показания должны быть в пределах 20-21мм. Показания ниже 20 мм свидетельствуют об износе, ниже 18 мм. о критическом износе при котором уже не возможно сделать адаптацию. Первое что можно сделать — это наварить шток до номинала 75 мм или изготовить раздвижной шток, если это не решит проблемы то замена вилки с комплектом сцепления. Разумеется все это справедливо при заведомо исправном датчике штока!
Понял
Посмотрю
kyrgin
Это показания на нейтрали
Что говорят цифры?
Замена сцепления ?
Робот уходит в ручной режим пока не скинешь ошибку
Вот тут смотри целиком, коробка одна и та же www.drive2.ru/l/512403205942935793/
Всем приает
Где можно скачать электросхемы?
На elearn нет коробки
Привет, не могу подсказать 🤷♂️
Подскажите пожалуйста а шток новый из какого металла изготавливать и нужно ли его прикаливать?
Здравствуйте, просто сталь, какая даже не подскажу, скорее всего арматуры кусок который был у токаря под рукой здесь и сейчас, прокаливать думаю не стоит, он же регулируется, если немного сточится можно выкрутить, а вот если он проваленный сотрёт лапку сцепления это будет хуже
Вот жаль, что не описали процесс изъятия штока цилиндра. 2й час и десяток различных плоскогубцев — тщетно…
Так, подождите с какого именно места вам подсказать?) снимаете потенциометр, там железный штифт, по нему пру ударов в стороны молотком, чтоб подрасшатать, а дальше плоскогубцами, мы тоже мучались, тянули, всеми правдами и неправдами, но в итоге вынули, там же все это так и написано)
Спасибо! Не было указано куда стучать, а в стороны — страшно повредить. Попробую :)
comx2
Так, подождите с какого именно места вам подсказать?) снимаете потенциометр, там железный штифт, по нему пру ударов в стороны молотком, чтоб подрасшатать, а дальше плоскогубцами, мы тоже мучались, тянули, всеми правдами и неправдами, но в итоге вынули, там же все это так и написано)
Ура! 2 минуты и готово! Ещё раз спасибо за быстрый ответ! :) Пожалуй стоит дополнить статью «как стучать» для непонятливых и боязливых вроде меня :) На 4 резком ударе буквально выскользнул.
А какой лучше скан для них?
Сам адаптер или софтина? ФиатЭкускан или мультиэкускан
И то И то
А адаптер елм327 только они подходят далеко не все, мне только с 3го раза нормальный попался
Понял.спасиб за инфу
Да не за что)
Передачи включались при этой ошибке? Машина ехала или Нет?
Включались, ехала, эта ошибка плавающая была
Ясно спасиб. У меня на клиентской машине вылезла p060c-85 и ниче не включается
Вероятно зависит от степени износа штока, посмотри его параметры
ОК. Спасиб