И так продолжаю разбираться с кондиционерам.
Так, как электрики не могут понять косяк, хотя я и сам уже не знаю куда копать.
Методам тыка были исключены
1).датчик давления.
2) Не работающая 1я скорость вентилятора.
3)Отопители, осушители и т.д.
4) Регулировочный клапан.
Куда дальше лезть я уже и не знаю
И так коды не исправности. В моей машине и в машине в которой нет хладагента.

После сброса ошибки, появляется снова после запуска двигателя. Пишется только в BSI

Пишется только в блок управления двигателем.

Пишется только в BSI
Сейчас фотки с чужой машины где нет фреона. И нет таких ошибок.


ошибка в BSI

Та же ошибка в BSM
А теперь внимание вопрос: какие датчики у нас отвечаю за давление в контуре кондиционера?Если надо сделаю любые тесты, подскажите только куда рыть=)
Всем ровных дорог!=)






Комментарии 22
2 провода, это упровленія муфтой и 2 регулирующий клапан компрессора
С кондиционером решили вопрос? у меня ошибка F994 вылезла…
Ну, у меня чуть другая проблема.(Ее я решил)У тебя же судя по ошибки косяк с управления муфты. Если давление в норме, проверяй фишки на управление компрессором, часто косяк заключается в именно в отгнивших контактах.
давление фреона 6 атмосфер, мастер-заправщик сказал достаточно. Хочу снять фишку с муфты и подать на муфту 12 вольт, если щелкает — рабочая, также проверить есть ли на фишке 12 вольт от мозгов. А от мозгов к муфте есть какие-то релюхи/предохранители?
В бсм реле. Ну, но врядли дело в нем. Если есть лексия, там есть тест исполнительных элементов, модно проверить муфту.
Тест исполнительных механизмов делал — реле не щелкает, муфта тоже не щелкает. Ошибок не выдает при тестах. Только эта ошибка висит постоянно f994. Не ужели БСМ сгорел?..
Разъемы смотрел? Прозванивал?
Chanceux77
давление фреона 6 атмосфер, мастер-заправщик сказал достаточно. Хочу снять фишку с муфты и подать на муфту 12 вольт, если щелкает — рабочая, также проверить есть ли на фишке 12 вольт от мозгов. А от мозгов к муфте есть какие-то релюхи/предохранители?
Сразу, просто прозвони проводку.
Chanceux77
давление фреона 6 атмосфер, мастер-заправщик сказал достаточно. Хочу снять фишку с муфты и подать на муфту 12 вольт, если щелкает — рабочая, также проверить есть ли на фишке 12 вольт от мозгов. А от мозгов к муфте есть какие-то релюхи/предохранители?
Пред F11 судя по схеме.
Chanceux77
давление фреона 6 атмосфер, мастер-заправщик сказал достаточно. Хочу снять фишку с муфты и подать на муфту 12 вольт, если щелкает — рабочая, также проверить есть ли на фишке 12 вольт от мозгов. А от мозгов к муфте есть какие-то релюхи/предохранители?
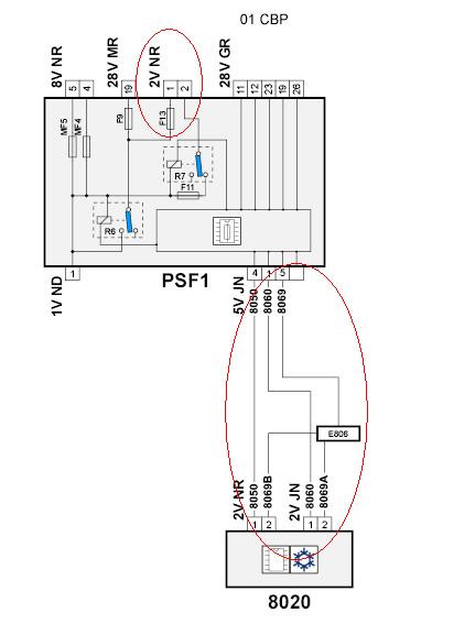
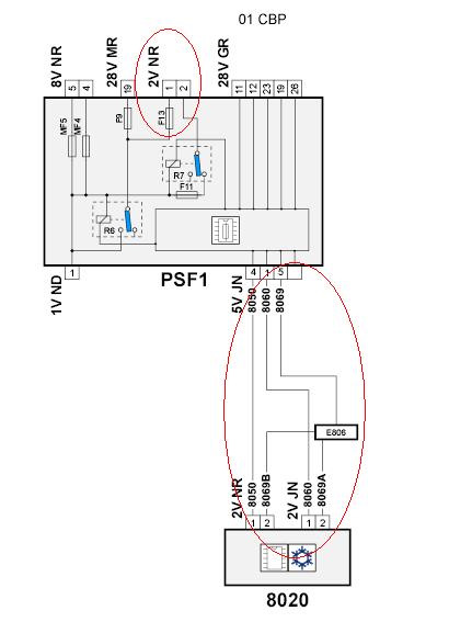
не пойму один момент по схемам: от компрессора идут четыре провода (две массы и два плюса) как бы прямо на колодку 5VJN, а что такое тогда обозначено как 2VNR на муфте и на БСИ? Они связаны?
1oleg131
это к предыдущей моей схеме, 2VNR и 5VJN
2VNR это плюс на упровления печкой…
ок, понятно, буду завтра "звонить"…
Сними фишку на с 5JN включи кондиционер на минимум и посмотри есть ли напруга в 12в между 4-5 пином. Если есть, дальше смотри проводку.
ок, так и сделаю
1oleg131
Сними фишку на с 5JN включи кондиционер на минимум и посмотри есть ли напруга в 12в между 4-5 пином. Если есть, дальше смотри проводку.
В общем починил я свой кондюк, оказалось катушка муфты компрессора не работала — в катушке перегорел термопредохранитель. 4 часа работы и все работает. В инете хорошо что есть инфа, у других тоже такое было…
Эт хорошо, я до катушки не добрался!
проводку до датчика прозванивал?
Да.;)
пропаять BSM уже советовали?)
Ещё нет, но думаю не в БСМ тут дело.