Всем Привет!
В нашу холодную зиму родственники и друзья жаловались на холод на задних сидениях, обогрева там не было. Но разъемы под сидениями были =) это было хорошим подспорьем для тюнинга, но маты не мог найти.
И тут натыкаюсь на пост на авито о комплекте матов за 3000 рублей, решил взять!
Маты нулячие, ниразу не ставились. Производство Lear. В комплекте 2 поясничных и 2 нижних мата. Разъемы подходят к тем, что находится у многих под сидушками заднего ряда.

Теперь дело за малым — все подключить и радоваться. Но не тут то было… Как оказалось, наличие разъемов под сиденьями не гарантирует наличие разъема в тоннеле. У кого-то они есть, у кого-то их нет, я, к сожалению, попал в вторые ряды… Ну что же, не проблема — будем дополнять жгут сами.
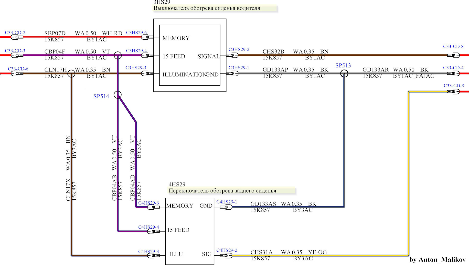
Для начала залез в Etis чтобы взять электросхемы. Как оказалось, дополнить его вообще не проблема.Сравним 2 схемы:


По схеме все обозначения соответствуют МЭК 757-83. Путем простого анализа, получаем что необходимо дополнить жгут всего одним желто-оранжевым проводом, и привести 3 остальных провода до переднего блока кнопок обогрева. Схематично это выглядит так, новые проводники обведены синим цветом.

Главное — чтобы в разъёме, который находится правее кулисы КПП, присутствовал желто-оранжевый провод. Дотянуть от него до кнопок не проблема, а вот от этого разъема до ГЕМ — реально гемморой.
У меня желто-оранжевый провод присутствует, а в ответной ее части — жгуте центрального тоннеля — пусто.


Что насчёт самого блока — блок имеет стандартную для электроники штыревую разъемную часть с шагом контактов 2.54 мм, поэтому подойдет компьютерный разъем.

Фиолетового и желто-оранжевого провода я увы не нашел, поэтому пришлось взять синий и желтый соответственно.

В итоге у меня получился вот такой вот жгут, который был спрятан в так называемую "змеиную кожу" и проложен по тоннелю во время переделки питания задних мониторов, о чем писал в предыдущей записи.


В районе подстаканника сделал распай, и провода задних кнопок были подключены к передним в соответствии со схемой.

Ну а затем — необходимо было дополнить разъем жгута. Вообще используется некий хитрый пин от VAG'а, но я пошёл по другому пути. Для этого был взят пин от ВАЗовского разъема (2 мм), тщательно пролужена часть для вставки и первая примерка — широковат. Напильник в руки и вперед!
Снять пришлось совсем чуть-чуть — и пин готов!

Вставляем, для фиксации капаем клеевым пистолетом и окончательно закрепляем жгут на тоннеле. Вставляем и собираем.

Теперь предстояла самая трудная часть этого "балета". Нет-нет, это не установка матов — это задняя панель. К сожалению, найти ее за даже бешеные деньги не получилось — во всех магазинах ее не было в наличии…
Пришлось изобретать… Об этом в следующей записи! =(
Всем Спасибо за Внимание!





Комментарии 14
Подскажите, где взять маты)
Привет! Не подскажешь как ты подключил YE-OR провод от колодки к GEMу? К какому пину подсоединялся? Я уже все сделал, проблема куда этот провод подсоединить
Что делать если нету фишки?)))
какой из?
Та которая под сиденьем
Недавно делали другу Саше powt с нуля обогрев, почитайте его запись.
www.drive2.ru/l/519438431093261321/
Круто ) молодец что заморочился. Тоже проходил через это все. Панель нашел в Питере причем новый и не дорого. Только все зря это было. Они еле греют сзади. А через чехлы так вообще без толку. К сожалению время и деньги на ветер.
Ну я б так не сказал. Кнопки поставил, жарят хорошо. Просто я тут интересовался немного конструкцией в плане электроники, сигнал идет по интерфейсному шлюзику, который передает данные от нуля до некоторого уровня. Так вот — на китайских кнопках этот уровень выше намного, ежели на заводских кнопках. В принципе неудивительно — они на рестайлинге немного другую конструкцию платы имеет. И установив их, через минуты жарило огого
У меня спереди Китай вот там жарит путем сзади кнопки оригинал и долго и слабо очень нагреваются. Неужели дело в кнопках. Слабо верится. Возможно что то не так соединил, но тогда бы совсем не работало бы
Серьезно, я специально опыт проводил. Там же стоит ЦАП, и в зависимости от уровня жарит по разному. Какое значение по цифре прилетит — такая и будет интенсивность. А источник этой цифры — все те же кнопки.
Попробуйте, удивитесь =)
Поменяю местами кнопки если зад станет греть лучше куплю Китай а оригинал продам по цене самолёта). Спасибо за совет
Anton-Malikov
Ну я б так не сказал. Кнопки поставил, жарят хорошо. Просто я тут интересовался немного конструкцией в плане электроники, сигнал идет по интерфейсному шлюзику, который передает данные от нуля до некоторого уровня. Так вот — на китайских кнопках этот уровень выше намного, ежели на заводских кнопках. В принципе неудивительно — они на рестайлинге немного другую конструкцию платы имеет. И установив их, через минуты жарило огого
Подтверждаю! сзади на пятой скорости долго не усидеть… ну разве что в лютый мороз и в ватных штанах)))
Anton-Malikov
Ну я б так не сказал. Кнопки поставил, жарят хорошо. Просто я тут интересовался немного конструкцией в плане электроники, сигнал идет по интерфейсному шлюзику, который передает данные от нуля до некоторого уровня. Так вот — на китайских кнопках этот уровень выше намного, ежели на заводских кнопках. В принципе неудивительно — они на рестайлинге немного другую конструкцию платы имеет. И установив их, через минуты жарило огого
То есть чтобы нагревался быстрее и сильнее нужны кнопки от рестайла, черные?
Просто Китай нужен)