
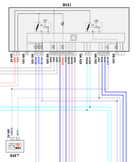
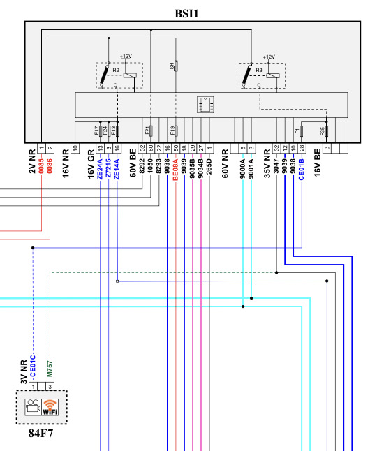
В связи с установкой штатного видеорегистратора ConnectedCAM от C3 III, встала необходимость установки датчика дождя/света от этой же модели авто. Дело в том, что штатное место датчика дождя заняла многофункциональная камера от C4 II Picasso, в которой датчик дождя по непонятным причинам не хочет дружить с моей машиной. Хотя BSI тоже от C4 II Picasso. Ну, вообщем то мне это и не важно. Поскольку видеорегистратор C3 III держится на ножке, внутри которой стоит свой датчик дождя/света. Значит функция в любом случае будет сохранена. Датчик дождя от C3 III работает на C4 B7 без проблем и ошибок. Единственное, при подключении нужно поменять местами 1 и 3 пин. Так как датчик от C3 III был снят с другой машины, то потребовалась новая прокладка. Для восстановления прокладки была куплена специальная двухсторонняя клейкая лента. Она полностью прозрачная и ее можно обрезать по форме любого датчика дождя/света. Результатом доволен. Теперь время собирать крепление на лобовом и моделировать единый декоративный корпус на всю эту систему :) Что касается видеорегистратора, то ему нужно только питание 12V. Работать с ним нужно лишь через мобильное приложение. Подключается к телефону по WIFI. При этом возможность использовать WIFI в телефоне остается. Например, сопряжение с ConnectedCAM не мешает подключаться к роутеру по WIFI. Мой регистратор приехал из Великобритании. При включении там сохранились видеоролики и фотографии прежнего владельца. Прикольно :) Продолжение следует…










Комментарии 26
номера читаются на записи?
А на C4 такое не ставилось с завода?
Нет.
Загорелся подобной идеей установки штатного ВР от С3 (III) на ДС3. В связи с этим возник вопрос: искать нужно штатный регистратор от С3 (III) сразу вместе с штатным креплением и зеркалом?
Да.
А есть фото сверху комплекта в сборе регистратора от С3 (в том виде как он пришел из Европы)?
Непонятно как его крепить — именно узел сочленения зеркала, регистратора и крепления к стеклу.
Приклеивать к стеклу крепление датчика дождя и на него цепляется все остальное
В случае если ставить на ДС3 (2010 г.в.) размеры датчика дождя и сама его конфигурация будут иметь принципиальное значение или нужно будет докупать еще и сам датчик дождя от С3 (III) В618 ?
И если ставить другой датчик дождя (от С3 (III) — подружится ли он с БСИ ДС3 ?
Главное, чтобы датчик был круглый и влезал в крепление.
vadim1968
В случае если ставить на ДС3 (2010 г.в.) размеры датчика дождя и сама его конфигурация будут иметь принципиальное значение или нужно будет докупать еще и сам датчик дождя от С3 (III) В618 ?
И если ставить другой датчик дождя (от С3 (III) — подружится ли он с БСИ ДС3 ?
Смотрите чтобы совпадал CAN
Не подскажите парт намбер датчика дождя от С3 (III) ?
Неа.
Подскажите поточнее что за программа для управления региком?
Регистратор к шине подключается? Скорость и жпс с шины читает?
Нет. У него свой GPS. Он вообще автономен и тачку можно найти даже когда заглушён двигатель.
А есть номерок регистратора? Где покупали?
В Польше. Part N: 9817612877
Спасибо.
dj-wed
А есть номерок регистратора? Где покупали?
В СБ комплект бьется под номером 98176128XT.
Самый напичканный Ситроен)) что дальше?
Битурбо
Хорошая доработка))
maikl110! Вы не перестаёте удивлять техническими решениями по усовершенствованию нашей машины. Удачи в дальнейших работах!
А можно по подробнее про "специальная двухсторонняя клейкая лента", ссылку где брали или название ?
Наткнулся случайно в магазине «Авторусь». Цена 350 рублей. На 6-8 датчиков дождя хватит одной упаковки. Компания «3М».
MyCustomNicname
А можно по подробнее про "специальная двухсторонняя клейкая лента", ссылку где брали или название ?
Очень напоминает двусторонний скотч для вклейки тачскринов и дисплеев) есть почти такой дома, тоже 3м