
Всем привет. Сегодня произошел трабл. Поехал к близким в автомагазин, запарковался, заглушился. Пока там общались, кофе и тд., заказал тестю на ниву запчастей, и собрался обратно дамой. Завожусь, и тут писк, который заставляет уши сложить в трубку и 4 иконки. я чет в шоке, глушу машину, жду когда турботаймер отработает, завожусь и та же история. Думаю, ехать надо, проверил тормоза, они есть, но писк раздражает. Решил ехать домой, спокойно, ибо там 7 км езды почти по прямой. В итоге через 400-500 метров. все исчезло. Я не понял, что это было.
Приехал на гараж, подрубил лаунч, и он выдал ошибку которую Вы видите на фотке. Спускаясь с гаража, медленно, немного помогая тормозами, ибо спуск, опять на 4-5 сек произошло тоже самое и исчезло.
Сразу говорю, тормоза еще не прокачивал после старых хозяев.





Комментарии 37
Вот и я сегодня попал с такой бедой ((((( вы разобрались ?
Сегодня было уже 3 ошибки. 57, 55, 53.
53 несколько раз, и там написано — мотор
Заказал новый насос. цена 30000руб. На тормозах не экономят, а колхоз в данных вещах не одобряю.
Simply-Man. Спасибо тебе большое! Благодаря тебе, быстро нашел проблем.
Ну все, пистец. тормозов нет совсем. педаль дубовая.
Моторчик слышно, работает?
вообще не слышно.
Значит прозванивать надо. #
Раздел 35А, HBB CHECK, HBB MOTOR RELAY CHECK. Неисправность мотора можно вылечить заменой щеточного узла. По датчикам проблема хуже.
AXel-23
вообще не слышно.
www.drive2.ru/l/482655094219735699/ — вот по ремонту моторчика, если это он
Я думаю что перебирать нет смысла. Проще купить оригинал. Я так понимаю, мне придется сегодня снимать всю эту систему.
Помпа 34 000 стоит, блок целиком — 91 000.
AXel-23
Я думаю что перебирать нет смысла. Проще купить оригинал. Я так понимаю, мне придется сегодня снимать всю эту систему.
Так что цена неверной диагностики высока. Надо 100% локализовать, датчик, насос или в цепях что-то.
Я не плнял, как прощвонить цепь?
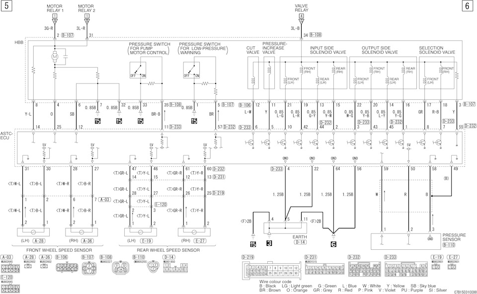
Я бы проверил наличие +12 на контактах 2 B-107 & 31 B-108, -12 на контактах 7 В-107, 32 В-108. Если все есть, но насос не работает — то хана насосу. Только проверить при подключенных разъемах.
Стукнул по корпусу груши 2-ва раза, моторчик запахал, тормоза появились.
При включенном зажигании, срабатывает моторчик и успокаивается, нажимаю 2-ва раза на педаль и моторчик работает секунды 4-ре. Это нормально?
"При включенном зажигании, срабатывает моторчик и успокаивается, нажимаю 2-ва раза на педаль и моторчик работает секунды 4-ре." — Это нормально
не понял? это мой текст
такое поведение нормально. В части включения-выключения с такими периодами.
AXel-23
Стукнул по корпусу груши 2-ва раза, моторчик запахал, тормоза появились.
При включенном зажигании, срабатывает моторчик и успокаивается, нажимаю 2-ва раза на педаль и моторчик работает секунды 4-ре. Это нормально?
Но вот то что он периодически глохнет и срабатывает только от удара — намекает на мертвые щетки коллектора, или где-то плохой контакт. Но ввиду того что все основные контакты дублированы — я ставлю на то что моторчику жить недолго осталось.
30000р новый. Закажу и не буду парить мозг. Я не думаю что там живой мотор, пробег уже 233000 км.
AXel-23
Я думаю что перебирать нет смысла. Проще купить оригинал. Я так понимаю, мне придется сегодня снимать всю эту систему.
Moy master skazal shto ne u kovo ne bilo povtornoy problemi, daje skazal shto garantiruyet idealniy rezultat. A remont dlilsya menshe dnya
Ошибка означает что в системе тормозов низкое давление. Ее можно вполне повторить часто-часто нажимая на педаль тормоза, но в обычной эксплуатации не должна всплывать.
Мануал дает такие проблемы:
Brake fluid leakage in the hydraulic brake booster (HBB)
Malfunction of the accumulator [Integrated with the hydraulic brake booster (HBB)]
Malfunction of the pressure switch (for low-pressure warning) [Integrated with the hydraulic brake booster (HBB)]
Из простого-проверить уровень тормозухи и прокачать.
Из очень неприятного — неисправность аварийного или основного датчика, по отдельности не продается, замена блока.
Сегодня тормоза пропали полностью. педаль дубовая.
Непонятные ошибки из за не понятных сканеров, надо на Мут и сразу станет легче
Чем мут лучьше лаунч про?
Мут это чисто Митсовский сканер, а не мультимарочный, и конкретно говорит где и что и как решать
"…тормоза еще не прокачивал после старых хозяев"©. Вот отсюда и надо подробненько, пошагово, по инструкции (строго).
А то сейчас начнется: грушу под замену, ГТЦ под замену, и, вообще, авто в трейд-ин, пока не поздно. Таких детективов про тормоза полно, а на деле — неправильно прокачанные.
Вот и я так думаю. У дилера который в Сочи, отобрали лицензию, теперь они не офицалы. А просто Митсубиси АТО. вот думаю, отдать им машину или ну их нах и сделать все самому по мануалу, сканер есть.
Машину можно отдать, но стоять за спиной и громко читать по пунктам инструкцию по прокачке. Желательно помощника с собой взять с битой, сам знаешь зачем. Описывал свои приключения, когда три сервиса приговаривали мне под замену грушу, и только четвертому я доказал, что надо просто прокачать. Все прошло. И все сервисы целые тоже до сих пор.
У меня ПР 73 лежит в багажнике, ей больней получается чем битой
нужно это проверить. Но у себя я насос не разу не слышал. даже не знаю как он должен шуметь. www.drive2.ru/l/10002629/
Хм! Интересненько!
Ага. Нормального описания проблемы не нашел.
Вот что нашёл — www.avtologic.ru/forum/viewtopic.php?p=5061
Читал. Это не ко мне. Тормозит хорошо
Не факт. Надо копать.
У меня одна ошибка аине как там 4-5
Надо посмотреть поток данных на работающей машине и на ходу. Записать всё это, благо в лаунче есть, и показать опытному диагносту.