Доброго времени суток.
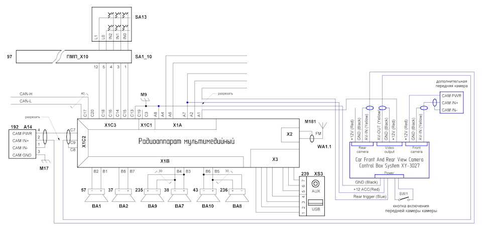
Решил в дополнение к штатной камере заднего вида установить ещё камеру переднего вида. Саму камеру купил здесь. Чтобы обеспечить переключение между камерами, купил здесь автоматический переключатель-конвертер. Чтобы передняя камера заработала через штатный вход V-in ММС Mekede у меня не получилось, поэтому и пришлось огород городить с автоматическим переключателем из Китая. Можно было собрать схему переключения камер на реле, но мне больше понравилась идея использования переключателя, т.к. в нём реализован алгоритм управления камерами, который меня устраивает.
Т.к. в качестве камеры переднего вида выступила камера заднего вида, то пришлось её разобрать и доработать, чтобы повернуть на 180 градусов изображение по горизонтали и убрать линии разметки. Возможно линии разметки надо было оставить, но пока поезжу без них и подумаю — надо ли их вернуть или нет.








Переднюю камеру и автоматический переключатель-конвертер подключал по схеме из своего же поста . Для этого её пришлось доработать и она приобрела следующий вид:

В ранее изготовленный переходник для китайской MMC Mekede, исходя из доработанной схемы, пришлось добавить недостающие цепи и элементы.






Переключение между камерами реализовал на крайней левой кнопке дополнительного блока кнопок центральной консоли, где с завода уже есть кнопки блокировки дверей и управление ESP.
Алгоритм работы автоматического переключателя-конвертера таков: при повороте ключа зажигания (появлении питания +ACC) автоматически включается передняя камера на 8 секунд, затем она отключается и ММС работает штатно. При включении задней передачи включается задняя камера. При выключении задней передачи на 8 секунд появляется изображение с передней камеры. При нажатии кнопки дополнительного блока кнопок, появляется изображение с передней камеры и присутствует до тех пор пока ещё раз не нажмёшь кнопку. При работе обеих камер звук ММС всегда отключается.
В завершение небольшой ролик, демонстрирующий работу камер:
PS Для тех кто захочет подключить переднюю камеру к штатной ММС Ителма (со штатной задней камерой), нарисовал схему, но в этом случае придётся немного переделать штатную электропроводку (разрезать два провода штатной проводки):

Всем удачи в жизни и на дорогах.





Комментарии 26
Подскажите как реализовали подключение на кнопку в штатное место? Через реле или ещё как то?
На схеме показано, что кнопка без реле. Зачем реле, если блок управляется слаботочными контактами кнопки. Кнопку использовал в блоке на 5 кнопок. Пришлось изменить печатную плату блока для одной кнопки — её контакты вывел на задний разъем. Там ещё пришлось заморочиться с индикацией "фиксации" кнопки. В-общем творческий полет мысли.
Он просто унижает нас этими схемами!)))))
желание помочь людям, теперь называется унижением этих людей?
Думаю не очень удобно при парковке "с ходу" тянуться к кнопке. Возможно ли сделать автоматическое включение от скорости? Может существуют сторонние реле или датчики скорости?
Нормально, я даже не буду заморачиваться, мне удобно.
Это. Просто. Очешуенно.
На 2-din пионер можно интересно поставить переднюю камеру?
не знаю, это надо курить возможности пионера и наличие входов/выходов
А почему просто на видеовход не воткнуть? Там же есть, на ММС.
не понял фразы: "А почему просто на видеовход не воткнуть? Там же есть, на ММС". Что именно надо просто на видеовход воткнуть?
Переднюю камеру) На магнитоле просто переключать на переднее видео, Camera V-in, при сдаче назад включится заднее. Может я туплю, конечно, толком не разбирался еще)
я пробовал на своей ММС — такой вариант не работает, поэтому коммутация камер сделана только через автоматический переключатель. Может на вашей ММС будет работать так как вы предлагаете. Производители ММС вроде разные.
Понятно. Может и я доберусь когда-нить) В любом случае полезная фишка.
CapNemo009
я пробовал на своей ММС — такой вариант не работает, поэтому коммутация камер сделана только через автоматический переключатель. Может на вашей ММС будет работать так как вы предлагаете. Производители ММС вроде разные.
У меня ММС внешне аналогична вашей. Но приобреталась у питерских ребятишек, есть поддержка передней камеры, без дополнительных танцев.
Вам лучше уточнить у тех у кого вы покупали. У меня передняя камера без танцев заработала только в варианте USB (Web камера) Меня это абсолютно не устроило.
Уточнял. Единственное неудобство — это кнопка включения в виде виджета. Нужно выходить в меню приложений, чтобы ее активировать.
Вот видите, тоже геморрой — проще никак. Мой вариант — вообще без задействования программ.
Голова !
по заводу через F-Cam не стал делать ? сам хотел заморочиться но китайцы с разьёмом прокатитли
у меня не работает такая фишка
Комментарий удалён
Нарисуй если можно, заранее спасибо.
Чего нарисовать? В конце статьи есть схема для штатной ММС. Читать статью не пробовали?
Класс, а на штатной ММС можно так сделать? КНОПКУ Я УЖЕ ВОТКНУЛ.
Откуда надо руки растут. Молодец!
Крутяк👍