Еще в конце зимы 2018 года, когда в поездке на север области случилась "ПОПА" и к нам пришли холода, на тот момент было -38 градусов, и в следствие этого "БЕГЕМОТИК" охренев от таких условий фонтанул через щуп 1,5 литра масла, и вот тогда были куплены все необходимые комплектующие для дооснащения и установки подогревателя картерных газов.
Лето прошло замечательно, и давно позабыв о выходке "БЕГЕМОТА", он запрятал все это в дальний, темный угол своего огромного багажника.
И вот когда начались холода в -25 градусов, начал я вспоминать что, вроде как что-то же было…
И в результате поисков в забитом багажнике, были найдены следующие детальки:

Трубка вентиляции картерных газов с нагревательным элементом.

Жгут проводов подогреватель картерных газов.
Надоедая вопросами тут многим на Драйве у кого установлен с завода этот заветный подогреватель, как же он все таки подключен у них, ведь информации на просторах рунета нету никакой, так и не дождавшись ответа, полез копаться в дебри буржуйских форумов…

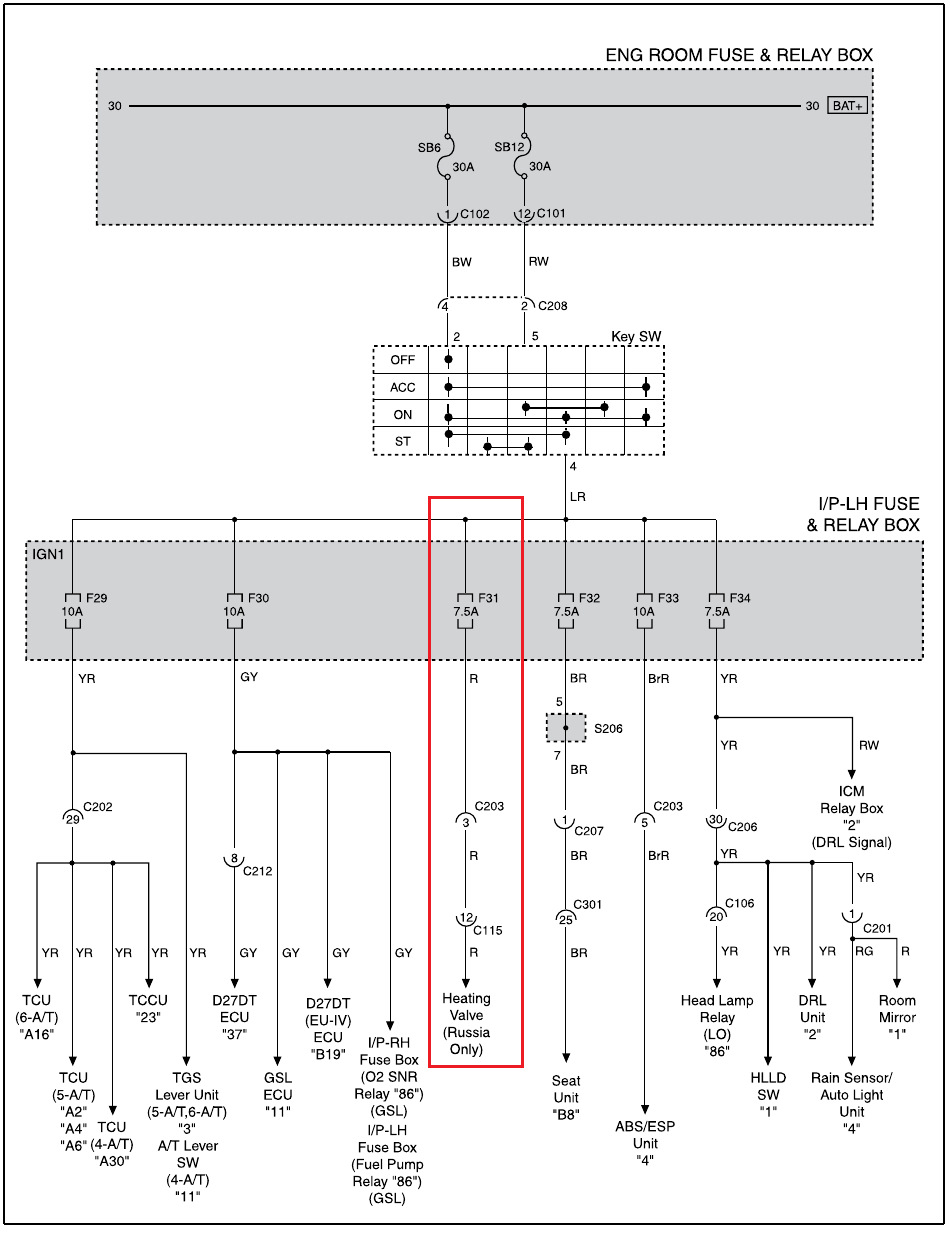
На машинах где с завода установлен этот подогреватель на крышке блока предохранителей обозначен как (Heating Valve)
Проведя за этим делом немало времени, были найдены заветные сервисные схемки дооснащения для России.
И так, дальнейший план действий таков:

Исходя из схемы: на 31(отсутствующий у нас) предохранитель, приходит провод от замка зажигания. На нем в положении ключа "ON" и "ST"(т.е. старт), появляется постоянный "+".
Идем дальше, Ставим предохранитель на 7,5А и обжав в клему, ведем провод до колодки "С203 белая" (которая находится в группе из 3-х колодок слева от ног водителя). И обжав провод, втыкаем в 3-й контакт.
От ответной части колодки, также из 3-го контакта, тянем провод под торпедой к пассажиру и все это дело выводим под капот. Далее за расширительным бачком, находим колодку "С115 черная" и предварительно обжав в клемму втыкаем провод в 12 контакт. В ответной части колодки, также в 12 контакт обжав провод от жгута проводов подогревателя картерных газов (рис. 3), втыкаем в колодку. Профит!
Осталось только поменять старую трубку, на новую с нагревательным элементом, но тут есть еще одна неприятность… в виде торчащего соска (Рис 4):

А для того чтобы нагревательный элемент встал на свое место должно быть так (Рис 5):

Поэтому нужно купить эту трубку с правильным местом для нагревательного элемента. парт№ (2372109064).
Ну или заколхозить, т.к. цена не очень адекватная в районе 4000 руб.
Как немного потеплеет буду устанавливать, ну или опять вспомню к началу следующей зимы :)
И еще парочка схем для того чтобы было понятно где искать эти разъемы и как они выглядят:


Ну и еще настало то время, когда машинка наотрез отказалась заводиться…
Старый аккумулятор выдохся… и отправился на пенсию:) Был 2010 г.в.
На смену ему пришлось купить новый (VARTA BLUE DYNAMIC G8 115D31R)

Всем спасибо! Всем до новых волнующих! С наступающим!





Комментарии 8
Живучий, гад :)
Комментарий удалён
Сопротивление: 13 Ом
в чём его суть работы?!
Не дать перемерзнуть трубке сапуна, а происходит это именно из-за колосальной разницы в температурах — на выходе с крышки +90 градусов (например), а забортный воздух — 50 (например) + чем выше проточка всасываемого воздуха (обороты) тем воздух холоднее. Образовавшийся кондесат мгновенно превращается в лёд и выходное отверстие сапуна вскоре полностью перемерзает. Избыточное давление в подклапанной крышке через сливные каналы создаётся давление и в картере, которое ищет выход, и масло фонтанирует через щуп. Последствия плачевные — клинит двигатель из-за отсутствия масла, так как нет индикации повышенного давления и пока всё масло не убежит и не загорится лампочка давления об этом не узнаешь.
понял, спасибо
IceGame
Не дать перемерзнуть трубке сапуна, а происходит это именно из-за колосальной разницы в температурах — на выходе с крышки +90 градусов (например), а забортный воздух — 50 (например) + чем выше проточка всасываемого воздуха (обороты) тем воздух холоднее. Образовавшийся кондесат мгновенно превращается в лёд и выходное отверстие сапуна вскоре полностью перемерзает. Избыточное давление в подклапанной крышке через сливные каналы создаётся давление и в картере, которое ищет выход, и масло фонтанирует через щуп. Последствия плачевные — клинит двигатель из-за отсутствия масла, так как нет индикации повышенного давления и пока всё масло не убежит и не загорится лампочка давления об этом не узнаешь.
при таком подключении, как на схеме, получается он постоянно нагревает, включен, даже летом, интересно на долго его хватит, в таком режиме
Получается что так…Я ничего не придумывал по схеме. Но всегда можно вынуть предохранитель на лето :)
Комментарий удалён
Нет, но могу измерить вечером, когда буду дома. Но я его проверял, кушает 2 Ампера.