Данный пост является шпаргалкой по блокам ЦЗ семейства VAG, а именно A4, A100/A6, А80/90/200, A8, VW Corrado, VW Golf/Vento, VW Passat, VW Polo Блоки семейства 4A0, 8D0, 8L0.
Я по старался сделать его максимально полным, но уверен, что по закону подлости, что ни будь упустил.
Будут схемы подключений всех основных блоков, ссылка на кодирование, и описание самих блоков (наличие сигнализации, дистанционного ЦЗ, частоты пультика). Где частота не указана это «европа 433Мгц» Не раз видел когда люди покупают такой же вроде блок, ну чуть с другими буквами, и ловят сюрпризы в виде отсутствии сигналки, дистанционки на другую частоту радио канала 433Мгц(европа) или 315Мгц(америка) ну и т.д. Что б не было сюрпризов надо просто почитать описание.
Начнем :-)
Для начала про кодирование. Про кодирование и пропись ключей я вот тут писал, повторятся не буду. www.drive2.ru/l/516386736570368277/

Теперь схемы.
Совсем старые схемы я не буду отдельно разбирать и выкладывать еще раз. Вот тут они у меня на сайтике, все разложены по годам и машинам. А именно – Audi 100/200, 80/90, 5000S/5000CS, S4 года 85-93. www.sizov.org/audi/shem1.html

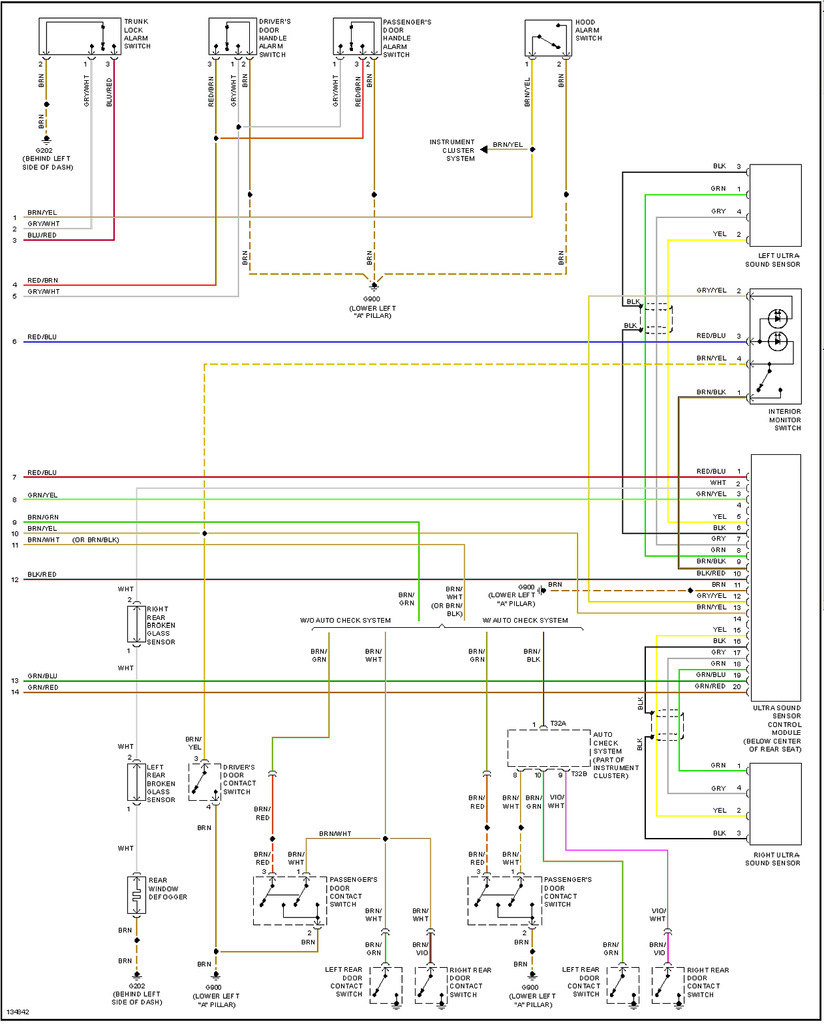
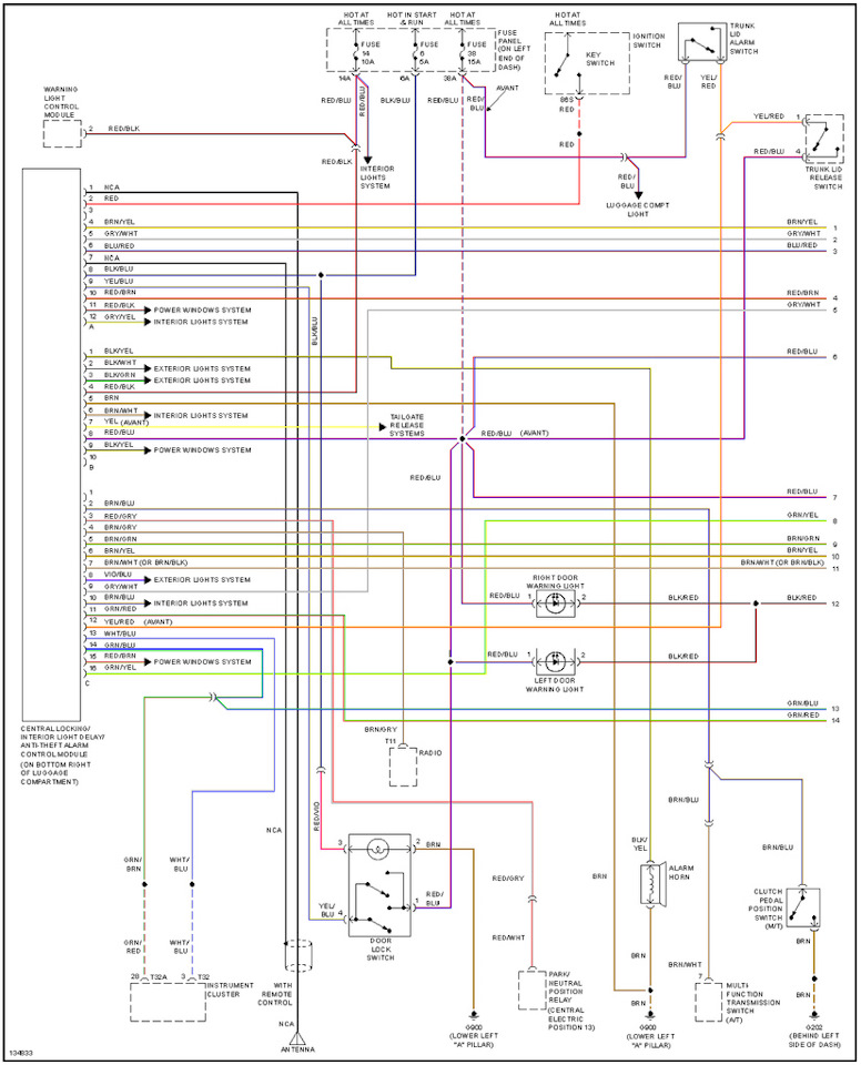
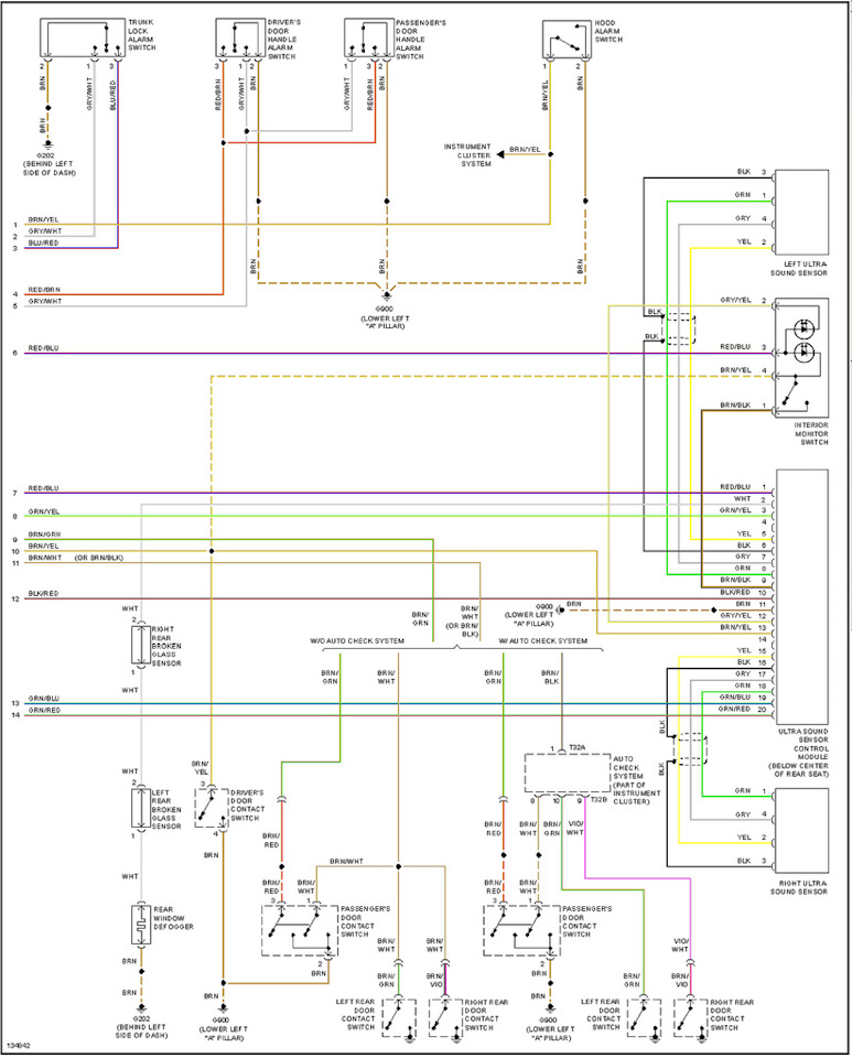
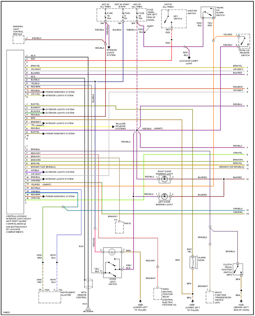
Теперь схемы 94-03 года. Схемы на Русском языке :-)
Схемы вот в таком, более понятном, электронщикам виде.

Схемы A6/S6 (4A) 94-97 года.
Моторы:
1.8 ADR, AEB.
2.0 AAD, AAE, ABK, ACE.
2.3 AAR.
2.6 ABC.
2.8 AAH, ACK.
www.sizov.org/files/audicz/A6S694-97.rar
Схемы A6/S6/RS6 (C5) 97-05 года.
Моторы:
1.8 AJP, AEB, AJL, APU. 97-02г.
1.8 ALP AQE, ARH, AEB, AJL, ANB, APU. 98-02г.
1.8 ALP AQE, ARH, AEB, AJL, ANB, APU, AWT 00-05г
2.0 ALT.
2.4 AGA, AJG ALF, ALW, APC, APS, ARJ 98-05г
2.4 AGA, AJG ALF, ALW, APC, APS, APZ, ARJ, ARN 99-02 98-05 97-03г
2.4 AGA, AJG ALF, ALW, AML, AMM, APC, APS, APZ, ARJ, ARN, ASM, BDV 97-05г
2.7 AJK, ARE, AZA, BES
2.8 ACK, AGE, ALG, APR, ATX 98 98-02 97-02г
2.8 ACK, AGE, ALG, APR, AQD, ATX 99 98-99 98-02 97-02г
2.8 ACK, AGE, ALG, AMX, APR, AQD, ATX 97-02г
3.0 ASN, BBJ 02-05г
4.2 BAS, ANK, AQJ, BBD
www.sizov.org/files/audicz/a6s6rs6c597-05.rar
Схемы A4/S4/RS4 (8D) 95-01 года.
Моторы:
1.6 ADP, AHL с дистанционкой
1.6 ADP, AHL без дистанционки
1.6 ADP, AHL, ALZ, ANA, ARM Без противоугонки но с дистанционкой.
1.6 ADP, AHL, ALZ, ANA, ARM С противоугонкой и дистанционкой.
1.8 ADR, AFY, AEB C дистанционкой
1.8 ADR, AFY, AEB без дистанционки
1.8 ADR, AFY, APT, ARG, AW, AEB, AJL, ANB, APU, AWT Без противоугонки, с дистанционкой
1.8 ADR, AFY, APT, ARG, AW, AEB, AJL, ANB, APU, AWT С противоугонкой, с дистанционкой
2.4 AGA, AJG, ALF, AML, AMM, APS, APZ, ARJ Без противоугонки, с дистанционкой
2.4 AGA, AJG, ALF, AML, AMM, APS, APZ, ARJ С противоугонкой, с дистанционкой
2.7 AGB Без противоугонки, с дистанционкой
2.7 AGB С противоугонкой, с дистанционкой
2.8 AAH, ACK С дистанционкой
2.8 AAH, ACK Без всего
2.8 AAH, ACK, ALG, AMX, APR, AQD, ATX Без противоугонки, с дистанционкой
2.8 AAH, ACK, ALG, AMX, APR, AQD, ATX С противоугонкой, с дистанционкой
www.sizov.org/files/audicz/a4s4rs495-01.rar
Теперь перейдем к распиновке.
Вот привожу 4 основные распиновки и расположение разъемов на блоках центрального замка. Конкретно назначение контактов смотрите по схеме на свою модель и свой блок.
Блок 4A0 862 257 A
www.sizov.org/files/audicz/pin4A0862257A.pdf

Блок 4A0 862 257 H
www.sizov.org/files/audicz/pin4A0862257H.pdf

Блок 8D0 862 257
www.sizov.org/files/audicz/pin8D0862257.pdf

Блок 8L0 862 257
www.sizov.org/files/audicz/pin8L0862257.pdf

Вот инструкция по самостоятельной доработке проводки для вывода антенны, если соберетесь поставит себе блок с дистанционкой.
www.sizov.org/files/audicz/Antenne1.pdf

Вот рекомендации по установке самой антенны.
www.sizov.org/files/audicz/Antenne2.pdf

Вот описание кодировки блоков на немецком, если кому надо :-))
www.sizov.org/files/audicz/kod.pdf

А вот полное описание самих блоков центрального замка. При подборе аналога внимательно читайте описание и функционал.

Семейство A4
4A0 862 257 A
дата изготовления: 1990-1996 гг.
Описание: насос центрального замка с блоком управления
производитель VDO
совместим с 4A0 862 257 C
4A0 862 257 A 2)
дата изготовления: 1992-1996 гг.
Описание: насос центрального замка с блоком управления
производитель VDO
совместим с 4A0 862 257 C
с дополнительной вентиляцией
4A0 862 257 C
Дата изготовления: 1990-1996 гг.
Описание: насос центрального замка с блоком управления.
производитель Hella
совместим с 4A0 862 257 A
4A0 862 257 E
Дата изготовления: 1990-1996 гг.
Описание: насос центрального замка с блоком управления.
производитель Hella
совместим с 4A0 862 257 K
4A0 862 257 H
Дата изготовления: 1990-1996 гг.
Описание: насос центрального замка с блоком управления.
производитель VDO
совместим с 4A0 862 257 K
с дополнительной вентиляцией
4A0 862 257 K
Дата изготовления: 1990-1996 гг.
Описание: насос центрального замка с блоком управления.
производитель Hella
совместим с 4A0 862 257 H
4A0 862 257 F
Дата изготовления: 1990-1996 гг.
Описание: насос центрального замка с блоком управления.
для транспортных средств:
-С системой сигнализации
производитель Hella
4A0 862 257 B
Дата изготовления: 1990-1996 гг.
Описание: насос центрального замка с блоком управления.
для транспортных средств:
-С системой сигнализации
производитель Hella
4A0 862 257 J
Дата изготовления: 1990-1996 гг.
Описание: насос центрального замка с блоком управления.
для транспортных средств:
-С системой сигнализации
— C IR пультом
производитель Hella
4A0 862 257 D
Дата изготовления: 1990-1996 гг.
Описание: насос центрального замка с блоком управления.
для транспортных средств:
-С системой сигнализации
-C IR пультом
производитель Hella
4A0 862 257 G
Дата изготовления: 1990-1996 гг.
Описание: насос центрального замка с блоком управления.
для транспортных средств:
-С системой сигнализации
-C IR пультом
производитель Hella
4A0 862 257 P
Дата изготовления: 1990-1996 гг.
Описание: насос центрального замка с блоком управления.
производитель VDO
8L0 862 257 _
Дата изготовления: 1996-1997 гг.
Описание: насос центрального замка с блоком управления
для транспортных средств:
-С системой сигнализации
-C дистанционным управлением RF
производитель VDO
8L0 862 257 A
Дата изготовления: 1996-1997 гг.
Описание: насос центрального замка с блоком управления
для транспортных средств:
-С системой сигнализации
-Без дистанционного управления
производитель VDO
8L0 862 257 B
Дата изготовления: 1996-1997 гг.
Описание: насос центрального замка с блоком управления.
для транспортных средств:
-С системой сигнализации
-С радиочастотным пультом 315 МГц
производитель VDO
8L0 862 257 D
Дата изготовления: 1996-1997 гг.
Описание: насос центрального замка с блоком управления.
для транспортных средств:
-без охранной системы
-С дистанционным управлением RF
производитель VDO
8L0 862 257 E
Дата изготовления: 1996-1997 гг.
Описание: насос центрального замка с блоком управления.
для транспортных средств:
-без охранной системы
-без дистанционного управления
производитель VDO
8L0 862 257 F
Дата изготовления: 1996-1997 гг.
Описание: насос центрального замка с блоком управления.
для транспортных средств:
-С системой сигнализации
-C радиочастотным пультом (315 МГц)
производитель VDO
-Японская версия
8L0 862 257 G
Дата изготовления: 1997-2003 гг.
Описание: насос центрального замка с блоком управления
для транспортных средств:
-С системой сигнализации
-C дистанционным управлением RF
производитель VDO
8L0 862 257 H
Дата изготовления: 1997-2003
Описание: насос центрального замка с блоком управления
для транспортных средств:
-С системой сигнализации
-Без дистанционного управления
производитель VDO
8L0 862 257 K
Дата изготовления: 1997-2000 гг.
Описание: насос центрального замка с блоком управления.
для транспортных средств:
-без охранной системы
-С дистанционным управлением RF
производитель VDO
8L0 862 257 L
Дата изготовления: 1997-1999 гг.
Описание: насос центрального замка с блоком управления
для транспортных средств:
-без охранной системы
-без дистанционного управления
производитель VDO
8L0 862 257 M
Дата изготовления: 1997-2003 гг.
Описание: насос центрального замка с блоком управления
для транспортных средств:
-С системой сигнализации
-C радиочастотным пультом (315 МГц)
производитель VDO
-Японская версия
8L0 862 257 N
Дата изготовления: 1997-2003 гг.
Описание: насос центрального замка с блоком управления
для транспортных средств:
-С системой сигнализации
-C радиочастотным пультом (315 МГц)
производитель VDO
— версия для США и Канады для дистанционных пультов с кнопками паники
8L0 862 257 P
Дата изготовления: 1997-2003 гг.
Описание: насос центрального замка с блоком управления
для транспортных средств:
-С системой сигнализации
-С дистанционным управлением RF
-подходит обратно рог
производитель VDO
Версия для активации Audi back up horn
номер детали: 8L0 951 605 или 8L0 951 605 A
8D0 862 257
Дта изготовления: 1999-2003
Описание: насос центрального замка с блоком управления
для транспортных средств:
-С системой сигнализации
-С дистанционным управлением RF
производитель VDO
8D0 862 257 B
Дата изготовления: 1999-2003 г.г.
Описание: насос центрального замка с блоком управления
для транспортных средств:
-без охранной системы
-С дистанционным управлением RF
производитель VDO
8D0 862 257 C
Дата изготовления: 1999-2003 г.г.
Описание: насос центрального замка с блоком управления
для транспортных средств:
-без охранной системы
-без дистанционного управления
производитель VDO
8D0 862 257 D
Дата изготовления: 1999-2003 гг.
Описание: насос центрального замка с блоком управления
для транспортных средств:
-С системой сигнализации
-С радиочастотным пультом (315 МГц)
производитель VDO
— версия для США и Канады для дистанционных пультов с кнопками паники
8D0 862 257 E
Дата изготовления: 1999-2003 гг.
Описание: насос центрального замка с блоком управления
для транспортных средств:
-С системой сигнализации
-С дистанционным управлением (433 МГц)
-подходит обратно рог
производитель VDO
Версия для активации Audi back up horn
номер детали: 8L0 951 605 или 8L0 951 605 A
8D0 862 257 A
Дата производства: 1999-2003
Описание: насос центрального замка с блоком управления
для транспортных средств:
-С системой сигнализации
-без дистанционного управления
производитель VDO
Семейство A100 / A6
443 862 257 H
Дата изготовления: 1988-1991 гг.
Описание: насос центрального замка с блоком управления с 5 контактами
производитель VDO
совместим с 443 862 257 D и 443 862 257 E
443 862 257 D
Дата изготовления: 1988-1991 гг.
Описание: насос центрального замка с блоком управления с 5 контактами
производитель VDO
совместим с 443 862 257 H и 443 862 257 E
4A0 862 257
A дата изготовления: 1990-1996 гг.
Описание: насос центрального замка с блоком управления
производитель VDO
совместим с 4A0 862 257 C
4A0 862 257 C
Дата изготовления: 1990-1996 гг.
Описание: насос центрального замка с блоком управления.
производитель Hella
совместим с 4A0 862 257 A
4A0 862 257 F
Дата изготовления: 1990-1996 гг.
Описание: насос центрального замка с блоком управления.
для транспортных средств:
-С системой сигнализации
производитель Hella
4A0 862 257 B
Дата изготовления: 1990-1996 гг.
Описание: насос центрального замка с блоком управления.
для транспортных средств:
-С системой сигнализации
производитель Hella
4A0 862 257 J
Дата изготовления: 1990-1996 гг.
Описание: насос центрального замка с блоком управления.
для транспортных средств:
-С системой сигнализации
-С ИК пультом
производитель Hella
4A0 862 257 D
Дата изготовления: 1990-1996 гг.
Описание: насос центрального замка с блоком управления.
для транспортных средств:
-С системой сигнализации
-С ИК пультом
производитель Hella
4A0 862 257 G
Дата изготовления: 1990-1996 гг.
Описание: насос центрального замка с блоком управления.
для транспортных средств:
-С системой сигнализации
-С ИК пультом
производитель Hella
4A0 862 257 P
Дата изготовления: 1990-1996 гг.
Описание: насос центрального замка с блоком управления.
производитель VDO
8L0 862 257 _
Дата изготовления: 1996-1997 гг.
Описание: насос центрального замка с блоком управления
для транспортных средств:
-С системой сигнализации
-С дистанционным управлением RF
производитель VDO
8L0 862 257 A
Дата изготовления: 1996-1997 гг.
Описание: насос центрального замка с блоком управления
для транспортных средств:
-С системой сигнализации
-Без дистанционного управления
производитель VDO
8L0 862 257 B
Дата изготовления: 1996-1997 гг.
Описание: насос центрального замка с блоком управления.
для транспортных средств:
-С системой сигнализации
-с радиочастотным пультом 315 МГц
производитель VDO
8L0 862 257 D
Дата изготовления: 1996-1997 гг.
Описание: насос центрального замка с блоком управления.
для транспортных средств:
-без охранной системы
-С дистанционным управлением RF
производитель VDO
8L0 862 257 E
Дата изготовления: 1996-1997 гг.
Описание: насос центрального замка с блоком управления.
для транспортных средств:
-без охранной системы
-без дистанционного управления
производитель VDO
8L0 862 257 F
Дата изготовления: 1996-1997 гг.
Описание: насос центрального замка с блоком управления.
для транспортных средств:
-С системой сигнализации
-C радиочастотным пультом (315 МГц)
производитель VDO
-Японская версия
8L0 862 257 G
Дата изготовления: 1997-2003 гг.
Описание: насос центрального замка с блоком управления
для транспортных средств:
-С системой сигнализации
-C дистанционным управлением RF
производитель VDO
Семейство А80/90/200
443 862 257 H
Дата производства: 1988-1991
Описание: насос центрального замка с блоком управления с 5 контактами
производитель VDO
совместим с 443 862 257 D и 443 862 257 E
443 862 257 D
Дата выпуска: 1988-1991 гг.
Описание: насос центрального замка с блоком управления с 5 контактами
производитель VDO
совместим с 443 862 257 H и 443 862 257 E
443 862 257 A
Дата выпуска: 1983-1987 гг.
Описание: насос центрального замка с блоком управления с 3 контактами
производитель VDO
443 862 257 C
производство: 1983-1987 гг.
Описание: насос центрального замка с блоком управления с 3 контактами
производитель VDO
4A0 862 257 A
Дата выпуска: 1990-1996 гг.
Описание: насос центрального замка с блоком управления.
производитель VDO
совместим с 4A0 862 257 C
4A0 862 257 A (2)
Дата изготовления: 1992-1996 гг.
Описание: насос с центральным замком и блоком управления
производитель VDO
совместим с 4A0 862 257 C
с дополнительной вентиляцией
4A0 862 257 C
Дата выпуска: 1990-1996 гг.
Описание: насос с центральным замком и блоком управления.
производитель Hella
совместим с 4A0 862 257 A
4A0 862 257 E
Дата выпуска: 1990-1996 гг.
Описание: насос центрального замка с блоком управления.
производитель Hella
совместим с 4A0 862 257 K
4A0 862 257 H
Дата выпуска: 1990-1996 гг.
Описание: насос центрального замка с блоком управления.
производитель VDO
совместим с 4A0 862 257 K
с дополнительной вентиляцией
4A0 862 257 K
Дата выпуска: 1990-1996 гг.
Описание: насос с центральным замком и блоком управления.
производитель Hella
совместим с 4A0 862 257 H
4A0 862 257 F
Дата выпуска: 1990-1996 гг.
Описание: насос центрального замка с блоком управления.
для транспортных средств:
-с системой сигнализации
производитель Hella
4A0 862 257 B
Дата выпуска: 1990-1996 гг.
Описание: насос центрального замка с блоком управления.
для транспортных средств:
-с системой сигнализации
производитель Hella
4A0 862 257 J
Дата выпуска: 1990-1996 гг.
Описание: насос с центральным замком и блоком управления.
для транспортных средств:
-с системой сигнализации
-с ИК-пультом дистанционного управления
производитель Hella
4A0 862 257 D
Дата выпуска: 1990-1996 гг.
Описание: насос центрального замка с блоком управления.
для транспортных средств:
-с системой сигнализации
-с ИК-пультом дистанционного управления
производитель Hella
4A0 862 257 G
Дата выпуска: 1990-1996 гг.
Описание: насос с центральным замком и блоком управления.
для транспортных средств:
-с системой сигнализации
-с ИК-пультом дистанционного управления
производитель Hella
4A0 862 257 P
Дата выпуска: 1990-1996 гг.
Описание: насос с центральным замком и блоком управления.
производитель VDO
Семейство A8
4A0 862 257 J
Дата изготовления: 1990-1996 гг.
Описание: насос центрального замка с блоком управления.
для транспортных средств:
-С системой сигнализации
-С ИК пультом
производитель Hella
4A0 862 257 D
Дата изготовления: 1990-1996 гг.
Описание: насос центрального замка с блоком управления.
для транспортных средств:
-С системой сигнализации
-С ИК пультом
производитель Hella
4A0 862 257 G
Дата изготовления: 1990-1996 гг.
Описание: насос центрального замка с блоком управления.
для транспортных средств:
-С системой сигнализации
-С ИК пультом
производитель Hella
8L0 862 257 _
Дата изготовления: 1996-1997 гг.
Описание: насос центрального замка с блоком управления
для транспортных средств:
-С системой сигнализации
-С дистанционным управлением RF
производитель VDO
8L0 862 257 A
Дата изготовления: 1996-1997 гг.
Описание: насос центрального замка с блоком управления
для транспортных средств:
-С системой сигнализации
-без дистанционного управления
производитель VDO
8L0 862 257 B
Дата изготовления: 1996-1997 гг.
Описание: насос центрального замка с блоком управления.
для транспортных средств:
-С системой сигнализации
-с радиочастотным пультом 315 МГц
производитель VDO
8L0 862 257 D
Дата изготовления: 1996-1997 гг.
Описание: насос центрального замка с блоком управления.
для транспортных средств:
-без охранной системы
-С дистанционным управлением RF
производитель VDO
8L0 862 257 F
Дата изготовления: 1996-1997 гг.
Описание: насос центрального замка с блоком управления.
для транспортных средств:
-С системой сигнализации
-C радиочастотным пультом (315 МГц)
производитель VDO
-Японская версия
8L0 862 257 G
Дата изготовления: 1997-2003 гг.
Описание: насос центрального замка с блоком управления
для транспортных средств:
-С системой сигнализации
-C дистанционным управлением RF
производитель VDO
8L0 862 257 H
Дата изготовления: 1997-2003
Описание: насос центрального замка с блоком управления
для транспортных средств:
-С системой сигнализации
-без дистанционного управления
производитель VDO
8L0 862 257 K
Дата изготовления: 1997-2000 гг.
Описание: насос центрального замка с блоком управления.
для транспортных средств:
-Без охранной системы
-C дистанционным управлением RF
производитель VDO
8L0 862 257 M
Дата изготовления: 1997-2003 гг.
Описание: насос центрального замка с блоком управления
для транспортных средств:
-С системой сигнализации
-C радиочастотным пультом (315 МГц)
производитель VDO
-Японская версия
8L0 862 257 N
Дата изготовления: 1997-2003 гг.
Описание: насос центрального замка с блоком управления
для транспортных средств:
-С системой сигнализации
-с радиочастотным пультом (315 МГц)
производитель VDO
— версия для США и Канады для дистанционных клавиш с кнопками паники
8L0 862 257 P
Дата изготовления: 1997-2003 гг.
Описание: насос центрального замка с блоком управления
для транспортных средств:
-С системой сигнализации
-C дистанционным управлением RF
-подходит обратно рог
производитель VDO
Версия для активации Audi back up horn
номер детали: 8L0 951 605 или 8L0 951 605 A
8L0 862 257 Q
Дата изготовления: 1999-2003
Описание: насос центрального замка с блоком управления
для транспортных средств:
-С системой сигнализации
-С дистанционным управлением RF
-подходит обратно рог
производитель VDO
Версия для активации Audi back up horn
номер детали: 8L0 951 605 или 8L0 951 605 A
Семейство 4A0
4A0 862 257 A
Дата изготовления: 1990-1996 гг.
Описание: насос центрального замка с блоком управления
производитель VDO совместим с 4A0 862 257 C
4A0 862 257 A (2)
Дата изготовления: 1992-1996 гг.
Описание: насос центрального замка с блоком управления
производитель VDO совместим с 4A0 862 257 C
с дополнительной вентиляцией
4A0 862 257 C
Дата изготовления: 1990-1996 гг.
Описание: насос центрального замка с блоком управления.
производитель Hella совместим с 4A0 862 257 A
4A0 862 257 E
Дата изготовления: 1990-1996 гг.
Описание: насос центрального замка с блоком управления.
производитель Hella совместим с 4A0 862 257 K
4A0 862 257 H
Дата изготовления: 1990-1996 гг.
Описание: насос центрального замка с блоком управления.
производитель VDO совместим с 4A0 862 257 K
с дополнительной вентиляцией
4A0 862 257 K
Дата изготовления: 1990-1996 гг.
Описание: насос центрального замка с блоком управления.
производитель Hella совместим с 4A0 862 257 H
4A0 862 257 F
Дата изготовления: 1990-1996 гг.
Описание: насос центрального замка с блоком управления.
для транспортных средств:
-С системой сигнализации
производитель Hella
4A0 862 257 B
Дата изготовления: 1990-1996 гг.
Описание: насос центрального замка с блоком управления.
для транспортных средств:
-С системой сигнализации
производитель Hella
4A0 862 257 J
Дата изготовления: 1990-1996 гг.
Описание: насос центрального замка с блоком управления.
для транспортных средств:
-С системой сигнализации
-C ИК пультом
производитель Hella
4A0 862 257 D
Дата изготовления: 1990-1996 гг.
Описание: насос центрального замка с блоком управления.
для транспортных средств:
-С системой сигнализации
-C ИК пультом
производитель Hella
4A0 862 257 G
Дата изготовления: 1990-1996 гг.
Описание: насос центрального замка с блоком управления.
для транспортных средств:
-С системой сигнализации
-C ИК пультом
производитель Hella
4A0 862 257 P
Дата изготовления: 1990-1996 гг.
Описание: насос центрального замка с блоком управления.
производитель VDO
Семейство 8D0
8D0 862 257
Дата изготовления: 1999-2003
Описание: насос центрального замка с блоком управления
для транспортных средств:
-С системой сигнализации
-С дистанционным управлением RF
производитель VDO
8D0 862 257 B
Дата изготовления: 1999-2003 г.г.
Описание: насос центрального замка с блоком управления
для транспортных средств:
-без охранной системы
-C дистанционным управлением RF
производитель VDO
8D0 862 257 C
Дата изготовления: 1999-2003 г.г.
Описание: насос центрального замка с блоком управления
для транспортных средств:
-без охранной системы
-без дистанционного управления
производитель VDO
8D0 862 257 D Дата изготовления: 1999-2003 гг. Описание: насос центрального замка с блоком управления
для транспортных средств:
-С системой сигнализации
-С радиочастотным пультом (315 МГц)
производитель VDO
— версия для США и Канады для дистанционных клавиш с кнопками паники
8D0 862 257 E
Дата изготовления: 1999-2003 гг.
Описание: насос центрального замка с блоком управления
для транспортных средств:
-С системой сигнализации
-С дистанционным управлением (433 МГц)
-подходит обратно рог
производитель VDO
Версия для активации Audi back up horn
номер детали: 8L0 951 605 или 8L0 951 605 A
8D0 862 257 A
Дата производства: 1999-2003
Описание: насос центрального замка с блоком управления
для транспортных средств:
-С системой сигнализации
-без дистанционного управления
производитель VDO
Семейство 8L0
8L0 862 257 _
Дата изготовления: 1996-1997 гг.
Описание: насос центрального замка с блоком управления
для транспортных средств:
-С системой сигнализации
-С дистанционным управлением RF
производитель VDO
8L0 862 257 A
Дата изготовления: 1996-1997 гг.
Описание: насос центрального замка с блоком управления
для транспортных средств:
-С системой сигнализации
-без дистанционного управления
производитель VDO
8L0 862 257 B
Дата изготовления: 1996-1997 гг.
Описание: насос центрального замка с блоком управления.
для транспортных средств:
-С системой сигнализации
-с радиочастотным пультом 315 МГц
производитель VDO
8L0 862 257 D
Дата изготовления: 1996-1997 гг.
Описание: насос центрального замка с блоком управления.
для транспортных средств:
-Без охранной системы
-С дистанционным управлением рф
производитель VDO
8L0 862 257 E
Дата изготовления: 1996-1997 гг.
Описание: насос центрального замка с блоком управления.
для транспортных средств:
-без охранной системы
-без дистанционного управления
производитель VDO
8L0 862 257 F
Дата изготовления: 1996-1997 гг.
Описание: насос центрального замка с блоком управления.
для транспортных средств:
-С системой сигнализации
-С радиочастотным пультом (315 МГц)
производитель VDO
-Японская версия
8L0 862 257 G
Дата изготовления: 1997-2003 гг.
Описание: насос центрального замка с блоком управления
для транспортных средств:
-С системой сигнализации
-С дистанционным управлением RF
производитель VDO
8L0 862 257 H
Дата изготовления: 1997-2003
Описание: насос центрального замка с блоком управления
для транспортных средств:
-С системой сигнализации
-без дистанционного управления
производитель VDO
8L0 862 257 K
Дата изготовления: 1997-2000 гг.
Описание: насос центрального замка с блоком управления.
для транспортных средств:
-без охранной системы
-C дистанционным управлением RF
производитель VDO
8L0 862 257 L
Дата изготовления: 1997-1999 гг.
Описание: насос центрального замка с блоком управления
для транспортных средств:
-без охранной системы
-без дистанционного управления
производитель VDO
8L0 862 257 M
Дата изготовления: 1997-2003 гг.
Описание: насос центрального замка с блоком управления
для транспортных средств:
-С системой сигнализации
-C радиочастотным пультом (315 МГц)
производитель VDO
-Японская версия
8L0 862 257 N
Дата изготовления: 1997-2003 гг.
Описание: насос центрального замка с блоком управления
для транспортных средств:
-С системой сигнализации
-C радиочастотным пультом (315 МГц)
производитель VDO
— версия для США и Канады для дистанционных клавиш с кнопками паники
8L0 862 257 P
Дата изготовления: 1997-2003 гг.
Описание: насос центрального замка с блоком управления
для транспортных средств:
-С системой сигнализации
-C дистанционным управлением RF
-подходит обратно рог
производитель VDO
Версия для активации Audi back up horn
номер детали: 8L0 951 605 или 8L0 951 605 A
8L0 862 257 Q
Дата изготовления: 1999-2003
Описание: насос центрального замка с блоком управления
для транспортных средств:
-С системой сигнализации
-С дистанционным управлением RF
-подходит обратно рог
производитель VDO
Версия для активации Audi back up horn
номер детали: 8L0 951 605 или 8L0 951 605 A
Семейство Volkswagen Corrado
1H0 962 257 _
Дата выпуска: 1991-1995 гг.
Описание: Насос центрального замка с блоком управления.
Подключение 11-контактный
Производитель Hella
535 862 257
Производство: 1988-1995 описание: насос центрального замка с блоком управления
с 10 контактами
производитель Hella
Семейство Volkswagen Golf/Vento
443 862 257 А
Дата изготовления: 1983-1987 гг.
Описание: насос центрального замка с блоком управления
с 3 контактами
производитель VDO
1H0 962 257 _
Дата изготовления: 1991-1995 гг.
Описание: Насос центрального замка с блоком управления.
Подключение 11-контактный
Производитель Hella
1H0 962 257 A
Дата изготовления: 1991-1998 гг.
Описание: насос центрального замка с блоком управления
с 5 контактами
производитель Hella
1H0 962 257 B
Дата изготовления: 1991-1998 гг.
Описание: насос центрального замка с блоком управления.
с 8 контактами
производитель Hella
1H0 962 257 C
Дата производства: 1991-1998
Описание: насос центрального замка с блоком управления
с 12 контактами
версия с пневматической муфтой
производитель Hella
1H0 962 257 D
Дата изготовления: 1991-1998 гг.
Описание: насос центрального замка с блоком управления.
с 8 контактами
версия с пневматической муфтой
производитель Hella
1H0 962 257 E
Дата изготовления: 1995-2002 гг.
Описание: насос центрального замка с блоком управления.
с 11 контактами
версия с пневматической муфтой
производитель Hella или VDO
1H0 962 257 G
Дата изготовления: 1995-2002 гг.
Описание: насос центрального замка с блоком управления.
с 12 контактами
версия с пневматической муфтой
производитель VDO или Hella
1H0 962 257 J
Дата производства: 1991-1998
Описание: насос центрального замка с блоком управления
с 8 контактами
версия с пневматической муфтой
производитель Hella
Volkswagen Passat
1H0 962 257 _
Дата изготовления: 1991-1995 гг.
Описание: Насос центрального замка с блоком управления.
Подключение 11-контактный
Производитель Hella
1H0 962 257 C
Дата производства: 1991-1998
Описание: насос центрального замка с блоком управления
с 12 контактами
версия с пневматической муфтой
производитель Hella
1H0 962 257 E
Дата изготовления: 1995-2002 гг.
Описание: насос центрального замка с блоком управления.
с 11 контактами
версия с пневматической муфтой
производитель Hella или VDO
1H0 962 257 G
Дата изготовления: 1995-2002 гг.
Описание: насос центрального замка с блоком управления.
с 12 контактами
версия с пневматической муфтой
производитель VDO или Hella
357 862 257
Дата изготовления: 1988-1993 гг.
Описание: насос центрального замка с блоком управления
с 10 контактами
производитель Hella
357 962 257 _
Дата изготовления: 1988-1993 гг.
Описание: насос центрального замка с блоком управления.
с 10 контактами
производитель Hella
357 962 257 A
Дата изготовления: 1988-1993 гг.
Описание: насос центрального замка с блоком управления
с 5 контактами
производитель Hella
3A0 962 257
Дата изготовления: 1993-1997 гг.
Описание: насос центрального замка с блоком управления
с 11 контактами
производитель Hella
Volkswagen Polo
1H0 962 257 A
Дата изготовления: 1991-1998 гг.
Описание: насос центрального замка с блоком управления
с 5 контактами
производитель Hella
1H0 962 257 B
Дата изготовления: 1991-1998 гг.
Описание: насос центрального замка с блоком управления.
с 8 контактами
производитель Hella
1H0 962 257 D
Дата изготовления: 1991-1998 гг. Описание: насос центрального замка с блоком управления.
с 8 контактами
версия с пневматической муфтой
производитель Hella
1H0 962 257 E
Дата изготовления: 1995-2002 гг. Описание: насос центрального замка с блоком управления.
с 11 контактами
версия с пневматической муфтой
производитель Hella или VDO
1H0 962 257 F
Дата производства: 1998-2000 гг.
Описание: насос с центральным замком и блоком управления.
с 6 контактами
версия с пневматической муфтой
производитель Hella
1H0 962 257 G
Дата изготовления: 1995-2002 гг.
Описание: насос центрального замка с блоком управления.
с 12 контактами
версия с пневматической муфтой
производитель VDO или Hella
1H0 962 257 J
Дата производства: 1991-1998
Описание: насос центрального замка с блоком управления
с 8 контактами
версия с пневматической муфтой
производитель Hella
6N0 962 257
6N0 962 257 A
Дата изготовления: 1998-2001 гг.
Описание: насос центрального замка с блоком управления
с 8 контактами
версия с пневматической муфтой
производитель Hella
На этом все, ни гвоздя вам ни жезла :-)







Комментарии 145
Автору респект! Очень кропотливая работа и большой труд! Спасибо!
А4Б5 1995г.в 2.6АВС АТ монопривод
читается ли данный блок диагностикой(васей)?
не могу никак схему найти на него, выше все просмотрел прочитал.
пробовал отключить все блоки в авто и прозвонить к-линию, на всех разъемах нет сигнала три разъема 12кон6кон16кон ни на однои из них нет сигнала, если есть какая распиновка буду очень благодарен, спасибо)
По идее нет, нет на схеме выхода на диагностику, только что посмотрел.
www.sizov.org/audi/shem/1996-audi-a4-wd.pdf
вот тоже только нашел схему, оказывается нету.
но мне кажется что что то здесь не чисто, об этом блоке и его внутренностях вообще нет нигде инфы
что означает "-подходит обратно рог" ?
:-))) Динамик сигналки
Ауди a6 c4 1997 есть штатная сигналка без дистанционного управления, установил 8L0 862 257 G так как родного насоса не было, в блоке стирается и появилась ошибка по выключателю сигнализации закр. Замыкание на масу, при подключении блока начала постоянно срабатывать сигнализация, на приборке как при зажигании загорелись лампы и датчики: бака, температуры итд., мигает лампа иммобилайзера, при этом двигатель запускается и глохнет, все это отключается только если отключить штекер А, а если назад подсоединить и успеть завести двигатель то уже заглушить не получается только если снова отключить штекер, но когда в штекере А отключил пин 6 и 9 то все стало в норму закрывалось моргала лампа задней туманки и открывалось но через некоторое время перестала закрываться что это такое, в чем дело ?
Перечитал кучу постов, пересмотрел кучу информации. Подскажите, пожалуйста, что делать. У меня разлетелась крыльчатка. Блок 8D0862257B, сам по себе редкий. Понятное дело, что насос подойдёт от других версий, и я даже знаю от каких. Но как их проверить? Можно ли где то заказать отдельно этот насос? Существуют ли они новые? Или нужно что то другое делать(например, замки на электронные менять)?
Новых нет. Самое простое, дешевое и более надежное насос от прошлого поколения. www.drive2.ru/l/644681051834187342/
Доброго времени суток, А6 С4 2.5tdi перестал работать компрессор цз, я его заменил на компрессор 8LО 862 257 A, старый по глупости выбросил. После замены -компрессор заработал, но перестали работать ЭСП все 4, но есть момент когда закрываешь машину с брелка то 10 секунд работаю ЭСП и можно открыть любое стекло без проблем, но на это есть 10сек и дожим люка и стеклол работает когда потом закрываешь авто перед уходом. Подскажи как решить проблему
Ну в принципе надо открыиь схему на подключения нового блока и переделать авто под новый. Ну или этот продать и искать старый. который стоял.
А где можете скинуть схему
Здравствуйте, подскажите, можно ли заменить блок 8D0862257C, он без радиоключей на аналог с поддержкой радиоключей?
По идее да, схемы глянь, подключение такое же. только антенну кинуть. Блок бери такой же но с радио каналом но без Сигнализации.
ПОЛЕЗНЫЙ ПОСТ. В закладки.
Подскажите стоит блок 8L0862257B, разлетелась крыльчатка, и в догонку на химчистке его залили, на что можно его заменить, с буквой В нифига нет их
Ну сам смотри. аналогов нет. да и смысл им делать одинаковые но с разными циферками. Можно от европейки поставить но тогда брелки дистанционки менять надо, так как частота другая будет.
Если дело в крыльчатке то это легко лечится…
На крыльчатку как бы пофиг, больше волнует, что стекла не опускаются))
77Aleksey77
Ну сам смотри. аналогов нет. да и смысл им делать одинаковые но с разными циферками. Можно от европейки поставить но тогда брелки дистанционки менять надо, так как частота другая будет.
Если дело в крыльчатке то это легко лечится…
Сегодня купил с буквой L, человек объяснил что не нужно ставить блок с буквой, которая идёт ниже по алфавиту, поставил все заработало, только ключ который с кнопками не проверял
Рад за того человека :-))))) Буква функционал и частота
Я понял из ваших расшифровок)) в рб, особенно на областях, своё видение вопросов))
Приветствую. Нужна помощь. У меня Ауди 100 с4 стоит насос 4а0862257С . Купил морду от а6 с4 2.80ack есть вся передняя проводка, замок, блок имо, ключ, и насос 4a0862257J на драйве вычитал данный насос ЦЗ имеет блокировку АКПП и бензонасос, на моей насос сейчас идёт 2 фишки а тот который с донорской морды 3фишки и именно на насос у меня косы получится ли его подключить и что нужно для этого
Хм. Открой схему подключения своего. открой схему подключения нового и сравни. На основании сравнения перепинуй там или еще что.
Я не силен в схемах к моему сожалению( смотрел схему там на немецком и ничего не понял
Привет. 8L0 862 257 N с чем такой совместим? D может быть?
Так описание смотри, они все чуток разные. или набор опций или частота пульта
8L0 862 257 N
Дата изготовления: 1997-2003 гг.
Описание: насос центрального замка с блоком управления
для транспортных средств:
-С системой сигнализации
-C радиочастотным пультом (315 МГц)
производитель VDO
— версия для США и Канады для дистанционных пультов с кнопками паники
8D0 862 257 D Дата изготовления: 1999-2003 гг. Описание: насос центрального замка с блоком управления
для транспортных средств:
-С системой сигнализации
-С радиочастотным пультом (315 МГц)
производитель VDO
— версия для США и Канады для дистанционных клавиш с кнопками паники
Вот эти взаимозаменяемые?
Фиг знает, так то да но может чуть распиновка другая из за года выпуска.
Только найти бы один из них. Я в Польше смотрю, хрен найти тоже. В Германии 170 евро. Там парень пишет что купил от японки, перепаял какую то хрень, и стало работать. Жена уже плешь проела.
День добрый. Подскажите если знаете, стоит блок 8lo862257p. Подмочило, перестал работать цз. На что его можно поменять? С какой литерой подойдут взамен? Штатным ключом не пользуюсь, на его кнопки мне все равно.
Такой же и купи…
Не могу найти с той же литерой
Если на пульт пофиг то тогда 8L0 862 257 N, 8L0 862 257 Q Сам ж не по описанию видишь :-) Не написал про японию, фиг знает. ни разу в руках не вертел…
8L0862257G Такой не подойдет?
По идее пойдет. Но там нет сигналки. Не помню там просто нет контактов, и фиг с ним или они по другому стоят… Посмотри и если одинаково то купи…
Доброго вечера. Подскажите возможно ли путем просто перепиновки вместо блока 4A0 862 257 C установить блок с дистанционным радиоуправлением ?
Смотри схемы, по идее да ну и антенну добавить.
привет
установил блок, все работает отлично
спасибо автору)
но есть один вопрос по поводу радиуса действия радиоключа
так как насос ЦЗ установлен в нише заднего левого крыла то машина не реагирует на ключ с противоположной стороны если не много отойти (коаксиальный кабель установил согласно инструкции)
как у вас с этим?
спасибо
всем удачи)
Антенну проверяй, смотри размер и все такое. Чудес не бывает.
Вот кому то рисовал. Длину можешь и по точнее рассчитать под свою частоту.
Ещё один вопрос
Где я обвел синим, какая длинна провода должна быть?
Спасибо
Любая :-) У тебя какая частота замка? Европа или америка?
Европа 433 МГц
Так, дано 433мгц, значит длинна волны 69.24см соответственно оптимальная длинна антенны 17.31см
Спасибо 🙂
Привет! У меня заменён блок на аналогичный, Ик ключ привязал к стойкам, а вот к диагностике подключить не могу и не смог настроить привязку ключа к 1му положению памяти сидений. Вопрос этот блок должен диагностироваться вообще?
Да, по Клинии, посмотри по схеме откуда проводок идет и прозвони на разъем диагностический
А на мой, где схему найти можно?
Модель авто? Год? Мотор буквы?
А6 с4 1995, 2.6 abc. Авант, кваттро. Блок цз выше на фото, штатная ИК сигнализация и память сидений. Мною менялись все личинки, ключи. переход был на широкий ключ, блок двс, блок иммо, блок ЦЗ. Все это я подружил, с Ик ключа авто открывается и закрывается. Память сидений работает исправно, но связать с ик ключем не смог.
77Aleksey77
Модель авто? Год? Мотор буквы?
К стати получилось настроить, но помимо всех распространённых настроек, позже закрыл ключем через личинку багажника (важно: где на замке работают оба концевика открытие/закатите). Далее подержал ик 5 сек и открыл ик датчиком, после этого и память стала работать. А точнее «приветствие».
Ну вот, и схема не нужна :-)
Да, желаемый результат достигнут), немного инициативы и мой ИК ключ используется по полной)
Всем привет.
Подскажите, пожалуйста, с учетом изложенной в статье информации можно ли поставить что вместо блока 8L0 862 257 N? Или подскажите на что обращать внимание при подборе замены. Спасибо.
Так функционал и частоты смотри… Точно такого же нет, ибо одинаковых не делают. Все остальное с переделками…
Сколько ни гуглил, так и не смог найти информацию по антене на А8 Д2, а тут все данные есть. Блок 8L0 862 257 G, всё работает, а брелок не видит. Там кто-то нос засунул и антенный кабель похоже просто оторвал.
Ну блин, подсоедини его в зад что ли :-)))))
Завтра полезу
Огромное спасибо за информацию.
„8L0 862 257 EДата изготовления: 1996-1997 гг.
Описание: насос центрального замка с блоком управления.
для транспортных средств:
-без охранной системы
-без дистанционного управления
производитель VDO“
Привет. Вот мой блок ЦЗ. По твоему посту он не поддерживает дистанционное отпирание.
Ввиду этого вопрос, я могу заменить его с частото 433ГЦ? Где ты пишешь с дистанционным управлением RF. Что это значит?
По идее да, контакты там по схеме может перекинуть придется, посмотри.
"RF" — Радио частотный, по радио каналуто есть…
Ваш отчет был помещен в FAQ сообщества А4 б5
www.drive2.ru/c/2086902/
Спасибо за хорошую и полезную информацию.
Спасибо за статью. В закладки)
Я правильно понял, чтобы переделать на радиоуправление, необходимо мой БУ 4А0862257J заменить на блок 8L0862257 (B;G) или 8D0862257 с соответствующими ключами. Переделать пневматическую магистраль ( с одной магистрали на 2). Поставить антенну. Проверить и изменить при необходимости распиновки блоков. Закодировать блок под мои функции. Всё верно?
Ну в принципе да. Смотри схемы подключения твоего и этих…
Добрый день. Не могли бы подсказать по отличиям блока 8L0 862 257 от 8L0 862 257G .Судя по вашей записи они аналогичны.Но все же охото услышать мнение грамотного человека)))
Год выпуска разный. По функционалу и частоте они одинаковы. Отличий может и нет а может небольшие в плане конфигурации или лапки по другому выведены.
Открой схему подключения 1996-1997 гг и схему от 1997-2003 гг. и сравни контакты :-)
Более подробно не скажу, ибо не держал их в руках и не сравнивал.
Памагити! Ауди 80 б4 по каталогу стоит насос ц.з 4A0862257H но меня настораживает отсутствие в моей проводке проводов к 5 и 6 контактам ц.з будет ли он работать без их подключения? По сути мне нужен свет с салоне и закрытие/открытие дверей.
Дык по схеме глянь что там идет и будет понятно…
Подскажите о взаимозаменяемости с 8L0 862 257 N американка (залило водой. Блок здох) на 8L0 862 257 B европейка. То что частоты на пульт разные, в курсе. Всеравно ключ без кнопок. Буду благодарен.
8L0 862 257 N Это 1997-2003 гг. а 8L0 862 257 B 1996-1997 гг…
По сему могут разъемы чуть по другому быть.
Возьми схемы и на тот и на этот и посмотри…
насосов то, насосов… то ли дело "жига" )) 30 лет одно и тоже. без всяких заморочек
Ну за то эти по 15-25 лет служат :-) А в Жиге раз 8 лет замок менять :-)
день добрый! нашел. вот такой ключ, пойдет?! частота 434 мгц?!
А вот и не знаю… От Шкоды он… Пробовать надо… Купи у китайцев какой надо и не парся… Если в нахаляву то попробуй этот :-)
халява!😁
:-)) Тогда пробуй :-)))
Через Васю посмотри www.drive2.ru/l/516386736570368277/
спасибо!👍
Подскажите пожалуйста у меня блок 8do 862 257 C без радиомудуля. хочу поставить такой 8d0 862 257 E который с радио модулем.хотел узнать где найти антенну для радио модуля, уже все обыскал не могу найти, может есть номер этой антенны, или образец у кого-то?или можно самому такую сделать?
:-) Антенна представляет из себя просто кусочек не экранированного провода длинной 18см. :-)
Берешь тонкий экранированный провод, тянешь его от разъема блока ЦЗ, центральная жила на сигнал а оплетка на землю. Антенну подключаешь к центральной жиле, вот и все. С волновым сопротивлением кабеля можешь не заморачиватся…
Спасибо большое за развёрнутый ответ)очень благодарен вам🙏🤘
:-) Не за что…
Смысл этой дополнительной вентиляции? Вроде к баку цепляется.
Сума сошел? :-)))
Дополнительная вентиляция ЦЗ нужна в определенном климатическом исполнении для определенных рынков… Типа что б конденсат вентилировался не образовывался внутри самого ЦЗ…
У меня её не было. Хотя блок ЦЗ был именно с допотводом, но шланга не было. Кто-то мне сказал что он как-то с адсорбером связан ))))
И никто не мог объяснить зачем оно вроде нужно.
Притом что в А4 у меня второй отвод для остальных дверей (они одинакового диаметра). А в сотке один к дверям тонкий, а второй реально толстый.
Система итак должна быть герметична.
А за разъяснение спасибо. Только куда тогда толстый шланг от него идёт? У одного чела он видимо стоял с завода и к ЦЗ подходил толстый шланг и уходил в заднее крыло.
Подозреваю что просто в атмосферу… Но 100% не в бензобак и все такое :-)) Вентиляция ББ это отдельная и самостоятельная система замкнутая на впуск…
Как должна работать система улавливания паров топлива я знаю, включая аварийный сброс паров топлива в атмосферу.
Поэтому и интересовался зачем вентиляция у ЦЗ.
:-)) В живую не встречал :-)
Я видел лишь раз. И не знаю что и зачем. Просто для ЦЗ там «тройники» и трубки, а там был толстый шланг.
день добрый, господа! у меня Блок 8LO 862 257 G можно ли на него установить радио ключ? и что для этого надо. А6 С4 97 года.
Ну по описанию этот блок с радиоканалом на 433мгц, европа
8L0 862 257 G
Дата изготовления: 1997-2003 гг.
Описание: насос центрального замка с блоком управления
для транспортных средств:
-С системой сигнализации
-C дистанционным управлением RF
производитель VDO
По сему купи брелок и пропиши его… Не забудь проверить кодировку блока, включе но ли в нем дистанционное управление…
брелок с Алиэкспресс пойдет? как проверить котировку блока?
Конечно… У меня допустим, второй с али экспресса… Да и другие покупали и не жаловались :-) Про кодировку вот тут расписывал подробно. Смотреть и менять ее можно с помощью самого простого шнурка… www.drive2.ru/l/516386736570368277/
AUDI349
брелок с Алиэкспресс пойдет? как проверить котировку блока?
Номер, на вскидку вот такой… Но проверь на всяк случай… При покупке обращай внимание на частоту обязательно. Тебе нужна 433… Дизайн разный есть у китайцев. Качество отличное.
спасибо большое!
Надеюсь все нормально настроишь-пропишешь :-)
будем надеяться…
Подскажите пожалуйста. Хотел прочить блок цз, программа пишет, что нет ответа от блока. В чём может быть проблема?
Перебит провод диагностический, на блок не подается питание, блок сгорел наглухо…
Все это проверяется простым тестером…
Так блок рабочий, закрывает машину. Правда с личинки и иногда с нештатной сигналки. Машину всю могу диагностировать, а вот этот блок нет. У меня есть немного вопрос по блоку. Можно будет Вам в личку написать?
Тогда прозвони провод от диаг разъема на блок ЦЗ.
Конечно пиши…
Добрый день
У меня на с4 стоит вот такой вот блок.
8L0 862 257 L
Дата изготовления: 1997-1999 гг.
Описание: насос центрального замка с блоком управления
для транспортных средств:
-без охранной системы
-без дистанционного управления
производитель VDO
Как я могу сделать открытие/закрытие авто с кнопки а не с ключа? Ключ и личинки заменил на кнопочный. Спасибо
Ни как! данный блок не поддерживает кнопочные пульты "-без дистанционного управления"
Можно сделать через дополнительную сигнализацию или поставить блок ЦЗ который поддерживает дистанционку…
Если я поставлю блок, который поддерживает цз дистанционно, то что мне ещё дополнительно нужно установить? И какой номер блока мне нужно что бы подходил по фишкам?
Антенну, если нет ее. Блок точно такой же но с буквой где есть дистанционка…
Как проверить есть ли у меня антена? И если ее нету то как она выглядит? Если у вас схема как ее подключить?
Перечитайте данный пост. ВСЕ! блин, ВСЕ расписал и даже с картинками… И про блоки и про антену…
Сори. Не увидел. Спасибо. А как в живую выглядит антена?
77Aleksey77
Антенну, если нет ее. Блок точно такой же но с буквой где есть дистанционка…
D G K P Q Как я понял только с этими буквами?
Привет. Доделали дистанционное управление цз? Блок с какой буквой покупали?
Пока забил
www.digakom.de/dotcom/katalog.php
Вторая часть
Вот, добавлю . Нарыл в свое время на немецких форумах, актуально для блоков с тремя колодками подключения, рестайлинг . Закину сюда, чтоб не потерялось ) ( Возможны неточности )
Хорошая схема на "американку" из митчела
Был обычный замок, поставил с радиоключом, ключ с кнопками и своей 433 частотой есть. В блоке измерений вижу, что цз реагирует на кнопки, а привязать радиодоступ не могу( Может подскажете, в чем дело? Какая кодировка должна быть?
Какая у тебя кодировка сейчас? Давай ее посмотрим и разберем какие опции включены.
Кодировка в принципе рабочая, только сигналка отключена…
Попробуй 14913…
Вот инструкцию писал, по ней полностью сделай… Обрати внимание работает ли концевик в вод двери! Без него не пропишешь. Так же с ключа вод двери должны все открыватся и закрыватся…
www.drive2.ru/l/516386736570368277/
Все сделал по инструкции, все получилось) Спасибо вам! Только поворотники не моргают при постановке и снятии с охраны)
Ну вот, не зря инструкцию писал :-)
А мигать должны, мигание включено в кодировке.
От это я удачно зашёл! :)
Насколько же редки и насколько ценны и полезны такие посты среди здешнего контента…
Спасибо огромное за подборку, в закладки и рекомендации однозначно!
Подскажи а есть пред на насос этот?
Конечно :-))) Целых 3 штуки. Для кого схемы выложил? :-))))
а где они расположены? поведай
Сбоку торпеды. Номера 6,14,38 как на схеме обозначены.
BaRTuK
а где они расположены? поведай
BaRTuK
а где они расположены? поведай
Спасибо!
Видать у меня уже не родной цз был. Сигнала под капотом есть и ключ с дистанционной. Правда не то ни другое не работает(( пока заменил блок с L на G, все так же мертво пока(
Проверь антенну например… Кодировку…
Шикарный пост!
Ну молодец, серьезно ! В закладки добавил . Очень много полезной инфы в одном посте !
Вот это пост👍👍👍как раз нужная мне сейчас информация, буду изучать! Спасибо за труды!
Очень много полезной информации) Спасибо!)👍👍👍
Очень полезная запись! Спасибо за труды, побольше бы таких постов против шлака, заполонившего ленту б5)
ОТличный пост! Но вот это кто?
чтото с доп вентеляцией очевидно)
да хрен там. Один сосок на бак идет. У меня такой стоит. Победить его никак не могу, чтобы насос работал нормально
Возможно не актуально уже, но у меня тоже на бак идёт но сосок один.
ANTICHITER
ОТличный пост! Но вот это кто?
Это обычный блок, свежих годов.
Добрый день могу ли я узнать какой должен стоять блок у моей машины 1.8 ARG 125 л.с 1999г.в рестаил . У меня блок стоит но работает странно сам по себе срабатывает . Закрываешь машину он долго гудит . И когда открываешь багажник с ключа не с кнопки он закрывает машину и открывает багажник . Видемо он у меня не совместим с авто. . И как сделать ключ дистанционного управления. У меня стоит обычный ключ без кнопок с ИМО .
Этот с завода
8D0 862 257 C
Дата изготовления: 1999-2003 г.г.
Описание: насос центрального замка с блоком управления
для транспортных средств:
-без охранной системы
-без дистанционного управления
производитель VDO
Чтобы сигналку поставить нужен другой блок. Все же написано!
Спасибо большое
aliktaev
Добрый день могу ли я узнать какой должен стоять блок у моей машины 1.8 ARG 125 л.с 1999г.в рестаил . У меня блок стоит но работает странно сам по себе срабатывает . Закрываешь машину он долго гудит . И когда открываешь багажник с ключа не с кнопки он закрывает машину и открывает багажник . Видемо он у меня не совместим с авто. . И как сделать ключ дистанционного управления. У меня стоит обычный ключ без кнопок с ИМО .
Долго гудит это 90 процентов контакты в самом блоке, ну если нет дыр по воздуху, как лечить вот тут писал www.drive2.ru/l/502150534891831589/
Если при закрытии багажника работает замок на оборот то перекинь контакты с микриков и забуть :-)
Шикарный пост! +1000 к карме)))) только было бы наглядней в описании уже самих блоков делать так
[фото] 8D0 862 257 и дальше описание.
Думал так сделать но ограничение на 20 фото в посте.
Да и не нужны фото конкретно каждого блока. Блоков что ли не видели :-)