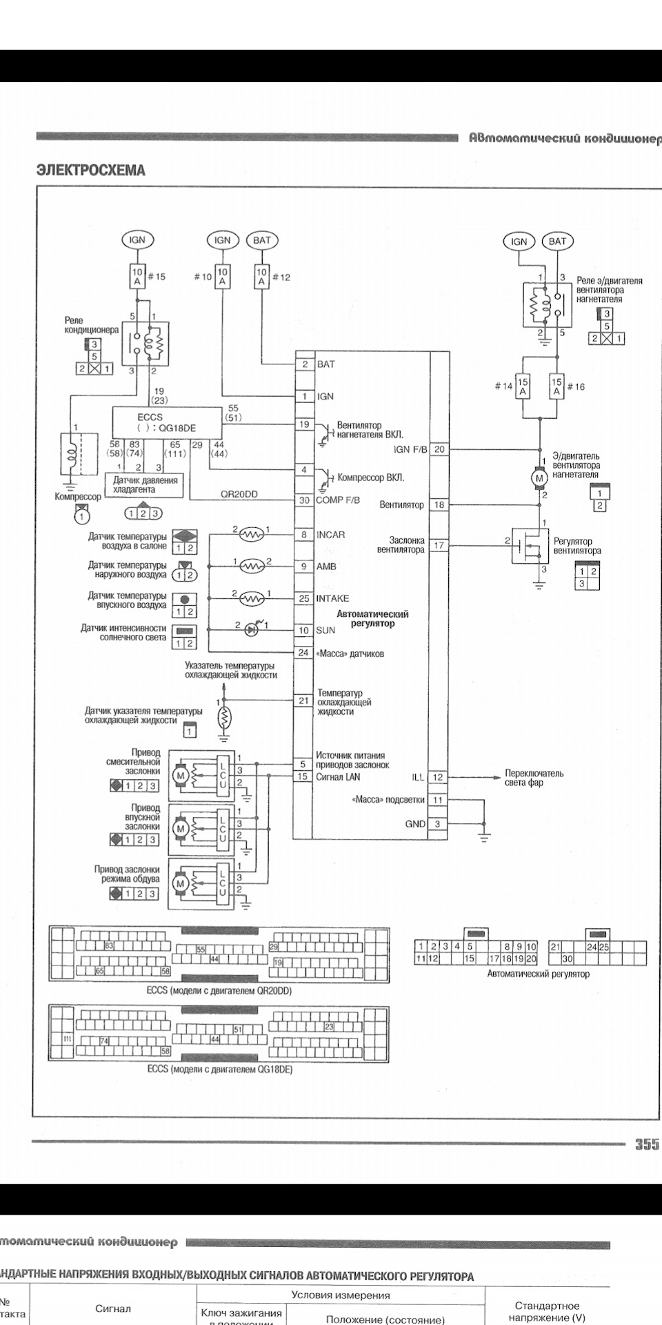
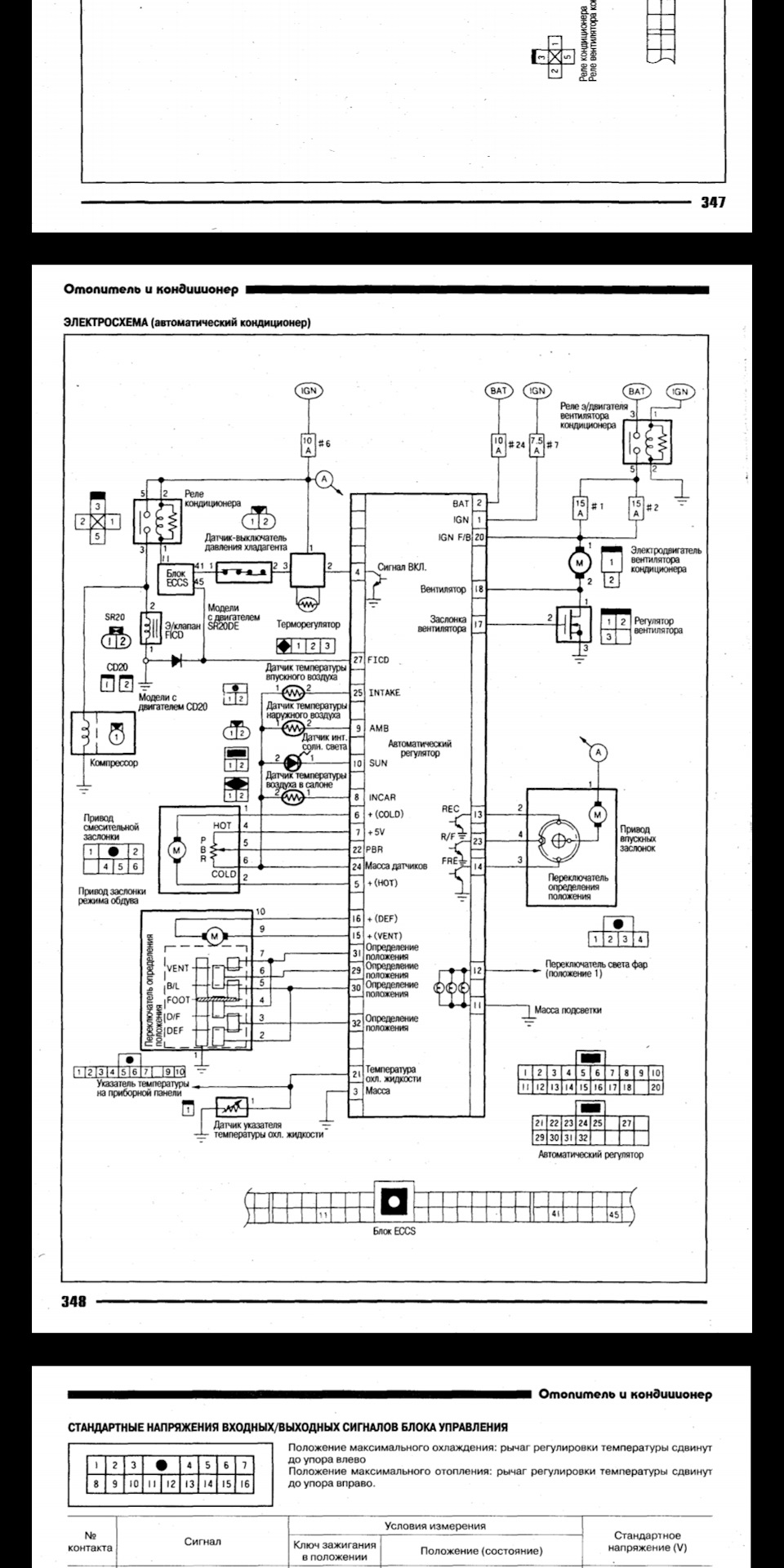
Это реально? Многие соклубники говорят "это такой геморрой, это не приборку от птицы поставить" Не отказываюсь от этой мысли и вот кое что уже куплено и прибыло. А так вообще-то что тут сложного? Всё находится под торпедо кроме одного датчика и его проводов, датчик ставим провода прокидываем и дальше вся работа в салоне и кое что изначально сделано заслонка улица/салон уже готовая, один из датчиков в испарителе присутствует, осталось ещё датчик температуры в испаритель поставить, датчики солнца, температуры в салоне, наружней температуры, бу кк, резистор(реостат) установить как на авенире в корпус испарителя и "сервопривод заслонок тепло/холод и положение обдува(стекло/ноги/в лицо)"и все это соединить проводами. Как по русски уже не упомнишь, а по ангельские стало быть "Coming soon" ожидайте дополнений и фото отчёт.
Дополнение: ещё запчасти прибыли(серво приводы те что стоят на корпусе печки со всеми тягами и креплениями и шланг датчика температуры воздуха в салоне с креплением к корпусу печки) всё необходимое для установки будет сфотано и выложено сюда. Получил посылку а там Сюрприз от авторазбор приятный они мне прислали корпус печки со всеми выше указаными частями видать не стали заморачивался все снимать с корпуса и прислали в сборе. Спасибо им за облегчение задачи. Тем временем собрал проводку думаю будет работать пока на скрутках но судя по схеме правильно, процесс затянется так как отпуск кончился да и затеял перепланировку в гараже.










Обновление 25/10/19: все необходимые детали собраны в кучу, осталось только инсталировать в авто, а также по случаю попались мне воздуховоды ног задних пассажиров в полном комплекте. Так же будут установлены. Теперь дело только за временем которого как всегда нет, но как сказал Семён Семёнович "будем искать!"





Комментарии 7
Вчера тоже купил климат, моторчики с лапками и косу проводки. Спросили бъется ли по номеру климат с машиной. Я говорю вместо крутилок это воткну. Продавец посмотрел как на сумашедшего и говорит лучше откажитесь от идет и не лезте туда. Спасибо за совет)
Да, да, я тоже такое слышал😁 и от продаванов и от одногрупников avenir & expert . Сейчас жду пока один из одногрупников дособерёт комплект и будем ставить ему не точно такой же как у меня описан аналоговый, а цифровой вариант тот в котором заслонки работают по LAN сети отличие от моего варианта меньшие количество проводов.
Сильно гнилой?
Кто гнилой?
Knyazzz54
Сильно гнилой?
Ты про кузов? Пороги оба под замену.
Ну, ты тип и заморочился.
Есть такое дело.