Шёл 2019-ый год. АВТОВАЗ по прежнему телился с модернизацией замков передних ремней безопасности. Прошу меня простить, но при доработке стоковых замков ремней посредством их наращивания удлинителями с Веста-шопа я потратил немало своих нервов. Поэтому многабукафф в этом отчёте не ждите, просто посмотрите мой видос и зацените фотки с подписями к ним.
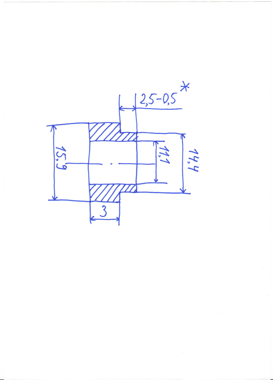
Однако стоит сразу апдейтнуть отчёт. После сборки Stage-1 в процессе длительной эксплуатации выявилось два нюанса. Во-первых, после определённого пробега ощутимо снизилось усилие перемещения замка ремня в плоскости «вперёд-назад». Я думал, что ослаб момент затяжки, но нет, при проверке это не подтвердилось. Предположительно истёрся слой ЛКП, за счёт чего увеличился осевой зазор в соединении. В итоге были изготовлены «ремонтные» спец-шайбы (см. эскиз), размер со звёздочкой был уменьшен до 2мм, на финише усилие вновь стало как мне надо.
Во-вторых, в какой-то момент при движении по неровной дороге я стал замечать скрип в салоне со стороны сиденья. Поиск скрипа дал результаты: скрипит ось замка ремня безопасности при покачивании в плоскости «к сиденью-от сиденья». Собирал то я соединение без смазки, опасаясь замарать обивку салона. Сделал вывод, что смазка соединения всё же актуальна. В итоге при Stage-2 разобрал соединение, заменил спец-шайбы на ремонтные, а заодно смазал соединение консистенткой Bosch Superfit. Скрип ушёл, а усилие фиксации, как я уже писал выше, вновь стало как мне надо.
Результатом работы я конечно доволен, пристёгиваться стало не в пример удобнее, да и все мои постоянные пассажиры отметили улучшение. Но гемороя хапнул немало, никак не думал, что с (казалось бы) покупным готовым решением можно так провозиться с доводкой оного до ума. Отговаривать или агитировать за удлиняйки с Веста-шопа я Вас не буду, каждый из Вас в состоянии сделать самостоятельные выводы, надо оно это Вам или нет.
P.S. По информации с Веста-клуба: Весты из крайних партий уже оснащаются с завода удлинёнными замками ремней безопасности. Не прошло и 4-ёх лет…


























Комментарии 50
Да уж. Думал поставить сей девайс ибо дешевле длинных замков, но чет уже хочется переплатить и не делать себе голову. Спасибо за такой подробный отчёт.
Да, Веста-шоповские удлиняйки нормально встают только при доработке напильником. Так что иной раз лучше за готовый вариант переплатить. Но когда я свои замки удлинял, длинных замков ещё не продавалось, только удлинители…
Честно… мне утопленные больше нравятся. Не торчат, и вставлять в них удобно. Может руки у меня откуда надо растут, защелкиваю за долю секунды, как револьвер в кобуру кавбоя входит))) А эти "торчки" пластик подлокотника не натирают?)
Ну ХЗ, если худощавое телосложение и без зимней одежды, то ещё можно худо-бедно пристегнуться. "Торчки" могут натирать пластик, но их можно подогнуть по месту.
Я 100кг и 184см ростом. В пухане по колено норм пристегиваюсь. Короч кому как. Мне удобно и не торчат)
Возможно. Я 74кг (растолстел за карантин) и 186см. Но мне после Джентры не очень понравились утопленные замки ремней. Переделал, теперь норм.
Главное, чтобы тебе нравилось.
Это да. Все мы разные. Каждому своё.
Доброго времени суток, подскажите пожалуйста, тоже веста, но вот этот самый фиксатор ремня родной (уже длинный) но он разболтался, то есть пружинная шайба не выполняет свои функции, немного подтянул болт, он очень тяжело идёт, стало получше не не так как у пассажира, вопрос выкрутить этот болт не снимая сидения я так понимаю невозможно, упрётся, вариант только подложить какие не будь разрезные шайбы и снова закрутить?, этот болт в диаметре м11?
Резьба М11, а вот посадочный диаметр под пружинную шайбу больше. Вспоминается, вроде 14мм, а в самой шайбе отверстие несколько больше. Завтра поточнее замерю.
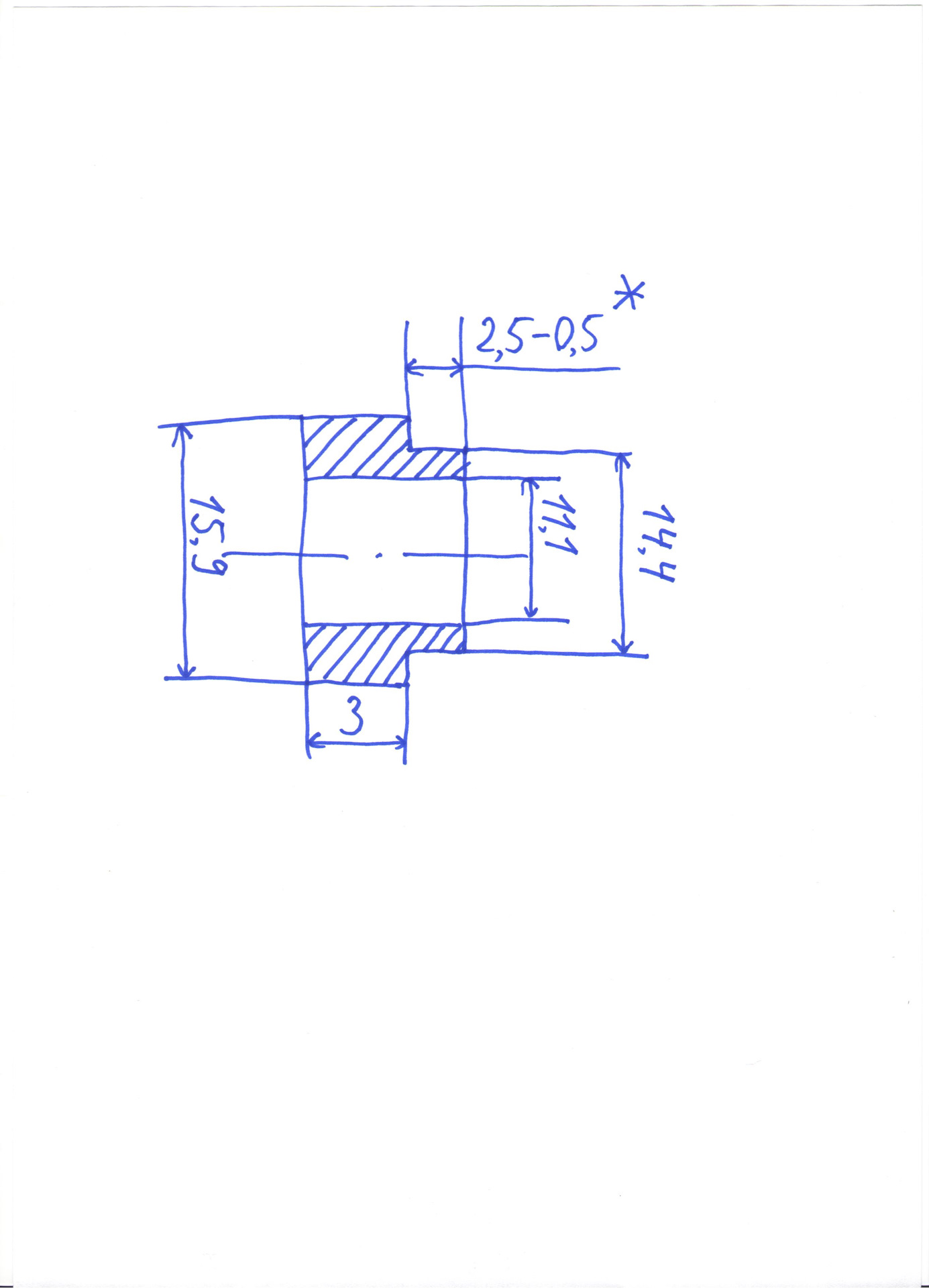
Кстати, эти болты я откручивал без демонтажа сидений. Неудобно конечно, но извлечь болты я смог. В вашем случае я бы торценул болт чтоб шайба сильнее сжималась, либо подложил бы тонкую шайбу под пружинную шайбу со стороны шляпки болта. Я с подобным тоже сталкивался, в итоге изготавливал несколько переходных шайб (см. эскиз) с разной длиной. В итоге опытным путём подобрал по усилию нужные.
P.S. Глянул свой же эскиз, да, судя по диаметру 14,4мм, в шайбе отверстие как раз около 14,6…14,7.
Огромное спасибо!
Эээх, всё-таки забыл я болт замерить. Ладно, попробую завтра вспомнить. Надо записать, что ли…
Ничего страшного, кто ждёт тот дождется)
Диаметр 13,75мм.
Спасибо огромнейшее! =)
Обращайтесь, если что. Оперативность у меня местами прихрамывает, но по возможности помогу.
gentravod152
Резьба М11, а вот посадочный диаметр под пружинную шайбу больше. Вспоминается, вроде 14мм, а в самой шайбе отверстие несколько больше. Завтра поточнее замерю.
Кстати, эти болты я откручивал без демонтажа сидений. Неудобно конечно, но извлечь болты я смог. В вашем случае я бы торценул болт чтоб шайба сильнее сжималась, либо подложил бы тонкую шайбу под пружинную шайбу со стороны шляпки болта. Я с подобным тоже сталкивался, в итоге изготавливал несколько переходных шайб (см. эскиз) с разной длиной. В итоге опытным путём подобрал по усилию нужные.
P.S. Глянул свой же эскиз, да, судя по диаметру 14,4мм, в шайбе отверстие как раз около 14,6…14,7.
Привет. А нет случаем артикула этой пружиной шайбы?
К сожалению артикула нет.
Но это деталь для Весты или вы просто в магазине подбирали?
Нет, пружинную шайбу я извлёк из стоковой сборки замка ремня безопасности Весты. Её же я и собрал с новой сборкой.
Ааа. А я хожу по магазинам. На меня как на дурака смотрят. Типо никто никогда их не встречал
Я думаю как отдельная запчасть волнистые шайбы не продаются. Тем более что и сборка замка ремня идёт как неразборная конструкция, там и шайба-нетеряйка на болте насажена несъёмным образом, пришлось её разрезать.
Да я уж обратил внимание.
Не. Эти шайбы есть от gm. Но цена за 1 штуку 700
700руб конечно дороговато… Я б попробовал родные сохранить и применить вторично.
Я поэтому и стал искать вариант у ваз.
Но походу в открытом доступе таких деталей нет.
Завтра буду свою проверять
Если усилие фиксации замка (на проворот вокруг его оси крепления) слабовато, то можно обыграть как обыграл я: подбором длины самодельной шайбы (см. чертёж).
Вот благодаря вашей записи завтра начну эти приключения. Спасибо вам огромное за подробную информацию
хорошая машина, есть куда руки приложить, самое главное интересно все)
Это точно. Как заготовка для тюнинга Веста самое то.
самое главное чтоб не ржавела.
а тюнинговать все можно
За коррозионную стойкость кузова не скажу, проверю в ходе ресурсных испытаний, отпишусь.
Хотя и прежние ТАЗы тюнячат… Но отвлекаться на подгнивающий кузов, конечно, неприятно…
Ну у меня за полтора года не сгнила, уже хорошо)
Рано ещё судить. Вот лет через 5 посмотрим как оно.
Через 5 лет всё превращается в Тойоту. Через 10 точно.
А в Немеции говорят, что все автомобили рано или поздно превращаются в Опель… Правда, при производстве Опелей применялся вторчермет…
Ну Опель уже не тот. Опеля тоже превращаются в Тойоту — контрактные запчасти, посещение разборок, поиск редких деталей.
Болгарка, болванка и пол часа времени )
в журнале у тебя размеры есть? я правильно понял, ты сам делал длиннее или покупные доработал?
Размеров нет, делал сам на глаз… Поменял пальцами, на сколько надо удлинить — на столько и сделал )
В бж есть www.drive2.ru/l/517484049174888729/
Спасибо, посмотрю.
ELITE83
Болгарка, болванка и пол часа времени )
Ну я то повёлся на "готовое решение" с Веста-шопа. Думал, поставлю за 10 минут без головняка. А в итоге пришлось и "готовое решение" до ума доводить. Может и в самом деле было бы быстрее с нуля запилить удлинитель.
у брата май 2019 уже удлиненные стоят
Считай повезло. А вообще, если подождать ещё лет 10-15, то может АВТОВАЗ наконец все косяки по Весте устранит. Хотя не, не может такого быть! (шучу)
А с завода что с ними не так?
С завода замки утоплены ниже плоскости подушки сиденья. Пристёгиваться на ощупь в узком зазоре между подушкой сиденья и баром жутко неудобно.
👍
Вот заморочился красавчик.
Люблю чтоб усё было по фен-шую. А с DIN-овским крепежом у меня личные счёты.
У меня апрель и уже доработанные замки
У меня Веста выпущена в марте 2019-го, замки ещё старые. Правда заказывал я её ещё в НГ-праздники.