
Здраствуйте уважаемие!)
Значит постараюсь обяснить что нужно и для чего!
У Вектры только 2х кнопочные брелки Но можно установить блок комфорта с Омеги рест где брелок 3х кнопочный, тоесть на Омеговском блоке можно организовать доп.канал(для открытия багажника, люка, откр.окон)
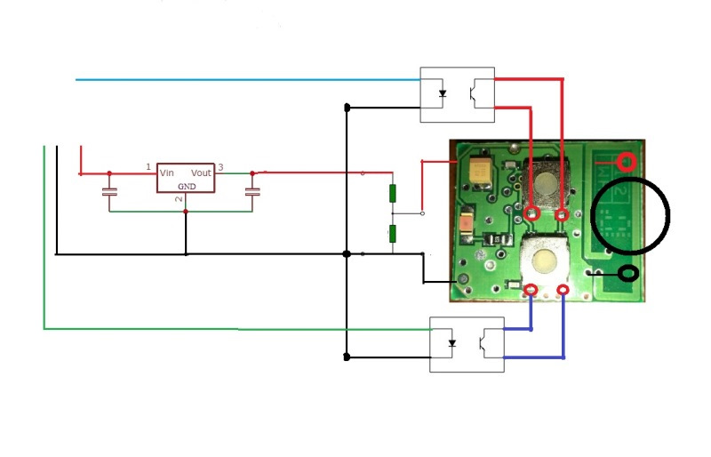
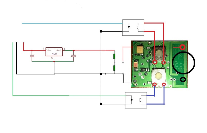
Вот пример Серега Погранец делал
www.drive2.ru/l/536379706254033002/
Найти такой блок с Омеги рест не проблема, даже не проблема найти блок с штатной сигналкой что мне нужно
(хочу что б в Вектре осталась ета опция, так как очень много сил и времени потратил для ее реализации)!
ПРОБЛЕМА в следующем: нужен код Кар Пас для подшывки нового брелка(выкидной ключ) к етому Омеговскому блоку…Но на расборках пока что!Нереально купить блок вместе с кодом!
Есть варик снять с одной машини блок комфорта и иммобилайзер(с иммо вичитать код КарПас)
Но я пока такой не нашел…
Может кто знает разбор, где комплект такой купить буду благодарен!)
Значит суть вопроса!
Хочу оставить штатный блок комфорта Вектровский с штатной сигой и запаралелится блоком Омега на три кнопки
Только теперь вопрос!Как управлять блоком сигналки дорестайл .через блок рестайл омега?
Буду благодарен за подсказки
Всем удачи!)






Комментарии 23
Нашел: drive2.ru/users/longepass/ Рекомендую, все четко сделал и все подошло.
Контакты уже не найду, дело было довольно давно. Нашел его тогда тут, на драйве, отправил ему VIN, в ответ получил все коды.
Может на драйве переписка сохранилась?
А не легче выяснить VIN той Омеги, с которой будет сниматься блок? Здесь на Драйве есть человек, который, зная VIN, прислал мне и КарПасс, и код от сигналки и даже, по моему, код от магнитолы родной!
Легче, но надо найти Омегу, рест. с сигналкою штатной и иммо
Знаеш контакты етого человека?!
добавляю со своей стороны как часть проэкта …
Интересно!)
я внес свою частицу в реализацию проэкта .Действуйте господа)
Спасибо)
КарПас блока комфорта можно вытащить из самого блока комфорта. Мне один умелец выпаял чип с него, программатором считал и сказал мне код.
Да там стоит моторолка серии 3D33J и в ней лежит карпас, но там вся плата отлита какимто керам лаком которого даже смывка краски боится )
Опана, Ето уже интересно
Серёга, а если я удалю тот лак?!
если удалиш, иши кто выташит из него карпас .цена вопроса будет наверное в районе 20$
Знаеш таких пациков?!)
так это пол беды .удастся ли прошить "новый брелок"под блок комфорта сигналки .
Одинаков ли там протокол, как бы инфы нет .
Карпас же нужен для прошивки иммо и ЭБУ. Блок комфорта что тоже через него? Вроде брелок синхронизируется по долгому нажатию кнопки
Чтоб подшить новый брелок к блоку который под штатную сигнализацию нужно КарПас
Обычный блок не нужно КарПас
Ну так мне обяснили
Fagimas
Карпас же нужен для прошивки иммо и ЭБУ. Блок комфорта что тоже через него? Вроде брелок синхронизируется по долгому нажатию кнопки
при выборе в опкоме
то есть выбор или
цз
сигнализация
первый случай просто заходим и новый ключик пришиваем, а вот второй требует код для возможности програмирования брелка этоже всетаки сигнализация )
Понятно, спасибо. Все хочу свой карпас узнать :)
а что это секретно?
вытащи с иммо и порядок)
Юра, тебе дорога к ПОГРАНЦУ… )))
ок)
Artempanchuk78
Юра, тебе дорога к ПОГРАНЦУ… )))
он у меня уже был )
виденье этого вопроса есть, интересны разные варианты общего решения)