После сервиса решил посмотреть, что же случилось с магнитолой. Кажется в этой машине по вылазили все болячки, что есть вообще) Т.е. даже на магнитоле, стандартно не работал дисплей. Полазив по форумам решил, что ничего там сложного, сейчас стабилизаторы заменю и запоёт как новая.
Снял, принёс, разбираю, проверяю стабилизаторы — рабочие. Стал искать дальше.
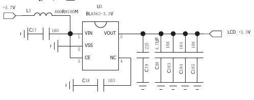
После долгих копаний и замеров напряжения на контрольных точках был найден стабилизатор U3 с завышенным напряжением. Вместо 3.3в, на микросхему LCD выдавались 3.8. После его замены конечно же ничего не изменилось. Я поначалу испугался, что из-за повышенного напряжения сгорел сам LCD контроллер, даже нашёл его на aliexpress и хотел уже было заказать. Но отложил всё в сторону на пару дней.

Прошло пару дней и с новыми силами продолжил сверяться с напряжением по схеме. В какой то момент стало понятно — виной всему драйвер подсветки, т.к. вместо положенных 10 вольт выдавал 5. Нашёл микросхему на aliexpress, заказал и опять отложил ремонт.
Прошло ещё пара дней. Что то мне не давало покоя… Хех, наверное, то что микруху ждать месяц :D. Решил убедиться, что LCD контроллер не дал дубу. А вдруг и он сдох, это же мне 2 месяца ждать.
У меня лабораторного БП нет, пришлось на коленке из LM3596 собрать.


Подключаю к подсветки — не горит. Разобрал панель. Достал светодиодную полосу подсветки, проверил — работают все. Подсветил ЖК экран вспышкой телефона и успокоился, LCD контроллер был жив, а на экране бегали цифры =)
Светодиоды собраны в группу по 3 штуки. Где-то в начале подгнила тонкая дорожка, а может просто микротрещина, под слоем лака не видно, когда на излом берёшь загораются. Взял подпаялся на вторую группу, подключил и словил пару зайчиков от яркого света в глаза))
Тут же за одно пропаял разъём sd и отвалившийся вход aux

Довольный, тем что всё же не пришлось ждать целый месяц запчастей, пошёл ставить магнитолу в авто.

Мне сильно хотелось сделать магнитолу, по той простой причине, что парковаться человеку привыкшиму к парктроникам да ещё и с камерой, отвыкнуть не так уж и легко.
К сожалению провода от камеры c RCA переходником в месте установки магнитолы не оказалось. Время близилось к ночи, пришлось отложить ещё где-то на неделю.
Спустя неделю.
Провод конечно успешно нашёл, под задним сиденьем бросили, но вместе с ним рухнула надежда на без проблемное подключение.
Полистав сервисный мануал, нашёл куда подпаяться.


За одно припаял для USB флешки разъём в бардачок.


Если ты, дорогой читатель ещё не утомился, то я пожалуй ещё продолжу)
Дополнительно со стороны входа соединил 1 и 2 ножку, это видео вход, 3 — минусовой.
Тут думаю стоит пояснить для чего я соединил 1 ножку Video AUX и 2 ножку Camera. На самом деле это 2 разных входа. Первый показывает, кода включен aux режим, второй когда включена задняя скорость. Соединил снаружи магнитолы для того, что бы можно было разъединить без разбора, т.к. нужно оно мне лишь на первое время.
Подключил TV приставку для теста

Работает, но только не автоматически, приходится выбирать в меню AUX.
Для нормальной работы, нужно ещё подавать +12 с ламп на третью ножку силового разъёма (BACK +12).

Т.е. при подачи +12 вольт на 3 ногу из любого режима магнитола сразу же переходит на видео и показывает соответствующую надпись.
Я же не сомневался, что никто не удосужился сделать всё по человечески, потому-то и соединил входы аукса и камеры =)
В машине как оказалось этот провод просто болтался. Мне пока проводкой заниматься некогда, после нового года всё сделаю культурно. Заодно и провода на мозги пропаяю. Ещё один сюрприз, то что камера запитана не от фонарей, а подключена к ACC (надеюсь, что к ACC =) )
Это тоже будет переделано в январе.

Можно было бы поставить точку в этом рассказе, но на следующий день точку поставил no video signal
В будни разбираться нет времени, может даже до января всё отложу…







Комментарии 18
Поделитесь пожалуйста сервисмануалом на эту магнитолу где схема на неë.
Привет. Выложил тут limewire.com/d/13MAS#B1bHmM4Gtd
сервис и юзер мануалы
Привет, у меня такая же магнитола, по поводу аукса, она не дает послушать музыку через телефон, а только для видео служит?или я что то не понял?сенсор так же не работает, брал уже с такой магнитолой
Сорян, что так поздно отвечаю)) Меня тут давненько не было. Нет, аукс можно смело использовать для телефона, видимо он отвалился и его нужно пропаивать.
Я уже смирился))))
Спасибо, попробую в ремонт отдать)
Подскажите что может быть. Магнитола mystery mdd-6280nv. Подключаю камеру заднего хода а на дисплее пишет no video signal. Ранее всё работало. Камера рабочая.
Вот люди у нас…
Нет чтобы выкинуть и больше никогда подобный Китай не брать.
Ну как, полегчало?
Ваши бы знания, да в путное русло.
Ааа, чего еще хотел сказать…
Тоже валяется у меня такой USB паяльник, включал его один раз (даж плату его переделывал зачем-то…), но так и валяется.
Для меня удобнее оказалась bga паста низкотемпературная — сделал скрутку, макнул в пасту, погрел зажигалкой — готовальня.)))
Да, не плохая альтернатива. Она правда для пайки smd предназначена, но кажется в у нас оно получило большое распространение благодаря "пайке зажигалкой". Брат на али заказывал, мне показалось дороговато для пайки скруток)
Та знаемс, и smdэшки паяемс ею, универсальная штука получилась…😅
Какие-то копейки кажись стоила на алешке, давно это было.
Да и расход же у нее маленький👍
Интересный паяльник, где продается? Сколько кушает?
На алиэкспресс брал. Можно там загуглить по фразе "паяльник usb".
Они где то от 250р начинаются. Заявлено, что 8 Ваттный. Сколько точно жрёт, не замерял, но если примерно прикинуть, должен 1.6А.
Запитывал его и от 1А зарядника и от 10А пауэрбанка. Включается по сенсорной кнопке, если не дотрагиваться какое то время, то выключается. Говорят далеко за городом не работает, т. к. наводок на сенсор нет, но я в таких ситуациях ещё не бывал)
s.click.aliexpress.com/e/w9pZ9sW
zicc0 верное замечание сделал. Ставь реле параллельно лампе ЗХ, а уже реле коммутируй +12В
Сейчас что бы видео работало не только на ручнике, нужно провод ручника замкнуть на массу. Я немного схему переделаю. Там дорожку разрезать и два проводка припаять) Тогда можно будет подключить вместо ручника, и видео показывать будет.
Опачки, электронщик, так-так-так)))
Запишемс на будущее…))))
Кстати, имей ввиду, у нас лампа ЗХ по массе управляется (если будешь к ней коннектится).
Я не настоящий сварщик)) Занимался раньше, сейчас уже все отошло на третий план.